Fórum témák
» Több friss téma |
Fórum » Elektromos fűtés
Üdv!
Mit gondoltok az alábbiról? 75m2 tetőtéri, jól szigetelt lakás. -5 és 0C fok körüli kinti hőmérsékletnél 10C fokot kellene emelni a lakás hőmérsékletén. Padlófűtés van kiépítve, kb 240m 20mm belső átmérőjű csővel, max. 40 C fokos víz lenne szükséges. 1.: gázról kikötött gázkazán hőcserélője alá 60W-os pákák max. 5-5 db egymással szembe fordítva. Ezek 400C fokra melegednek, egy 12V DC ventillátor visszaforgatná a hőcserélőn áthaladt meleg levegőt. 2.: fűtőszál az előre menő ágba. Minkét esetben lassú vízáramlás lenne, 2-10 l/perc, szükség szerint. Szerintünk elég lenne 10C fokos hőmérséklet emelkedés az áthaladt víznél. Köszönöm ha válaszolsz!
Rossz hatásfokú és drága volna. Esetleg valami ilyesmit tehetsz a meleg oldali vízcsőbe.
A levegő nagyon nem olyan hatásfokkal adná át a hőcserélőnek a pákák hőjét, hogy működjön a dolog. Jobb megoldás, egy kívánt teljesítményű bojler fűtőbetét, egy megfelelő kis tartályban és ezt a vizet keringetni egy hőcserélőn és átadni a fűtőkörnek.
A hozzászólás módosítva: Feb 9, 2017
Köszönöm a válaszokat!
A pákás dolognál a gázláng által leadott 260C fok körüli hőmérsékletből indult a gondolat, hogy esetleg a 400C fokból ki lehetne hozni valamit a már 'elhasznált' meleg levegő visszaforgatásával pedig a környezeti hőn gondoltam javítani. A fűtőszálas megoldásnál, az én gondolatom szerint a fűtőszál köré a lehető legkisebb átmérőjű csövet kellene húzni és lassan áramoltatni a vizet, hogy legyen ideje melegedni. Ha nem így van kérlek javítsatok ki! Mellékesen a múltkor megpróbáltam indukciós tekerccsel, házilag alakított acélcsővel áramló vizet melegíteni, kb. 30C fokos víz sikerült 1kw-nál, de csak nagyon lassú vízzel. Köszönöm!
Nézz utána a fajhő fogalmának. Ugyanitt a hőátadásról.
Bővebben: Link A hozzászólás módosítva: Feb 9, 2017
szia
" lassan áramoltatni a vizet, hogy legyen ideje melegedni." Ha tavaszra akarsz meleg lakást, akkor ez jó megoldás. Nem lassan kell mozgatni, fel kell melegíteni a vizet. Jó apámnál a fűtésrendszerbe 9,6KW van beépítve. Az első megoldásba 2,4KW on ként kapcsolt be a fűtőtest, első a kivánt hőmérsékleten, a második 2°C lejjebb, a harmadik 4°C lejjebb a negyedik 8°C lejjebb. +10°C külső hőmérsékletnél, 35°C víz hőfoknál, az első 35°C nál majdnem folyamatosan, míg a második 50....60% volt bekapcsolva. Belső hőmérséklet ( lakás ) 20....23°C Ezzel a megoldással -17°C ig volt, a lakásba +20°C előre menő víz 65°C és az összes fűtőbetét ment. A ház nem szigetelt 50cm vastag téglafal, van. 70 évek beli nyílászárok. weend nek tudom mondani, hogy a villany, apámnak a legolcsóbb, (bányász nyugdíjas és a villanykedvezményt kérte) A uránról nem tudok nyilatkozni. a fa, szén, be kell hordani majd naponta 5....6 szor a kazánra kell figyelni, ( a fánál még többször ) Míg én egy 100m2 lakást fűtők ki gázzal addig apám egy 130m2 fele annyiba kerül neki villannyal. üdv. A hozzászólás módosítva: Feb 10, 2017
Sziasztok!
Olyan problémával küzdök, hogy van egy légcsatornai 30kW-os fűtőkalorifer (Rajzon). Viszont nekem csak ~20KW-ra volna szükségem. C32A-al van biztosítva és a bekötést úgy oldottam meg, hogy 5-8=L1; 6-9=L2; 7-10=L3. Az áram felvételem L1= 29A; L2=29A; L3=22A. Egy mágneskapcsoló és egy REX-C100 PID-es hőmérséklet szabályzóval kapcsolom. Kábel keresztmetszet 4x6-os. Kérdés, hogy ez így megfelelő? Nem túl magas az áramfelvétel? Máshogy kellene átalakítani a fűtőszálakat?
Üdv! Ott tartok, hogy 2,7 kw-os vízmelegítőt dobtam össze. A padlófűtès visszatèrő ágba bekötöttem egy 80l-es bojlert puffer gyanánt ami nem fűt csak napi 1órát. Vezèrelt árammal működik a "kazán" s napi 2 + 4 órán át bekapcsolva 20-23 fok között van a hőmèrsèklet. 2 radiátor ès kb 260 m 16 mm fűtèscső van használva. Tetőtéri, rossz szigetelèsű lakásban.
A hozzászólás módosítva: Nov 24, 2017
Sziasztok!
Segítséget kérek! Egy 2000 watt összteljesítményű (750w+1250w) elektromos fűtőtestről van szó! Van benne kettő db. hőbiztosíték sorba kötve, amiből az egyik megadta magát. Sajnos, a rajtuk lévő felirat már nem olvasható, így nem tudom a hőértéket leolvasni. Kérdésem, milyen hőfokút vegyek, hogy biztonságosan működjön?
Milyen fajta (kialakítású) fűtőtest és hol van benne a hőbiztosíték? 85-193 fok közöttieket láttam eddig, de akármilyen is lehet.
Típust sajnos nem tudok, mert nincs rajta semmi azonosító, vagy arra utaló jelzés. Egyszerű a szerkezet. Két élére állított, kb 50 cm x 6-8 cm szigetelő lemez közé befűzött, két oldalra kinyúló, egymás alatt két sorban elhelyezett fűtőszálról van szó. Az egyik ág 750 watt, a másik 1250 watt. Külön-külön, vagy együtt a kettő működtethető. A fűtőszálat tartó szigetelő lemezen alul, a fűtőszálak alatt hosszában van egy fémlemez csík, az van megszakítva ott, ahol egy bimetall és a kettő hőbiztosíték van egymás után, sorba kötve. A lemez egyik vége a két fűtőszál közös végén van, a másikon direktbe kötve az egyik kivezetés.
Úgy okoskodtam, hogy a 2000 wattnak kell kb. 8,5 amper, ezért biztosítéknak a 10 amper elég. a hőfokot csak saccolom, hogy 200 fok körül lehet az érték, ezért ilyent tettem bele. Biztos, hogy egy esetleges zárlat kiveri a 10 ampert is! Minden esetre, most úgy működik a szerkezet, ahogy kell! Köszönöm a segítő szándékot!
Szia!
Szerintem nem sok az áramfelvétel. A 20 KW-ot három felé osztva, egy fázisra (240V) 6,666.. KW jut. A 6666 Watt osztva a 240V feszültséggel, az 27,775 amper áramerősséget ad. Természetesen, ez most csak egy hozzávetőleges érték, mert a hálózati feszültség nem mindenütt 240 volt. Feltételezem, azért van Neked a két fázison 29, egyen pedig csak 22 amper, mert vagy nem egyformán van elosztva a teljesítmény, vagy nem egyforma feszültség van a három fázison. Ha tudod a pontos hálózati feszültséget és az egy fázisra jutó teljesítményt, akkor a pontos áramerősséget is ki tudod számolni. I=W/V Szerintem a 29 amper egy 32 amperes hálózaton még nem sok, amennyiben más nagyobb teljesítményű berendezést nem akarsz ezzel együtt működtetni! Ha kiszámolod a pontos értékeket, akkor esetleg el tudod osztani egyenletesebben is, de ha így marad sem lesz gond. Talán annyi előnye is lehet, hogy azt a fázist, amelyiken most kevesebb a terhelés, még jobban terhelheted egy esetleges nagyobb fogyasztóval. A 32 amper határt nem érdemes nagyon megközelíteni, mert egy esetleges túláram (bekapcsolás, feszültség esés, nagyobb terhelés) esetén leold a védelem, ami kellemetlenséget okozhat. A vezeték keresztmetszetet úgy határozták meg (nálam sokkal okosabb emberek), hogy a 6-os (réz) vezeték fali védőcsőben 35 amperrel terhelhető, így még nem melegszik. Ezt kell 25 amperes biztosítással ellátni. 35 amperes biztosításhoz már 10-es keresztmetszetet ajánlanak. Ez azért van így, hogy biztosan a védelem oldjon, ne a vezeték égjen el. Amennyiben szabadon lévő kábelről van szó, akkor biztosan elég a 6-os vezeték. Ha bő lére engedtem, akkor elnézést kérek!
P=teljesítmény=20kW
P=gyök3 X U X I három fázis esetén ebből I=P / gyök3 X U 20000 / gyök3 X 400 = 28,86 A
Üdv. Az elképzelésem szerint készítenék egy villanykazánt 3P-ról üzemelne 3x230/400V. Hogyan lenne érdemes üzemeltetni hozzá a keringetőszivattyút, ha mondjuk éjjszakára én csak egy készenléti (tehát egy cekász 2500W) langyosan tartsa a radiátorokat? Viszont a többit is, ha felkapcsolom akkor ugyan úgy megy minden.
Másik kérdés. Milyen termó biztonsági szelep kéne ahhoz, ha mondjuk valamiért leáll a keringető, akkor kapcsoljon le az egész ne nyomja szét magát ? Köszi a válaszokat.
Első lépésként gondold át az egészet, mert a lehető legdrágább fűtési módot akarod elkészíteni. Biztos vagy a dologban?
Attól függ. Ha megelégszel 18 °C-kal, akkor lehet. Ha nem, biztos, hogy drágább lesz.
Ha egy fűtőbetét 2500 W-os, akkor a három legyen 7500. Milyen teljesítményű a kazánod? Gyaníthatóan kevés lesz az a 7500 W és még enyén is fejeztem ki magam. Az "éjszakára visszaveszem a fűtést" c. mutatvány is rendre megbukik, mert nappal viszont teljes gázon kell járatni a rendszert sokáig, hogy újra meleg legyen. Az állandó hőmérsékleten tartás a leggazdaságosabb. Természetesen ha napokra nem megy haza valaki, az egészen más tészta de a napi kétszeri (netán többszöri) hőmérsékletvariálás kész bukta. Mondok jobbat. Vegyél két-három olyan elektromos fűtőtestet, mint amilyen a mellékletben is látható. Nem kell semmilyen trükk! Ne legyen benne ventilátor (éjszaka hangos), ne legyen olajradiátor. Ha belenézel, látnod kell a fűtőszálakat. Teszteld őket pár napig, miközben ellenörzöd a villamos fogyasztást. Kis befektetés, kis kockázat (már ha a villamos hálózat bírja a házban), kevesebb veszteség, az elektromos áram azonnal a levegőt melegíti, nem a vizet, a víz pedig a szobát. Bizonyos okok miatt az ilyen és ehhez hasonló hordozható fűtőtestekben nagy szakértelemre tettem szert. Nem véletlen írtam a legegyszerűbb változatot. Ez a legkomfortosabb, a leggyorsabban ez melegíti fel a szobát, aztán a beépített termosztát kapcsolgat. Szobánként olyan 800 - 1000 W elég szokott lenni igaz, függ a külső hőmérséklettől, szigeteléstől, szobamérettől stb.
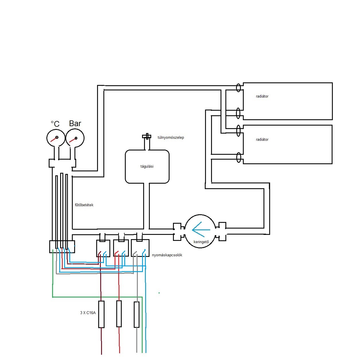
Amúgy egy darab fűtőbetétem van 7.5kW-os. Ami 3x2500W-os cekászt tartalmaz. Tehát mehet egy két vagy 3 fázisról is. A kérdésem az lenne, hogy milyen védelmi berendezések kellenének egy esetleges túlmelegedés, vagy túlnyomás leszabállyozására. Hol lehet olyan nyomáskapcsolót (vagy mi alapján keressek rá?) amit ha mondjuk becsavarok a csőbe, akkor leold? Mert oké én elképzeltem, hogy összecsavarozom a kazánt dobok rá egy keringetőt, tágulásit, hőmérőt, túlnyomószelepet, barométert, meg 3 darab kismegszakítót. De akkor így az első cekész fázisára kéne kössem a keringetőt és ha üzemel a rendszer akkor az 1. fázisnak mindenképp mennie kell pl estére.
A hozzászólás módosítva: Okt 14, 2018
Így már érthető az összkép. Amiket felsoroltál, kb. elég is, egy dolog viszont nagyon kell, az a Fi-relé.
Keresőbe ezt: nyomáskapcsoló vízhez. Első találat: Bővebben: Link. Ugyanakkor még mindig javaslom a már említett fűtőtestet, igen kis befektetést kíván.
Tényleg! A hirdofor nyomáskapcsolója jó ötlet. Hány Bar-on kéne járatni a rendszert (zárt), hogy úgy összességében ne érjen el túl nagy nyomást, és a keringető is elvigye? Én 1Bar ra gondoltam.
Van vadi új osztódobozom, már várja a villanykazánt is Fivel. Köszi az ötletet.
Tudtommal 0,8 - 1 Bar az ideális nyomás, hidegen.
Nem kívánlak tovább győzködni, de azért, ha megengeded elmondom a saját tapasztalatom. Sajnos volt olyan alkalom, amikor a Bakman által javasolt fütőtestekkel kellett fűtenem. Régi ház, vastag, de szigeteletlen falak, 80 nm. A kisszoba, konyha (10-10 nm) igényelte a folyamatos 1,25 kW-ot, a nagyszobák (25-25 nm) a folyamatos 2 kW-ot. Kint nem volt fagy, bent viszont nem volt meleg. 6-7 kW/h folyamatosan. Felénk kb. 50 Ft egy kW, mire a számlára kerül, mindennel együtt. 6x50x24x30. 270 ezer forint/hónap.
Szerintem használj a normál fűtéshez is használatos túlnyomásszelepet. Ezen kívűl tennék bele a biztonsági hőtermosztátot, ami önmagát reteszelve lekapcsolja egy màgneskapcsolóval a kazàn betáp három fázisát. Esetleg egy áramláskapcsolóval figyelhetnéd, hogy megy-e a keringtető.
Maximális közeghőmérséklet 55 fok. Lehet, hogy ez kevés.
Jó tudom, hogy drága az áram, akkor mivel fűtsek? Drága az áram, de azért kevés lesz a 7.5kW
Egy hosszabb cső végére is fel lehet szereni, addig nem jut el annyi meleg.
Akkoriban, amikor még 70 fillér volt a vezérelt áram kilowattórája az egész házat ilyenekkel meg a nagyobb tesóival fűtöttük. Nem volt meleg, és elképzelni sem tudom, hogy ma mekkora éves áramköltséget produkálna (saccra fél milliósat vagy még többet). A vizes megoldás hatásfoka még ettől is rosszabb, mert ott előbb a vizet melegíted.
Nem tudom milyen házban laksz, de én először szigetelnék, aztán ha a feltételei adottak akkor mindenképpen rakatnék egy cserépkályhát, és tennék fel kiegészítő fűtésnek a Bakman által csatolt fűtőtestekből. Sok helyen láttam már ezt az összeállítást. Azt meg el ne hidd senkinek hogy fával a fűtés ugyanannyi. A fa és a gáz között van egy kb. másfeles szorzó, majd a gáz és a nappali áram között még egy hármas. Tehát a fával a villanyhoz képest kb. a negyede lenne a költség, persze ebben nincs benne az, hogy a fát oda kell vinni és fel kell aprítani.
Számomra az is beszédes, hogy az áramszolgáltató emberei, akik eleve kedvezményes áron kapják az áramot, sem fűtenek elektromos árammal.
Magánvélemény: cserép-, vagy bármilyen kályhát csak a legutolsó esetben használnék lakásban. Be kell vinni a szemetet, majd ki.
Hogy még egy alternatíva legyen itt, az ilyesmi felépítésűeknek viszonylag jó a hatásfoka, Bővebben: Link A cégnél ilyenek vannak, felére csökkent a villanyszámla a korábbi "olajradiátorokhoz" képest. Saját termosztátja van., két csavar a falba, és kész lehet fűteni.
Magánvélemény: Régi lakásba volt cserépkályhánk, most nincs, nagyon hiányzik, semmilyen fűtés nem adja azt az élményt mint egy jó cserépkályha..... A fa a legolcsóbb, 10-15% on belül van vele a szén, viszont egyszer kell egy nap lemenni a kazánházba... A hozzászólás módosítva: Okt 14, 2018
Szóval közben lerajzoltam egy elméleti rajzot a felépítéséről.
|
Bejelentkezés
Hirdetés |













