Fórum témák
» Több friss téma |
Fórum » Elektromos kapásjelző
Témaindító: hohohorgász, idő: Nov 28, 2006
Témakörök:
Megszakítod a hangszóróhoz menő vezetéket, közé kötsz egy monostabilt és egy astabilt. A monostabilt beállítod a neked megfelelő időre, ezt indítja a dallamgenerátor kimenete. A monostabil meg indítja adott időre az astabilt, amit a neked tetsző frekvenciára hangolsz, addig fog csipogni, amíg akarod...
Üdv Inhouse
Es en ezt hogy tudnam megoldani?ez a monostabil valami egy multivibrátor?
es ilyet lehet kesszen kapni?
Ez olyan csengo hogy a adon van egy nyomogomb es azzal tudom valasztani a dallamokat....csatolok egy kepet...
es az nem lesz baj hogy a hosszu dallam altal addig amig megy a dallm a hangszorora egyfolytaban megy feszultseg...es akkor nem fog reagálni a kapásokra gyorsan..
Egy gomb, mint a Holló színház űrhajójában? Mindent azzal kell csinálni?
Mégis hogy váltod vele a dallamot? Idézet: „es az nem lesz baj hogy a hosszu dallam altal addig amig megy a dallm a hangszorora egyfolytaban megy feszultseg...es akkor nem fog reagálni a kapásokra gyorsan..” Ha egyszer kapás volt, akkor már csak ránézel, nem? Ha újra kap a dallam alatt, ott ülsz mellette és bevágsz neki. Ha meg nem vagy ott addigra, akkor jelezhet, ahogy akar... Idézet: „Es en ezt hogy tudnam megoldani?ez a monostabil valami egy multivibrátor? es ilyet lehet kesszen kapni?” Lehet, hogy lehet ilyet kitben kapni, de ha ezek az alap kapcsolások sem mennek rajz alapján, hagyd a francba... Egyébként elég lehet egy monostabil magában, indul, amikor kezdődik a dallam, majd megszakít adott idő után... Üdv Inhouse
hat pedig ezzel a gombal kell a dallamokat váltani......csatolok kepeket.....es akkor honnan vegyek egy monostabil multivibratort???esetleg meg tudnal nekem tervezni eggyet???vagy ha lehet keszen kapni akkor nincs gond...valaszodat elore is koszi...
Itt már rögtön 2 gomb az az egy gomb, nem?
Írd már le légyszíves, hogyan működik a váltás, mert ez egész elég kesze-kusza! Üdv Inhouse
hat ha megnyomom egyszer a váltó gombot az adóban akkor megy egy masik dallam a vevoben, ha megynyomom megegyszer akkor megint megy egy masik dallam....es ha tovább nem nyomom akkor marad az a dallam amelyik utoljara szólt...
Idézet: „hat ha megnyomom egyszer a váltó gombot” Hoppá! Akkor lehet, akkor, hogy a shift gombot is néha megtudnád nyomni?
Hello!
Igazad is lenne, ha eddig nem segítettem volna. De tekintve, hogy erre a kérdésemre nem is válaszoltál, úgy gondoltam nem érdekel a dolog. A működést is Inhouse harapó fogóval húzta ki belőled. Én simán megrajzolnám neked ezt a monostabi-astabil dolgot, de még nem tisztázódtak a követelmények sem. Meg hát mérni is kellene, hogy van-e valahol olyan jel, ami csak addig áll fenn, míg nyomod a nyomógombot. Mert ha a hangszóróról üzemelteted ezt a kis segédáramkört, akkor pont az lesz amit írtál.. "es akkor nem fog reagálni a kapásokra gyorsan.." üdv! proli007
Es lenne valami otleted, hogy hol kezdjem a méregetést?
Hello!
- Először is meg kellene nézni, mekkora a vevő tápfeszültsége. - Az után, a negatív tápponthoz képest, méregetni a tranyók lábán. (Mert leginkább az hozzáférhető.) Közben nyomogatni a csengő gombot. Figyelni, hogy nincs-e valahol olyan feszültség, ami csak addig van meg, míg nyomod a gombot. Megnézni, hogy ez milyen feszültség értékek között mozog. üdv! proli007
Na vegeztem egy kis merest es talaltam az egyik tranzisztor bazisan egy olyan pontot ,hogy ha megnyomom a gombot akkor 0,79 V-rol-1,56 V -ra ugrik a feszultseg.Ezzel lehetne valamit kezdeni??,,esetleg egy optocstoloval indittani egy masik oreg kapasjelzot??
Ja es mellesleg a vevo tapfeszultsege 3V .
Hello!
Na, ezzel már lehet kezdeni valamit. Mérd meg a műszer váltó állásában is, hogy impulzusok vannak ott, vagy csak egyenfeszültség. De opto nem kell mindenhova (és ahhoz áram is kell). Elég egy tranyó is egy 100kohm/100kohm bázisellenállás osztóval. A tranyót, meg a másik kapásjelző optotranyója helyett be lehet kötni. üdv! proli007
Na lemertem es csak akkor valtakozik,ha megnyomom agombot es felugrik 1,57 V -ra ezen tartja es ha elengedem leesik 0,79 V-ra.
Ja es errol a papasjelzorol lenne szo ...csatolok kepeket...Hova kene kotnom???
Bocsi hogy felre irtam nem papasjelzo hanem kapasjelzo.Es milyen tranzisztort kellene vennem?
Lehet, hogy többet ért volna, ha távolabb tartod a fényképezőt és kisebb a kép, mint így homályosan. Viszont látszik rajta a swinger kimenet...erről meg már lehet vinni a jelet, többször szerepelt itt, ebben a topikban a megoldás. Kell hozzá egy mono 2,5mm-es jack dugó.
Proli007 megrajzolja neked a többit, ha több tiszteletet mutatsz ennél a kevésnél, ami eddig sikerült... Üdv Inhouse
Szerintem te azt sem tudod ,hogy mirol van itt most szo,mert ez az ugy amugy mar regen meg van oldva egy optocsatoloval.Es ez a masik kapasjelzo arra van hogy ez lesz rakotve a csengo vevo reszere ,hogy ne legyenek hosszuak a dallamok.Es miert ne tisztelnem ot ,amikor mar annyit segitet nekem....???ezt nem ertem
Vagy talan azert ,mert nem tudok hosszu batuket irni mert nincs magyar nyelvem a gepben.
Remelem ezek mar jobbak lesznek.
Sokat időt nem éri meg rád fecsérelni...
Itt ezen az oldalon, kicsit feljebb láthatnád, hogy mit sérelmezünk, de mivel ez nem megy, hiába is kérjük... Egy másik kapásjelző lesz rákötve a vevőre, hogy rövidebbek legyenek a dallamok??? Na, Üdv Inhouse
Akkor koszi szepen,azt gondoltam hogy a magyar emberek segitokeszek ,de ahogy latom ez nem mindenkire igaz ...tisztelet a kivételnek....
Azert remelem proli meg segitesz rajtam egy kicsit...
Hello!
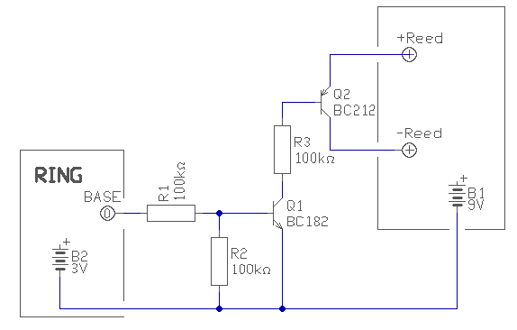
Valamivel jobban látszik, de nem egészen jól. A gondom az, hogy eddig amit láttam (mind az egyet), ott a damilt érzékelő tárcsán volt egy pille, és ezt érzékelte egy optokapu.Itt viszont, nem látom az optokapu elemeit (adó-vevő). Ezek általában kétlábú áttetsző Led-nek látszó dolog, ami a tárcsa forgását érzékelték. Itt viszont, szerintem Reed relé cső van használva erre acélra. Tehát a tárcsában valami mágnesnek kell lenni. (Kis üveg cső, belőle kiálló két vezetékkel. Ha mágnest közelítesz hozzá, belül a két érintkező összeugrik. Ha jó a füled, hallod is, főleg mikor elveszed a mágnest.) - Ha így van, akkor mérd meg, hogy a Reed cső melyik felén van + és - feszültség. Ha ezt a két pontot rövidre zárod, akkor jelezni kell a kapásjelzőnek. - Ez után, a telep negatív lábához képest mérd meg a Reed cső két felén a feszültséget a cső nyitott állapotában, majd zárt állapotában. Ebből el lehet dönteni, mit hova kell kötni. üdv! proli007
Helo.
Akkor alul van a + es felul a -,ha rovidre zarom akkor jelez a kapasjelzo,ha nyitott allapotban van akkor fent 0,05 V es lent pedig 4,14 V van,ha zart allapotban van akkor mind 2 4,14 V van.Valaszaidat nagyon szepen koszonom.
Hello!
Akkor, nem elég egy tranyó, hanem kettő kell. Tök mindegy milyen, csak az egyik NPN, a másik PNP legyen. Az ellenállás értékek sem számítanak különös képen, de jobb ha 100kohm felett vannak. Az első kettő, ha lehet egyforma legyen a bázis feszültség szint miatt. A két telep negatív pontját össze kell kötni, mint a rajzon is látható. üdv! proli007
Igy kene ezzt megoldanom???
Es szerinted levegoben csinaljam meg ,vagy nyakra?
Hello!
Tökéletes. De szerintem levegőben is összerakhatod, és majd meglátod megfelelő-e számodra. (De egy élcsatlakozón, vagy akármilyen pöttyös nyákon hamar célba érsz.) üdv! proli007
Na helo.
Megint itt vagyok,azthiszem elegettem a kapasjelzomet..,de mindegy ugyis oreg volt.De viszont talaltam lent a pinceben egy 2x2 cm -es valamit ami arra valo hogy ha egve felejtjuk a villanyokat az autoban akkor sípol..En ugy gondoltam ,hogy kotok ra egy kis 12V -os elemet es csak ezt kene valahogy kapcsolni..Meglehet ezt oldani valahogy?
Hello!
Meg lehet oldani. Az R3 ellenállást kicseréled 10kohm-ra, a Reed+ jelűt felkötöd a +12V-ra, a Reed- jelűt rákötöd a sipoló + kivezetésére. A sipoló - kivezetését, a 12V negatívjára. természetesen a 12V negatív pontja össze van kötve a 3V negatívjával. Annyi a difi, hogy ha a Bázison a jel még is valami impulzussorozat lenne, akkor az hallatszani fog a sípolón.. De akkor lehet továbbgondolkodni. (Mi az hogy leégetted? Főzted és odakozmált?) üdv! proli007 |
Bejelentkezés
Hirdetés |














