Fórum témák
» Több friss téma |
- Ez a felület kizárólag, az elektronikában kezdők kérdéseinek van fenntartva és nem elfelejtve, hogy hobbielektronika a fórumunk!
- Ami tehát azt jelenti, hogy a nagymama bevásárlását nem itt beszéljük meg, ill. ez nem üzenőfal! - Kerülendő az olyan kérdés, amit egy másik meglévő (több mint 17000 van), témában kellene kitárgyalni! - És végül büntetés terhe mellett kerülendő az MSN és egyéb szleng, a magyar helyesírás mellőzése, beleértve a mondateleji nagybetűket is!
Ha kis áramfelvételű eszközhöz kell akkor lehet virtuális GND-t csinálni két ellenállás-kondenzátorral. vagy így
Nagyobb áramra kicsit bonyolultabb a dolog. A hozzászólás módosítva: Jan 28, 2018
Ez nekem nem egyértelmű abból amit írtál. Más sem értette mit szeretnél.
A hozzászólás módosítva: Jan 28, 2018
Max. 3W, egyenáramról lenne szó.
A linkelt oldalon minden infót megtalálsz.
Elméletileg 24V egyenáramot ad, terheléskor csökkenhet.
Az előzmények ismeretében, akkor egy virtuális GND-re lenne szükség egyen áram esetében. Ha közép feszültségen van a GND, akkor természetesen nem +24V, hanem +-12V lesz.
Köszi.
Szép napot, mindenkinek! (Egy másik fórumban is feltettem a kérdésem, de ott másra is vonatkozik.)Az 1993/4-es, 12.oldalon Elektor-ban az"Audió-kikapcsoló automatika" nevű áramkört szeretném megépíteni, amiben egy TLC272 nevű műveleti erősítő. Nem drága, lehet is venni, de miért éppen ezt az áramkört alkalmazzák, mennyire speciális ez az IC? Köszönöm a válaszokat. Üdv.: joe
Egy tápfeszültségű, azaz kimenete lemegy 0V szintre "negative rail", pontosabban kb. 10-20mV-ra, pozitív irányba már nem megy tápig. Másik, CMOS bemenetű, azaz nagyon nagy bemenő impedanciája van "High Input impedance", 10 a 12-diken ohm.
Szóval tényleg speciális IC.
Egy optokapun lévő jelölésrendszernél a dióda jele mutatja ugye az infra LED-et, a kör pedig magát az infra vevőt?
Sziasztok!
Esetleg valaki... Pir mozgásérzékelő felületén, illetve ultrahang modul érzékelőjén(olyan mint a tolatóradar érzékelője) kültéren zúzmara képződik, hogyan lehetne megakadályozni a zúzmara képződést. Akkumulátoros táplálás miatt fontos a csekély energia felhasználás! Szívesen veszem az ötleteket vagy tapasztalatokat!
Mindegy, hogy miről megy a fűtés, így-is úgy is ugyanannyi energia kell a leolvasztáshoz. A dolog egyszerű, fagypont felett egy kicsivel kell tartani a hőmérsékletet. 0,1 - 0,2 °C már elég.
Spórólni lehet a fűtésszámlával, ha a dobozt (már ha abban van), amiben az ézrékelő van, hőszigeteled.
Gyerekkori EzerMester újság emlékből rémlik valami, hogy hogyan akadályozzuk meg a páralecsapódást, talán valami vazelines dologgal kenték le vékonyan a felületet (ablak, tükör). Lehet, ki kellene próbálnod pár szilikonos spray-t...
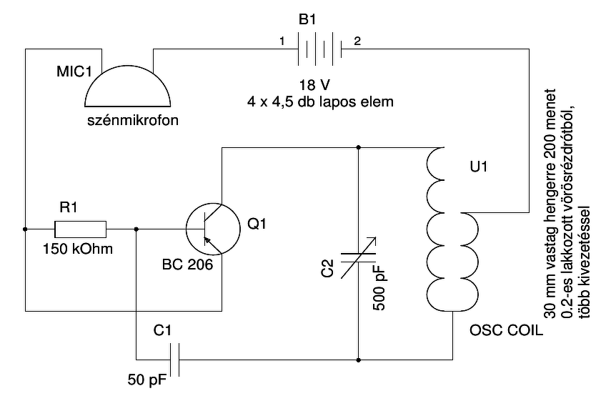
Megépíthető-e a képen látható középhullámú tranzisztoros adó?
Kedves Zsombor!
Reméljük sejted, hogy minimum szemtelenség amit műveltél most. Két napig rengetegen próbálnak Neked segíteni, kérnek tőled adatokat, próbálnak mindent megtenni, hogy a kérdésedre választ kapj. Ezek után, egy "Túlbonyolódott, hagyjuk..."-al gondoltad lezárni? Légyszíves, kérj elnézést a többiektől. Azt fogod elérni, hogy a fórumozók levegőnek fognak nézni itt is, ahogy már sok másik témában már teszik. (T)
Sziasztok!
Magától elromlott a rádióvezérlésű LCD faliórám. A kijelzőjén semmi sem látható. Azt tapasztaltam, hogy az áramköri panelen lévő kvarcot enyhén megnyomva a kijelzőn az egyes karakterek szegmensei össze-vissza, felváltva, gyorsan villognak. Az ujjamat kissé eltávolítva, a levegőben a kvarc felett mozgatva ugyanúgy villognak a szegmensek, mint az imént leírtam. Elvéve a kezemet a kvarc közeléből a kijelző ismét totál üressé válik. A kvarc lábait újra forrasztva sem változtak a fenti tünetek. Kérném szíves véleményeteket. Jól gondolom, hogy a kvarc teljesen megadta magát? Beszerezhető valahol konkrét ilyen alkatrész, és javítható-e jó eséllyel az óra? (a kvarcon semmiféle jelölés nincs) Előre is kösz a válaszokat. A hozzászólás módosítva: Jan 29, 2018
Lehet, hogy a kezeddel elektrosztatikus töltés viszel a rendszerbe, ezért villog egy-két szegmens, erre a hibakeresésre nem lehet alapozni.
A kvarc nagy valószínűséggel normál, 32 768 Hz-es órakvarc: Bővebben: Link.
Sziasztok
![]() Mit lehet azzal kezdeni hogy a zavarjeleket eltüntessem. A jelenség annyi ha nincs jell kb 100mv -ot mérek(csúcsegyennél) potméterrel ez növelhetö.Ha bedugok egy jackdugos kábelt akkor is nő a zavarjel erőssiége.Meg marad a zavarjel ha telefont rádugom.... Mit lehet ezzel kezdeni??
Hello
A volt munkahelyemen forrasztással foglalkoztam. Olyan eszköz volt készítve amire a forrasztó pisztolyt rá akasztottam és 2 darab mágnes kapcsolót elzárt és ezzel megakadályozva a gáz és az oxigén útját. Na már most van nekem ilyen vagy legalább is ahoz hasonló 3 utas mágnes kapcsolóm,hogyan tudnám felhasználni azokat erre a célra? Tudom,h akarom kivitelezni meg ilyenek de ha áramot adok rajuk akkor 1szerüen csak beregnek gondolom nyitnak valamerre.3 rekeszes hűtőben voltak és működnek. Lehet valamilyen inpulzus áramot kell kapniuk?Ha így van akkor segítene nekem valaki a témában...?Ha meg nem akkor okosítsanak ki.Előre is köszönöm.
Mivel a villogás akkor is jelentkezett, amikor az ujjam már nem ért a kvarchoz, én valamiféle kapacitiv csatolásra gondoltam. De mint szakembernek, neked lesz igazad.
Nem tudtam, hogy ez a kvarc egy általános, "mindennapi" alkatrész, ezért köszönöm, hogy megadtad a tipusát. A link adatai alapján a mérete is ugyanaz. Megpróbálom beszerzni, és kicserélni. Köszönöm a válaszodat. Üdvözöllek!
Egy kis ébresztőórából könnyen kitermelheted.
Szia!
Inkább mágnesszelepre gondolsz, nem? Ha nem megfelelő (egyen helyett váltó) feszültséggel táplálod, akkor bizony berreghetnek.
Sziasztok. Egy USB csatlakozást mivel lehetne megvédeni az esetleges túlfeszültségtől hogy az alaplap ne sérüljön egy ilyen hiba esetén?
A számítógépeden lévő USB csatlakozóról (ami forrás) beszélsz, vagy pendrive/telefon USB-jéről (ami fogyasztó)?
Valamint hogy az adatvonalat félti, vagy a táp részt...
Sziasztok!
E1n es eszterga leveri a Fi relét ha bekapcsolom, de ahonnan elhoztam az esztergát ott nem volt ilyen gond, mi lehet a gond ?
Legvalószínűbb, hogy ahonnan elhoztad, az életvédelmi relé nem volt (jól) bekötve. Elképzelhető szállítási sérülés, esetleg fémhulladék került rossz helyre. Kizárt, hogy túláram miatt old le a kismegszakító? A bekötést kellene még ellenőrizni, biztosan jól van bekötve?
Azt is kellene tudni - az eddig megkérdezetteken kívül - hogy milyen alaplap, és mi a csatlakoztatott eszköz?
Üdv,
kezdő vagyok, sajnos nincs semmilyen tapasztalatom. Kísérletezgetéshez és tanuláshoz kinéztem magamnak egy Breadboard HQ830 terméket. Vannak hozzá drótok és egy elektronikai rész is. Az lenne a kérdésem, hogy ezt hogyan lehetne árammal táplálni? Itt a link, az oldal román nyelvű de szakértők megértik a képeket: Kit Breadboard HQ830 |
Bejelentkezés
Hirdetés |












