Fórum témák
» Több friss téma |
- Ez a felület kizárólag, az elektronikában kezdők kérdéseinek van fenntartva és nem elfelejtve, hogy hobbielektronika a fórumunk!
- Ami tehát azt jelenti, hogy a nagymama bevásárlását nem itt beszéljük meg, ill. ez nem üzenőfal! - Kerülendő az olyan kérdés, amit egy másik meglévő (több mint 17000 van), témában kellene kitárgyalni! - És végül büntetés terhe mellett kerülendő az MSN és egyéb szleng, a magyar helyesírás mellőzése, beleértve a mondateleji nagybetűket is!
Szia!
Mire jutottál a fényerő szabályozással ? Az én óráimban frankón működik, és igazán egyszerű megoldás. A jobb felső sarokban levő kapcsolás LM317-el szabályozza a tranzisztor tömb feszültségét a fényellenállás megvilágításának függvényében. (teljesen lineáris egész végig) A kettőspontot is szabályozza. A hozzászólás módosítva: Jún 9, 2020
Szia proli007 !
Erre a problémámra nincs valami félvezetős megoldásod a relé helyett ? Csak benned bízok. Bővebben: Link Köszi, üdv janigel A hozzászólás módosítva: Jún 9, 2020
Hello! Kösz a bizalmat, de mi is itt a gond, vagy a cél? Mert ajánlották, hogy használj Fet-et..
Jó lenne egy kapcsolási rajz, mert nem akarok sem szikrákat sem füstöt.
Nem igazán árulod el, csak a félelmeidet..
Szeretnék egy androidos eszközön lejátszott videó felvételt és egy egyszerű távirányítóval működő eszközt szinkronizáltan működtetni, azaz a videó lejátszási ideje alatt, nem periodikus időközönként ki és be állapotot előidézni, mintha egy kapunyitót működtetnénk. Régebben használtam midi vezérelt eszközöket és azt tudom, hogy midi rekorder programmal lehet vezérelni eszközöket. Régebben még csak midi csatlakozós berendezések jöhettek szóba, de ma már USB csatlakozón is továbbítható midi jel. Még, ha így megoldható is a feladat, innen nem tudok továbblépni és nem tudom, hogy innen ez programozási, vagy egyéb eszközöket igénylő feladat-e. Lehet, hogy van rá más, esetleg egyszerűbb megoldás is. Ha valaki tud, kérem segítsen.
Tehát bővebben a gondom.
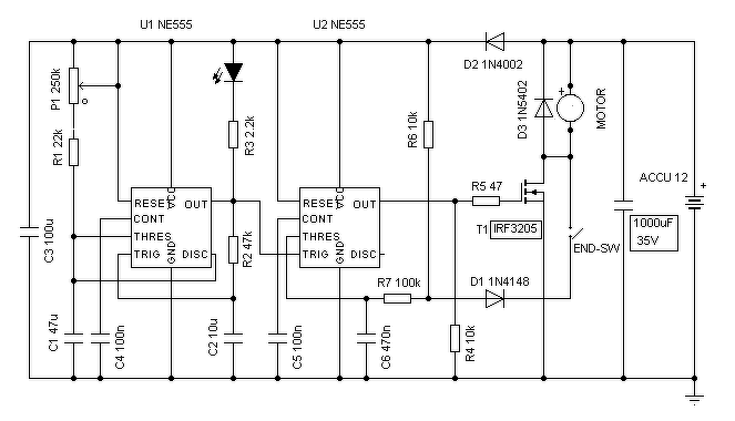
Az időzítő időnként újra és újra elindítja a motort. Ráfut a mikrokapcsolóra ami zár, és tovább engedi a motor működését. Addig forog amíg elér egy bizonyos pontig, mert lejön a mikrokapcsolóról. A motor így mindig a beállított helyzetig forog. (ablaktörlő vez.) Ez így működik is szépen, de szikrázik rendesen. A relé és a mikrokapcsoló érintkezőinek beégését kellene kivédeni. Ezért gondoltam a félvezetős megoldásra. Amit feltettél az jó, a FET bekapcsolja időnként a motort, de a kikapcsolást még mindig a mikrokapcsoló végzi ami továbbra is szikrázni fog. A mikrokapcsolót nem lehet máshova bekötni (mechanikusan maradna ott), hogy a FET kikapcsolását is ő végezné ? A hozzászólás módosítva: Jún 9, 2020
Igen, igen, utólag gondolkodtam, hogy inkább valamelyik LDO-t kellett volna ajánlanom, az csak 0,5-0,6 voltot eszik el az áramkör elől -és még az sem biztos, hogy jó lenne, lehet, hogy a 4,4-4,5V (amikor már csak 5V áll előtte rendelkezésre) már nem elég neki.
No, hátha olvasott téged is, aztán majd jelentkezik. A hozzászólás módosítva: Jún 9, 2020
A kocsiban ha nincs a kalapáccsal párhuzamosan a kondi, nagyon tud szikrázni a kalapács. Ha ott van (és jó) alig. (Nem csak ez a szerepe, de így is tanították, hogy a kondi betegségét így lehet felfedezni)
Ebből gondolom, hogy: ha a mikrokapcsolóval párhuzamosan kötnél kondenzátort, akkor talán nem szikrázna. A hozzászólás módosítva: Jún 9, 2020
Azért jó, hogy némi gondolatodat megosztod, de mondjuk az időket nem árultad el.
Kicsit leírom, hogy működik.. - Az U1 végzi a ciklikus időzítést. Ez egy lefutó impulzust állít elő a P1-el (R1 és C1-el) beállított időnként. - Az impulzus hosszát a C2-R2 ideje határozza meg, ez kb. 0,4sec, Ez alatt kell a motornak a végállás kapcsolót zárnia. - Az U2 tulajdonképpen egy tároló. Ezt a Tr bemenet alacsony szintje billenti be. Elindul a motor, a kapcsoló zár, és a Th bemenet ekkor alacsony szintű. - Megszűnik az U1 impulzusa és amikor a végállás ismét bont, a Th magas szintre kerül, az U2 törlődik, a motor leáll. A 10k húzza fel magas szintre a bemenetet, a dióda pedig le. A 100k és 470nF szűri a kapcsoló kontakthibáját, vagy a tranziens zavarokat. - Persze két 555 helyett egy 556-al is elkészíthető. - Az a "szerencse", hogy a Tr bemenetnek elsődlegessége van a Th-val szemben. Így a motor el tud indulni akkor is ha a végállás kapcsoló "bontott állapotban" várakozik. A hozzászólás módosítva: Jún 9, 2020
Igen, az idők nem számíthatóak mert a motornak van egy bizonyos tehetetlensége az áttétel / lendület miatt.
Az időket az R-C tagokkal már be tudom játszani. Napokon belül kipróbálom. Ismét bizonyítottál, - szuper és köszi szépen.
Ez jópofa kipróbálom.Köszi!
Bővebben: Link Bővebben: Link Bővebben: Link Itt van amit igértem. A hozzászólás módosítva: Jún 9, 2020
Sziasztok egy nagyon hobbyhobbysta tudna egy ilyen skópot használni? Illetve kb mennyit érhet?
Köszönöm
Szia!
Szerintem bőven ok. ha árban Neked megéri és persze tökéletesen működik. A típus alapján a net -en keresgélhetsz az árakat illetően. Üdv.
Sziasztok! segítséget kérnék a foton látható sárga jelzéssel dióda mérésekor a müszer sipolt mind kettőnél. Ez most akkor hibás?
Szia! Miért nem kiforrasztva méred? Ha hibás, úgyis ki kéne venned.
Épen azért kérdeztem ha ez nem hiba akkor nem kellene kínlódni vele
A diódához kapcsolódó más áramköri elemek is okozhatják a sípolást, ezért kellene kiforrasztani. Vagy megnézni áramköri környezetét, abból is esetleg tudható, befolyásolnak-e.
Egy alkatrészláb (ennyi is elég) kiforrasztását nem nevezném kínlódásnak.
Lehet a diódával párhuzamosan olyan értékű ellenállás amitől már jelez a szakadásvizsgáló, de honnan tudod meg akkor, ha szakadt a dióda?
Helyes a válasz ez már többet mond , tehát lehetséges az ilyen adat ha igy van akkor viszont kiforr és mér . köszönöm
Köszönöm!
Nem tudodtam jól belőni nekem 30 eurómba került!
Egy másik kérdés!
ha NodeMCU vagy WeMOS D1 - el szertnék mosfetet kapcsolni akkor hogy a fet ből ne lehessen makkász 100 Ohmos ellenálláson keresztül kapcsolom az ESP re és egy 10K Ohmos ellenállással testre húzom...? Köszönöm
[off]" ...a fet ből ne lehessen makkász"
Ez vajon mit jelenthet?[ Miért baj, ha makkász a FET?/off] A hozzászólás módosítva: Jún 11, 2020
Bocsánat.... Tehát hogy " ne legyen Makk ÁSZ" azaz hogyha valami baj lenne akkor ne vigyen mindent.. legfőképpen ne süsse meg az ESP-t
A piros ász visz mindent, a makk ász melegszik.. De a 100 Ohm ezt nem oldja meg, ha a Fet a "szokásos módon" Drain-Gate zárlatba megy..
és tényleg!! Igazad van! Van még aki figyel! Akkor "csak" felesleges körítés? mert akár hol nézek példakapcsolásokat, mindenhol bennevan ( 99 százalék) A hozzászólás módosítva: Jún 11, 2020
Nem felesleges, csak más célt szolgál. A Fet Gate töltésének hatásától mentesíti a meghajtó áramkört. De 100Ohm csak lassú működésre való.
|
Bejelentkezés
Hirdetés |










és tényleg!! Igazad van! Van még aki figyel! 




