Fórum témák
» Több friss téma |
Azóta csinálom, nekiálltam mostanság lettem kész. Továbbra se működik, viszont a stab forrósodik rendesen.
A +18VDC jó a 7812 táplálásához. Melegedés természetes, de forró azért nem lehet. Mérj áramfelvételt, 40-50mA a normális érték.
Nincs itthon a multim ezért csak bekötött szemmel a levegőbe kapisgálok.... egyenlőre. Viszont maga a 7812-es jól működik, hiszen a ventiket és a ledeket meghajtja alig melegszik. Ha rárakom az előerősítőt akkor meg semmi áramot nem visz át sehova és forrósodik. Gyanítom, hogy még van valami gáz az LM1036 körül. Kettőt-kettőt vettem minden ICből szóval, ha valami gáz lenne netán, rögtön újat tudok bele rakni. Az 1N4148 as diódát is kicseréltem.
Megpróbálok kölcsön kérni egy multit.
Ha az előerősítő rákötésétől elmegy a venti tápfeszültsége, akkor vagy zárlatos az előerősítő, vagy rosszul kötöttél valamit.
Az könnyen elképzelhető, mivel annyira lágyak és mondjuk úgy silány minőségűek ezek a forrasztási pontok, hogy alig melegítek rá és már fel is hámlik ráadásul mindent körbe vesz a GND és túl közel vannak egymáshoz <5mm kb.>
Azonosak a tapasztalataim. A fellazult sávokat eltávolítottam és átkötéssel helyettesítettem.
A zárlatot majd ellenőrizd szakadásvizsgálóval. Szerk.: a nyák korrekt, mert az első beültetést jól viselte, az átalakításokat sajnos kevésbé.
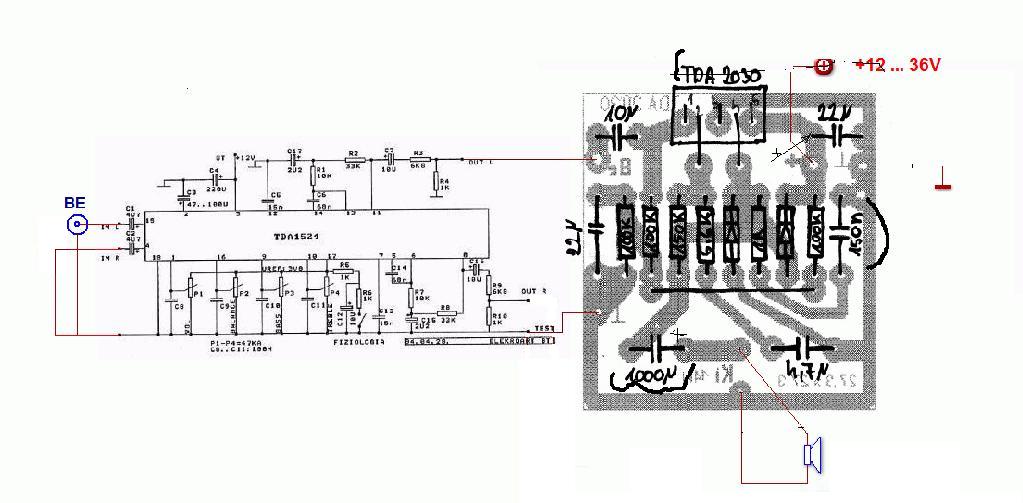
Sziasztok!Végre megtaláltam a topicot,Szeretném kérni aki tudja küldjön egy rajzot a TDA 1524 előerősítő és a TDA 2030 erősítő összekötésről,mármint mely pontokat
kell összekötni? ÜDV AVA
Szia! Igazad van valóban nem a szokványos a bs-en találtam. Egyébként köszönöm a választ és még annyit kérdeznék,hogy a többi pontok ugyanúgy maradnak.Tehát a tda 2030-on a hangszóró kimenet már nem kell összekötni az elő erősítő in 1 in 2 bemenetével egyszerűen oda kötöm a két hangszórót?
az erősítő nagyon tisztán és erősen szól. üdv:dava
Szia!
Küldök rajzot- így gondoltad?
Jaj, nagyon nem. Szívesen megrajzolom neked, annyit tisztázzunk sztereo, vagy mono lesz ez az erősítő.
Szia!
Sztereó lesz , csak mint írtam ezért vagyok dilemmában mert mikor elkészült a TDA 2030 utána találtam rá a rajzon látható elő erősítőre amely TDA 1524.Én úgy látom a rajzon,hogy az in1 in2 ezt teljesíti. Az előerősítőn van ugye az in1 in2 be 12v+ test out 1 out 2. az erősítőn jel be.mivel gitárhoz lesz +12v test hangszóró. és most a kettőt összekötni.
Köszönöm ez rendes volt tőled.
Még ha megkérhetnélek rajzold már le a monot is,hogy meglegyen ha gyártok még erősítőt. üdv :dava
Szívesen!
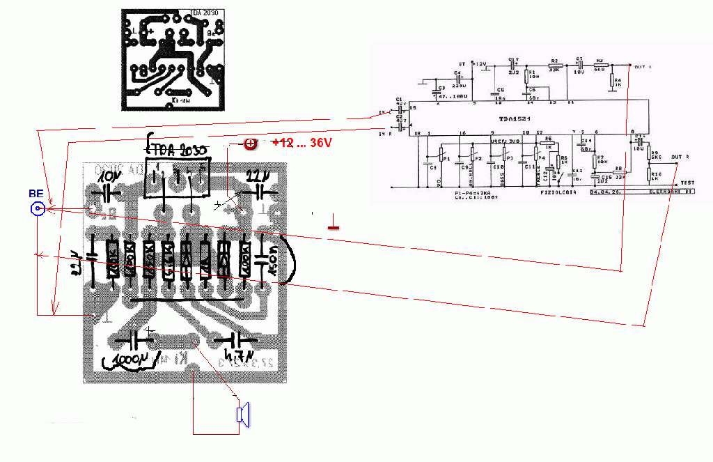
A monó változatnál az előerősítő egyik csatornája feleslegessé válik, "IN" bemenetét kösd testre, "OUT" kimenetét hagyd szabadon. A rajzon a jobb (R) csatornát iktattam ki.
Köszönöm!
Ha egyszer ráérsz kérdezhetek majd egy pár dolgot amivel nem vagyok tisztában? üdv:dava
Szívesen! Kérdezz bátran, ha nem érnék rá, vagy nem tudom a választ majd más kolléga besegít
Szia!
Már itt is vagyok sejtettem,hogy bejön a probléma. szóval ráadom a tápot csak recseg egyet a hangszóró és csend. szerinted hol kezdjem a vizsgálódást? üdv:dava
Egy vagy két TDA2030 végfok van rákötve?
Szia!
kettő volt az egyiket levettem kipróbáltam egyedül és jó. a másik nem. a jóval ismételten indítottam és csak egy recsegés semmi brumm és csend. üdv: dava
Ha ilyen feltűnően nagy csend van, ellenőrizd a TDA1524 3-as lábára beérkezik-e a tápfeszültség, a potenciométerek megkapják-e a 4V-ot, és a 8, 11 kimeneti lábak fél tápfeszültség közelében vannak-e. Lehetséges az előerősítő kimeneti csatlakozásánál is zárlat.
Az előerősítő panel milyen gyártmány?
Szia!
Ma már nem foglalkozom vele,köszönöm a segítséged most elutazom pár napra és vissza jövök írok majd üdv: dava
Szia!
Visszajöttem műszaki okok miatt.Király vagy az volt a hiba amit írtál a 3-as pont nem volt leforrasztva.Most kristály szépen szól és valami gyönyörűen ad vissza minden tartományban..Köszönök mindent. és jó nyaralást. üdv:dava
TDA2050-es sztereo erositomhoz keresek hangszinszabalyzo eloerositot!
Hálás köszönet érte!
Ne feledd, hogy két áthidalás van benne! :yes:
Sziasztok!
Elkészítettem egy TDA 1524 előerősítőt.Legyen szíves valaki segítsen ,hogyan tesztelhetem mielőtt beépíteném. üdv.Dava
Sziasztok!
Szeretnék építeni egy sztereó csöves előerősítőt, de még soha nem volt dolgom csövekkel. Tudna valaki linkelni egy kipróbált működő rajzot amit viszonylag olcsón meglehetne építeni? Köszönöm előre is |
Bejelentkezés
Hirdetés |




AVA 











