Fórum témák
» Több friss téma |
azért van így, mert dinamikus mikrofont kötök rá, és itt írta valaki, hoyg az electrec mikikhez csinált kapcsokat így lehet átalakítani dinamikusra.
de akkor most vágjam ki vagy tegyek be egy ellenállást? ha már itt tartunk, elolvastam a kapcs rajz melletti szöveget. szóval mi a rák az az rf oscillator?
Igazán köszönöm, úgy tűnik teljesen jól gondoltad. Úgy érzem ez a szép ebben az egészben, hogy egy egész estét jól elcseszhettem erre azzal, hogy háromszor forgattam meg a tranyót meg ilyenek, és erre pedig 22:40 perckor kiderül, hogy csak kértkaparás lett volna a csavarhúzóval.
Szóval mégegyszer hálás köszönetem!
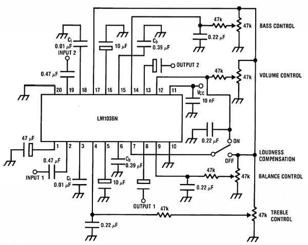
0,39 helyett akkor lehet 0,47?
A 2 kimeneten mekkora kondi van, nincs ott érték?
Vettem egy LM1036N-es előerősítőt egységcsomagban. Hazaérve láttam, hogy minden oké, de van még hozzá egy NE5532 IC is, na meg a helye a nyákon. Ez mit csinál? Ez kell a fiziológiás szabályozóhoz?
Nagyon szívesen, máskor is segítek, bármi gondotok van
Na rájöttem közben... az egy 20dB erősítésű leválasztó előerősítő....
Szerintem úgy értették, hogy hagyd el belőle az ellenállást, hogy ne építsd be és kész, nem kell helyette rövidzár!!!
Az electret mikrofonpatronban van egy kis előerősítő/illesztő, ehhez kell a tápfesz, dinamikusnál nem kell ilyen, mivel ott ő indukál feszültséget a hangrezgés alapján, mivel egy sima tekercs... De legalább már szól! ![]() Üdv Inhouse
Hello!
Kellene nekem egy nyákterv lm1036 hoz de amit belinkeltetek az nem jo ami a hobby ban volt annak annyira rossz a minosege hogy nem lehet vasalni mert mindenhol rovidzarak lennenek szoval ha van valakinek egy hasznalhato azt megkoszonnem.Előre is köszi üdv Creative
kipróbáltad a sprint layout nevü progit?
Ott beteszed a rossz tervet háttérképnek és fölé rajzolod az újat. Nyomtatás, majd fotozás-voilá!
Aranyos otlet de annyira rossz a minoseg hogy nem lehet kivenni hogy hol kellene es hol nem osszeernie
[link=http://www.sayang.demon.nl/projects/lm1036/lm1036.html]http://www.sayang.demon.nl/projects/lm1036/lm1036.html[/link]
Hello!
Ez nagyon babaaaa ![]() Most happy vok ![]() Köszeee
Ezek jó rajzok de méretarányuk az 1:1-hez mert szeretném a panelt elkészíteni
Na mindent összevetve a LM1036 tűnik a legjobbnak az összes közül.
Valaki tudna rajtam segíteni és adna hozzá egy nyákrajzot és egy kapcsolási rajzot? Ha lehet akkor akkorában kéne a kép hogy a panelre rögtön feltudjam nyomtatás után lakkozni de ha nem arányos az sem gond. Fontos lenne kösz: Oneill
Ragaszkodsz a nyák gyártáshoz? Lehet egységcsomagban is kapni...
Hali!
Ezen a rajzon helyesen vannak a potik? Szóval jobbra növekszik a hang...stb... A bemenetek is helyesek? Szal a jobb jobbra a bal balra? A kérdésem: A block diagram szerint 10 és 20 lábak egyaránt GND, de ezek most akkor belül összevannak kötve, vagy mindegyikre kell nekem gnd-t kötni? Egyre nem elég? Mindössze ennyi áthidalás lenne a nyákrajzomon, ha lenne? THX: ---ZoLee---
Valaki segítsen!!!
PLíZ!!! :help: THX: ---ZoLee---
Fogod az IC-t és kísérletezel vele! Csak így tudhatod meg, hogy melyik irányba kell tekerni a potikat, hogy épp balra vagy jobbra tolódjon a hang, illetve merre hangosodjon...
Meg akartam magamat kímélni a 2*-es maratási élménytől, ezért kellett volna
Szia !
A panel maratás szempontjából álltalában tök mindegy, hogy a potit merre forgatod, persze csak akkor ha nem tervezed rá a nyákra. Ne tervezd rá
simán huzalozzam ki az alőlapra?
Ha bútorlapból akarom csinálni, akkor eléggé kifogh lógni a forgatógomb rudja? A bútorlap 2cm vastag a potit fel lehet csvarozni? Bontani nem lehet forgatogombot? Vagy hogy gondoltad? Sorkapocs? Amugy mit lehet tenni a pozdorjalappal, hogy ne legyen tűzveszélyes? Fémtol meg azért félek mert ráz...
Idézet: „...Fémtol meg azért félek mert ráz...” Ez megaLOL!Engem még 1 fém sem rázott meg... Ha nem bízol a magadban használj védőföldet is ( szigetelés mellett)
Mi történne az lm1036-ossal ha a mély-magas poti 100k a balance 20k és a vol 47k?
Nem az, de akármi történhet...
Melegedjen túl valami, érjen hozzá egy vezeték csak a házhoz... Nem szeretek játszani a tűzzel ![]() 16 évesen még nem szeretnék a szakma áldozata lenni! Erre mondjatok valamit!: Elektrobol megyek emeltszinten érettségizni! Az egész suliból /műszaki szakközép-elektro/ 1 gyerek volt idén is csak... Pedig 726 diák van, több elektro versenyt is nyert... Na mindegy, megpróbálom, bátraké a szerencse
Elkészült az előerősítő, a fentebb leírt potméterekkel vmi iszonyatos hangokat ad. De nem biztos, hogy a potméterek miatt merta boltban két kondiból csak 250V-ra valót adott. Akkor a potméter lehet a hiba vagy a kondi?
250V -os kondi az nem baj, nem lesz attól balhé..
csinálj a cuccról képet, nézd át nincs-e elkötés, nem -e ér össze olyan rész aminek nem kellene.. üdv
Szia !
Milyen kapcsolást építettél meg ? rajzot ha tudod csatold ide Üdv
Lm1036-ossal építve csíkraszteres panelon.
Átnéztem még kétszer a panelt, kapcsolást és a tervet. Nagyon tanácstalan vagyok. Sokmindent összeraktam már és álltalában a második hibakeresés után már működik a cucc. Lehet, hogy meghalt az ic? Vagy csak a potmétarek nem tetszenek neki.
|
Bejelentkezés
Hirdetés |




ami a hobby ban volt annak annyira rossz a minosege hogy nem lehet vasalni mert mindenhol rovidzarak lennenek szoval ha van valakinek egy hasznalhato azt megkoszonnem.











