Fórum témák
» Több friss téma |
Mielőtt kérdezel, a következő két dolgot ellenőrizd!
I. A helyes tápfeszültségek megléte.
II. A kimeneten van-e egyenfeszültség.
Élesztés.
Ez igaz, de nem ez a probléma, hanem az, hogy a végfokban benne marad a jó nagy feszültség, ez a jó nagy áramnál jó nagy veszteséget eredményez. Ehhez jó nagy hűtőborda szükségeltetik... De ha megcsinálják a tervezők azt, hogy a meghajtókör nagyobb tápfeszről működik, akkor ez nincs. Cserébe kell még két tápfesz és ez sok utánépítőnek nem tetszik. Pedig, a hobbi pont azt jelentené, hogy tegyük a dolgokat jobbá... ( Philips-től szabadon ) Ezért ebből a szempontból jobbak a VF2-szerű elrendezések.
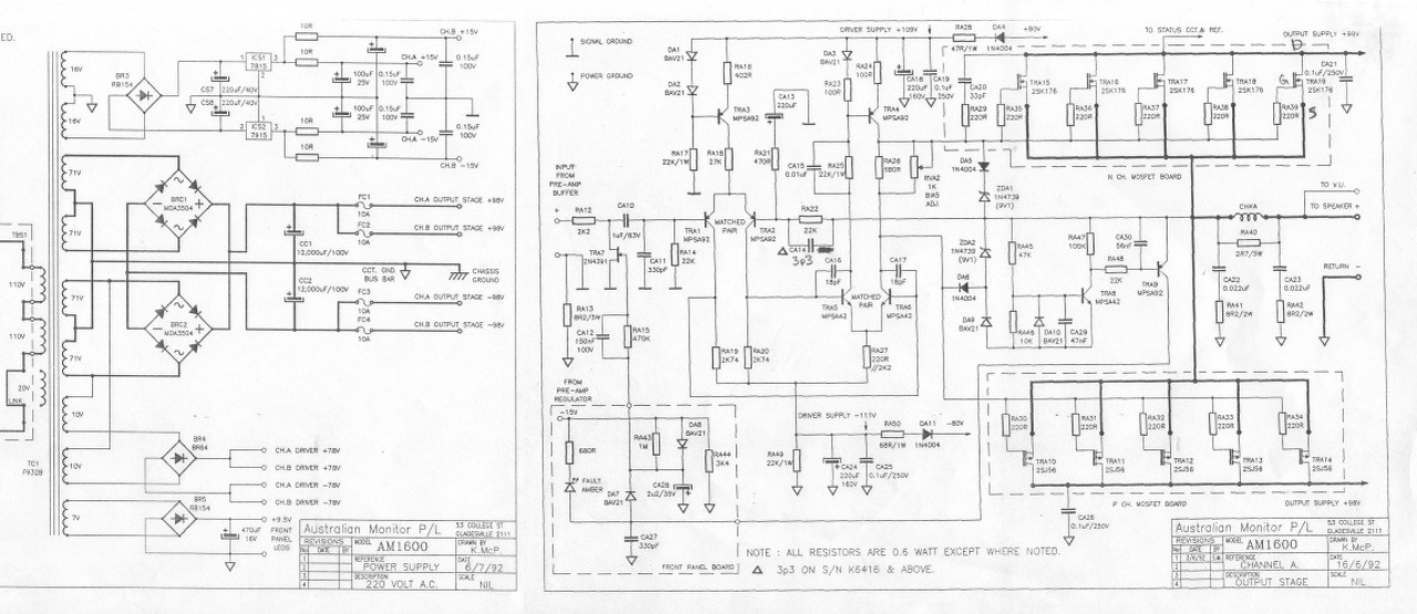
Csatolok egy iparilag előállított példányt, hogy miről is lenne szó.
A hozzászólás módosítva: Márc 26, 2015
Nem tudom elolvasni az apró betűket, de valami ilyesmiről van szó. Tehát, az eleje nagyobb tápfeszről működik.
Eredetije az Elektrotanyáról származik. A MOSFET táp ±98V, a nagyjelű erősítő pedig ±109V.
Sziasztok kis segítséget szeretnék kérni van egy telefunken ha800-as erősitőm keresgettem hogy milyen teljesítményel bír de mindenhol 2x40w írnak van ahol 2x50w... De viszon az erősitőre 4 hangfalat lehet kötni. Akkor ez tulajdon képpen mit is tudhat4x?w?Annyit tudok még hogy stk2250-es végfok ic van benne.. Meg hátha volt itt valakinek ilyen és meg tudja nekem mondani mit hajtott vele..
Szia! A kimenő teljesítményt a ±38V-os tápegység határozza meg, ami reálisan szerepel a kézikönyvében: 40W szinuszos illetve 65W zenei, 8 ohm hangsugárzóra.
A hangszóró kapcsolója úgy látom az A és B páros között enged választani valamint sorbaköti az azonos oldalhoz tatozókat, úgy szólnak egyszerre.
2 x 40 W. Ha ez oldalanként több hangsugárzón oszlik is meg, akkor is 40W oldalanként. Bár a hangnyomást nem wattban mérik, de ebbe talán most ne menjünk bele.
Köszönöm a válaszokat.. Még maradr egy kérdésem..
Van ithon többtoroid trafom ki szeretném cserélni benne. Szerintetek érdemes, és mekkora lehet a plafon? Elkókat ki cseréltem már mert puposak voltak és leis fuladt mert nem volt meg a kellő tápfesz.. De már 63v 4700uf eset tettem be a 35v3300uf helyett.
Még annyit fűznék hozzá hogy a trafó még puffer előtt 28,5v ad le sárgához képest mértem a 2-pirosra..
A kondenzátor csere jó döntés volt. A trafót nem piszkálnám, az STK2250 megengedett legnagyobb kimenő árama 5A, így is elég közel jársz hozzá. A magasabb tápfeszültség nagyobb melegedéssel jár, az sem hiányzik különösebben ennek a készüléknek.
Szerk.: Az SM szerint a trafó feszültsége 2x29V (2x27V). A hozzászólás módosítva: Márc 27, 2015
Igen melegedig eléggé... Ezért is tervezem ventilátor beszerelését kűlön kis trafórol.. Esetleg arra nem tudnál nekem olyan megoldást hogy a ventillátor valami bordára szerelt érzékelővel.. Azt szeretném hgy a fordulat ugy változzon ahogy melegedik.
Helló! Nekem ez kiválóan működik.A tip 127 est a bordára kell szerelni.
A hozzászólás módosítva: Márc 27, 2015
Én ezt használom, ez is tökéletes: Bővebben: Link
Trimerből van ithon 2k5 jó lenne az is?
Sziasztok!
Adott egy erősítő (STK4141ii). Beszereltem, stb.. szépen is működik. Mono hangerőszabályzót használok hozzá. Viszont van egy kis problémám. Teljesen letekerve a potmétert is szól a (ez alatt a zenét értem, és nem a zúgás búgást.) Viszont egy bizonyos szinttől ha tekerem fel hangosodik, mint ahogy kellene is működnie egy hangerőszabályzónak. Ha teljesen lehalkított álláspontban van a potméter akkor egy ideig szól egy bizonyos hangerőn. Majd véletlenszerű idő után a potméter állásába halkítja magát. Hangosításnál tökéletesen működik. Mi lehet a probléma? (Bekötés jó, különben nem működne egyáltalán vagy zúgna,búgna.)Előre is köszönöm a válaszokat!
Szia!
Így első nekifutásra, a leírtak alapján potméter hiba, vagy testelési probléma. Pl. nem egyezik meg a potméter GND pontja a bemeneti jel GND pontjával.
Potit próbáld cserélni a csuszka kikopott.
Igen!A trimmerrel az érzékenységét tudod álítani,akár hőfokra is be lehet lőni mikor induljon a ventillátor.
Vagy hibás a poti GND -re menő lába, pl. kilazult.
A Piher potik sokszor annyit nem bírnak ki, míg beforrasztja az ember a nyákba, főleg az ólommentes forrasztóónnal, amihez magasabb hőfok kell... Ahhoz aztán tényleg sok ész kell, hogy valaki ne hőre lágyuló műanyagból gyártson potmétert... A hozzászólás módosítva: Márc 27, 2015
Testelési gond nincs inkább akkor ennyit ért a poti :/
Egyszerű, forraszd össze a letekert hangerőnél amúgy is összezárandó két lábat. A GND -t és a közepét.
Ha akkor is szól, akkor nem poti hiba. Ha úgy nem szól, akkor pedig a poti a hunyó. A leírt jelenség olyan, mint mikor a GND lába meg van szakadva a potméternek/vagy nincs beforrasztva.
Rendben köszönöm, valamelyik nap jelentkezem!
![]() Csak annyira nem zavaró számomra így használom már egy ideje
Összeforrasztottam a ki és GND lábakat, úgy nem szólt. Visszatettem a helyére eligazítottam a kábeleket, potit kicsit megmozgattam most működik..
![]() Tehát lényegében akkor ennyit ért ez a poti?! :O Nem volt használva 1 hetet sem..-.-"
Sziasztok telefunken ha800al kapcsolatban kérdeznék... K d880 tranyó nagyon melegedim bordával ez normális dolog? Ha cserére szorul mikkel lehet helyettesiteni?
Ha a Q501-ről van szó akkor természetes a melegedés. Mekkora feszültség esik R501-en?
A hozzászólás módosítva: Márc 28, 2015
Igen arról van szó... 37,6v van az R501 en a dobozhoz képest mértem..
A tranzisztor áramát szerettem volna kiszámolni, tehát az R501-en eső feszültségre irányult a kérdés. Az SM alapján 70mA jön ki, ami tud rendesen fűteni. Ha ettől több, akkor érdemes vizsgálódni.
|
Bejelentkezés
Hirdetés |







(Bekötés jó, különben nem működne egyáltalán vagy zúgna,búgna.)
