Fórum témák
» Több friss téma |
A 78XX és a 79XX lábkiosztása más. Nem lehet, hogy mégis rosszul kötötted be?
Sziasztok!
Lenne egy hatalmas problémám! Van egy Simson-om, valami oknál fogva alapjáraton 12Vos váltóáramot ad le, de ez mindegy. Megoldottam az egyenirányítást, most az lett a gond, hogy alapjáraton +-12V jön, de viszont a fordulatszám növekedésével nő a feszültség is. Felmegy akár 30V felé is. Kellene nekem valami olyan dolog, aminek a bemenetén 12-31V-között mehet be az áram, de viszont kifele csak STABIL 12V jön ki. Nem muszáj pont 12V, lehet 14,16,18; nekem csak az a fontos, hogy ne változzon a fordulatszámmal együtt a feszültség. Szeretnék szólni, hogy még NAGYON kezdő vagyok és szeretnék megkérni mindenkit, hogy válaszát próbálja meg dedó-módra elmagyarázni. Előre is köszönöm! Várom a válaszokat!
Sziasztok!
A csatolt képen látható kapcsolást egy adatlapon láttam, fordított polaritás elleni védelemhez ajánlja. Ha ezt berakom pl egy 7805-ös elé, akkor kb. mekkora diódára és ellenállásra van szükségem? Meg jól látom, hogy ez a kapcsolás egy soros diódához képest csak annyi pluszt nyújt, hogy kisebb rajta a feszültségesés a kicsi csatornaellenállás miatt? Előre is köszi a segítséget!
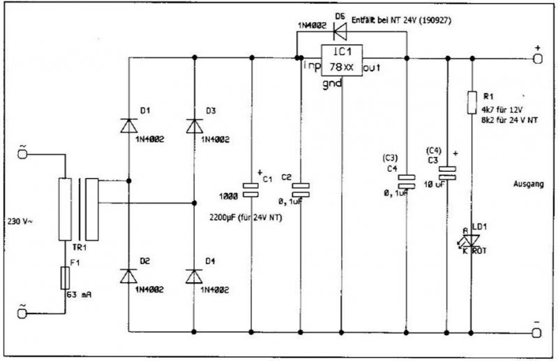
Sziasztok
Megépítettem egy erősítőt TDA8560Q IC-vel. Lehetséges az, hogy egy elektromos borotva töltője legyen a tápja? 12V 1,25A egyenáramot ad, de szűrni kéne, mert ha simán rádugom, észnélkül recsegni kezd a hangfal, meg a leírásban is szerepel h ilyesmiről nem fog működni. (de csakazértis kipróbáltam )A töltő evileg kapcsoló üzemű. Az feszültség stabilizáló IC-k ide valók? Egyenletesebé fogja tenni a feszültséget, vagy csak bizonyos nagyságúra határolja? a 12V maradhat, csak "simítani" kéne. A mellékelt képen lévő kapcsolás jó lenne, ha a trafót és az egyenirányító diódákat elhagyom? Köszönöm a segítséget!
Ehhez kell legalább 14V, hogy működjön, de ha simítod, puffereled, akkor lesz kb. 15V, erről már megy a 7812.
A TDA-nak nem kell stabil 12V, sőt, 14-15V célszerűbb is neki, de 11-17V között biztonságosan bármi lehet. A borotvatöltő, ha már azt akarod használni (nem javaslom), akkor elegendő egy LC taggal kiegészíteni (3A-re alkalmas, pár mH-s tekercs+2200µF-os alacsony ESR kondenzátor)
Helló! Olyan kapcsolási rajzra lenne szükségem, amelyet egy MW7H380GTGS típusú, kapcsoló üzemű tápegység után tudnék beiktatni. A tápegységet 230V/9V- on használom (egyen 9volt). Visszhangosító tápnak kellene, de olyan probléma merült fel, hogy a tápegység ,ahogy a nagyfrekvencián (20kHz) kapcsolja a feszültséget zavar keletkezik,és pattogásokat lehet hallani a hangszóróból. Aki tud valami rajzot küldeni, kérem segítsen.Köszönöm. Email: mr.countryboy@citromail.hu
Hello mindenkinek. Visszatértem az azóta megoldatlan stabilizátor üggyel. Most már van több adatom és össze is raktam az áramkört, de nem működik. A kimenet a bemenet függvényében ingadozik.
Uz= 13,6V Táplálni csak max. 16V tudom, ennyit bír a táp.
Hali! Nem tudtam megnyitni az odt-t. Viszont ajánlanék mást. Építettem még régebben egy erősítőt, aminek többféle tápellátás kellett. A +-5 V-ot LM7805-tel ill. LM7905-tel oldottam meg, a +-16 és +-27 V-ot viszont változtatható feszültségszintű stabkockákkal. Egy egyszerű potméteres feszültségosztóval tudod vele előállítan a stabilizált tápfeszültséget. A pozitív feszültséghez LM317, a negaívhoz LM337 szükséges.
Nagyobb terhelés esetén érdemes hűtst biztosítani. info itt: Bővebben: Link Bővebben: Link peace
A második link nem működik. Itt a jó.Bővebben: Link LM337
Mekkora teljesítményű fogyasztónak akarsz fesz-et stabilizálni?
A max terhelőáram 650mA, ha erre voltál kíváncsi.
Akkor nincs gond. Az LM-ek kimeneti árama max 1500 mA.
A normál áteresztő tranzisztoros stabilizátor Uce feszültsége MINIMUM 3 volt! A 78xx sorozat is MINIMUM3 voltot kér enni. Az alatt nem működik. Speciális kapcsolástechnikával meg lehet oldani. Low-dropout kapcsolástechnikával. Ilyenkor ellentétes polaritású félvezetőt használsz. A kollektorrol veszed le a kimeneti jelet. Azálatalad közölt kapcsolás a megadott adatokkal ALKALMATLAN és INSTABIL! Forrás: Energiatakarékos tápegységek / Záborszky László. In: Rádiótechnika 1997/4 p. 167-168.
Nagyon könnyen lehet, hogy úgy van ahogy mondod, ugyanakkor nem értem, hogy minek adnak nekünk ilyesmit feladatként. Aztán oldjam meg ahogy tudom. Mindenesetre kössz. Szóval az általam megadott paraméterekkel és darlington kapcsolással nem kivitelezhető. Hát ez van.
Üdv! Tudnátok segíteni? A történet hosszú, most csak a lényeget mondanám: A simsonomban van 1olyan vezeték, amiből alacson fordulaton kb 8v, magason 10-12v jön le... Jó lenne ha meg tudnátok mondani, hogy hogy oldjam meg úgy, hogy bármilyen fordulaton pont 6v jöjjön le, se több, se kevesebb. (+-0,5v) kösz!
Azt mondd már meg légyszi, hogyan válaszoljunk, ha még a Simson oldalán sem tudsz visszareagálni a kérdésre, miszerint:
Idézet: „Ezt nem lehet két alkatrészből megcsinálni, szóval már csak a szilárdság miatt is elkél a NYÁK-ba ültetés. Amúgy mihez kell ez, mi az a szerkezet, ami ilyen pontosan 6V-ot kér?”
bocsesz, most ültem gép elé, a Simsonon még nem voltam, am az indexet akarom megcsinálni aksi nélkül és a relébe kell ez a 6volt... az előző aksim besz*rt... ha van vmi módja bármi érdekel...
Akkor ez bizony halva született ötlet. Egyrészt az indexek nagy áramot vesznek fel, szóval arra szabályzót csinálni nem egyszerű, másrészt mivel így tekercsről működtetnéd, a nagy áramfelvétel miatt a tekercs annyira le lenne terhelve, hogy jóval a névleges feszültsége alá csökkenne a feszültsége, képtelen lenne működtetni az indexet.
Pár ezerért kapsz új akksit, kár itt más megvalósíthatatlan dolgokkal foglalkozni.
Ok, de arra még azért kíváncsi lennék, hogy meg lehetne-e azt csinálni, hogy egy
ingadozó feszültség megy be az áramkörbe és 1 stabil feszültség jön ki, amely az ingadozó feszültség legkisebbjével egyenlő, vagy annál kicsit kisebb, hogy azt tényleg mindig leadja??? Ha meglehet, akkor pl. hogy? mi kell hozzá? vmi hasonló rajz? pl: bemenet: 8-15V kimenet: 6V vagy 7V vagy 8v (az mindegy, ha nem is pont 6V, mint amennyit régebben írtam, mert úgyis tudnék rá ellenállást tenni, csak stabil/egyenletes legyen...) Bocs a fogalmazásért, ja és bocs ha fárasztalak! De valahogy meg szeretném csinálni... az alkotás öröme...
Meg lehet csinálni, egyenirányítani kell a tekercs feszültségét, azt pedig egy stabIC-re kötni 78xx sorozat, vagy LM317, de mivel tekercsről táplálod, alig lehet terhelni. Tehát az index alapból felejtős (ezek a stabIC-k amúgy sem bírnák), maximum elektronikus fordulatszámmérő vagy hőmérő mehetne el róla.
Sajnos otthon nem tudok netezni, de délután még leszek...most suliban vagyok... Addig még agyalok 1kicsit, meg kiderítem, hogy mik azok a cuccok amiket írtál... (fejből még nem vágom, nagyjából új vagyok a témában, de gondolom feltűnt...) A simson-on beszéljünk inkább, ott többen írnak.
Sziasztok,kellene egy kis segítség.
Szeretnék egy erösítöt építeni,ami 45-50 volt tápot igényel,és 2 x 200 wattos. Az én trafóm egy 500 VA es toroid,és 2 x 60 voltot ad le egyenirányitva.Hogyan lehetne azt a 10 - 15 volt többletet leizzasztani róla?
Oké.meg fogom próbálni.Leterkni komplikált lenne,mert a közepe ki van öntve.
Köszi szépen a segitséget!
Sziasztok!
Tudom, hogy nem konkrétan ezért indult ez a fórum de mivel nagyban foglalkoztok feszültségstabilizálással, így szerintem rajtam is tudnátok segíteni. A problémám egy elektromos kerékpár első világításának az átalakításával van. A bringa 36v-ról üzemel de mindenhol 40v-os izzók vannak és az elsőlámpáét nem tudom pótolni, ezért szeretnék normál 6v-os kerékpárizzót tenni a helyére. Próbáltam már 7806-ot bekötni elé de 3 db bánta a próbát . Próbáltam már egy BD249 bázisát megfogni egy zenerrel de az is forrt. több kapcsolást is próbáltam de nem vált be semmi. ha valakonek lenne vakami használható ötlete annak örülnék.
Hát én csak a partszélről tudok segíteni:
a 78xx-ok általában max. 40V bemenő feszültségig működőképesek. Ha életben is maradtak volna, nagyon sok energiát pocsékolnál el vele, mivel ezek disszipatív szabályozók. Neked egy kapcsolóüzemű táp kell, ami kibírja a 40 ( de szerintem inkább 50-60V-ra méretezd, biztos ami biztos alapon ) bemeneti feszültséget és képes belőle előállítani 6V-ot. Persze nem szabad elfeledkezni a lámpák teljesítményéről és így a felvett áramról sem. Kőegyszerű megoldás: 555 fix 15-20% kitöltéssel kapcsolgatja a 40V-ot. FET-el vagy akár egy tranzisztorral. Ha elég nagy a frekvencia, mehet is a lámpára a delej. Esetleg kellhet rá egy kondenzátor.
Mi lenne, ha a 3 12v-os akkumulátor egyikéről vinnél oda 12v-ot. egy hozzá való égővel?
|
Bejelentkezés
Hirdetés |





12V 1,25A egyenáramot ad, de szűrni kéne, mert ha simán rádugom, észnélkül recsegni kezd a hangfal, meg a leírásban is szerepel h ilyesmiről nem fog működni. (de csakazértis kipróbáltam 
. Próbáltam már egy BD249 bázisát megfogni egy zenerrel de az is forrt. több kapcsolást is próbáltam de nem vált be semmi. ha valakonek lenne vakami használható ötlete annak örülnék. 




