Fórum témák
» Több friss téma |
Fórum » Hangsugárzó építés, javítás - miértek, hogyanok
Témaindító: csonthulye, idő: Dec 10, 2005
Témakörök:
De nem biztos ,hogy ettől az F3 is romlani fog!
Szevasztok.
Szeretnék építeni egy ládát a már meglévő Sal Beast 300-as hangszórómhoz. http://www.somogyi.hu/cikkccs/cikkdokumentumok/04642_03_03.pdf A hangszóró már megvan néhány éve. Mindenképp ezzel szeretnék operálni szóval ezt nem akarom és nem is tudom cserélni sajnos. Ki szeretném hozni belőle a maxot hangminőség terén. A feljebbi linken van hozzá pár beltéri dobozterv de nem tudom, hogy mennyire megbízhatóak. Doboz tervezésben semmi tapasztalatom nincs, ezért fordulok ide hozzátok. Fa anyag és asztalos munka megoldható, csak egy jó doboz tervet szeretnék kiötleni egy hozzáértő segítségével. A sub a szobámban üzemelne attól függetlenül, hogy autóba való lenne. Most egy Sony TA-FE500R sztereo erősítőről hallgatom (hangváltóval persze) egy gyári dobozban, de ez a doboz kicsi neki és az erősítő se elég izmos hozzá. Valamikor majd szeretnék venni hozzá egy rendes beépíthető erősítőt is (ajánlásokat szívesen fogadok ilyen téren is ) Beltéri stílusú zárt ládában gondolkodom. Remélem valaki tud nekem segíteni a doboz paraméterei, anyaga és felépítésének megtervezésében. ![]() Köszi előre is. Üdv.:Szabi
Ott a link-ben a dobozterv. Habár az egész pdf ,egy nagy vicc. Gügye kézzel rajzolt impedancia és átvitel. Meg a garancia csak úgy érvényes...
Ha jobban szeretnéd megcsinálni akkor , meg kell mérni a T/S paramétereket. Autóba elmegy a zárt doboz ,de szobában nem lesz elég a mélye. (Cabin Gain)
Üdv!
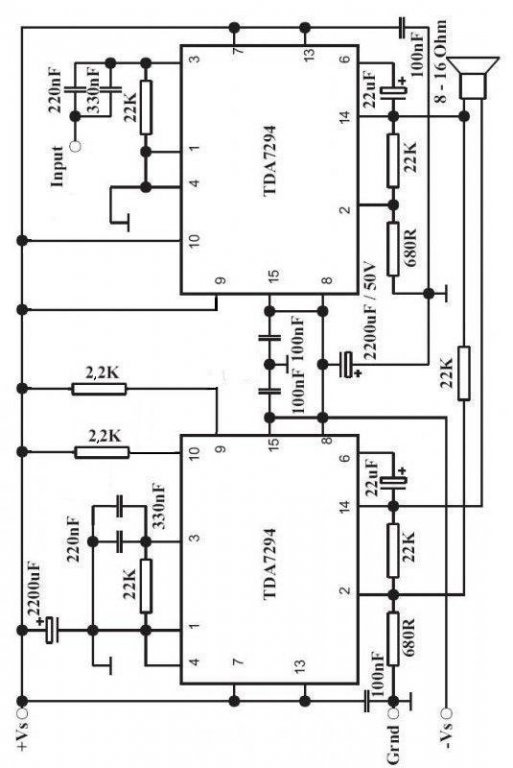
Az egyik haveromnak ugyanehhez a hangszóróhoz gyártottam egy ládát és abba egy beépített erősítőt. Szerintem úgy járnál a legjobban, ha építenél egy aktív szubot mint pl: Bővebben: Link A srácnak úgy oldottam meg, hogy ehhez a hangszóróhoz építettem egy TDA7294 Bridge erősítőt, mely 200W ot tud kb, de ez szobába bőven elegendő teljesítmény, a ládát pedig a hangszóró paramétereinek ismeretében MAGADNAK kell megtervezni a WINISD programmal! Akármilyen ládaterv csak pénzkidobás és kudarcot fog jelenteni. Tervezd meg és jó lesz tutira. A ládát úgy kell megtervezni, hogy ha a program kiszámolta a szükséges literszámot, ahhoz hozzá kell még adni az erősítőkamrának a légterét. Előbb az erősítőt szerezd be/gyártsd le magadnak ha ez megy. Ebből látod mekkora "üreg" kell neki a dobozon belül. Ha így csinálod jó lesz, haver srác is nagyon elégedett, már szólt 2 házibulit azóta az általam épített cucc. (Amúgy reflexládáról van szó, 1 reflexcsővel az előlapon, és MDF lap) ![]() Remélem segítettem! Üdv!
Sziasztok!
Mi a véleményetek a képen csatolt Punch mély hangszóróról, valakinek tapasztalat róla? Szerintetek megéri ilyet venni? Köszi előre is! Idézet: „Ha jobban szeretnéd megcsinálni akkor , meg kell mérni a T/S paramétereket” És a kapott thiele/small paraméterek alapján lehet neki tervezni egy optimális dobozt. Az viszont nagy sületlenség ,hogy a WinISD ki tudja számolni a dobozt. Hisz honnét tudná ,hogy te mire akarod használni ? Szubláda , TOP, autós szub, vagy már ismered a hangszóró egy hibáját amit a tervezésnél ki tudsz küszöbölni? Ilyen és ehhez hasonló dolgokra gondolok. A hidalt TDA-val csak 8 ohm-ra lesz jó , hacsak nem extra hűtése van , réz hűtőtönkkkel, és ekkor is csak 4 ohm-ra lehet jó.
Egy kisebb szobában üzemelne a doboz subládaként. Elektronikához aligha konyítok , se a TS paraméterek alapján ládaszámoláshoz. Elvileg a fent linkelt PDF-ben benne vannak ezek az adatok csak én nem tudok velük mit kezdeni. Valaki ebben a számolásban tud segíteni?
Még mindig zárt láda mellett voksolok. Annak pontosabb a hangja, ahogy hallottam, és nem akkora a szoba se, hogy ne tudja beszólni ez a sub.
Azért lenne a reflex optimális,mert , annak alacsonyabb lesz az F3-pontja azaz mélyebbre fog menni. 51 litert ajánlanak a reflexesnek .2 db átmérő 70 -es csővel, ha ezeknek a 70-es lukaknak kiszámolod a felületét és összeadod, akkor megkapod mekkora legyen a felülete egy cső-nek. Nagyon nem szabad megnövelni ,mert akkor túl hosszú kell majd a megfelelő hangoláshoz. Vannak olyan csövek amiknek állítható a hossza ,ezzel több lehetőséged lessz.
Sziasztok!
Egy 98dB hangszóró sokkal hangosabban szól mint egy 95dB-es ugyan akkora hangerőn? Ezt hogy tudom elképzelni hogy mennyivel hangosabb?
Pontosan kétszerakkorát szól elméletileg.
Kb olyan mintha két 95dB-eset egymás mellé állítanál, jól érzékelhető hangerő növekedést eredményez.
Így értem már.
Azért kérdeztem mert most van egy pár 95dB (2db sorosan kötött hangszóró van benne.Bővebben: Link) hangdobozom és azon gondolkoztam,hogy ezeket eladom és befektetek egy ilyen hangszóróval épített hangdobozra.Bővebben: Link De természetesen csak akkor állnék neki ha megérné.Kisebb kocsmákba kellene bulizni illetve házibulikba.Azért itthon is használgatnám. Mit gondoltok ezzel már ellehetne indulni bulizni? 100W-200W erősítőkkel lennének hajtva.
Akkor azt mondjátok, hogy maradjak a pdfben megadott reflex tervnél?
Köszi az eddigi segítségeket. Idézet: „Vannak olyan csövek amiknek állítható a hossza ,ezzel több lehetőséged lessz.” Bővebben: Link
Ha éppen nem csővel oldanám meg a reflexnyílást hanem fából téglalap alakúra, akkor is csak a belső felületre figyeljek?
Bővebben: Link Ehhez hasonlóra megcsinálnám A végeket lekerekítettre készíteném, a felületet kiszámolnám optimálisra és fából lenne maga a reflex nyílás is. Ez nem okozna nagy elváltozást a hangban a csőhöz képest? Valami stílusosat szeretnék csinálni
Ennek hogyan oldod meg a hangolását? Hogyan vágsz el , vagy teszel hozzá?
Igen ha egy másik dobozban , beállítod az optimális hangolást egy kör alakú csővel , és azt átszámolod egy szögletesre. De még mindig illene T/S-t mérni ,hogy pontosan tudd hova is hangol. De ha már van T/S-ed akkor használhatod a bassbox-ot azzal lehet szögletes csövet is számolni.
T/S-eket milyen módon tudom megmérni? A PDF-ben a végén van egy táblázat. Abban van pár adat. Azok nem használhatóak?
http://www.somogyi.hu/cikkccs/cikkdokumentumok/04642_03_03.pdf
Egy ilyen kábel és egy zárt doboz amibe be lehet építeni a hangszórót, még egy mérésre. A két mérés eredményeiből számolható az összes Thile/Small paraméter.
Azok a paraméterek arra a hangszóróra vonatkoznak amit megmértek. Gyakorlatban akár 50% -ban is eltérhetnek attól amit mérsz.
Sziasztok!
Szerintetek lehetséges, hogy egy 17 cm külső átmérőjű hangszórónak 227 cm2 az sd-je? A cérnás módszerrel számoltam ez jött ki mert néztem hasonló mérető hangszórókat és azoknak 100 cm2-el kevesebb volt. Amúgy ez egy Sony 1-825-378-11 -es hangszóró. Vagy esetleg valaki tud nekem mondani egy gyári sd-t mert én nem találtam sehol. (egy TL-t akarok neki tervezni csak a kíváncsiság kedvéért de kellene az sd) Köszi előre is.
Szia! Az átmérőnél a membránt, és a perem felét vedd figyelembe. A 120-130cm2 fotó alapján reális.
Úgy mértem, hogy a perem külső szélénél tettem rá a cérnát és a másik oldalon is így tettem és úgy volt 17 centiméter a cérna mikor kiegyenesítettem. Tehát akkor felére kell vennem?
A peremet csak részben vedd figyelembe, mert a kosár felé haladva mind kevésbé vesz részt a levegő megmozgatásában.
A kúppalást felszíne biztonság kedvéért: pí x sugár x alkotó. Az alkotó jó közelítéssel a kiegyenesített cérnád fele. A sugár légvonalban mérendő.
Sziasztok! Van 2 darab DX 25-ös magassugárzóm, ebből az egyik üzemelt a régi dobozomban elég hosszú ideje. A másik pár hónapja át lett téve egy másik készülő dobozba és várt a hozzá készülő erősítővel. Nem tudom mi lehet az oka a következőnek.
A hosszas ácsorgás után bekapcsolva ha a magasra ráküldöm a magashangokat , közepes hangerő felett picivel el kezd recsegni. Ha közepet is engedek rá akkor már nagyon kis hangerőnél is hallani. Ezt mi okozhatja ,hogy használat nélkül ilyen állapotba került, és mi lehet a baja pontosan?
A próba egy keverőpult használatával történt, mivel az erősítő(azaz hangszórónkénti végfok , aktív szűrőáramkör) még vár a beszerelésre. Pontos értéket a leírásából nem sikerült megtudni,de a középhangokat úgy 1000-800 körül vágja, a magasokat 4-5ezer körül. 1000 Hz-et tudom ,hogy nagyon nem is kell hogy bírja, de ennyire halk hangerőn nem szabadna, eddig nem torzított/recsegett.
|
Bejelentkezés
Hirdetés |













