Fórum témák
» Több friss téma |
Fórum » Inverteres hegesztőtrafó
Közelítünk a megoldás felé.
2 tranyós forward esetén is lesz olyan időpillanat, amikor a kimeneti fojtóban tárolt mágneses energia megszűnik, így a kimenő feszültség és az áram is 0 lesz. Az ív a plazma miatt nem alszik ki olyan rövid időre. A gond azzal lehet, hogy kis szórás esetén ( tételezzünk fel szoros csatolású, kis szórt induktivitású főtrafót és egy kis induktivitású fojtótekercset) a villamos ív bekorlátozza a rajta eső feszültséget 22-25V közé, (A PWM szabályzó ugyanis áramgenerátornak tekinthető, a feszültséget az ív korlátozza, vagyis az ívhossz) amikor a PWM jel megszűnik, a feszültség 0 lesz, így az ív csak az átlagfeszültséget fogja érzékelni, gondolom. Ezért fordul elő, hogy csak "szikrázik". Ilyenkor feltekeri az ember az áramot, hogy az átlagfeszültség több legyen (ne aludjon ki az ív), viszont a pálca megég a sok áramtól. A kérdés már csak az, hogy miben más a beépített szórt induktivitás, mint a külső fojtótekercs, hisz rezonáns tápokban is beépítik sorosan.
Én nem értek ennyire hozzá, de milyen megoldás felé?
Van olyan gyárigép, amelyikben nincs fojtó (szerintem csak spórolásból) tapasztalatból- elmondás szerint nem is olyan jó vele "dolgozni". Szerintem az, hogy fojtó nélkül is működik a hegesztés messze nem jelenti, hogy jó is. Véleményem szerint a fojtó elhagyása házi (1 darabos) kivitelnél szinte semmit nem spórol, de mindenki azt szeretné, hogy tökéletesen tudjon hegeszteni. Az általam fellelt kapcsolás szinte 100%-ban fojtós kivitelű- talán nem véletlenül! Bár hiszek abban, hogy sokszor túlvannak bonyolítva a dolgok, de pl. a cím adó MACI esetében erősen kétségbe vonható ez.
" 2 tranyós forward esetén is lesz olyan időpillanat, amikor a kimeneti fojtóban tárolt mágneses energia megszűnik, így a kimenő feszültség és az áram is 0 lesz."
Ilyen állapot nincs, hiszen a kimeneti fojtótekercsnek pont az a szerepe, hogy simítsa az áramot. Ha ez megfelelően van méretezve a frekvenciához, meg az áramhoz, akkor a kimeneti áram sosem szűnik meg, hiszen a fojtótekercs ezt fenntartja. Áramhullámosságról lehet beszélni, azon lehet egy kicsit spórolni, illetve nagyobb hullámosság esetén kisebb induktivitású fojtó is elég, az olcsóbb, meg méretre kisebb is. A fojtóban csak akkor szűnik meg ( épül le nullára ) a mágneses energia, ha a kimeneten megszűnik az áram. Ez meg akkor lehetséges, ha túl kicsi a fojtó induktivitása. ( szaggatott áramvezetés ) Ez viszont a helytelen méretezés következménye. A szórt induktivitás hatása egészen más. Abban a mágnses energia két érték között változik, pontosabban a nulla és egy maximális érték között változik. ( pl: a Maci esetében ) Ha nem így lennne, akkor a trafó nem tudna visszamágneseződni és az árama folyamatosan nőne, periódusról periódusra. ( Ha eltekintünk a körben levő ohmos ellenállásoktól. ) Egy hardswitch hegesztőben ( pl: Maci ) kifejezetten káros, ha ez nagyobb értékű. Kis érték jó bele, de csak azért, hogy a tranyók induktív áramot lássanak bekapcsoláskor, vagyis az áram rajtuk csak lassan emelkedjen. Ennek is van némi negatív hatása, mert ez is kieső fesz-idő területet jelent, de ez nem nagy. Ha meg jó nagy a szórt induktivitás, akkor tulajdonképpen áramszabályozó nélkül is rövidrezárható as kimenet, hiszen miután a szórt induktivitás a váltakozóáramú körben van, a saját impedanciájánál fogva bekorlátozza az áramot. ( Háromszög alakú áram fog folyni ). De ennek a karakterisztikája nem jó hegesztésre. ( állítólag ) Az ív meg szerintem kialszik, még nagyon rövid időre is, hiszen a cseppátmenetnél rövidzár van a kimeneten. Amikor a cseppátmenetnek vége van, vagyis elvileg nyitott a kimeneti áramkör, akkor a fojtótekercs feszültsége meredeken emelkedik és ez segít újragyújtani az ívet. De egyébként is kialszik, különben nem lehetne az ívet hangfrekvenciával megmodulálni. Márpedig lehet. Rezonáns tápoknak egészen más a működési elve, ne keverd bele, másmilyen szerepe van a szórt induktivitásnak,- de inkább a rendes nevén említve a : rezonáns tank fojtótekercsének.
Megpróbálom beforrasztva megvizsgálni az erősáramú elemeket. Nem ellenállásmérővel hanem 24 voltos 60 wattos izzóval próbálom megnézni egy külső 24voltos DC tápról . A hűtőnek azért van a tetején a dióda, mert egy 3 lábú kettős dióda volt az eredeti amelynek egyik fele kipurcant és csak azt a felét pótoltam.
Na ezeket megpróbálom még egyszer. Miután tönkretettem az egyik IGBT-t azóta nem mertem bekapcsolni, de végiggondolva abból nem lehet gond ha bekapcsolom a mérések idejére és csak az egyik lesz benn . Másképpen nem tudom megnézni kapnak e vezérlést az IGBT-k.
Üdv! Csatlakoznék az mpisti által leírtakhoz! Lehet ragozni a dolgot oda vissza, de egy biztos jó pár éve építettem egy mig gépet, míg nem lett bele rakva fojtó addig inkább lehetett taknyolásnak hívni a varratot mint hegesztésnek, úgy fröcskölt, hogy a hegesztendő alkatrész tele volt kb 1mm-es bogyókkal és az ember kezét is össze égette. A lényeg: mennél simább a hegesztőáram annál szebb és nem utolsósorban annál jobb minőségű a varrat!
Igen, persze, méretezés kérdése minden.
Nem egészen világos még amit a 2. bekezdésben írsz. 2 tranyós forward esetén a trafó felmágneseződik, majd a szünetben vissza, a kimeneti fojtó épp úgy. A fojtó teljes lemágneseződése függ a fesz-idő viszonyoktól is, ezért írtam, hogy lemágneseződhet 0-ra. A fojtót tehát az egyenáramú ágba kell tenni, nem a váltóáramúba (szórt induktivitás).
Ha rendesen működik, akkor a kimeneti fojtó nem mágneseződik le, mondjuk csak 20 %-ot veszít az áramából. Amikor a forwardban ( vagy akár egy teljes hídban ) kikapcsolnak a tranyók, akkor a nulldióda veszi át a fojtó áramát és az vezeti tovább. Ennek hatására csökken az áram, de nem csökkenhet nagyon, mert akkor nagyon hullámos lesz az áram és ronda a hegesztés.
A kimeneti fojtó teljesen máshogy működik, mint a szórt induktivitás. Javaslom, hogy nézd meg a működését valahol a forwardeknek, mert így öszze-vissza beszélsz.
Lacza !
Megpróbáltam legalább az erősáramú részét lerajzolni és ezt találtam. Szerinted ez így működhet ? Mindegyik IGBT zárlatos és a nyíllal jelölt dióda is. A múltkori szerelésnél csak az az egy dióda volt rossz. A félvezető adatlapon azt láttam, hogy ez 30A és 200V -ra van kitalálva. Ezen pedig átmegy a teljes hegesztő áram . A primer kapcsolást nem teljesen értem, mert egyszerre kellene nyitni és zárni mindkettőnek, középleágazást a trafón nem találtam. Én először ellenüteműnek gondoltam de ez nem az. Ma megnézem mennyibe kerülnek az alkatrészek és akkor megpróbálom cserélni őket. Valójában ez a kollégámé és az a kockázata ,megveszem a cuccot aztán mi van ha nem működik. Mint előzőleg írtam , a félvezetőket nem csak ohmmérővel, hanem 24 volttal is kipróbálom.
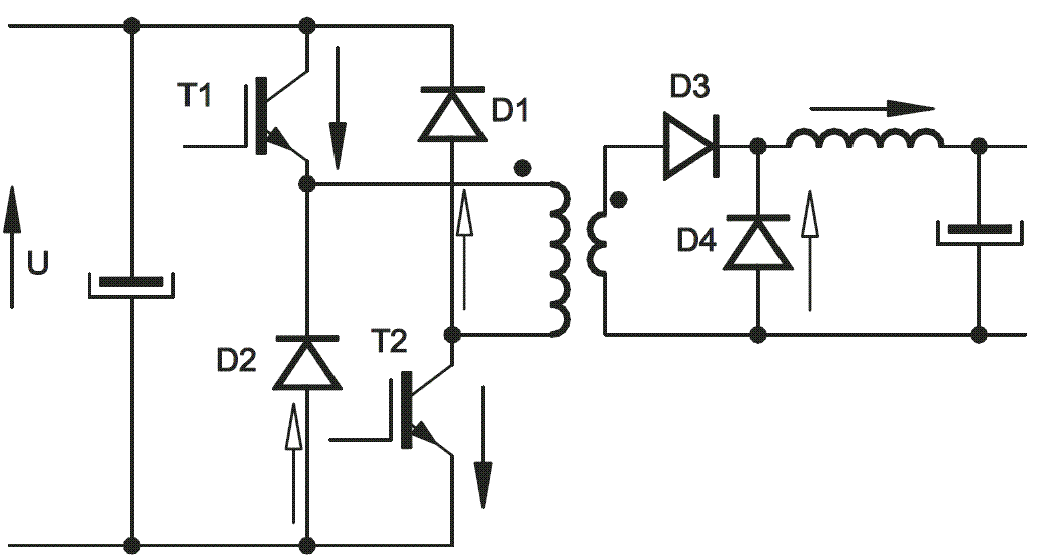
A mellékelt kép ugyan egy másik hegesztő működését szemléltetné, de a leírtak alapján kb ez az elv lehet a te gépedben is.
Igen, ez így van, ahogy lerajzoltad, illetve JZoli által belinkelt sematikus ábra szerint van felépítve a teljesítmény rész.
A dióda 145°C mellett tudja a 30A-t, nem mondanám alul méretezettnek, de mindenképp vissza kell tenni a helyére, mert ha jól emlékszem a dióda hűtőbordáján van a hőszenzor, ami a vastag alu részen van, a borda teteje még felforrósodhat és a dióda megint tönkremegy.
Néztem JZoli rajzát , őszintén megmondom én még ilyen kapcsolást nem láttam. Hozzá teszem, nem foglalkoztam még inverteres hegesztőtrafóval. Ezek szerint a két tranzisztor egyszerre vezet és záráskor a két diódán is egyszerre folyna az áram ? És ez nem ellenütemű ?
Kérdéseim : - RURG3020C volt az eredeti dióda a szekunder körben - ez 1*20 vagy kétszer 20 amperes ? - Most STTH6002 típusút vettem ez tuti, hogy 2*30 amperes talán jobb lesz ,ennek néztem a lábkiosztását és megegyezik. - Legfontosabb kérdés: eredetileg 12060A4 volt benne ez valami N csatornás IGBT ami 12 amper és 600 voltos. Amit most vettem az K1170 típusú és állítólag 20 amperes, de nem találom a lábkiosztását. A boltos ajánlotta. Nézzétek meg nekem , hogy azonos e a lábkiosztása és valóban ennek megfelelő alkatrészről van e szó ! Kipróbálni úgy fogom, hogy egy először vagy egy fénycsőfojtót vagy egy 200 wattos égőt kötök a 230-as betáppal sorba, hogy ha zárlat lenne akkor se tudjon nagyobb áram kialakulni. Köszönöm az eddigi segítséget is.
Ezt lefelejtettem , a primer körben nekem is van két dióda, csak azt nem rajzoltam be.
Arra gondoltam , hogy az IGBT-kkel párhuzamos és az indukciós feszültséget nyírja le. Most már látom más a lány fekvése, mert ezek sorba vannak és valami elfuserált hídkapcsolás.
Nem IGBT; VMOSFET, lábkiosztás azonos, de más adatai elég jól eltérnek. Hasonlítsd össze az adatlapokat. (2SK1170). Lehet, változtatni kell némely alkatrészen (idő, töltés, kisütés).
Az eredeti IGBT 12N60A4, aminek a teljes típusjelzése: HGTG 12N60A4 , és nem 12A-es. Az adatlapját töltsd le, és meglátod az adatait.
A HGTG helyett nem ajánlott más típust betenni, mert ez a típus igen gyors, és a gyártók nem ok nélkül alkalmazzák ezt a típust bizonyos gépek esetében. Ha egy hasonló paraméterekkel rendelkező IGBT-t találsz, ne csak az áramát és feszültségét nézd meg, hanem a kapcsolási veszteségeit, és az ajánlott működési frekvencia tartományt is. Ugyanis az ördög a részletekben van. A HGTG egy relatíve kis veszteségű és nagy sebességű IGBT, és emellett viszonylag drága is, összevetve néhány általánosan alkalmazott típussal. De ahol ez a típus van oda ezt, vagy ennél gyorsabbat illik visszarakni. Oda az STW ; SGW és hasonló olcsó típusok nem biztos hogy elég gyorsak lesznek a szükséges kapcsolandó áram mellett.
A két tranzisztor egyszerre nyit, a nyitás ideje egy periódusban maximum 45% lehet. A szekunder tekerccsel soros dióda nyit ki először, az vezeti ki az áramot, felmágnesezve a fojtó tekercset, majd amikor a szekunder feszültség megszűnik, a másik szekunder diódán keresztül mágneseződik vissza a fojtó. A primer körben lévő két dióda a főtrafót mágnesezi le. Két tranzisztoros Forward tápegység a neve, nyitó üzemű.
RURG3020C 2x30A-es 145°C-on és 200V-os. STTH6002 szintén 30A-es, helyettesíthető vele. Nem tudom honnan szedted, hogy a HGTG12N60A4D 12A-es. 75°C-on, 100 KHz-es kapcsolófrekvencián tud 12A-t, a 2SK1170 25°C-on, folyamatosan tud 20A-t. A lábkiosztása még jó lenne, de én nem merném beletenni. HGTG20N60A4D jó helyettesítő lenne, az van lomexban. Kipróbálni mindenképp áramkorlátos tápról kell, de megteszi egy 100W-os izzó is.
Gyanús volt, de 12060A4-re APT előjellel találtam V-MOS-t. Az is erősebb a K1170-nél.
Én most éppen dolgozom, nem gondoltam , hogy ilyen sok segítő válasz érkezik. A boltos mondta, hogy ez 12 amperes. Én valójában elektroműszerész vagyok, de még az elektroncsöves időszakban kezdtem . Avval még tisztában vagyok , hogy a sebességtől nagyban függ a diszipált teljesítmény , de az adatlapokat nem biztos , hogy jól értelmezem.
Úgy vettem meg, ha lehet minden kicsit erősebb legyen, de mondtam kikérem a szakik véleményét és ha nem jó akkor még vissza cseréli nekem. Direkt addig nem forrasztgattam össze. megpróbálom az eredetit vagy annak a 20 amperes változatát a HGTG20N60A4D-t.
Az A4D végződésű tartalmaz belső diódát, az A4 végződésű pedig nem. Az eldisszipált veszteségnél ezt figyelembe kell venni. Ugyanakkora terhelés mellett az A4D több hőt termel. Tehát ha tudsz dióda nélkülit venni, akkor azt vegyél.
Köszi. Most előttem van a régi és azon csak 12N60A4 van, a HGTG12N60A4- ről találtam katalógust. Majd odafigyelek, hogy dióda nélküli legyen.
12N60A4 helyett csak 12N50A4 -est kaptam ez csak 500 voltos de nem ez a fő probléma.
Kicseréltem az a két IGBT-T és a szekunderköri diódát. Amennyire tudtam leskicceltem, de a vezérlő áramkörében annyira aprók az alkatrészek és kétoldalas a nyáklap , hogy nem tudtam követni. Még annyi szerencsém volt, hogy a panel legalább átlátszó és egy lámpával valamennyit kibogoztam. A bekapcsolóval egy 24 volt 60 wattos égőt kötöttem párhuzamosan a nagyobb károk elkerülésére . Bekapcsoláskor kettő 300 ohmos ellenálláson tölti a kondenzátort és / csak gondolom hiba estén / ez korlátozza az áramot. Ha minden rendben akkor meghúz d1 relé, aminek 18 VDC a behúzó tekercse és teljes mellszélességben kapja az energiát. A trafóján 3 tekercs van, mindegyik 2 kivezetéses : - primer - szekunder hegesztőáramos - szekunder segédtáp Segédtápról megy a d1 relé behúzótekercse , a ventillátor és a zöld led, azaz csak menne ,mivel nem rezeg . Van egy 12 voltos kockatápja is , valószínű erről megy a hővédelem és a vezérlés. 2 led van benne : a sárga akkor ég , ha túlmelegszik, ez most éppen ég, a zöld pedig ha minden rendben és oszcillál . Most nem oszcillál és a zöld sem ég . A kondin 299 voltot mértem ,ami kicsit kevésnek tűnik de kétszer 5,5 volt esett az égőn és az ellenállásokon , így már érthetőbb. A primer tekercsen +5 voltot mértem, ami vezérlés nélkül normális. Azt még nem tudom a segédtáp és a főkör galvanikusan el van e választva, ezért nem merek szkópozni, mert nincs akksiról működő szkópom. Talán ha találok egy leválasztó trafót, akkor megpróbálom megnézni kap e vezérlést / biztosan nem kap / de miért nem kap ,azt rajz nélkül nem könnyű kideríteni.
A sárga led akkor is világít, ha az elektróda leragad, vagyis ha nincs meg a megfelelő szekunder feszültség.
A segédtáp és a vezérlés nincs elválasztva a primertől, ugyanis a két 8,2K-ról kapja az indítófeszültséget. Amikor bekapcsolod, a két 8,2K feltölti a 7812 bemenetén lévő elkót, majd elindul a vezérlés, meghúz a relé, és ad vissza magának feszültséget a segédtápon keresztül. Illetve adna, ha működne a primer köröd. Idézet: „A bekapcsolóval egy 24 volt 60 wattos égőt kötöttem párhuzamosan a nagyobb károk elkerülésére .” Érdemes 230V-osat tenni, és sorba a főkapcsolóval. Idézet: „Talán ha találok egy leválasztó trafót,.....” Szkóppal többre mennél! Próbáld meg, hogy a 7812 bemenetére adsz 18V-ot, (hálózati fesz nélkül) akkor már tudod ellenőrizni, hogy van-e az uc3845 kimenetén jel, illetve, hogy eljut-e az igbt-k Gate-Source lábáig!
Ez viszont egy jó ötlet, hogy adjak +18 voltot a kockatáp bemenetére . Van is ilyen tápfeszem és akkor valóban nem kell földfüggetlen szkóp a vizsgálathoz. Jövőhéten ezt végig próbálom.
Keveset tudtam kirajzolni, én a 7812-öt neveztem tápnak és ami alatta van azt segédtápnak. Ezt azért tartom fontosnak, mint írtad majd ez húzza meg a relét. Én úgy találtam , a trafó mikor oszcillál azt ad valamekkora feszültséget és majd ez húzza meg a d1 relét. Ellenállás mérővel nem találtam közös pontot a 7812 és a segédtáp között. Én a 7812-öt tekintettem tápnak aminek közös a negatívja a főáramkörrel. Gondolom a 7812 indítja az oszcillációt , ha ez beindult, akkor megjelenik a fesz a d1 tekercsén ami aztán ráadja a teljes hálózati feszt a nagy pufferkondira. A gép benn van a gyárban , most nem vagyok képben uc3845-re nem emlékszem, de van benn egy 14 lábú felületszerelt ic amit én egy négyes műveleti erősítőnek gondoltam : 4 *2 bemenet + 4 kimenet + 2 táp = 14 láb. Valaki írta, mindig a főkörben volt a hiba. Ő egy szerencsés ember, nekem az is rossz volt és a vezérlő is. Majd megpróbálok két oldalról indulni, az IGBT kapujától ás az u3875 felől, hátha sikerül behatárolni. Sok esélyt nem látok rá rajz nélkül, bár azt mondják minden hiba egyszerű miután sikerült megtalálni. Azt még nem is írtam , a harmadik hűtőborda alatt találtam egy háromlábú 1mm-es alkatrészt, valami hőérzékelő lehet és még kettő darab miniatűr diódát amik már nem voltak bekötve. Az egyik kis dióda törött volt, betettem egy hatszor akkora méretű 1N4001 diódát becsületből, de én elmenő vezetéket ott nem találtam. A háromlábú az rendben volt , onnan mentek el vezetékek. Ami idegesítő, a bordák nagyon lazán vannak felszerelve, jobb lett volna , ha stabilabban hozzáérnének a hőfokérzékelőhöz. Ezt a kis trafót csak azért találták ki, hogy engem megsétáltassanak . Az általam segédtápnak nevezett körben a második diódát azért nem rajzoltam tovább, mert nem láttam tisztán merre megy, nagyon picik és nem tudtam átvilágítani a panelt, a kétoldalas fólia miatt sok minden takarásban van.
Ma lett végleg elegem ebből a kis varangyos szerkezetből. Rákapcsoltam 16 voltot a kockatáp bemenetére és elkezdtem keresni, hol találok valami meghajtó jelet.
Valóban a 3845-ös ic 3. lábán 50 Khz fűrészjelet és a 6. lábán négyszögjelet találtam. Végül meglett a hiba oka , az egyik IGBT Gate és az Source között lévő dióda volt zárlatos. A meghajtó ellenállás olyan forró volt, hogy megolvadt a cin az ellenállás alatt és mikor hozzáértem a tapintócsúccsal elcsúszott a helyéről a felület szerelt alkatrész.Emiatt az egyik IGBT nem is nyitott. Miután ezt kicseréltem , először csak égővel sorba kötve működött . Minden helyreállt: beindult a ventilátor , kigyulladt a zöld lámpa és elaludt a sárga, valamint behúzott a tápfesznél a kisrelé amelyik ráadja a teljes áramot. A kimenő feszültség is volt 25-35 volt között, a pontos értékre nem emlékszem. Úgy is ment egy keveset, hogy már nem volt a 230 voltnál égő sorba kötve, próba terhelésnek a 230 voltos izzó parázslott, a 24 voltos pedig kiégett. Ezután próbáltam hegeszteni, mikor hozzáért a 2,5 -es pálca egy nagy durranással leverte a villanyt. Még egyszer bedugtam terhelés nélkül, mit csinál újra leverte a villanyt és a 2 db 300 ohmos ellenállás ami a töltő kondi előtt van, szabályosan lánggal égett még akkor is amikor már a biztosítékot leverte, úgy kellett elfújni. Mint írtam elektroműszerész vagyok, a hegesztőhöz nem sokat értek de erősáramú tirisztoros hajtásokkal foglalkoztam. Úgy gondolom nagy hibát nem vétettem, minden hűtőt jól felraktam, a gyújtó impulzusok szabályos négyszögek voltak és egyformák. Terheletlenül szépen ment. Azt nem tudom az áramhatároló jól működött e , ívet nem fogott rögtön eldurrant. Gondolom a két IGBT nyiffanhatott ki, ha már ilyen nagy áramot vesz fel. Már nincs kedvem újra szétszedni. Azt még hozzáteszem 600 voltos helyett 500 voltos IGBT tettem be , csak ez volt a boltban. Arra számítottam esetleg előbb kinyiffan de ,hogy egyből erre nem. Azt nem tudják a gyártásnál sem olyan pontosan belőni, hogy pont hol megy tönkre. A hozzászólás módosítva: Feb 12, 2013
Idézet: „Ezután próbáltam hegeszteni....” Sajnos meg kell javítani egy pár hegesztőt, hogy tudja az ember, mire kell odafigyelni. Az áramhatároló részt nem ellenőrizted, bár arra nem jellemző, hogy meghibásodjon, persze ez nem azt jelenti, hogy nem lehet rossz. Még a primer lemágnesező diódák lehettek rosszak, gyanús a 25-35V-os üresjárati kimeneti fesz. Általában a névleges feszültséget el szokták bírni a fetek, igbt-k, ~20V-al többet is, de biztos nem az volt a meghibásodás oka.
Ha szép a vezérlőjel az önmagában semmit nem jelent, meg kellet volna szkópolni a primer kört is, lehet hogy a snubber körben van valami gond.
Igazából elment a kedvem a hegesztőtrafóktól, bár a kollégám újból be akar ugrasztani.
Még nem néztem mi ment tönkre, de idáig 5000 forint volt. logikusan mindkét IGBT-nek tönkre kellett mennie különben nem lenne benne ekkora zárlat. Őszinte legyek, azt nem tudom mi az a SNUBBER kör. Az is jó lenne , ha lenne valami terhelésem , mondjuk egy egyenáramú motor , amivel folyamatosan növelhetném a terhelést és nézhetném , hogy működik e az áramkorlát. Ha nem lenne ilyen szuper titkos a rajza akkor megpróbálnám az áramkorlátot nulláról folyamatosan növelni és úgy figyelni mi történik. A február 6. JZoli rajzon d1 és d2 jelzésű diódák egész biztosan jók voltak. Laczának írom, ha nincs rajza az áramkorlátnak akkor nem is tudom ellenőrizni.
A rajz alapjaiban az összesben megegyezik, csak a körítés más. Ha megnézed mondjuk a maci rajzot az nagyban fog hasonlítani hozzá, eltérések csak a vezérlés áramköreiben lesznek. Ha nem túl bonyolult vissza kell rajzolni, anélkül nem egyszerű javítani. Vagy ha nem érdemes akkor ki kell dobni az egész vezérlést és csinálni hozzá egy másikat, sokkal kevesebb macera lesz vele, valamint az új áramkörről már lesz egy átlátható rajzod. Költségben nem lesz sok (mondjuk 2-3ezer), viszont megspórolod a visszarajzolással, hibakereséssel, javítással, élesztéssel eltöltött időt.
Sziasztok,
Csináltam egy folytót U57-ből kicsit másképp.Rakjak bele légrést vagy mehet légrés nélkül is?
Látom szereted a kihívásokat, így nehezebb elkészíteni a fojtót. A 'profik' még a 'H' alakban rakott felek közé is tesznek légrést. Természetesen ebbe is kell vagy 3mm, ki is lehetne számolni (itt van a topicban). A szekunderen is nagyfrkis áram jelenik meg, egészségesebb(ajánlott) többszálasan tekerni(skin-hatás). Gyári gépekben is látni tömör (huzalos) megoldást, de nem az igazi.
Amúgy jól néz ki, csak hát... A hozzászólás módosítva: Feb 21, 2013
Légrés mindenképpen kell bele. A leginkább helytakarékos megoldást ferritrúddal lehet elérni, csak azt nem igen kapni ekkora méretben, illetve több menet kell rá az adott induktivitáshoz.
|
Bejelentkezés
Hirdetés |











Amúgy jól néz ki, csak hát... 




