Fórum témák
» Több friss téma |
Fórum » Kapcsolóüzemű (PWM) végfok építése
Cimopata felhívta a figylemet, hogy szarul mértem (nem a tüskével hanem a kampóval), ami nagy mérési hibát okozhat. Igaza is volt, leszedve a kampót a mérőcsúcsról, az alábbiakat mértem. Az időosztás 1uS, a nagyított képen 5x-ös széthúzás van.
Ezek már elég szépek.
Na, szép lett, elég jól kapcsolgat, mondjuk majd mérd meg akkor is ha jól beterhelted (gondolom terhelés nélkül mérted, úgy nagyjából soft-switching)
Vadrezgésekkel addig nem kell foglalkozni, amíg nem okoznak semmi érzékelhető problémát, pl. túlzott melegedést, zajt, zavarjelet... BCA-s UcD-mnek van pl. egy elég kusza 10-15MHz-es berezgése ha nagyon kivezérelem, olyan 20Vpp-vel, de nemzavar semmit se, csak kellet neki egy fémdoboz
Erre figyelni kell a kapcsitápok építésekor is, képes 2-3x akkora tüskét is mutatni a szkóp, annyi zavart összeszed a mérőfej.
Mekkora volt a max. tápfesz amivel próbáltad?
A jelenlegi tápomat cimopata készítette: 2x78V üresben és 2x65V terhelve. Ennél nagyobb tápfesszel ezzel a fettel nem merem próbálni, ígyis még méricskélni akarom.
Elég sokat esik terhelve a tápod. Gondolkodtam rajta hogy próba képpen összedobom mert a fetek kivételével minden van hozzá a fiókban. Igazából az lenne a jó ha bírná nagyobb tápfesszel is, nekem 8 ohmon kéne az a 4-500W.
Pedig más fet nemnagyon esik szóba, 200V-ban is alig alig akad 1-2 darab, aminek jó a diódája ill. a sebessége.
Táp esés nem gond, a zene telj. ígyis elég nagy lesz majd. GeeLee: 8ohmon 500W-hoz már hidalni kéne, legalábbis az a legcálszerűbb, és akkor 150V-os fet is elég, hidalás nélkül viszont már necces, akkor már BCA topológiát kell használni (UcD vezérlése maradhat) nagyon gyors 250, vagy 300V-os fetek kellenek, és nagyon gyors diódák, meg egy jó nyákterv. ui: Meg azért egy rövidzárvédelem nem ártana bele, anélkül elég csenevészek.
Cimopata sokat dolgozott, hogy ne esen annyit a táp, de ez valóban nem lényeges probléma.
Jaja, 200V felett érdemes hidalni, de van egy-két 250V-os fet ami elég jó: IRFB4229 (ilyen nekem is van, és ki akarom próbálni), IRFB4332. Még 200V-os fetek: IRFB4020 (csak 8 Ohm terhelésre), IRFB4127 (ez kicsit többet bír a 4227-nél), IRFB4620 (kb mint 4020), STP80N20 (bár diódája nem túl jó, de sokat bír). Mondjuk IR-en kívül mást nem is nagyon soroltam, pedig van. A nagy teljesítménynek jelenleg határt szab a nagy prop. delay, ami korlátozza a modulációs indexet, így elég korán kijön a modulációs hiba, és amiatt kezd el torzítani. (mondjuk ezt nem mértem ki) A komparátor rendes bekötésével felére csökkentethető a teljes prop delay, így nőhet a torzítás nélküli kimeneti teljesítmény. Ha ezt sikerül javítani, akkor 250V FET-ekkel ezzel a kapcsolással 400-500W realizálható 8 ohmon. Rövidzárvédelemre arra gondoltam, hogy áramváltókat használnák. Cimopata szerint ez nem jó ötlet, de ahogy számoltam már egy nagyon pici porvasmag sem telítődne az 1 menet primertől, és így nem kéne brutál söntöket bepakolnom. A legjobb megoldás tudom, hogy a fet Rdson-jának használása lenne söntként, de azt elég nehéz megvalósítani.
Sajnos a "low profilos"tápnak jobban esett a feszültsége. Pontosan nem is emlékszem kb 800W körül volt ilyen esés amit írtál.
A 4229-re gondoltam, ha már veszek inkább olyat vennék. Hidalni nem nagyon szeretném, magában sem tűnik túl üzembiztosnak és 2x annyi alkatrész.
A hidalás pedig üzembiztonságot javít: gondolj csak a bus-pumpingra, ami teljes-híd esetén szinte megszűnik, és fél-hídban extrém esetekben túl viheti a FETek tűrésén a tápfeszt.
Természetesen 2x annyi FET-kel, de 100-150V kategóriában sokkal több olcsóbb fet van.
Túláramvédelem: Kicsit lapozz vissza, valahova beírtam egy tippet hogyan érdemes egyszerűen-jót csinálni.
Én nyákfólia csíkot használok söntnek, persze induktivitás szegényre kell tervezni. És nem is kell brutál sönt, hozzá lehet adni feszt a söntön esőhöz. Ha delay-en csökkenteni akarsz akkor: Fogd az UcD komparátor részét, és azzal hajsd meg az ir-t (megspórolsz egy adag segédtápfeszt, meg egy ic-t), ha elég ötletes vagy, még deadtime-ot is fogod tudni álítani jól. Ja, 250V-os fet is van egy-két jó, de drágák, jobban fognak melegedni, több zavart fognak adni, és talán a hangjuk se lesz olyan jó. Idézet: „Bevált védelem: Az alsó fet D-től és a felső fet S-től be kell iktatni egy-egy söntöt (célszerű a nyákfóliából kialakítani, indukciószegényen) az optóra a söntök két végpontjáról kell vinni a jelet, és úgy megcsinálni, hogy a tápfeszültségekből hozzáadni párszáz mV-t, így elég kisebb sönt is. (figyelembe kell venni tápfesz csökkenést is, stb-t...) ” Ezen gondolkodom majd. Neked konkrétan hány mOhm söntök vannak? Komparátor be az IR-be? Oda szinteltolás kell. Az IR2110 földje a negatív táp, míg a komparátor földje a táp özös. Természetesen egész hidas elrendezés esetén, szimpla tápnál elhagyható, még egy dolog az egész-hidas mellé. Jaja 250V ritka és drága. 100V és 150V hemzseg, és kisebb biztonsági tényező elég a kiválasztásnál.
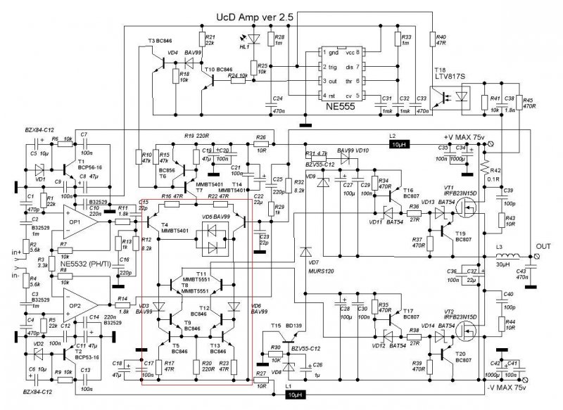
A pirossal bekarikázott részre gondolok.
Ez lenne a komparátor-szinteltoló része az UcD-nek. Ezt így ahogy van érdemes átvenni, mert nagyon gyors, de a (ezen a rajzon) MMBT5551-et meg a két diódát el kell hagyni. A BC847-ek kollektorára menne egy-egy ellenálás ami a IR tápjára lenne kötve, az ezeken lévő jeleket egy nand kapuval meg kell fordítani, és ha már nand kapuzunk, akkor érdemes berakni állítható Dt-t is. (+dióda-kondi-ellenálás/poti) A túláramvédelem pedig vagy a komparátor áramgenerátorát kapcsolja, vagy az IR segédtápját. Sönt: Kb. 600mV-t adtam hozzá a söntök jeléhez, és 3xA-nál kapcsolt le, az opto meg 1.2V körül nyitott, vagyis 17-20mOhm környékén voltak valahol.
Mindkét feten kell figyelni az áramot.
Mi van, ha kap egy rövidzárat a kimenet és a kimeneten pont egy 50Hz-es negatív hullámot kellene előállítani? Szerintem ez így nem atombiztos megoldás.
Szóval lényegében diszkrét komparátort javasolsz, ami szinteltolást is végez. Az eredeti UcD-ben ezért csinálta diszkrétre az egészet a tervzője...
A nand kapuzás szerintem feleslegesen bonyolult lenne, dead-time-al nincsen problémám, és a fet RD taggal jól szabályozható. 17-20mOhm sönt megváltás a 100mOhm-os képest, de még mindig soknak találom (20mOhm-os a fetem, induktivitásomat 15mOhmnak mértem legutóbb). Én 10mOhm alá szeretnék menni (a mindenkori FET Rdson feléjére). Az áramváltóról mit gondoltok? Lerajzoltam ötletemet. Így egyetlen pici porvasmag (mondjuk egy T37-2) elég lenne, az áttét mondaná meg, hogy hány ampernál váltson le, mondjuk 30A. Az elvi veszteségi ellenállás 1mOhm, persze lennének még a huzalveszteségek (becslésre 1-2mOhm), amiket még ki kell számolnom, de megvalósíthatónak tűnik a 10mOhm.
Ezt az előző rajzra írtad? Én ott nem a védelemről beszéltem, hanem arról a részről amit bekarikáztam, de ezt le is írtam a hozzászólásomban, amit azért érdemes lenne értően elolvasni.
Ha meg arról amit lorrylaci beidézett, azzal meg semmi gond, mert figyeli mindkét feten az áramot. lorylaci: Áramváltónál az 1ohmos ellenálásod úgyanúgy fűtene mint a két sönt. Amúgy az IRFB4227 átmeneti ellenálása csak üresen-hidegen annyi, üzem közben a magasabb hőmérséklet, stb. miatt eléri a 50-60mohmot is. Szóval akkor elfogadható az a 20mohm sönt nem?
Ja, elfelejtettem.
Mindenképp diszkrét komparátort, sokkal gyorsabb, és közel sem igényel annyi segédfeszt, meg alkatrészt. Nand kapuk is kelleni fognak, mert valamivel invertálnod kell.
A diszkrét komparátor és egyben szinteltoló valóban jobb, de a nand kapuzás annyit bonyolít rajta, hogy akkor egyszerűbb az LM311 meg a diszkrét szinteltolás. (+-12V segédtápfeszre amúgy is szükségem van az erősítő további részeinél, és aból a +-3V-ot csinálni már megéri).
A számításaim szerint a te 20mOhm söntöd egy határ 30A mellett 18W-ot fűt, az én söntöm 1W-ot fűtene (30-as áttet, feltételezve, hogy az ellenálláson kb 1V-nak kell esnie. Hát jaja 110°C körül kétszeresére felmegy. A te söntös megoldásod a legjobb eddig, amit olvastam, bár azt nem tudom elképzelni, hogy hogyan adsz hozzá feszt (külön úton ellenállás-dióda tag, és a dióda egyik felén van a opto kezdete?). A fetjeim elég kicsi hűtséssel is hidegeket maradnak, így maradnék a 10mOhm alá megyéssel.
Két ellenálás az optó két lába felé, ott egy kis kondi, és két ellenálás a két táp felől az optó két lábára.
LM311-el és azzal a szinteltolóval sokkal többet fogsz veszteni, mint az UcD-s komparátorral. A Dt állítás meg csak tipp volt, nekem jól jött amikor 400W kimenőnél torzítást méregettem... Túláramvédelemnek jó az áramváltós is, mondjuk ilyet én még nem csináltam, lehet azért tartok tőle. Mondjuk nem középre raknám, mert szép tüskék lesznek rajta, és azt az IR nem szereti a Vs lábon.
Sziasztok!
Nemrég hallottam ezekről a digitális erősítőkről, és azt már most látom, hogy sok előnyös tulajdonsággal rendelkeznek: Nagy hatásfok, ebből adódóan kis hűtőborda kell, ami kevesebb helyet foglal, kisebb a súly. Nem kell kétszeres táp, aminek a felével eddig csak a szobát fűtöttük, stb. Olvasgattam ezt a topikot, de úgy látom, hogy még nincs egy olyan bevált megoldás, mint mondjuk egy hagyományos erősítőnél. Vagyis eléggé gyerekcipőben jár ez az egész technológia. Gondolok itt arra, hogy például nem lehet vásárolni komplett elektronikai KIT-et, amiben megbíznék. Kísérleti szinten meg nincs időm ezekkel szórakozni, meg nem is igazán értek hozzá. Inkább egy bevált kapcsolást építenék meg, gondolom érthető, hogy miért. A jelenlegi erősítőim IC-sek TDA7293, 7294. Azokat elég jól ismerem, az egyedüli problémám velük, hogy óriási hűtőbordát igényelnek és zabálják az áramot. Most építenék egy 5.1 erősítőt, de ilyen IC-kel megvalósítva vagy a táp vagy az erősítő rész nem férne el a dobozban (gondoljunk bele, hogy 8-10 db ilyen IC-nek mekkora hely és hűtés kell). Tehát indokolt lenne a digitális erősítő. Az lenne a kérdésem, hogy - ezek a fajta erősítők és alkatrészei milyen hosszú élettartammal bírnak, összehasonlítva egy sima tranzisztoros erősítővel ? (Csak arra gondolok, hogy "kapcsoló üzemű tápegységet" PC táp, már hallottam tönkremenni, igaz, hogy az táp, ez meg erősítő, nem tudom van e hasonlóság) - hogyan viselik a rövidzárlatot, kell-e védelem ? - kell-e a hangfal elé DC védő áramkör? - jó volna kihozni 150W-ot 4-8 Ohm-on, 1% torzítás alatt. Megoldható ezekkel az erősítőkkel ? - mitől függ a teljesítményük? Most még elég sokat kell tanulmányoznom a témát, hogy egyáltalán megértsem a működési elvet stb, de gondoltam ezeket megkérdezem, mindjárt az elején, hogy van-e értelme foglalkozni velük. Amúgy melyik a legstabilabb verzió, amit készítettetek, és működik? Bocsánat az ostoba kérdésekért A válaszokat előre is köszönöm! zoka
Még egy kérdésem lenne.
TAS5162 ezek az IC-k tulajdonképpen hogyan használhatók ? Milyen alkatrészekre van szükség, hogy erősítőt építhessek belőlük? Ezeket ismeri valaki, esetleg foglalkozott vele valaki? Köszi, zoka
1. Az itt beszélt erősítők 99%-a NEM DIGITÁLIS, köze nincs a digitális technikához
2. olvasd el a most megjelent cikket, itt az oldaon, okosabb leszel sokkal 3. Nincs KIT? Adjak? Kérdéseidre: - tervezéstől függően sokkal hoszabb élettartammal. Mivel a tranzisztorok élettartama első közelítésben a hőmérsékeltnövekedésükkel fordítottan arányos, és mivel itt sokkal kevsebb a hő, ezért lazán tovább... De ez a megtervezettségtől függ - ugyanúgy mint bármely más, vagyis a beépített védelemtől függ, egy védelem nélküli B-osztáylú ugyanúgy elszáll... - mivel a kimeneti félhíd vagy teljes híd ugyanúgy néz ki mint egy B-osztályú ersőítő esetén, ezért ugyanaz vonatkozik DC-ben rá (ha elszáll egy félvéezető, tápág kerül ki mindkettőnél) - 0,1% torzítás alatt is lazán megoldható, ha kétkedsz mutatok sok-sok linket, ami olcsón a tied is lehet... - mitől függ a teljesítményük: lényegében az lakalmazott kapcsolás és félvezetők minőségétől, többit cikkben leírtam remélhetőleg pontosabban De ezeket a kérdéseket amgúy kb 20-20 oldalanként felteszik, és lényegében ugyanezek a válaszok rá. A TAS-IC-nél meg nézd meg az adatlapot, mert tuti van javasolt kapcsolás (mért paraméterekkel), valamint ovlasd el a cikkben az általános rendelkezéseket.
Köszönöm a segítséget
Elolvasom a cikket Üdv, zoka
Kedves Laci! Épp olvasom a cikkedet a d osztályról és látok egy kapcsolást, amin szerintem van egy kis elkötés. Az 1 es láb nem kap (emitter) ellenállást, a 7-es láb meg negatív tápra megy. Eléggé úgy tűnik, hogy el van rajzolva a komparátor IC-n ez a két dolog.
Szia!
Kösz az észrevételt, igyekszem mihamarabb javítani javítani!
A hibát megnéztem, kijavítottam, ezért nem elérhető most a cikk, hamarosan visszakerül.
Nézd meg a diszkrét (philips) UcD rajzot is talán az a legegyszerűbb, és elég sok példányban elkészítették már itthon és több országban is sikerrel. Talán a nyárra elkészül az enyém is...
szevasztok. Hát halljátok ti nagyon okosak vagytok ebben a technikában
Bevallom én nem, pedig örülnék ha én is nekiállnék és csinálnék egy ilyen kapcsolást vagy egy erősítőt de hát én nem vagyok othon ebben Na mindegy de én meg zenélgetek ritkán lejátszókkal és van is 2 végfokom (hagyományos) és nagyon kíváncsi lennék egy ilyen házilag elkészített digitális végfokra hogy mit tud és milyen hangminőséggel, mert én még csak nagyobb koncerten láttam és hallottam ilyen végfokokat és persze azok a magas árkategóriából. Na és valaki közületek csinált is már meg teljes 100%-a egy működőt?Mert látom itt nagyos sok írás a változtatásokról meg más alkatrészekkel megoldani valami kötést stb. Ja és engem még az idegesít kicsit ebben az új digitális végfok rendszerben hogy szerintem azért egy ilyen D-és végfok gyártása nincs is annyiba mint egy hagyományos trafósé mert gondolom a trafó a legdrágább az egészben. VAGY NEM JÓL GONDOLOM?? És csak azért kerül 10x annyiba mert hogy ez még egy újdonság a ha hangteknikánál hiába van már jó pár éve
Ja és még arra lennék kíváncsi hogy egy kb. 1200-1600W-os D végfok elkészítése mennyibe kerülhet így az alkatrészekből megsaccolva ?
Köszönöm válaszotok (már ha kapok)
NEM DIGITÁLIS!
Még akkor sem ha parasztvakításkénz a DJknek ezt mondogatják D-osztályú, vagy kapcsolóüzemű, vagy PWM végfok, egyéb elnevezésekre kérek javaslatokat. Olvasd el a cikket. Az alaktrészek "speckók", így drágábbak, de igazából a kifejlesztési költségek nagyságrenddel nagyobbak. |
Bejelentkezés
Hirdetés |








Na mindegy de én meg zenélgetek ritkán lejátszókkal és van is 2 végfokom (hagyományos) és nagyon kíváncsi lennék egy ilyen házilag elkészített digitális végfokra hogy mit tud és milyen hangminőséggel, mert én még csak nagyobb koncerten láttam és hallottam ilyen végfokokat és persze azok a magas árkategóriából. Na és valaki közületek csinált is már meg teljes 100%-a egy működőt?




