Fórum témák
» Több friss téma |
A hétfőt ékezethelyesen írja ki. Be tudod állítani, hogy a hétfőt írja ki? Mert ha helyesen kiírja, akkor jók a kódok és át lehet írni a többit is.
Szerk.: látom sikerült. Sok sikert!
Szia,
Nem is kell hogy megjelenjen semmi, a hex file.t símán lenyomja neked az IC-be és kész. A hex file betöltése után, ha kíváncsi vagy a config bitekre akkor megnézheted azt is. Mivel a hex formátum már ezeket a beállításokat is magában hordozza.
Köszönöm,de sehogy sem működik.MPLAB-ban: File menü-Import-rámutatok egy hex file-ra ezután az összes mező üres marad,semmilyen nézetben sem látok semmit...
![]() Esetleg nem tudsz olyan oldalt,ahol alap lcd-s programok találhatók asm-ben,16F887-hez?
Milyen égetőt használsz ? Minden égetőnek van saját programja ami csak a hex et "eszi" (amit feltettem asm -et azt próbáltad ?)
PICkit 2-m van,gyári...
Ehhez adtak egy MPLAB ID szoftvert...
Telepítsd fel a pickit 2 programját , a microchip oldaláról ingyen letöltheted .
Ja,és igen,kipróbáltam az általad küldött asm-et,és ezt írja ki:
Settings\PZ.R2D2\Asztal\PIC\44-Pin Demo Board\05 VS Rotate\VSRotate.o" is out of date. Executing: "C:\Program Files\Microchip\MPASM Suite\MPASMWIN.exe" /q /p16F887 "VSRotate.asm" /l"VSRotate.lst" /e"VSRotate.err" /d__DEBUG=1 Warning[205] C:\DOCUMENTS AND SETTINGS\PZ.R2D2\ASZTAL\PIC\44-PIN DEMO BOARD\05 VS ROTATE\VSROTATE.ASM 3 : Found directive in column 1. (__CONFIG) Warning[205] C:\DOCUMENTS AND SETTINGS\PZ.R2D2\ASZTAL\PIC\44-PIN DEMO BOARD\05 VS ROTATE\VSROTATE.ASM 4 : Found directive in column 1. (__CONFIG) Message[302] C:\DOCUMENTS AND SETTINGS\PZ.R2D2\ASZTAL\PIC\44-PIN DEMO BOARD\05 VS ROTATE\VSROTATE.ASM 485 : Register in operand not in bank 0. Ensure that bank bits are correct. Message[302] C:\DOCUMENTS AND SETTINGS\PZ.R2D2\ASZTAL\PIC\44-PIN DEMO BOARD\05 VS ROTATE\VSROTATE.ASM 486 : Register in operand not in bank 0. Ensure that bank bits are correct. Message[302] C:\DOCUMENTS AND SETTINGS\PZ.R2D2\ASZTAL\PIC\44-PIN DEMO BOARD\05 VS ROTATE\VSROTATE.ASM 487 : Register in operand not in bank 0. Ensure that bank bits are correct. Message[302] C:\DOCUMENTS AND SETTINGS\PZ.R2D2\ASZTAL\PIC\44-PIN DEMO BOARD\05 VS ROTATE\VSROTATE.ASM 488 : Register in operand not in bank 0. Ensure that bank bits are correct. Message[302] C:\DOCUMENTS AND SETTINGS\PZ.R2D2\ASZTAL\PIC\44-PIN DEMO BOARD\05 VS ROTATE\VSROTATE.ASM 489 : Register in operand not in bank 0. Ensure that bank bits are correct. Message[302] C:\DOCUMENTS AND SETTINGS\PZ.R2D2\ASZTAL\PIC\44-PIN DEMO BOARD\05 VS ROTATE\VSROTATE.ASM 490 : Register in operand not in bank 0. Ensure that bank bits are correct. Message[302] C:\DOCUMENTS AND SETTINGS\PZ.R2D2\ASZTAL\PIC\44-PIN DEMO BOARD\05 VS ROTATE\VSROTATE.ASM 568 : Register in operand not in bank 0. Ensure that bank bits are correct. Message[302] C:\DOCUMENTS AND SETTINGS\PZ.R2D2\ASZTAL\PIC\44-PIN DEMO BOARD\05 VS ROTATE\VSROTATE.ASM 569 : Register in operand not in bank 0. Ensure that bank bits are correct. Message[302] C:\DOCUMENTS AND SETTINGS\PZ.R2D2\ASZTAL\PIC\44-PIN DEMO BOARD\05 VS ROTATE\VSROTATE.ASM 572 : Register in operand not in bank 0. Ensure that bank bits are correct. Error[118] C:\DOCUMENTS AND SETTINGS\PZ.R2D2\ASZTAL\PIC\44-PIN DEMO BOARD\05 VS ROTATE\VSROTATE.ASM 781 : Overwriting previous address contents (2007) Error[118] C:\DOCUMENTS AND SETTINGS\PZ.R2D2\ASZTAL\PIC\44-PIN DEMO BOARD\05 VS ROTATE\VSROTATE.ASM 781 : Overwriting previous address contents (2007) Error[118] C:\DOCUMENTS AND SETTINGS\PZ.R2D2\ASZTAL\PIC\44-PIN DEMO BOARD\05 VS ROTATE\VSROTATE.ASM 781 : Overwriting previous address contents (2008) Error[118] C:\DOCUMENTS AND SETTINGS\PZ.R2D2\ASZTAL\PIC\44-PIN DEMO BOARD\05 VS ROTATE\VSROTATE.ASM 781 : Overwriting previous address contents (2008)
Tudok ajánlani egy jó kis összefoglaló oldalt, és még magyar is. Ezzel már boldogulnod kell. Igaz C-ben dolgozik, de a szöveg is elég beszédes.
http://esca.atomki.hu/PIC18/lcd.html
Hello mindenki!
Kaptam egy 240*128as grafikus kijelzőt, amit szeretnék az itthoni szerver gépemre kötni. jelenleg egy 4*20as alfanumerikus van rajta, ami gyönyörűen működik, viszont az újat nem tudom hogyan kell bekötni. megvan az adatlapja, de nem tudom mit hova kell kötni és nem szeretném elrontani. tud valaki segíteni nekem? a kijelző egy winstar wg240128b. a gépen van usb és lpt, jelenleg az utóbbit használom linux alatt lcdproc programmal. köszi
Sziasztok!
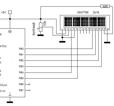
Eltelt a hosszú hétvége,és én voltam az adott idő alatt a legtöbb internetes oldalt megnéző ember,de az lcd-m még mindig sötét..Szóval a pic-em 16F887,és a kijelzőm HDD44780 kompatibilis.Van esetleg valakinek még tippje,hogy hol találhatók hozzá "asm" alap programok? Előre is köszönöm..
A pickit2 -t letöltötted ? Beégetted a hex et amit feltettem ? Ez tuti hogy működik (többen próbálták már)többféle picre átírva.
Szóval,a helyzet az,hogy ezeket ugye elvileg le sem kell töltenem,mert cd-n adták a PICkit2 Debug-hoz...
Viszont csak az MPLAB IDE-t szoktam használni,mert a PICkit 2v2.5 nem indul el a gépemen.Pedig azt hiszem,hogy azon lehetne közvetlenül hex-et is égetni.. Így én mindig csak assembler-t szoktam használni...
Hello!
MPLAB-al is lehet hex-et égetni, csak a File menűnél Importálni kell a hex file-t és már is a View/Program Memory-ban láthatod is, hogy ott van. üdv! proli007
Keresd meg valahol a donet fx progit is ,ha ez is megvan a pickitnek is menni kell.A fejlesztésre ugyanúgy használhatod az mp labot minteddig .
Szia!
Jogos! Tényleg ott van... És utána már csak simán "Programot" nyomok,ugye?
Mint rendesen, mikor lefordítottad az ASM-et...
Ok,köszönöm,megnézem azt a programot is.
De most megírtam a hex-edet,a legutóbb vázolt módon,és sajnos semmi.. ![]() Pedig a lábkiosztás az amit belinkeltél... A Te hex-edben 4Mhz-es a kvarc?
Tényleg,köszönöm.De hülye vagyok.Ez remélem itt a fórumozok között marad..
Köszönöm,kipróbáltam,de sajnos semmi.
Pedig tényleg sokadszorra néztem át a bekötésemet,a kijelző pedig új.Igaz azt csak az eladótól tudom,hogy HDD44780 kompatibilis.Magára a kijelzőre csak 1602A van írva.16 lába van,a világítással együtt..
A picre rá van kötve a kvarc mindkét lába ,és 15-22pf-os kondik is vannak ? A kontraszt potit is állítottad ?
Igen,igen,és a kvarc másik program esetén rendesen működik.A poti is be van kötve,ha teljesen eltekerem,akkor már átmennek fehérbe a "téglalapok"...
Szia,
Proteus szimulátorban összeraktam ahogy te is bekötnéd. A program a mikroC egyik példa programja, hiba nélkül ketyeg. Mellékelem a hex file-t, ami 4MHz kavicsra lett fordítva. Próbáld ki.
Szia!
Nagyon köszönöm,működik!!! Igaz,kicsit olyan halovány a szöveg,de így is nagy élmény. A potin hiába állítok,akkor is olyan sápadt. Ez gondolom lehet időzítési gond is. Végül a hex-et importáltam az MPLAB-ba.Nem tudod,hogy hogyan menthetném el assembler-ben? Akkor könnyebben tudnám alakítgatni a programot.
Na akkor csak összejött. Elküldöm a fordító által generált asm file-t. Mondjuk ebben a "C" sorok is megvannak kommentezve, talán okulásodra lehet. A potinak csak az egyik szélső tartománya az érdekes kontraszt szempontjából, ezért egy sok fordulatú helipot eredményesebb lehet.
Remélem segíthettem.
Hát ez érdekes.Az asm programra az MPLAB kb.15 hibával áll ki azonnal.
És most derült ki az is,hogy a kaqkk által küldött programok közül is,csak a hex működik.Ha az ő asm verzióját próbálom beégetni,szintén rengeteg hibával kiáll...
Én határozottan biztatnálak a "C"-re, ha csak nincs valami különleges oka az ASM vonzódásnak. Egyébbként nyilván a mikroC project kezelése lehet a ludas, mert ha megfigyeled Pl. include dolgok nincsennek a file-ban. Ez a dolog valószínűleg csak a saját környezetben műkszik.
A kontrasztot erdemes egy 4k7 ellenallas a tapra, es egy 1k poti a GND-re varival megoldani. Mellekletben egy ASM pelda 16F627-re. Ebben a LCD DB4-7 a RA 0-3 bitre, a RS, E pedig a RA 6-7 bitre van kotve. Termeszetesen ezt at kell irni ertelemszeruen a Te altalad hasznalt kapcsolasra, es PIC-re. A kapcsolason a JP2-re csatlakozik a LCD.
A hibák valószínűleg abból adódnak hogy a programot egy
flowcode nevű grafikus fejlesztőprogram segítségével készítettem , ami az asm casm filéket csak "mellékesen" készítí el a hex mellé . Ezért a te fordítód nem teljesen kompatibilis az "én asm filémmel" Ha a hex működik akkor a célt elértük (a kijelző beindult) Ez a hex kifejezetten csak a kijelző kipróbálása végett készült . |
Bejelentkezés
Hirdetés |







