Fórum témák

» Több friss téma
Fórum » Meteorológiai műholdvevő (137Mhz)
 
Témaindító: banday, idő: Nov 28, 2009
Témakörök:
Lapozás: OK   17 / 97
(#) Ferkógyerek válasza Ferkógyerek hozzászólására (») Jan 18, 2010 /
 
A csatolmány meg lemaradt.

átvitel.jpg
    
(#) pucuka válasza szilva hozzászólására (») Jan 18, 2010 /
 
Üdv!
Az analóg TV adók hangja 50 kHz lökettel, és 50 ms előkiemeléssel dogoznak (legalábbis a szabvány szerint, a reklámokra más szabvány vonatkozik) és ehhez tartozik a kb 120 kHz -es sávszélesség.
Az FM adók az EBU sávban 75 kHz lökettel, 75 ms előkiemeléssel dolgoznak, ez kb. 380 kHz sávszélességet jelent (sztereo adásnál), régen az OIRT sávban 50 kHz löket, és 75 ms előkiemelés volt a szabvány és a sávszélesség kb 300 kHz volt, de tudtommal erre nem voltak külön kerámiaszűrők.
A régi csöves rádiótelefon időkben az 50 kHz es csatornaosztásnál voltak szélesebb sávú KF szűrők, de azok mind hangolt kétkörös sávszűrök voltak, akkr még nemigen léteztek kerámia, és fellületszűrős rezonátorok.
(#) szendi001 válasza pucuka hozzászólására (») Jan 18, 2010 /
 
Akkor valoszinu kevesebb volt a zavaro ado is. Igaz zorgott a mozdony meg a villamos.
Talan az egytelen baja tobb hangolt kornek, hogy nehezebb elkesziteni, ezert a kinaiak is inkabb keramiaszurokkel szorjak tele a cuccokat.

Amugy az levalasztas nem optos szokott lenni hanem "sima" trafo (dibox), a szimmetrikus meghajtas eleg egyszeruen megoldhato par muveleti erositovel. Sokat szenvedtunk hasonlo problemakkal az epuleten beluli stutioban.

Zajszamot valoszinu lehet jol merni, de nem feltetlenul erzem hogy erdemes-e ezena frekin. 2 meterre ha az ember valaszt egy aranyaiban alacsony zaju fet-et, mar jok vagyunk, persze lehet hegyezni, de 1.2 dB vagy 1.8dB igazabol majdnem mindegy.

Viszont az FM401 ben talalhato 4 tagu bemeneti savszuro segithet sok probleman az eloerosito ele teve, a gyori foiskolan ilyet hasznaltak, teszek rola kepet. Sajan komoly muszer kell a hangolasahoz.

Szep Estet !
Joe
(#) szilva válasza pucuka hozzászólására (») Jan 19, 2010 /
 
Srácok, köszi a válaszokat!

Lehet, hogy akkor ez az irány vakvágány, de mint ahogy szendi001 is írja, egy több hangolt körös sávszűrő beállításához azért elkél egy elég komoly műszerpark. Sajnos nekem nincs ilyesmim, ebben a frekvenciatartományban sokmindent csak "sötétben tapogatózás" illetve "fül" alapján tudok állítani, ezért próbálom meg az ilyen beállítási igényt minimalizálni.
(#) szendi001 válasza pucuka hozzászólására (») Jan 19, 2010 /
 
Udv Pucuka!
Mit jelent az elokiemeles fm-nel?
Koszi Joe

(#) szendi001 válasza Ferkógyerek hozzászólására (») Jan 19, 2010 /
 
Szia Ferkogyerek!

Ezt mivel merted ki? Jol nez ki biztosan lehet hasznalni savszurohoz is.
Koszi Joe

modositom marmint hangolt koroshoz ez is szuro

Talaltam egy ausztral oldalt a programkep alapjan. DDS em van de soha nem tudtam szinkronizali a sweepet a szkoppal. Megoldana az RH atvitel meresi problemaimat azt hiszem
(#) kadarist válasza szendi001 hozzászólására (») Jan 19, 2010 /
 
Szia!
Ha nem baj, én válaszolok Neked.
Angolul: emphasis.
A hangfrekvenciás sáv frekvenciamenetét úgy korrigálják az adónál, hogy a nagyobb frekvenciákat kiemelik. A vevőnél ugyanilyen mértékkel elnyomják a kiemelt (nagyobb szintű) sávot. Ezt a jel-zajviszony javítása miatt alkalmazzák. A zaj (sistergés) a nagyobb frekis összetevőit hatásosan csillapítja ez a megoldás.emphasis
(#) szilva válasza szendi001 hozzászólására (») Jan 19, 2010 /
 
Az a pre-emphasis, aminek során a magashangokat megemelik moduláció előtt. Demoduláció után ezért egy magasvágó taggal helyre kell állítani az egyenes frekvenciamenetet.

Egyébiránt Pucuka azt írta, hogy 75us a pre-emphasis időállandója nálunk, de én ebben nem vagyok biztos. Nemrég kerestem erről is adatot, és a wikipédián annyit találtam, hogy az USA-ban és Kanadában 75us, mindenhol máshol (Európában is) 50us. Észak-Amerikában az FCC írja elő a 75us-ot, máshol a CCIR az 50us-ot. Amikor még OIRT rádiózást használtunk, akkor 50us volt, az biztos, de a rendszerváltás környéki átálláskor bennem is a 75us maradt meg, mint a "nyugati URH" pre-emphasisa. De most már végképp nem tudom, hogy akkor mi is az igazság. Pedig jó lenne tudni, mert van egy Pioneer tunerem, amin átkapcsolható a de-emphasis, és jó lenne tudni, hol kell állnia a kapcsolónak.
Bővebben: Link
(#) szendi001 válasza szilva hozzászólására (») Jan 19, 2010 /
 
Koszi a Gyors valaszokat, akkor kisse nyersen ez amolyan RIAA FM sajatossagokra optimalizalva.

Azon viszont elgondoloktam hogy az elnyomas egy ic mentes radioban mikeppen valosul meg? Tisztan nem megy at a kiemelt magashang demodulator utan?
Bele kel ujra olvasnom az FM modulalas leirasba.
(#) szilva válasza szendi001 hozzászólására (») Jan 19, 2010 /
 
Egy sima RC-tag kell a de-emphasishoz, egy korrekten megépített vevőben biztosan ott van. Ha máshogy nem, a demodulátor kimeneti ellenállásához méretezve egy párhuzamos kondenzátor.

Apropó: a műholdas FM adásnál használnak-e pre-emphasist, és ha igen, milyen időállandójút?
(#) Ferkógyerek válasza szendi001 hozzászólására (») Jan 19, 2010 /
 
Szia!Ezzel mértem ki. Nagyon hasznos kis műszer. Ez a nagyfrekvenciás műszerparkom gyöngyszeme, ráadásul saját építés.
Használható VFO-nak 200MHz-ig 1Hz-es lépésközzel, vobblerszkópnak, teljesítmény mérőnek, antenna analizátornak és a rezgőkvarcok összes paraméterét 1 gombnyomásra leméri. Nélülözhetetlen kvarcszűrők építéséhez. És mindezt külső mérőfejek nélkül.
(#) kadarist válasza szilva hozzászólására (») Jan 19, 2010 /
 
Szia!
APT-adásnál nincs szükség előkiemelésre, mert itt egy diszkrét (2,4 kHz-es) fekvenciával modulálják a vivőt, aminek az amplitúdóváltozása hordozza a képinformációt.
APT-adás
(#) szendi001 válasza Ferkógyerek hozzászólására (») Jan 19, 2010 /
 
Huu, meg haaa

Nagyon szep muszer. Nagyon szep munka!
Kovetkezo eletemben megprobalkozom ezzel, de mar regota agyalok azon hogy veszek egy gyari vobblert.
Udv JoeBővebben: Link
(#) szendi001 válasza kadarist hozzászólására (») Jan 19, 2010 /
 
Nekem itt a hq oldalan egy kondenzator jon be. lehet hogy atiranyit.
(#) kadarist válasza szendi001 hozzászólására (») Jan 19, 2010 /
 
Jaj, bocs! Mást linkeltem. Ez a jó:Bővebben: Link
Ez már egyszer szerepelt itt, de talán nem baj, ha még egyszer itt lesz.
(#) szendi001 válasza szendi001 hozzászólására (») Jan 19, 2010 /
 
Szep Estet!

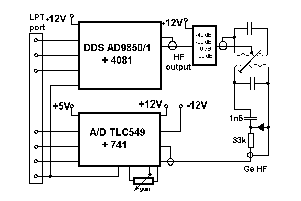
Szerintetek a Halicky fele DDS generatornal a nand kapuk mi celt szolgalnak? A kerdes azert kritikus, mert dds modulom van es akkor csak a demodulator fele kellene a muszerhez.

Koszi Joe

Bővebben: Link
(#) pivi1 válasza szendi001 hozzászólására (») Jan 19, 2010 /
 
Üdv!
Ezek az and kapuk azért vannak,hogy engedélyezéskor
mehessen csak tovább data,wclk,fqud.
(#) szendi001 válasza pivi1 hozzászólására (») Jan 20, 2010 /
 
Van ennek szerepe ennel a wobblernel? Nem talaltam blokkvazlatot. Visszafutas kioltas miatt van ez vegulis benne? Lehet h buta kerdesek, de nyakjat megmasziroztam szoval vasalhato majd felteszem ide.
(#) szendi001 hozzászólása Jan 20, 2010 /
 
JAJ ! Megerkezett az uj kincsem, az oktatos verzioju AM/FM tranzisztoros radio!
Kivettek keresemre a dobozabol, de teljes doksi jott, szoval kerem tekintsetek meg a nyak rajzolatat.
Nagyon nagy panel, A4 a hossza Nos tranzisztoros aranydetektor es savszuro kiserlet indul, de azonnal vasalok egy ugyanilyen nyakot, es azon kezdem el epiteni sajat alkatreszekkel is, hogy valami ragadjon ram.

Az egeszet a szabi alatt tervezem, lesz ra egy hetem es limitalva vagyok sulyban(muszerek), szoval ez a radio most 2 es fel hetig pihen, aztan napi rendszeressegel irok rola.

A TDA7010 es kitre raszortam a GDO jelet, de nem lehet osszehasonlitani a veteli minoseget az S042P keramiaszuro BA detektor triossal, szoval a tovabbi kiserleteket egy jobb minosegu vevo erdekeben elvetem.

Udv: Joe

fmam.JPG
    
(#) pivi1 válasza szendi001 hozzászólására (») Jan 20, 2010 /
 
Üdv Joe!
Nem buta kérdések,hanem elgondolkodtatóak.
Most pedig nagyon elgondolkodva szerintem, and-ok nem érintenek( dds-el együtt elhagyható).
Progit nem zavarná(szerintem!),dds-nek csak kifelé küld adatot.(data bit0,data bit1,data bit2)
Azért tisztázzuk hogy egyről beszélünk é?

block.png
    
(#) pivi1 válasza szendi001 hozzászólására (») Jan 20, 2010 /
 
Idézet:
„vasalok egy ugyanilyen nyakot, es azon kezdem el epiteni sajat alkatreszekkel is, hogy valami ragadjon ram.”

Vásárlás előtt hát nem ezzel kellett volna kezdeni.
(#) szendi001 válasza pivi1 hozzászólására (») Jan 20, 2010 /
 
Szia Pivi!

Ez az a blokkvazlat. AD9851 re vannak standard megoldasok, igazabol ez sem bonyolult de nekem van ketfele modulkam is, legalabb tesztelni eleg lenne.
A rajz stilusa fura egy kicsit... vissza kell neznem melyik lab mi, lehet hogy az egesz csak elvalaszto, de ha negalja a jelet a sima dds vezerlommel nem fog mukodni.

(#) szendi001 válasza pivi1 hozzászólására (») Jan 20, 2010 /
 
Nem ilyen egyszeru mukodo radiot is akartam .

Viccet felreteve, postaval volt 41 USD az osszes hangolt korrel es doksival. Amit ugye csak ossze kellene hanyni. De ha a sajat panelon osszerakom a fokozatokat, sokkal tobb ido kell a hangolashoz(egyedi kf ek) es valoszinu az atvitel is valtozik a josag miatt. megszereztem a kf tekercsek adatait, eleg keves kulonbseg van pl 4.5 uH helyett 3.1 vagy pl a kicsatolas egy menet helyett 2( jo jo ez nagy kulonbseg)

Ez az egesz kit egy tisztan tranzisztoros oktato kit 9 meresi jegyzokonyvel, agc, afc, vel, megepitese utan arra szamitok job vevoket tudok tervezni, vagy legalabb utanepiteni. Nyilvan barmilyen gyari ic alkalmazas ez utan egyszerubbnek hat, legyen kf vagy kevero.

Elkezdtem rajzolni egy nyakot a beultetes alapjan, de gyorsan kellett valami a szabira mivel en sielni utalok de oda rajzik az egesz csalad es remelhetoleg masok orulnek a panel tervnek ami jobb megoldas mint a bedugos probapanel(remelem lattad a linket )
Udv Joe
(#) ferzoo válasza szendi001 hozzászólására (») Jan 21, 2010 /
 
Az egyes fokozatokat részeket,tuner kf.hf.erősitőrész érd.úgy tervezni hogy külön panelon legyenek,viszont 1be építhető legyen bármikor.Valamint a mérőpontok kialakítása is +legyen előre tervezve,bemenet kimenet táp stb.hidegítő,v tranzisztornál emiter kondi helye.
(#) ferzoo válasza szendi001 hozzászólására (») Jan 21, 2010 /
 
Ezt úgy értem hogy a nf.bemeneti körök oszci,a kf.előerősítő tr,és frekimérő kimenet,leválasztó tr.fok.vagyis tuner,ónozott lemezből készült massziv dobozban legyen.A kf.erősitő dem.ic.és kiszolgáló alkatrészei,+hf.rész 1másik panelon legyen,az egész cucc egymásba csúsztatva csatlakozóval,egységet alkot.A táphoz,műszerhez minél rövidebb vezetéken csatlakozzon.Nálam ez vált be.
(#) atesz34 hozzászólása Jan 21, 2010 /
 
Sziasztok Guruk!

Van e jelentősége a "Visible" látható áthaladásoknak ?
erősebb e jel vagy nem.
ma is 2db not visible áthaladást vettem de gyenge volt a jel.

atesz
(#) kadarist válasza atesz34 hozzászólására (») Jan 21, 2010 /
 
Szia!
A "visible" azt jelenti, hogy az égbolt legyen eléggé sötét ahhoz, hogy szabad szemmel is látható legyen a műhold, de ne legyen nagyon késő sem, mert akkor a föld árnyékába kerül a műhold, és akkor meg azért nem látható. A jelerősség szempontjából nincs sok különbség. Legfeljebb az öregebb holdaknál lehet olyan jelenség, hogy az adóteljesítmény megnő, ha a nap meg tudja világítani a napelemeket, mert az akksik már kicsit öregecskék.
(#) szendi001 hozzászólása Jan 21, 2010 /
 
Beleolvastam a kitem doksijaba. Adtak a radiohoz egy erdekes szerszamot, "varazs vesszot" Egyik fele bronz masik vas kozte polimer, ha kozelited egy tekercshez egyik felevel lefele masikkal felfele maszik. Vegulis tekergetes nelkul lehet nezni hogy folfele vagy lefele erdemes hangolni a kf trafot. Logikus, de nekem uj volt.
(#) gg630504 válasza szendi001 hozzászólására (») Jan 21, 2010 /
 
(#) kadarist válasza szendi001 hozzászólására (») Jan 21, 2010 /
 
Tudod: rézmag vs. ferritmag. Ellentétes hatásúak!
Következő: »»   17 / 97
Bejelentkezés

Belépés

Hirdetés
XDT.hu
Az oldalon sütiket használunk a helyes működéshez. Bővebb információt az adatvédelmi szabályzatban olvashatsz. Megértettem