Fórum témák

» Több friss téma
Fórum » Quad 405 - teljes tuning
 
Témaindító: Takee, idő: Okt 7, 2005
Lapozás: OK   17 / 26
(#) deadlyroberta válasza Ge Lee hozzászólására (») Szept 20, 2011 /
 
Ez igy ahogy van igaz Köszi a linket. Mostmár csak el kell döntenem hogy fet vagy mj legyen a felujitás....
(#) Tiggey hozzászólása Nov 15, 2012 /
 
Üdv! Beleolvasgatok a fórumba, és azon vagyok elcsodálkozva, hogy egyesek szerint a Quad nem való PA célra. "nem bírja" Akiket az efféle hozzászólások elbizonytalanítanak, itt van egy kész, és egy remélem még idén elkészülő példány. /A kész példány 1KW-os +-70V-os tápról nyekereg/
(#) soos csaba válasza Tiggey hozzászólására (») Nov 15, 2012 /
 
Szevasz, egy rajzot nem tudnál fel tenni nekünk hogy miket változtattál a végfokon, hogy ekkora teljesítményt le tud adni?
(#) Tiggey válasza soos csaba hozzászólására (») Nov 16, 2012 /
 
Üdv! Rajz felesleges, eredeti. A vége van módosítva, de az a képből is kiszűrhető. Az alkatrészválogatás a legnagyobb lényeg. MJE+Japán tranyó mindenhol, Njm2068, 4580, vagy valami hasonló ic az elején. Sok PA bazárban ezeket a műveletiket használják.(eq, hangváltó, keverőpult stb.)Igaz duálok, csak a fele van használva. Nem kerül több ezerbe, de a célnak tökéletes. +-70V-ig nem igényel különösebb alakítást. Az felett meg majd kiderül. Tekercsek 2-es drótból vannak. A kész darab 4Db. 250-es Reflex megát hatékonyan tud hajtani. Nyákrajzot ne kérj, kézzel rajzolok.
(#) soos csaba válasza Tiggey hozzászólására (») Nov 16, 2012 /
 
Úgy nézem hogy a kis BC tranyókat is le cserélted valami BD, vagy MJ típusúra?, és a védelmet hogy cselezted ki, hogy ne korlátozzon?, ha te a 200W-os Urbán féle változatot tuningoltad meg, az is már korlátoz 150W-körűl kb., 8ohmon!, vagy egyáltalán nincs benne a védelem?. Amúgy +-70V-on nem fog neked le adni 1KW-ot szerintem egy panel!, esetleg ha hidalsz kettőt, úgy már eseleg!, egy ilyen panel ha minden rendben van vele ekkora fesz mellet, és ennyi finál tranyóval max 400W jöhet ki belőle 4ohmon. Az 1K/2W-os ellenállásokat sem látom, azok hol vannak, a 4 darab 1K/3W-osokat látom de a másik kettőt nem. Csak jó volna az a rajz, és ha lehet akkor írd az alkatrészek mellé az új értékeket, ha nem nagy kérés.
(#) Tiggey válasza soos csaba hozzászólására (») Nov 16, 2012 /
 
Nem az erősítő 1KW hanem a tápja. A borda mindkét oldalán van modul, tehát sztereó. 1K/3W ott van mind, csak nem látszik. Kapcsolásnak vedd alapul a 200W-ost, nekem is az az alap. A túláramvédelem meg módosítva a feszültségosztó ellenállásoknál. Ennyi.
A hozzászólás módosítva: Nov 17, 2012
(#) Tiggey válasza Tiggey hozzászólására (») Nov 16, 2012 /
 
Majd lesz egy kis időm, küldök egy rajzot, mi hogy áll. Most nagyon el vagyok veszve.
(#) soos csaba válasza Tiggey hozzászólására (») Nov 16, 2012 /
 
Szevasz, már alig várom hogy fel tedd a rajzot, én imádom a Quad-ot!, szeretném én is meg tuningolni, már össze gyűjtöttem egykét adatot innen a fórumról, hogy milyen alkatrészeken kell módosítani, hozzá tenni, ahhoz hogy több Wattot ki lehessen belőle szedni. Várom a rajzot!
(#) Tiggey válasza soos csaba hozzászólására (») Nov 16, 2012 /
 
Érdemes beleböngészni ha van rá idő, mert lehet hasznos dolgot is találni. De nem ide,hanem ahova először írtam. Ott vannak igazából a lényegi információk.
"A tuningolt (megerőszakolt) erősítőknek, van külön témája"
Ez a hozzászólás szerint ITT! lenne minden teljesítménynöveléssel kapcsolatos hozzászólás helye. Üdvözlöm a moderátort, és lesszíves a többi ide tartozó hozzászólást is átpakolni az átláthatóság érdekében.
(#) Tiggey válasza Tiggey hozzászólására (») Nov 16, 2012 /
 
Jövő héten tudok csak foglalkozni a dologgal, majd küldök egy rajzot.
(#) compaqamplifier válasza Tiggey hozzászólására (») Nov 18, 2012 /
 
Király vagy, gerber vagy hasonló layout cuccost tudsz-e mellékelni?
(#) elek tron válasza Tiggey hozzászólására (») Nov 19, 2012 /
 
igen, ez egy téves véleményezés. helyesen ugy szolna a megálapitás hogy *
A hozzászólás módosítva: Nov 19, 2012
(#) soldier007 hozzászólása Dec 3, 2012 / 1
 
Üdv mindenkinek!
Csináltam 2db 200wattos QUAD panelt MJ15003-mal müködnek, és az lenne a kérdésem hogy ha kicserélem az MJ-ket, MJ15024es tranyókra akkor mehetne e több fesz neki mert igy 60volt kell neki gyári adatok szerint. És 70voltról akarom hajtani őket. Lehetséges lenne ez???
(#) univerzum hozzászólása Jan 24, 2013 /
 
Üdvözletem, nem sűrűn járok erre, régen hallottam már quad-ot és nagyon tetszett, most is szeretnék csinálni de 20 wattra kellene mert akkora a hangszóróm. Van-e megoldás hogy ne is keljen akkora tápot használni, ne lehessen kivezérelni az felé?
(#) reloop válasza univerzum hozzászólására (») Jan 24, 2013 /
 
Szia! Mini Quad.
(#) univerzum válasza reloop hozzászólására (») Jan 24, 2013 /
 
Köszi szépen, ránézek
UI: de ebe nincs áramgen az alsó végfok tranyónál :S
Valaki még csinált egy bemutatócikket azt már nem tudom ki, az is nagyon tetszett.
A hozzászólás módosítva: Jan 24, 2013
(#) reloop válasza univerzum hozzászólására (») Jan 24, 2013 /
 
(#) univerzum válasza reloop hozzászólására (») Jan 25, 2013 /
 
Konkrétan erre gondoltam: http://www.hobbielektronika.hu/cikkek/a_quad_405_mukodese_mindenki_...l?pg=5
Rajz tetszik, de ezt valaki nem tökéletesítette?
A hozzászólás módosítva: Jan 25, 2013
(#) univerzum válasza (Felhasználó 13571) hozzászólására (») Jan 25, 2013 /
 
Igen értelek de ez csak 5öt erősít ami kevés.
(#) reloop válasza univerzum hozzászólására (») Jan 25, 2013 /
 
Ez hogy jött ki?
(#) szaka hozzászólása Aug 7, 2013 /
 
Sziasztok!

Van két db Gyári quad panelem. Felújjításra szorulnak. De mielőtt hozzá kezdenék érdeklődnék, hogy mit érdemes rajta változtatni a nagyobb, erőteljesebb és tisztább hangzásért?
Az alkatrészek nem mai darabok benne.

UA741 es ic van benne.

50 V ról fogom hajtani őket.
válaszotokat elöre is köszönöm!
(#) kadarist válasza szaka hozzászólására (») Aug 7, 2013 /
 
Szia!
Kezdd a 741 kigyomlálásával! Egy TL071 sokkal jobb lesz oda.
(#) reloop válasza szaka hozzászólására (») Aug 7, 2013 /
 
Szia! A 741-től búcsúzz el. Már az NE5534 is nagy ugrás, de választhatsz bele egy jó OPA-t pénztárcádtól függően.
Az 560 ohm ellenállásokat 5W-os ra cserélném. Van hely és jobban le tudják adni a rajtuk keletkező jelentős hőt.
A teljesítmény fokozat tranzisztorai hiányoznak (látom a NYÁK megsínylette a távozásukat ), milyen típusúak?
Az áramkorlátozó kritikus része még a kapcsolásnak. Van hozzá való kapcsolási rajzod? A 0,1 ohm-ból "magyarításra" következtek.
(#) szaka válasza reloop hozzászólására (») Aug 7, 2013 /
 
végtranyók BD 249 C volt benne, de most hallottam hogy annál jobb a 2N3773 .
nincs hozzá kapcsolásom.

igazábol azért vásároltam meg ezt az erősítöt hibásan mert még vagy 10-12 éve én építettem. Na de azokba én hobbyelektronikás gyári quad paneleket tettem és gondoltam nem vették ki belőle.
mikor levettem a fedelét kicsit meglepődtem hogy milyen módon nyultak bele .

az OPA az miylen? tehát NE5534OPA? vagy teljesen más tipus?
A hozzászólás módosítva: Aug 7, 2013
(#) reloop válasza szaka hozzászólására (») Aug 7, 2013 /
 
A beszámolók szerint a tranzisztor típusa nem rengeti meg ezt az erősítőt, az eredeti Quad is kommersz tranzisztorokkal készült. Odáig merészkedtem, hogy 2SC5200 a vége.
Az OPA-t például így értettem.
(#) szaka hozzászólása Aug 7, 2013 /
 
igen igen, régen volt olyan Quad-om is amiben 2n3055 tranyók voltak.
Akkor ezek a toshiba tranyók megállják a helyüket benne?
Árban egész olcsók (266 Ft)
Opa IC meg 600 Huf körül mozog. Ha sokat dob rajta és a lábkiosztás is egyezik akkor megveszem bele.

Meghajtó tranyók milyenek legyenek? (BD244 helyett)
(#) reloop válasza szaka hozzászólására (») Aug 7, 2013 /
 
Az MJE15031 elég finom audio célú meghajtó, de a BD-re sem hallottam panaszt.
(#) szaka válasza reloop hozzászólására (») Aug 7, 2013 /
 
akkor jó, mert pont van itthon belöle!
köszönöm az infókat!

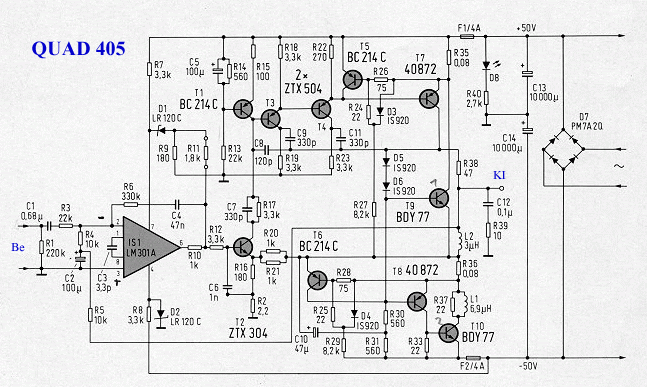
találtam egy hasonló kapcsolási rajzot mint ez.
kommentben irták ha nagyobb feszültségről használom akkor érdemes kicserélni az R9 ellenállást 220-240 ohm-ra.
Szerinted?

quad405.gif
    
(#) reloop válasza szaka hozzászólására (») Aug 7, 2013 /
 
Ezt látom hasonló rajznak.
Az R9 még az LM301 IC-hez tartozott - idejét múlt.
Szerk.: ilyen korú panelnél az elkók cseréjén is érdemes elgondolkodni, ha már egyszer kézben van.
A hozzászólás módosítva: Aug 7, 2013
(#) szaka válasza reloop hozzászólására (») Aug 7, 2013 /
 
értem!
tantál kondikat is kicseréljem?
Bár a panelon az IC nél 22nF kondi kellene bele erre van benne egy 10µF tantál kondi.
vissza tegyem az eredetit?
Következő: »»   17 / 26
Bejelentkezés

Belépés

Hirdetés
XDT.hu
Az oldalon sütiket használunk a helyes működéshez. Bővebb információt az adatvédelmi szabályzatban olvashatsz. Megértettem