Fórum témák
» Több friss téma |
Biztosan kell változtatni, azaz kísérletezni az ellenállások értékével, esetlegesen a 680 pf-el, a kívánt frekvencia érdekében.
Ugyanis az UJT szerkezeti felépítéséből adódóan… Ahol, az emitter mindegyik bázissal egy hagyományos diódát alkot, és a két bázis közötti ellenállás, amely két ellenállás soros kapcsolásával helyettesíthető, kb. 4…10kohm nagyságú. ( rBB) Ez, a rajz szerinti 2N2646 tip. UJT-nél, 4,7-9,1 Kohm..Tipikusan, 7kohm nagyságrendű. A helyettesítő tranzisztoroknál, biztosan más értékű lesz. ( Nem tudom, hogy mennyi?) A TIS43 tip. UJT ( már kifutott termék…), hasonló paraméterű ( rBB), mint a 2N2646.
Egy banális véletlen elvitt engem teljesen más irányba. Egyelőre nem kell UJT. Az történt, hogy lemerült a telepem, és akkor a gerjed-nem gerjed viszonylat 1 milliméteren belül került. Elkezdtem gondolkozni azon, miért van ez? Ugyebár a szupreg vevők is a szokásosnál nagyobb értékű ellenálláson keresztül kapják a + telepet, és ha az oszcilláció miatt megnő az áramfelvétel, lefullad. Nálam a Drain ellenállás már 10 Kohm, és azt már nem akartam tovább növelni, hanem azzal a kihasználatlan G2-vel kellene kezdeni valamit. Mi lenne, ha annak az osztóját a + telep helyett a Drain-re kötném? Jó lett, bár ekkor a potenciométert koppanásig a + felé kellett tekerni. Megmértem a feszültségeket, A D lábon pont a G2-re kívánatos 1 Volt közeli feszültség van, ezután simán egy 1 Mohmon keresztül G2-t a Drainre kötöttem, ilyenkor, ha begerjed, a megnőtt áramfelvétel miatt leesik az U Drain, és az lezárja a G2-n keresztül a FET-et, így leállítva az oszcillációt, igaz, a megoldás némi negatív visszacsatolást tartalmaz magában, de a korlátlan mértékben szabályozható pozitív visszacsatolással ez ellensúlyozható, tegnap a kínaiak borzasztó hangosan jöttek be, mert szerintem ez az esős időjárás valami különlegesen jó terjedést hozott. A Kossuth adón teljesen mindegy, van-e visszacsatolásom, a másik végén a fading miatt nehezen értékelhető a tesztelés, csak úgy értékelhető, ha két rádiót egyszerre kapcsolok be. Szerintem az AGC-vel rendelkező gyári rádiók hangja eltorzul, és felerősítik a zajokat,míg ez a visszacsatolt csak simán halkul, ami a hangerő szabályozóval könnyen utána állítható, de a hangja olyankor is tiszta marad. Az érzékenysége a gerjedés határán közel azonosnak tűnik a szupervevőkével. Azt az UJT-s szupreget, majd ha nagyon ráérek, lehet, hogy kipróbálom ultrarövidhullámon, csupán a kíváncsiság kielégítése végett, hogy mennyivel lehet jobb a sima 1 tranzisztoros szupregeknél, de nem hiszem hogy a próba után megtartom.
Üdv
Ma megint bütyköltem a rádiómat. A tekercset teljesen leárnyékoltam és egy kis botantennát kötöttem egy kondenzátoron keresztül a tekercshez.A kondenzátor értéke 10pf. Sokkal jobb lett a hangja és nem sistereg annyira,a hangolás is könnyebb mert szépen jönnek az adók egymás után.Ha sikerül pontosan az adóra hangolnom akkor a sistergés teljesen megszűnik. Tisztelettel Madzagos
Ha leárnyékoltad, akkor megépítheted elébe az előerősítőjét annak, amit a múltkor feltettél. Csak még 1 cső kellene akkor oda.
Az enyém is így, mielőtt elkezd begerjedni van egy kis halkuló szakasz. Sokkal könnyebb beállítani, hogy nem pont akkor gerjed be, amikor a leghangosabb.
Így hogy a tekercset leárnyékoltam egészen jó a hangereje. és nem kell a potmétert állítgatnom gerjedéshatárig. Elég csak a forgókondenzátorral hangolnom.
Semmiképpen, nem akartam befolyásolni, az …. Ismeretszerzési, tapasztalati, megismerési, megértési, tudási.. „ fázisaidat”!
Én!? Ezeken az 1960-as években…” Túlestem”! Mint, „ fiatal, tudásszomjas, tizenéves”! Anno!….” 3- tranzisztoros vevőt építettem szappantartóba…Mint, fiatal, versenyző….Amit, az iskolai órákon, hallgattam”! Amikor…Egy, OA1160-as dióda, 42Ft volt, egy P13B tranzisztor, 64Ft!...Egy, bőrszandál, meg 125Ft! ( 1964) Ami? Már, történelem!....Kit? Érdekel? Hasonló élményeket voltam, kénytelen átélni…Mint, amiről mostan…” Értekeztek”…. Nem is akarom, élményeiteket befolyásolni! Távol áll, tőlem. Érdeklődve olvasom, írásaitokat! Ha? Kell? Segítek! Üdv.! József A hozzászólás módosítva: Okt 2, 2013
Nem szeretnék neked csalódást okozni, de én is hasonló korú vagyok. Én is a 60-as 70-es években építgettem olyanokat, mint Te. Csak én annak idején még nem is konyítottam a dolgokhoz, és a pozitív visszacsatolásról olvasottakat is rosszul értelmeztem annak idején, és még nem léteztek olyasmik, mint UJT, meg FET, az akkori tranzisztorokkal a három tranzisztoros rádióm a töredékét sem tudta annak, amit ma 1 darab FET tud. Elméletben már legalább húsz éve sejtettem, hogy egy FET ezen a helyen sokkal többet kell tudjon, mint egy sima tranzisztor, de csak most jött el az ideje annak, hogy a gyakorlatban is kipróbáljak dolgokat, pótoljam, amit annak idején rosszul csináltam, vagy elmulasztottam. Sajnos azóta már a középhullámú rádiózás felett is eljárt az idő. Ha most nem kezdek el egy kicsit nosztalgiázni, azt sem tudnám, hogy a rádió Tiranát a kínaiak bérlik Albániában, és onnan sugároznak Magyarországra este 9 és 10 óra közt. Te ezt tudtad? Amúgy sokat segítettél az UJT helyettesítés ügyben, köszönöm, csupán zárójelben akartam volna megjegyezni, hogy kösz, de egyelőre mégsem próbálom ki, mert a sors másképp akarta.
Nem okoztál csalódást!
Nem gondoltam, hogy „ sebeket” tépek fel! Írásommal! Utólagos,elnézésedet kérem! A „kísérleteid olvasása” közben, engem is az, ifjúkori emlékek idéztek meg!...Próbáltam segíteni, emlékeim alapján! Nekem, nem tanult szakmám az „ elektronika”!…Vegyipari- Gépész mérnök, a becsületes szakmám. ( Már, mint nyugdíjas…) Az „ elektronika”!? Abból is, a „ gyenge áram”!?A „ gyengém”! „ A hobbim”! ( Bár!? Tanultam…) Így? Megértem, és értem is! „Iránykeresési szándékaidat, útkereséseidet, utólagos megértési igényedet.” Becsülöm is! Utólagos Megismerési, tanulási törekvéseidet, támogatom! Mindenkinek, példaképpen ajánlom! Nekem, már nem ez, az „útirány”!…. ”Középhullámon”?…Még!? Anno A „ Rádió Luxemburg”-ot hallgattam Sokszor, késő esti órákban…) Rövidhullámon”? „ Cseke László” SZER Teadélutánjait” Elérzékenyülve. Mint, „ kitörési szándékú fiatal!”… Boldog időszaka volt életemnek!....Nem, tagadom! Amit, most említesz… Adót, adókat?...Lehet? Én okozok csalódást Neked, hogy nem ismerem!? Amire figyelmeztetnélek! Bár, nincs jogom hozzá! „ Ne menj, a romok közé”!.... És bátorítólag! ” A romok között is, nő virág” És, nem akartalak semmi szándékodban befolyásoln Így, „UJT” tekintetében sem! „ A nosztalgia jegyében”! Üdv.! József A hozzászólás módosítva: Okt 2, 2013
Sziasztok,
építettem már ezt-azt, sőt AVR-ezgetni is szoktam. Szóval sok dologhoz értek, de van egy-két egészen alapvető dolog, amihez meg nem. TEA5711 IC-vel szeretnék egy AM/FM sztereó rádióvevőt építeni. A TDA7000 csak fm-et tud, monó, és állítólag az érzékenysége / szelektivitása sem elég jó, szóval a TEA5711 jobbnak tűnik. A végső cél majd az lenne, hogy ne kézzel kelljen egy kapacitást / tekercset hangolni, hanem mindezt egy AVR tegye, a user pedig az AVR-t vezérli, mondjuk nyomógombokkal vagy rotary encoder-rel vagy ilyesmi. AVR-rel sokkal több lehetőség van, fel lehet dobni LCD-vel, 7-szegmenses kijelzővel, LED-ekkel, PC-s kapcsolattal, szóval jópár évig elszórakoznék vele, és rengeteget tanulnék / fejlődnék. A kérdésem az lenne, hogy hogyan oldanátok meg a kapacitás változtatását az AVR-rel? A legostobább megoldás, hogy az AVR egy motort vezérel, aminek a tengelye egy forgókondenzátort állít. Ez túlbonyolított és pontatlan lenne, akkor is ha visszacsatolásként az AVR mérné az aktuális kapacitást. Szerintem van olyan kondi, amit lehet valahogy digitálisan szabályozni egy AVR-ből. Mi a neve az ilyen alkatrésznek, és mit lehet róla tudni? Először persze a kézzel szabályozós változatot építem meg úgy hogy tökéletesen működjön, az sem lesz egyszerű, aztán az AVR-es mókázás majd utána jön Köszönöm a segítséget
Szia!
Egy rádiót feszültséggel is lehet hangolni, ha a rezgőköri kapacitás varikap-diódával van megoldva.
Próbára, amíg kézzel hangolsz, jó a varicap. Utána is, ha valami akadályba ütközik, hogy szintézerrel hozd össze. Egy ilyen szintézer IC, azt hiszem egy darab 4 MHz-es kvarcból tud varázsolni akár hat számjegyű frekvenciát, vagy bármit, amit beleírnak. De ha már AVR, az ilyesmit a profik: frekvencia szintézer -rel csinálják. Én még az AVR-hez sem értek, de biztosan találni hozzá irodalmat, hogyan kell összekötni vele, illetve mit kell bele programozni, ezért vártam egy kicsit vele, hátha valaki olyan veti fel az ötletet, aki ért is hozzá.
Egy lehetséges megoldás igaz, hogy PIC-kel:Bővebben: Link A hozzászólás módosítva: Okt 5, 2013
Egyébként sztereo dekóder 12 voltra egy rakás van, de 3 voltosat csak a rádiós walkman-ekben találtam. TDA 70xx rádiót én sem láttam eddig még sztereóban. Lehet, hogy a 38 kHz-es segédvivőt ezek már nem viszik át? (Megpróbáljak egyet összedobni a modulos műhelyrádiómban?) Bár eddig én azt hittem, hogy a 100 kHz-es(Vagy még az alatti?) KF-es rádiókhoz még AFC-t sem lehet tervezni, azt lám, ezekben mégis van. Nem is akármilyen. Még Scan üzemmódban is beállítja őket az egyes adókra. Az érzékenységükre viszont nem lehet panasz, kevés ezeknél érzékenyebb rádió létezik. Zsebrádiónak talán éppen ezért ideális.
A hozzászólás módosítva: Okt 10, 2013
Üdv
Ma hallgattam az FM rádiómat és az a hiba jött ki hogy ha a hangerőt feltekerem akkor csúnyán sípol.Ha visszahalkítom akkor a sípolás megszűnik. Eddig ez nem volt, az a sejtésem hogy gerjed.Ezt okozhatja valamelyik alkatrész hibája? Az erősítő ECL82-vel van kivitelezve. Előre is köszönöm a segítséget.
A potméterről a trióda vezérlőrácsára menő vezetéket árnyékolt drótból csináld. Az árnyékolóharisnya egyik végét szabad csak földelni, célszerűen a rács felőlit, a trióda katódjára.
A hiba a káros pozitív visszacsatolás miatt van, a végpentóda anódköre visszahat a trióda rácskörére, azonos fázisban; persze csak megfelelő jelszint mellett gerjed. Ez a nem körültekintő huzalozás miatt is kialakulhat, de a nagy bemenő ellenállás miatt nehéz elkerülni, csak árnyékolással biztosítható a jó működés. Amikor a hangerőt feltekered, akkor a trióda rácsvezetéke még messzebb kerül a földponttól, még jobban érvényesülhet a visszaszórt nagyobb végpentóda-jel, amit kis hangerő mellett a lecsavart potméter kis ellenállása még söntöl, de nagy hangerőállás mellett már nem. A hozzászólás módosítva: Okt 12, 2013
Földpontok megfelelő kialakítása, potik házának földelése segíthet.
Holnap kipróbálom a javaslataitokat. Még annyit tennék hozzá hogy bekapcsolás után kb 5-6 perc múlva kezd el gerjedni. Köszönöm a segítségeteket!
Ha 5-6 perc, akkor lehet, hogy valamelyik alkatrész is lehet ludas, melegedő ellenállás, szivárgó kondenzátor... Illetve a kapacitását elvesztő szűrőkondenzátor. De az árnyékolás mindenképpen célszerű!
A csőhibát azt kiküszöböltem cserecsövekkel. Másik ugyanilyen csővel is ugyanaz a hiba.
A gerjedést sokszor a rossz elrendezés okozza. Nálam például a hangszórót nem lehetett eleinte közeltenni a ferrit antennához. Milyen jó, hogy a mostani rádióm nem audion? Akkor ebben a dobozban nem működhetne. A nagyfrekis részben a csatoló kondenzátorokat addig csökkentettem, amíg a jelenség megszűnt. Nálad is jó lenne tudni, hogy melyik csőfél gerjed, és milyen frekvencián? Hidegítéssel, vagy árnyékolással vagy a vezetékelés másmilyen elrendezésével biztosan kezelhető, ilyenkor az ember néha sok felesleges kört megtesz, mire a valódi hiba kiderül, sokszor, miután mindent elkövetett, és mégsem sikerült megoldani, olyankor jut eszébe valami jelentéktelen apróság, ami a valódi kiváltó ok.
A hozzászólás módosítva: Okt 13, 2013
Az elrendezés szerintem jó mert ez a hiba több napi használat után jött ki. Az erősítő csőnél van a gerjedés.
Megtaláltam a hibát az egyik ellenállás meg volt nyúlva a melegedés hatására,és volt egy hideg forrasztás is.
Kijavítottam a hibát és szépen szól újra a rádióm. Köszönöm mindenkinek a segítséget.
Üdvözletem!
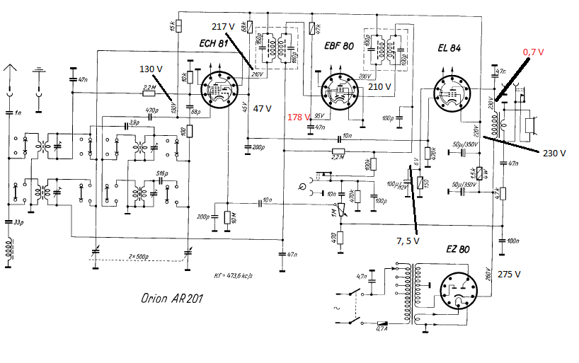
Mostanra oda jutottam, hogy minden alkatrész helyetfoglalt az alaplapon, de beszéljenek a képek. Mint azt már említettem az Orion AR201 kapcsolási rajza volt az alap, de itt-ott kellett variálnom sokszor persze kényszerből. Forgókondi, potméter, modulátor és oszcillátor-tekercs Orion 228B-ből valóak. KF trafók VT545-ből vannak bár tudom hogy ezeknek kicsit eltérő a középfrekvenciájuk. Hálózati-kimenőtrafó, skálavilágítás, egyenirányítás videoton 4902-ből származnak. Van benne pár vadiúj ellenállás, kondenzátor. Alaplapot én készítettem, aluminium lemezből. Sajnos sok helyen nélkülözi a kivitelezés a derékszöget és a párhuzamot ami leginkább a kf trafóknál érhető utol. Mikor először bekapcsoltam nem kellett csalódnom. Nem működött. Halk búgásszerű zaj a hangszóróban, aminek a frekvenciája változik a forgókondi állásával. Most majd megmérem a feszültségeket, és ahol eltérés van a rajzhoz képest szertenézek.Bocsánat a hosszért! A hozzászólás módosítva: Okt 17, 2013
A tekercsek bekötése sem mindegy ám! Amúgy szép lesz ez! Azt tudod ellenőrizni, hogy a végfokozat(látom, EL 84), működik-e? Illetve van-e megfelelő tápfeszültség? Ha ezek megvannak, akár egy AM szignálból, akár függvény generátorból adsz jelet először a demodulátor diódára, ha ez jó, akkor a KF erősítőcső(ECH 81 heptóda rész) vezérlő rácsára. Ha ez is jó, akkor szkóppal az oszcillátort ellenőrzöd, illetve a bemeneti részt. Ez utóbbinál olyan tartomány kell, amit átfog a rádió.
Köszönöm de nekem nincsenek ilyen eszközeim. Ennél sokkal primitívebb szerszámokkal kell majd a probléma végére járnom. Mint ahogy az alaplapot is két deszka között, egy satuban kalapáccsal hajlítottam. Ha nem sikerül én ezt is fél sikernek tekintem egyelőre ennek is örülök.
A tekercsek bekötésére figyeltem, nem gondolnám, hogy ott a gond.
Sajnos ilyen eszközök nélkül nem megy. Egy alaplap elkészítése még OK, de sajnos az elektronokat még nem látjuk. Ha már van egy multiméter, az is jó sok dologra.
Elnézést félreérthető voltam. Szkópom és szignál generátorom nincs, multiméterem azért van. Írtam is hogy mérek feszültségeket.
Én kérek elnézést, mert nem olvastam vissza. Egy egyszerű szignált, akár csövekkel, sem nehéz összedobni. Persze nem szükséges az egykori EMG színvonala, megteszi az egyszerű amatőr is. Szkóp már macerásabb, de van progi PC-re, igaz, hogy kb. 20 kHz-ig jó, tehát egy nagyfrekis oszcillátort nem tudsz ellenőrizni.
|
Bejelentkezés
Hirdetés |






Egy lehetséges megoldás igaz, hogy PIC-kel:
Kijavítottam a hibát és szépen szól újra a rádióm.
Mikor először bekapcsoltam nem kellett csalódnom. Nem működött.
Halk búgásszerű zaj a hangszóróban, aminek a frekvenciája változik a forgókondi állásával. Most majd megmérem a feszültségeket, és ahol eltérés van a rajzhoz képest szertenézek.





