Fórum témák
» Több friss téma |
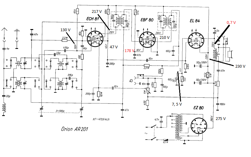
Majd alakul, holnap folytatom. Mára ott hagytam abba, hogy megmértem a rajzon feltüntetett ponotkon a feszültségeket.
Ha az EL84 anódján csak 0,7V-ot mérsz, akkor valami fatális hiba van a végfokban, ott 230V körül kellene lenni.
Ha a kapcsolási rajzot teljesen lemásoltad, akkor vagy szakadt a kimenő, vagy nem csatlakoztattad a pufferkondi + pólusához a kimenő másik vezetékét. Ha benne van a 47 nF-os kondi, érdemes azt is megmérni, esetleg kivenni.
Megoldódott a gond a végfoknál. Most már 245 V mérhető. Hangosan gerjed, hangerővel nincs gond. Beforgatott f.kondinál darázszümmögésre emlékeztető hang, félállásnál mintha találnék egy adót, de csak erős gerjedés hallható. Teljesen kiforgatott f.kondinál mélyül a zümmögés és végül kattogás. Körülnézek oszc. és mod. körül meg a kf trafóknál. Jobb ötletem egyelőre nincs.
A hozzászólás módosítva: Okt 18, 2013
Ott cseréld a kivezetéseit a tekercseknek, illetve ellenőrizd a hidegítő kondikat.
Szia! Felülről még csak jól néz ki, de alul az a csirkebél játékra emlékeztető huzalozás, az lenne csoda, ha nem gerjedne. A nyomtatott áramkörök feltalálása előtt bakelit kapocsléceket használtak a kisebb alkatrészek rögzítésére ott alul. A tekercskészletek gyáriak? Az a szépen egymás mellett sorakozó négy cső is lehet, hogy így jól mutat, de nem így szokták elhelyezni őket. Az ECH 81-et és az oszcillátortekercset én például közvetlenül a forgókondenzátor mellé tenném, hogy minél rövidebb vezetékekkel kelljen összekötni őket. (Antenna tekercsként meg én mindenképpen ferrit antennát tennék, akár csöves, akár retro a dolog, a mai zavarforrásokkal teli világban avval szólna a legtisztábban) (Akár szentségtörés, akár nem, még a muzeális régi Orion rádióba is azt tettem, az aljában jól elrejtve, igaz, a KF szűrőt barmolta benne valaki, azért nem jött rajta a Kossuth, de végül is nem bánta a gazdája sem a ferrit antennát, mert azzal tisztább a vétel, mint különféle az antenna hüvelybe dugdosott drótokkal.). Ennyi csővel szupervevő már üvölt a ferritről is Kossuthon. Mondjuk annak az egy adónak a kedvéért már nem érdemes szupervevőt építeni középhullámra. A kínaiak Tiranából még a legszuperebb rádiókon se jönnek be tisztábban, mint az egyenes vevőmön. Sajnos, ma már ott tartunk, hogy ezeken kívül még van kilenc román adó, amelyik mind ugyanazt a műsort sugározza, ez ma a középhullám.
Igen igazad van. Gerjedésre énis számítottam de nem gondolnám, hogy a rutintalan elrendezés teljesen lehetetlenné teszi a vételt. Egy kis "életjelet" talán még így is mutathatna. Kapocslécet énis használtam, több-kevesebb sikerrel. A tekercskészletek Orion 228B-ből valóak, ami egy telepes készülék. Mivel nem találtam irodalmat melyből kiderült volna, hogy telepes és hálózati tekercskészlet között van-e különbség megkockáztattam, mint annyi minden másnál is. Hiszen a korlátozott bontott alkatrészkészletből nem tehetek bármit.
Remélem nem gondolod hogy azért építek szupervevőt mert a Kossuthot akarom hallgatni. "Nem a cél, hanem az odáig elvezető út a fontos". Ha működik csinálok neki egy dobozt, szombatonként kabarét meghallgatom Kossuthon, meg teszek bele egy FM vevőt és Petőfit hallgatok nagyritkán. Ennyi.De az sem baj ha nem fog működni, eddig is éppen eleget adot ez a kis projekt nekem. Azon azért vitatkozhatnánk, hogy csak az általad felsoroltak lennének foghatóak KH-n, de tényleg nem fontos. Jobban megnézve nem kizárt hogy az egyik KF is el lett tekergetve. Cserélgettem a bekötéseket is oszcillátor és modulátor tekercseknél, de semmi. 47K ellenállás után 200 V-ot mértem kiforgatott, és 10 V-al kevesebbet beforgatott forgókondi állásnál. Furcsa, hiszen mostmár minden más ponton az előírt feszültségeket mérem. A hozzászólás módosítva: Okt 18, 2013
A KF-ek, mindegy, hogy milyen rádióban voltak, ha nem szakadtak, és jók a kondenzátorok, akkor jók kell, hogy legyenek. Az oszcillátorral viszont oszcilloszkóp híján meg fogsz szenvedni. Már az is nagy baj, ha vadrezgéseket termel, gerjed, de ha a sáv valamelyik végén leáll, azzal sem tudsz komolyabb műszerek nélkül mit kezdeni. Legalább készíts egy diódás nagyfrekvenciás mérőfejet a multiméteredhez, hogy tudjad indikálni, milyen tekercs bekötésnél működik az oszcillátor? Az sem jó, ha az rászór az antenna köri tekercsre, mert igen zavaros, kevert jelek tudnak akkor előállni. Ha a két tekercs közül, amit ott alul látok, az egyik az oszcillátoré, (Gondolom, hullámváltó, és rövidhullám nincs benne?) akkor azok úgy nem lesznek jók egymás mellett. A fém alaplemez két különböző oldalára tenném őket. A KF.ek behangolása, ha már szól, még fülre is gyerekjáték. Volt tanítómesterem mondta, ha egy rádió tök süket, akkor egész biztosan az oszcillátora nem megy. De az sem jó, ha mondjuk rövidhullámon gerjed. A többi tényleg annyira nem számít, de ezt a részt a lehető legrövidebb vezetékekkel kellene próbálni megoldani. a többi, amit az előzőben írtam, pusztán vélemény, főleg éjszaka van sok adó, de magyarul egyedül csak a kínaiak beszélnek, meg egy-két vallási műsor van viszonylag rövid ideig magyarul.
Értem és köszönöm a tanácsot! Legközelebbi próbálkozásomnál meszebb fogom tenni őket. Remélem segít a dolgon. Sejtvén, hogy volt csavargatva a KF gondoltam kísérletezgetek. Mértem a feszültséget a 47 K-os ellenállás után és a mag kijjebb csavarásával sikerült 98 V-ot elérni.
Továbbra sem fedeztem fel elkötést, rossz alkatrészt.
A gerjedés ügyben próbáltad-e a kimenő primerkivezetéseit felcserélni, lehet, hogy csak amiatt gerjed?
Primitívebb szerszámod lehet pl.: a
"varázspálca" -> 10-15 cm hosszú csődarab (egyébb szigetelőanyagú) pálca aminek egyik végébe rézmagot (csavar vastagabb drót), másik végébe ferrit magot dugsz. Egyik végével növelheted másik végével csökkenteni tudod a tekercsek értékét. Ezeket a változásokat füll után indikálva , a már "majdnem működő" szuper készüléket is belehet hangolni. Ennél trükkösebb és körmönfontabb elméleti síkon haladó javítási és hangolási metódusokat is olvasgattam egy régi könyvben 194x kiadású talán Makay írást. Egyenes és szupervevőkre egyaránt.Akkoriban a rádiójavítóknak jó ha 1 deprez műszerük volt. DE ! Jelenleg nem kell ennyire sötétben tapogatni. Frekvenciamérőt így is lehet csinálni: 30MHzig-olcso,egyszeru masodik aramkorre gondoltam,mert 2 van a link mogott Ezzel Kb.:1KHz pontosságot érhetsz el.Kapcsolgatni és számolgatni kell hozzá de olcsó egyszerű és kicsi.Ennyi alkatrészből nem is olyan rossz lehetőség ez !Ez elé bármilyen 2 3 tranzisztoros 100KHz-10MHz (30MHz) működő oszcillátort, mint szignál generátor, építhetsz amivel megtudod szólítani az építés alatt álló HH KH RH rádióidat. Sok sikert!
Sziasztok!
Most akadtam a youtube-on egy videóba, megnéztem az illető összes videóját, nem semmi, hogy mit hozott össze. Nekem tetszik. Bővebben: Link
Igen, ezek otthon is összehozhatóak. Kár, hogy németül egy szót sem értek.
Érdekes, nekem fura mánia ez a félvezető nélküliség, (Ohne halbleiter) még a sztereo dekóderben is.
A legesleg érthetetlenebb az, hogy még a diódák is elektroncsövek, pedig a tűs diódákat már legalább vagy 60 éve ismerik. Van ennek egyáltalán valami előnye, vagy csupán csak hóbort?
Van egy kis negatív visszacsatolás a szekunder tekercsről a hangerő potméter aljára. Szerintem fokozatonként ellenőrizd le a készüléked. Hangfrekvenciásan a lemezjátszó bemenetről kipróbálható. Jobb híján akár egy működő kis zsebrádió fülhallgató kimenetéről is, de ha a mérőzsinórral oda nyúlok, és rendesen brummog, nekem az is elég, én már abból is hallom, hogy jó-e egy erősítő. A negatív vcs. hogy tényleg negatív-e, a kimenőtrafó kivezetéseinek felcserélésével eldönthető, de ha a forgókondenzátor tekerésére így reagál, akkor lehet, hogy az ECH 81 körül van a gubanc. Nem tudom, hogy a donor rádió KF-je hány kHz-es volt eredetileg? Addig, míg nem hallasz semmit, kár tekergetni. Ha az 455 kHz-es, ami egyáltalán nem biztos ilyen régi tekercseknél, akkor a zsebrádióból ki lehet lógatni pár pF-es kondenzátoron keresztül akár a KF-et, akár az oszci jelet. Mondjuk ha van olyan, ami könnyen szétkapható, és jól eligazodsz benne. egy- két tranzisztorral könnyen, rövid idő alatt összedobható egy kis elemmel működő hangfrekvenciás, vagy egy KF hangoló generátor is.
Sziasztok, látom hogy többen is müszertippeket adnak. Akkor én is adnék eggyet. Ezt a rádiófrekvenciás jelindikátort oszcillátorok működőképességének ellenőrizésére lehet használni, igaz hogy pontos méréseket nem lehet vele végezni, csak indikálni, de arra kiváló. A raztot Antennaman fórumtársunk rajzolta.
A felső rajz az.
Ezeknek a KF-eknek szerintem a frekije:473,6 kHz. Az Orion még a ^60-as években is ezt alkalmazta. A 455kHz a piezoszűrökkel lett "szabvány" később.
Köszönöm
Rádiófrekvenciás célokra ilyen két diódás mérőfejet kell hozzájuk alkotni. Van egy csővoltmérőm, amihez gyári tartozék egy ilyen mérőfej, tapintócsúccsal, de azt gondolom, hogy kevesen rendelkeznek ilyennel, de házilag könnyen megoldható, és bármilyen műszerrel lehet használni. A hozzászólás módosítva: Okt 20, 2013
Sziasztok! Készítettem egyszerű hangolásjelzőt a TDA7088-hoz. Eszembe jutott, hogy a Conrad készletben egy nagyméretű Deprez műszer van, hátulról egy fehér fényű LED-del megvilágítva, nagyon feldobja a küllemét, látványos, és hasznos is, mert az AFC benntartási tartományon belül elég sokat lehet tekerni a gombon, és soha nem tudja az ember, ha a rádió gyakran leugrál egy adóról, hogy azt miért teszi, pláne ha az már egyébként minden szempontból tökéletes. A hangolásjelző manuális hangolás esetén segít azt tökéletesen az AFC benntartási tartomány közepére beállítani Íme a rajz: A Zener dióda nálam ZF 3,9 annak az értékét kísérletileg kell megállapítani, értéke a tápfesz. stabilizátortól függ, és gondolom, IC-n ként kissé különbözhet ott a kimenő feszültség. és A Zenerrel sorba kötött LED csupán a Zener feszültség megtoldására van ott, nem világít. A tranzisztor kollektorával sorban levő zöld LED- nek nincsen előtét ellenállása, mert a tranzisztor árama a Zener diódákkal úgy van beállítva, hogy a LED éppen csak nagyon halványan világítson, állomásra hangolva szépen jelez, de az árama soha nem haladja meg az 5 mA-t, ezért nem kell neki előtét.
A hozzászólás módosítva: Okt 20, 2013
Köszönöm a sok tippet! A KF-ek 450 Khz-ek VT545-ben voltak. Majd írok a fejleményekről.
Ennek is már látod, hogy van ferrit antennája? Pedig milyen régi. A gerjedéssel jutottál valamire? Én is megnéztem apósnál azt a Junior fantázianevű csöves R4100 VT rádiót. Teljesen jó, csak törött az eleje, meg amúgy is ronda a doboza. Csak a családomban lebeszélnek arról, hogy asztaloskodjak, mondván, az nagyon nagy munka, pedig amióta megvan a dekopír fűrészem, kézbe még nem vettem. Addig is nézegetem a régi rádiókat, amíg nem lesz rá rendesen időm, hogy milyen új házat is kellene faragni neki? Az is lehet, hogy csak előlapot, mert az oldala nem is olyan csúnya?
Az 545-kben tényleg 450kHz-es kftrafók voltak, de akkor az osc., és mod. tekercsek is ajánlatos, hogy szintén abból valók legyenek.
A hozzászólás módosítva: Okt 20, 2013
Ha mégsem egyugyanazon készülékből valók a kf trafók és tekercsek, akkor sincs gond mert a 450kHz és leggyakrabban használt 473,6kHz-es kf-ek közötti külömbség csak 23kHz. Ennyit lazán lehet hangolni akár kf akár rezgőköri oldalon. Másrészt egyetlen tekercs sem tekinthető behangoltnak az újonan megépített készülékben még akkor sem, ha kiszerelés közben nem lett elmozdítva a vasmag.
üdv. sz_f
Igen tudom hogy van benne ferrit, bontottam ilyen rádiót. Egyébként a skálavilágtás "póznájára" felfér még a ferrit is. Eleinte azzal terveztem, és lehet hogy rákerül majd. Ma fogok csak próbálgatni, nemsok szabadidőm volt.
Az imént próbálgattam. Eltettem egymás mellől a tekercseket, egy-egy KF serleggel le is árnyékoltam őket ideiglenesen, de semmi pozitív változás. Kipróbáltam csak a végfokot és nagyon szépen, tisztán szól, vizont ha letekerem a hangerőt teljesen, hallható a morgásszerű gerjedés. Brumm csak hangszóróhoz hajolva hallhatató.
A 2 gyári rezgőkört nem kellene esetleg hidegen/melegen valamivel megrezegtetni?
GDO , külső generátor és RF csővoltmérő , belőlük valamilyen oszcillátort építve megnézni milyen értékek körül rezegnek? Jó persze valami gyári tekercskészlet amit használsz, van bennük 50-60 év , némi ilyen olyan behatások érték azóta.Jó lenne valósabb képet ismerni róluk . Digitmultid kevés ezen értékek megismeréséhez. Najó az oszci/keverő ben lévő oszcillátor rezgőkörök működése értékelhető van-e rezgés(diódás csúcsdetektorral) ... de hogy hol (esetleg vmi szélesebb sávú vevő ami KH+/- KF frekvenciák körül hangolható ha frekvencia mérőd nincs) ?
KF szűrő esetében a 23kHz bizony nem kevés, merthogy az átviteli sávszélesség nem lehet több, mint 9 kHz!
|
Bejelentkezés
Hirdetés |





"Nem a cél, hanem az odáig elvezető út a fontos". Ha működik csinálok neki egy dobozt, szombatonként kabarét meghallgatom Kossuthon, meg teszek bele egy FM vevőt és Petőfit hallgatok nagyritkán. Ennyi.
!
A legesleg érthetetlenebb az, hogy még a diódák is elektroncsövek, pedig a tűs diódákat már legalább vagy 60 éve ismerik. Van ennek egyáltalán valami előnye, vagy csupán csak hóbort?
Rádiófrekvenciás célokra ilyen két diódás mérőfejet kell hozzájuk alkotni. Van egy csővoltmérőm, amihez gyári tartozék egy ilyen mérőfej, tapintócsúccsal, de azt gondolom, hogy kevesen rendelkeznek ilyennel, de házilag könnyen megoldható, és bármilyen műszerrel lehet használni.







