Fórum témák
» Több friss téma |
Találtam egy viszonylag egyszerűen megépíthető sweep generátort megvalósító kapcsolást.
Szerintetek megfelelő lenne számomra? A hozzászólás módosítva: Okt 14, 2017
Ez egy fűrészjel-generátor. Ehhez kell még egy hangfrekis generátor, amit megsweepeltetsz ezzel a jellel.
Értem.
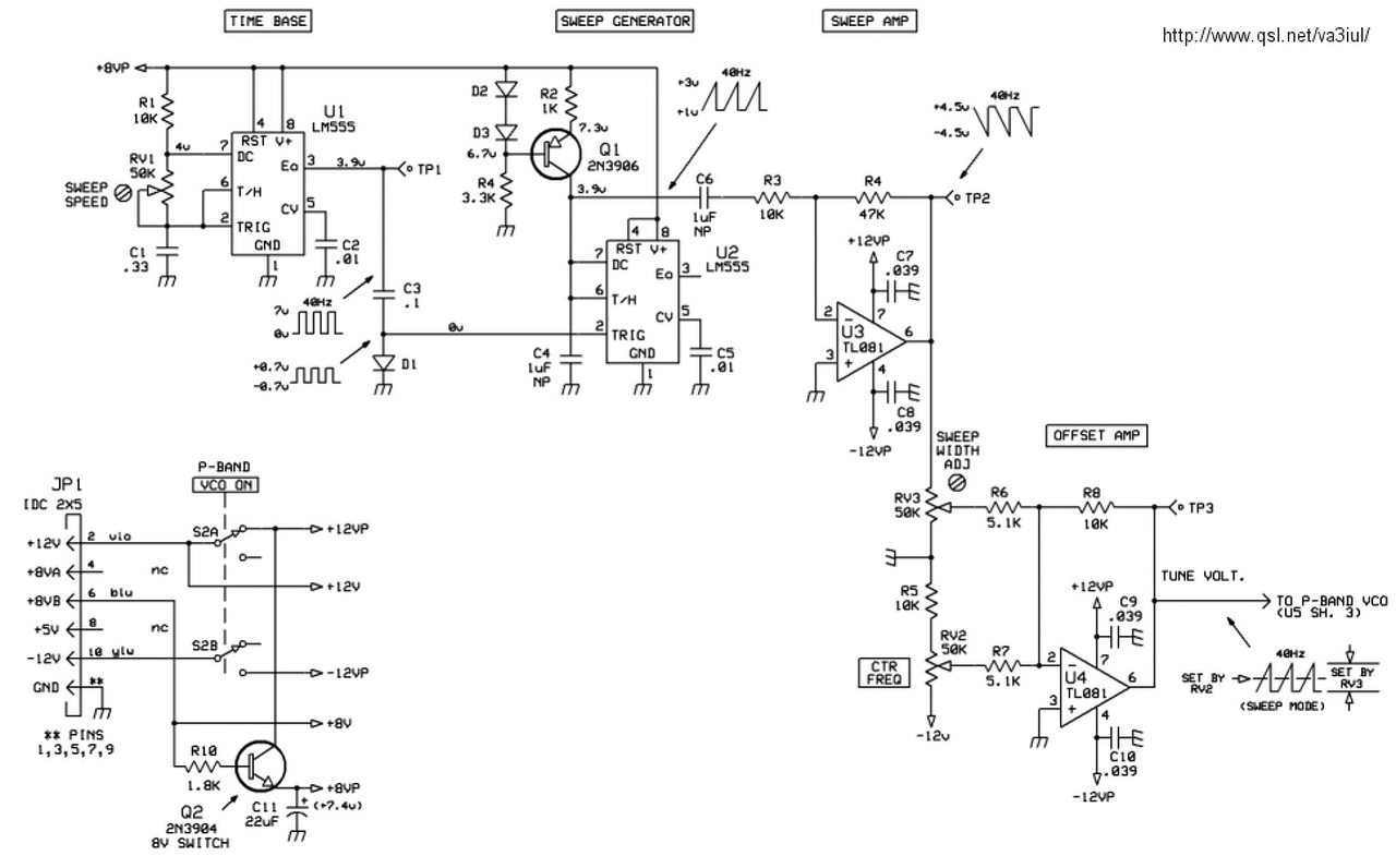
A másik amit találtam. A leírása szerint sweep generátort és markert is megvalósít.Bővebben: Link A hozzászólás módosítva: Okt 14, 2017
Átviteli karakterisztika felvétele (frekvencia/erősítés, X/Y ) oszcilloszkóppal.
Szükséges elemek: - X / Y bemenetű Oszcilloszkóp - NAGYFREKVENCIÁS jelgenerátor ami képes az adott mérendő 4 pólus mérendő tartományában dolgozni. (Külső jel hatására széles sávban hangolható és stabil ÁLLANDÓ KIMENETI SZINTŰ) - NAGYFREKVENCIÁS JEL DETEKTOR (lineáris/logaritmikus pl.:dióda / speciális log erősítő áramkör ) - KISFREKVENCIÁS hullámforma generátor a sweephez ( párszor 10Hz fűrész vagy 3szög) - MARKER GENERÁTOR (fix 10-1-0,1 MHz négyszög vagy másik folyamatosan hangolható nagyfrekvenciás generátor) Ezeket kell használni , jobb esetben ez egy dobozban vannak (lásd komplett wobblerek) vagy több doboz, részben összevonva bennük vannak a részfunkciók. Így megfelelő ki/bemenetű műszerpark esetén "összedrótozható" a kívánt mérési rendszer. Légy szíves rajzold le blokk vázlat szintjén azt , amit írok (direkt nem rajzolom le) próbáld átlátni, lekövetni a mérés elvét és a vázlatát magadnak lerajzolva megérteni, mi miért van. Mérési összeállítás: A szkóp X (szkóp vízszintes tengely) bemenetére kell kötni a KISFREKVENCIÁS hullámforma generátor kimenetét. Ezen kívül össze kell kötni a NAGYFREKVENCIÁS jelgenerátor külső frekvenciamódosító bemenetével is. A NAGYFREKVENCIÁS jelgenerátor kimenete rákerül a MÉRENDŐ nagyfrekvenciás 4 pólusra. MÉRENDŐ nagyfrekvenciás 4 pólus kimenetét összekötni a NAGYFREKVENCIÁS JEL DETEKTOR bemenetére. NAGYFREKVENCIÁS JEL DETEKTOR kimenete pedig az Oszcilloszkóp Y(függőleges) bemenetére . A MARKER GENERÁTOR jelét lazán a MÉRENDŐ nagyfrekvenciás 4 pólus bemenetére kötni pár 1-10 pF kondenzátoron keresztül (érzékenyebb detektor esetén akár elég csak az mérendő áramkör mellé rakni, a pár centis árnyékolatlan meleg eret "lovas markernek" ). A KISFREKVENCIÁS hullámforma generátor eltéríti az Oszcilloszkóp X tengelyét és még egyszerre változtatja a NAGYFREKVENCIÁS jelgenerátor frekvenciáját is . Ez a változó frekvenciájú (de állandó jelű) nagyfrekvenciás jel a MÉRENDŐ nagyfrekvenciás 4 pólus kimenetén a 4 pólus frekvenciamenete alapján változik (benne lévő nagyfrekvenciás áramköri elemek állapota szerint).Ha nem lenne állandó a bemenő jel akkor nem lehetne tudni mihez képest változik a 4 póluson belül a jelszint. Ezek után a NAGYFREKVENCIÁS JEL DETEKTORból az Oszcilloszkóp Y bemenetére kerül ez a frekvencia változás hatására létre jövő jelszint változás. Mivel szinkronban van a freki változás és X tengelyű eltérítés akkor a megjelenő görbén láthatóvá válik az nagyfrekvenciás átviteli karakterisztika. Az X eltérítés jól beállított ismétlődési frekvenciája a kényelmes villogás mentes leolvasást segíti elő. A MARKER GENERÁTOR jele segít eligazodni abban , hogy hol van frekvenciában az a huppli/gödör a felrajzolt átviteli görbén. Jobb esetben lineáris a változás a külsőfesz/frekvencia viszonyában és így lehet hogy 1 osztás az X tengelyen / z MHznek felelne meg. DE ez biztos nem így lesz !Ezért kell a MARKER GENERÁTOR használni. Ennek a jele ráül "lovagol" a felrajzolt görbe vonalán, egy kis csomó/tüske/vonal jelenik meg, ha nem elég "laza" a becsatolási mód akkor szét is verheti a képet (éppen akkora szintje legyen , hogy megjelenjen némi változás a mérendő görbében). Ha fix értékű 10-5-1-0,5-0,1 MHz akkor minden N.-edik ilyen fix frekvenciás pozícióban megjelenik a marker. (N.-edik: markergenerátornak 10MHz négyszög jelet és annak osztott értékeit használják, négyszög jel sokszoros felharmónikus tartalma miatt erre ideális megoldás. Nem árt sejteni azt, hogy hanyadik felharmónikus az első marker amit éppen látsz ! ) Ha meg hangolható akkor szépen végig lehet vezetni a mért görbén. Persze komplett wobblerszkóp esetén ez lehetséges megoldás lehet, avagy kalibrálási trükkökkel elérhető. Az Y amplitudó tengely viszonyait érdemes fix 10-20 dB/osztás állapotba hozni valami kalibrálási eljárással. (szkóp Y osztói és NAGYFREKVENCIÁS jelgenerátor beépített fix osztói használatával ) Röviden ennyi a lényeg.
Köszi a részletes leírást!
![]() Sajnos akkor a mérést nem tudom elvégezni, mert csak egy csatornás oszcilloszkópom van. A hozzászólás módosítva: Okt 14, 2017
Az adott műszerpark beépített gyári ki/bemenetei határozzák meg a szükséges jelutak kialakítását.
Mivel lehet van belső sweepje is a nagyfrekis generátornak ezzel arányos fűrész jelét ki is vezették róla. Igaz ekkor a generátoron vannak a sweep ismétlődési frekvenciáját és amplitudóját befolyásoló kezelő szervek Így elég azt a szkóp X bemenetére vezetni (X erősítő beállításával tudod a megjelenítendő jel szélességét módosítani). Ilyen apróságokba még nem is mentem bele !
Y vizszintes eltérítés nincs kivezetve ?
Szerintem nincs. Egyáltalán nem is tudom, hogy tudom-e alkalmazni ezt a oszcilloszkópot DSO-138 a kis kit szkóp.
Tudod csak nem lesz szinkroban az X irányod ...
Tehát a fix értékű közel legkisebb eltérítési frekvenciát/ időalapot használod. Aztán a sweppelő kis frekis generátor frekijét addig tekered óvatosan míg el nem tünnek a "szellemképek" az ábráról. Amíg szinkronban van a sweep freki és az eltérítésed akkor álló képet kapsz .
Valami okosítás volt itt a HE-n a CIKKEKBEN is ehhez a szkóphoz... lesd meg... remélhetőleg szinkron be/kimenet vagy offset nem rémlik
Ez az igen VAN !!! Külső trigger !!!
ez kell hozzá !!!
Ezzel már tudsz triggerelni indítani , szinkronban stabilan külső jelforrásból X irányú eltérítést!
Nem tudom, miért fárasztod magad wobbler generátor építésével, mikor ezt az egyszem bemeneti szűrő mérése nem indokolja. Egy wobbler építése egy külön projekt lehet majd.
Egy oszcilloszkóp a rádiós eszközök mérésénél a legkevésbé hasznos eszköz, még akkor is, ha egy méregdrága 200 MHz -es szkópod is lenne, és ez a kis DSO csak 200 kHz -ig jó. A 200 MHz -es szkópon is csak egy színuszgörbét látnál, ami szinte semmi információt nem hordoz. A frekvenciát frekvencia mérővel, az amplitúdót nagyfrekvenciás mérőfej, + milivoltmérővel pontosan mérni tudod, a méregdrága szkóppal meg csak körülbelül. A DSO 138 ugyan használható kijelzőként, de kicsi a képernyő mérete. Ehhez egy nagyobb méretű képernyővel rendelkező kijelző kell. (mostanában láttam az apróhirdetésben egy SWOB3 típusú wobblert, nézd meg annak mekkora képernyője van, meg ára is) Frekvencia markert egy másik nagyfrekvenciás generátor, és a sweep generátor jelének összekeverésével (pl. egyszerű diódás keverő) tudsz előállítani, ha a sweepelt frekvencia megegyezik a markergenerátor frekvenciájával, a felrajzolt átviteli görbén egy "lovat"(egy kiemelkedést) fogsz látni, az ahhoz tartozó frekvenciát le tudod olvasni a marker generátor skáláján. Marker generátorként még szokás használni 1, és 10 MHz-es kristály oszcillátort, amelyeknek kellően eltorzított jele viszonylag nagy szinten tartalmazza a felharmonikusokat, így a felrajzolt átviteli görbén 1, ill. 10 MHz -enként fogod látni a lovakat, amiknek a leszámolásával tudhatod, hogy épp hol jársz frekvenciában. A hozzászólás módosítva: Okt 14, 2017
Valóban teljesen igazad van, Kera_Will fórumtárs nagyszerű leírásából is kiderül, hogy ez bizony egy külön projekt lenne. De nem baj , hogy "szóba" került a wobbler , mert így legalább világosan megértettem a működését. A közeljövőben még visszatérünk rá.
A hozzászólás módosítva: Okt 14, 2017
Sziasztok!
A frekvenciamérőm használatról lenne szó. Az igazság az, hogy nem nagyon tudom mire való az MW bemenete. Azt tudom, hogy elvileg Ghz-es tartományig lehet vele mérni. ( Tudom kicsit furcsa kérdés. )
Nem tudom hogy most magára a bemenetre gondolsz-e, vagy a kontrollerbe menő MW jelre. Előbbi nyilván egyértelmű, az a nagyfrekis bemenet, 200MHz feletti jelet csak azon tudsz mérni. Az MW jel meg gondolom azért kell, hogy a kontroller tudja hogy éppen melyik bemenet aktív, és annak függvényében számolja (írja ki) az adott értéket.
Ugyan arra amire a másik kettő.
Frekvenciát mérni. A TTL bemeneted "kissé süket" mivel leginkább jól meg formázott több voltos négyszögeket szeretne feldolgozni kb.: 50 MHzig mert a uC ennyire gyors. A másik RF bemeneted már érzékenyebb , párszor 10mV-100mV nagyfrekvenciás jelet is tud mérni kb.: 100-200 MHz tartományban. Nézd meg az analóg jelformáló áramkör utáni flipflop mint felező/negyedelő IC-k felső határfrekvenciáját.Addig tud szaporán billegni. Így az 50MHz feletti jeleket elő osztják a uC bemenetére(ami 50MHz-ig tud stabilan számolni). Az MW bemenet mint MicroWave bemenet nem más mint egy 64es előosztó eszköz. Ez a bejövő több GHz jelet osztja el 64-el . A uC ezek után már meg tudja emészteni (max input 50MHz). Természetesen ezen is van egy jelerősítő/"formáló" analóg erősítő áramköri fokozat (MMIC) ami megemeli a bejövő szintet akkorára, hogy az előosztó bemenetét meg tudja hajtani. Mivel van egy 64es osztásod így az időalap is erre módosult (pl 10 helyet csak 6,4 sec). Ezek a gyors osztó áramkörök nem tudnak lassú jelekkel jól elboldogulni , ezért kb.: 20-100MHz alatt nem is működnek vagy csak saccográfnak lesznek jók. Ezért van ennyiféle bemeneti fokozatod az alap 50MHzig számláló uC előtt. A + 3 db diódás relatív térerőmérő kiegészítő pedig csak hab tortán ! A hozzászólás módosítva: Aug 16, 2018
Nem tudom hogy most magára a bemenetre gondolsz-e, vagy a kontrollerbe menő MW jelre.
Az MW jelet értem.
A működését értem.
![]() Csak abban nem voltam biztos, hogy RF jelet mérhetek -e az MW bemeneten keresztül. Pl.: 350 MHz -t. ![]() Akkor ezek szerint a szerző RFin-t is írhatott volna az MWin bemenet helyett. A hozzászólás módosítva: Aug 16, 2018
Idézet: „mérhetek -e az MW bemeneten keresztül. Pl.: 350 MHz -t” Erre valók az adatlapok nézzél utána az előosztónak , mekkora a minimum bemeneti freki amit még tud számolni. ![]() A bemenetek között jó átlapolások lehetnek RF inputod max 180 - 200MHzre van specifikálva . A MW pedig kb.: 50-100 MHz fölött indulhat el . A hozzászólás módosítva: Aug 16, 2018
Idézet: „A bemenetek között jó átlapolások lehetnek RF inputod max 180 - 200MHzre van specifikálva .A MW pedig kb.: 50-100 MHz fölött indulhat el .” ![]() Sajnos adatlap szerint csak 500 MHz től indul az előosztó ... így akkor van egy kis lyuk 200-500 MHz közt. Habár lehetnek gyártási szórások és még 400 MHz-en is jól megy már. Lehet az építőjének nem volt igénye a köztes freki tartományra , vagy használata során kiderült , hogy jól működik az előosztó a specifikációja alatti frekvencia tartományban is. A hozzászólás módosítva: Aug 16, 2018
Lehet nekem sem kell, csak most ez szám jutott eszembe.
Lehet nekem sem kell, csak most ez szám jutott eszembe.
![]() Bőven elég egyelőre a 200 MHz -es határ is. Idézet: Melyik adatlap szerint? upb1505 vígan megy már 20MHz felett. 2400-2600 MHz között van egy kis vadrezgése, de legyilkolható némi érzékenységromlás árán. „Sajnos adatlap szerint csak 500 MHz től indul az előosztó ...”
például itt
egy másik utóbbinak vannak grafikonok a 5. oldalán . Ott is 500MHz idul a garantált működési terület. Lehet megy lejjeb is de akkor érzéketlenebb lehet...
Tényleg, igazad van, oly rég néztem már az adatlapját, hogy csak na. Most gyorsan provizórikusan mérve, -20dB jelnél, 105MHz -nél kezd vacillálni. 0dBm jelnél régebben 20-25 Mega volt a vége.
Kösszi a mérést így akkor legalább sejthető , hogy mire számíthat sany is .
Ezek szerint 0dBm ~ 250-300mVpp kell neki párszor 10MHz esetén. (de arra ott van a másik RF bemenet) Felsőbb tartományban már kevesebb is elég ezek szerint. Ha a bargraph felső részén van a jelszint akkor valószínűen a valós frekit is méri a műszer. Előfordulhat az , hogy az jelszint indikátor harmad /negyed körül áll és mért freki pedig fel/le "táncol" vagy fele értéket mutat a valóshoz képest avagy egyéb furcsaságokat mér. Ekkor kicsit nagyobb jelet kell bevinni a műszerbe a valósabb méréshez, persze csak akkorát ,hogy az ERA-t ne vágja agyon a túlvezérlés. A hozzászólás módosítva: Aug 16, 2018
|
Bejelentkezés
Hirdetés |





A másik amit találtam. A leírása szerint sweep generátort és markert is megvalósít.
!
)






