Fórum témák
» Több friss téma |
Fórum » Sztereó DAC
Témaindító: meszattila, idő: Ápr 10, 2007
Témakörök:
Megmondom oszinten en ugyemlekszem, hogy akkor meg talan nem tudott csak 16/48-as felbontast. Meg draganak is tunt. Ha elkoltok ennyit, akkor mar ugy tegyem, hogy tanulok belole, meg ugye az epites orom.
Van egy Asus U7, meg egy "kiskinai" DAC. A DAC-ot hasznaltam sokaig, utana meg az U7-et a foobar crossover pluginnal. Egyebkent azota csak laptopom van, ott meg nem szeretem, ha kidokkolas utan nem tudok normalisan zenet hallgatni, ezert lesz most egy Pi, aztan meg a ZYNQ. Az elegge hatraltatja az egeszet, hogy a munkamnak, meg az egyetemen a szakiranyomnak nem sok koze van a DSP-hez.
Na igen, az építés öröme az sokat nyom a latba...
![]() Ha a MiniSharc DSP-t nézed pl., az most 32bit / 96kHz 8 kimeneti I2S csatornával (a bemenet lehet 192kHz, aszinkron átvitellel), 185 USD-ért (persze ehhez jön még pár kiegészítö). Nekem viszonylag korrektnek tünik. (nem reklámnak szántam, semmi érdekem nem füzödik hozzájuk!) A kidokkolásos problémát nem értem teljesen: USB bedug és szól, nem? ![]() Na ja, az ASUS U7-ben CS4398 van de az is csak a front csatornán. Ugyanaz mint a Xonar DX kártyán, volt olyanom régen. Ideiglenesen éppen lehet belöle "zenét" kicsiholni, de van nála jobb is.... Csak ismételni tudom magam, próbáld ki az EqAPO-t, és megszereted... ![]() Milyen hangfalad van egyébként? A hozzászólás módosítva: Feb 3, 2016
Néztem most is, szépen bővül a paletta.
A dokkolással az a baj, hogy amikor az asztalon van a gép, berakom a dokkolóba aztán megy minden. Ha meg csak az ágyban olvasgatnék, akkor lehetne USB kábellel szórakozni. Az ASUS U7 nekem elsősorban házimozira kell. Az EqAPO-t mindenképpen kipróbálom. Saját építésű hangfalak vannak, Tannoy (Logotech) alapúak.
A "Tannoy (Logotech)" nekem semmit nem mond, én maradok azt hiszem az LXmini-nél...
Sziasztok!
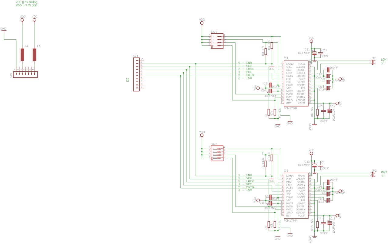
Dual pcm1794-es dac-ot tervezek, xmos-ról hajtva. A dual pcm-el kicsit elakadtam. Több tervet is látok a neten, de kicsit ellenmondásos számomra. Egyiken a pcm left/rigth része össze van drótozva, máshol nincs. Az adatlapon erről nem ír semmit se. Én nem látom ezt a részt? Az adatlapon csak annyit látok, hogy van a 25/26 és a 17/18-as láb, amikből lesz a balanced kimenet. Gondolom itt ic1/ic2 van és nem ic1/ic1. Bocs, ha hülyeséget kérdezek.
Egy költséghatékony megoldást kerestem. Mozira, zenére kerestem valami elfogadható megoldást. Házi mozira megfelelő, zenére meg majd lesz jobb, ha rá tudok jó szívvel szánni egy nagyobb összeget, meg lesz hely.
Íme: Eleje, belseje. Ilyen LXmini-szerű cuccon én töröm a fejem, de egyenlőre még nem lett belőle semmi.
Nekem ilyen volt a régim, még a Linkwitz hangsugárzók elött.
A maga módján nem volt rossz, de a mini után csak kíváncsiságból bekötöttem, hát "brrrr.... inkább vigyétek ez el innen de gyorsan" érzés tört rám ![]() A mini egyszeü mint a faék és jó is persze, csak a váltót kell megfelelöen beprogramozni. A hozzászólás módosítva: Feb 4, 2016
Szia, talán ez segít.
Bővebben: Link De itt is körülnézhetsz, bár ez kissé speciális: Bővebben: Link A hozzászólás módosítva: Feb 4, 2016
Mind a kettőt néztem már.
Egyedül a NOS, ami dual. Viszont jó lenne valami hivatalos infó a mono működéséről. Egyik verzió, hogy össze van kötve ic-nként a bal és a jobb oldali kimenet, ekkor 1db output stage van. Illetve a másik, amikor nincs összekötve, ilyenkor balanced output van(?) és az egyik a OS lesz a bal oldali csatorna, a másik OS pedig a jobb oldali. Illetve a twistedpearaudio oldalán lévő cod dac-nál láttam ezt a manuálban: "In MONO mode the selected analog signal is reversed on the non selected side. So for example, if LEFT MONO mode is selected (CHSL=0) then RIGHT– output is actually LEFT+ output and RIGHT+ is actually LEFT-." De a dac ic adatlapján ezt nem találom.
Megkérdezhetem miért ragaszkodsz a mono-hoz? Látod, valakinek még a 8 mono IC sem sok csatornánként....
Nekem sztereóban is szépen szól, a jel-zaj stb. tökéletes az én füleimnek legalábbis. Hogy a párhuzamosításból fakadó kisebb jitter mennyire hallható, azt viszont nem tudom, nem hallottam még ilyen "többes" cuccot igazán...
Itt is van egy dual DAC: Bővebben: Link
Bár a tervezö nem osztja meg a részleteket, hanem eladni akar... ![]() Ez csak szimpla, viszont van komplett tervdoksi hozzá: Bővebben: Link Érdemes átbogarászni, tanulságos lehet (Bővebben: Link). A hozzászólás módosítva: Feb 5, 2016
Ne komplikáld túl! Az én értelmezésemben ha mono-ba kapcsolod, akkor a sztereo kimenet (értem a 3 opa után a rajz szerint) egyik felén a (+) másik felén a (-) jel jelenik meg, a csatorna pedig annak függvénye hogy mit paraméterezel (L/R).
Tehát ha van mondjuk több sztereó paneled (mint mondjuk nekem), megteheted hogy az egyik panelt beállítod mono L-re, a másikat mono R-re, és mindegyikröl leveheted a szimmetrikus jelet, már ha ez jó neked és tudja az erösítöd fogadni... A hozzászólás módosítva: Feb 5, 2016
Van itthon 3 IC is, mondom akkor már miért ne. Meg mono-ban jobbak az adatai. Az általad linkelt kapcsolásokat néztem már, de nem jövök rá.
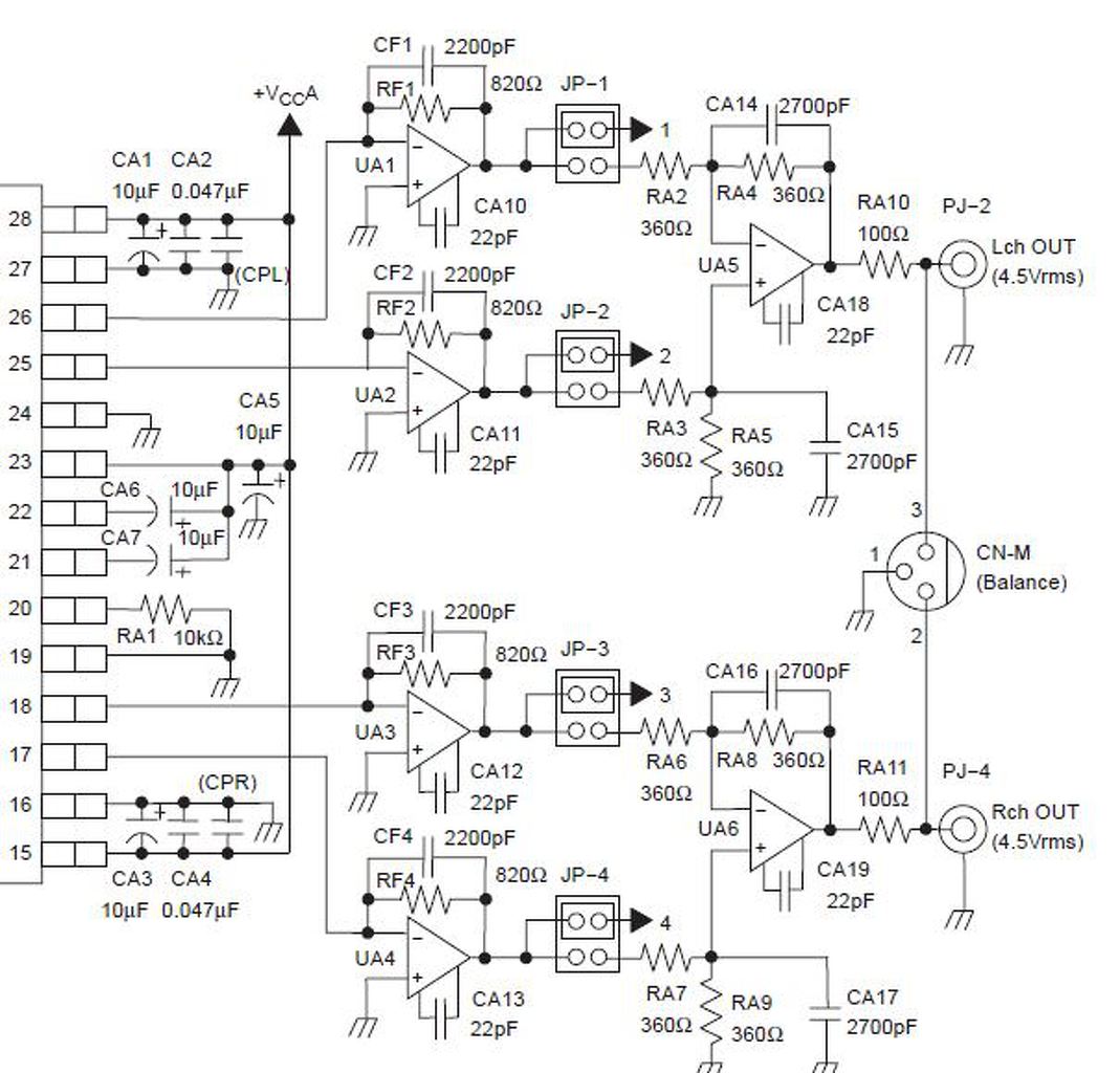
Idézet: „Ne komplikáld túl! Az én értelmezésemben ha mono-ba kapcsolod, akkor a sztereo kimenet (értem a 3 opa után a rajz szerint) egyik felén a (+) másik felén a (-) jel jelenik meg, a csatorna pedig annak függvénye hogy mit paraméterezel (L/R).” Én is így értelmezem, viszont akkor van 1-1 output stage az 1-1 ic után, ekkor már van 4 kimenetem, ebből, hogy lesz sztereó? Kell még 1-1 opa a végére, hogy meglegyen a "normál" kimenet? Valahol össze kell drótozni a kimeneteket. Ja, ezt találtam még, de semmi konkrétum nincs a válaszban. A hozzászólás módosítva: Feb 5, 2016
Ha csak sztereo a cél akkor miért is ne...
![]() Ha szimmetrikus kimenetet akarsz akkor nincs semmi gondod, nézd meg a rajzot. Bár ezek szerint te asszimetrikusat szeretnél. Nem akarok hülyeséget mondani, de szerintem ez esetben elég simán csak az egyik csatornáról levenni a jelet... (tehát mondjuk XLR pin 1,3) A hozzászólás módosítva: Feb 5, 2016
Ha megnézed az FDA-1 DAC-ot, ott is pont így van, át lehet kapcsolni mono-ba.
A hozzászólás módosítva: Feb 5, 2016
Ha jól értem, akkor az ic-k 1-1 kimenetén nem lesz jel mono módban?
Akkor ez így helyes? Bár, akkor nem értem a 9Vrm-st az adatlapon. Valahol valami még sántít.
Dehogynem. Ha mono-ba kapcsolod akkor a kiválasztott csatorna szerinti MONO jeled lesz a kimeneten. Nem értem mit nem értesz, világos mint a nap...
![]() Esetleg az szimmetrikus/asszimetrikus jelek különbségével nem vagy tisztában? Nem, nem helyes a rajz! Mindkét DAC-nál csak a bal vagy csak a jobb csatornáról vedd le a jelet, kölönben ellenfázisban lesznek! A csatornák tényleges tartalmát (L/R) a kis kapcsolókkal választod ki (SW1-2, DAC pin2). A hozzászólás módosítva: Feb 5, 2016
Van már nyákterved?
Esküszöm, hogy nem értem.
![]() Idézet: „Dehogynem. Ha mono-ba kapcsolod akkor a kiválasztott csatorna szerinti MONO jeled lesz a kimeneten.” Ez oké, ha beállítom az IC-en, hogy is2, left mono, akkor mind a két kimeneten csak a bal csatorna fog szólni. Ugyan ezt megcsinálom az ic2-vel is, csak ott right. Ekkor ugye lesz 2-2 kimenetem, egyiken a bal, másikon a jobb oldal. Rájuk kötöm a fentebb linkelt 4.5VRms-es output stage-eket. Lesz a fenti rajzból 1-1 ic-nként. Aztán mi? ![]() Találtam még 2 rajzot, de ellentmondásos számomra. Egyiknél, ahogy fentebb is írtam, az 17/18-as pin megfordul valami miatt. Nem vágom miért. A másiknál pedig, az 1-1 OS után raktak még 1 opa-t. Nem, egyelőre nem akarok nyákozni, amíg nem derül ki számomra, hogy mi a helyes megoldás.
Azért fordul meg a 17/18-as pin-nél a jel, hogy így a kimeneti opa-s kapcsolás megváltoztatása nélkül elöálljon a kimeneten a szimmetrikus jel.
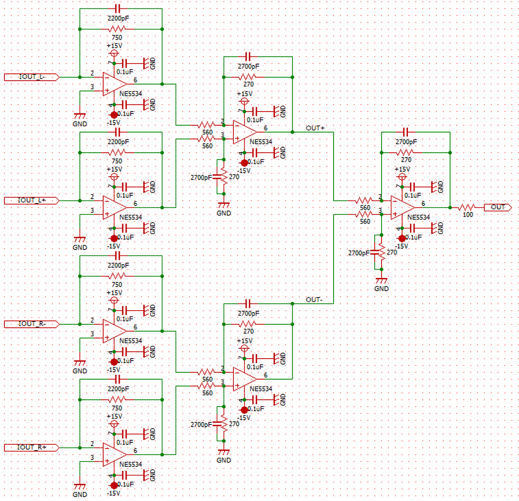
De neked nem kell szimmetrikus jel, mivel asszimetrikusan akarod az erösítödhöz kötni ha jól értem (RCA dugóval és nem XLR-el). Tehát veszed mindkét DAC-nál mondjuk a L+ / L- jeleket, I/V átalakítás, szürés, konvertálás és kimenet... Van ekkor 3 sztereó opa-d összesen! A te esetedben az alsó (R+ / R-) kimenetekhez nem is kell kössél semmit, ha csak nem akarod XLR-re is kivezetni (ekkor dupla annyi opa kellene, összesen 6db sztereó!). Ez az alsó ág a felsö ág inverze lenne a szimmetria miatt. Ragozhatjuk még ha nem érted... A hozzászólás módosítva: Feb 5, 2016
Szerintem sincs szükségem a szimmetrikus jelre. Kell egy pár rca kimenet a dobozból a rendes erősítőhöz és kell kimenet a fejes erősítőhöz (ez dobozon belül marad).
Ez esetben akkor igazából csak a digit részt kell megváltoztatni, az output stage marad változatlan. ![]() Akkor meg nem értem, hogy a többi kapcsolásnál miért szenvedtek az áthuzalozással, meg miért kötöttek össze-vissza mindent. Mindenesetre köszi a segítséget, remélem frankó lesz.
Szívesen. Remélem így tiszta...
![]() Valószínüleg azért "szenvedtek", hogy ad.1 szimmetrikus jelet is le lehessen venni, ad.2 választható legyen (az eltérö igények szerint) az sztereó asszimetrikus vagy mono szimmetrikus üzemmód. A hozzászólás módosítva: Feb 5, 2016
Jaja, így okés.
![]() Idézet: „Valószínüleg azért "szenvedtek", hogy ad.1 szimmetrikus jelet is le lehessen venni, ad.2 választható legyen az sztereó asszimetrikus vagy mono szimmetrikus üzemmód.” 1. Oké, ezt meg is érteném. De sok esetben a kész "terméken" nem láttam. 2. Hát... ![]() Pl a tobbydac kapcsolását szívesen megnézném, ez full balanced. Itt látni is, hogy 7 opa van benne.
Igen a Tobby az érdekes, kíváncsi lennék én is miért kell neki a 7. opa. Szerintem egyszerűen csak jelszintet csökkent vele 2Vrms-re, és a kis kimeneti ellenállás végett inkább így oldja meg... (ez esetben neked ez nem kell, mert alapból úgy állítod be az előtte lévő fokozatokat)
Én a 4,5Vrms verziót építettem meg, és a kimeneten van egy passzív ellenállásosztó (2k/2k). Ez akkor korrekt így, ha az adott végfok bemeneti ellenállását is beleszámolod... A hozzászólás módosítva: Feb 5, 2016
A dac adatlapján is a 4.5VRms van ajánlva a mono módban.
Az lehet, de kenheted a hajadra ha pl. az erősítőd 2Vrms-nél van kivezérelve. Akkor max.(!) fél hangerőn hajthatod, azaz romlik a jel-zaj viszonyod 6dB-el...
Ezért van az én kimeneti osztóm is...
Néhány új kép...
Nem esett róla szó azóta, de a késleltető relés áramkör tökéletes lett...
Idézet: „Akkor max.(!) fél hangerőn hajthatod, azaz romlik a jel-zaj viszonyod 6dB-el...” Már miért romlana? Főleg, hogy a legtöbb erősítő AB osztályú, így inkább A-ban fog dolgozni a végfokozat és nem B-ben.
Nem az a gond...
![]() A hangerö szabályozás nálam legalábbis digitális módon történik a PC-vel. Ha az erösítöt (2Vrms bemeneti érzékenységüt) teljesen kivezérelve akarom hajtani, akkor 4,5Vrms esetén az max. fél hangerö lehet (különben vágni fog, de legalábbis torzítani mint a disznó), ami ugye fele dinamikatartomány. De ez minden hangeröszintre érvényes, felezed a lehetöségeket... ![]() Sokkal kisebb visszacsatolást nem merek a 3886-osokhoz beállítani, állítólag instabilak lesznek. Lehetne még esetleg bemenö buffert tenni, de nem ér annyit az egész szerintem. A hozzászólás módosítva: Feb 8, 2016
Bár még nincs teljesen megoldva a gerjedös problémám, átterveztem egy kicsit a paneleket unalmamban...
![]() Az DAC tápjai egymás mellett kaptak helyet, és szinte az egész panel teljesen fel lett töltve földfóliával. A hozzászólás módosítva: Feb 12, 2016
|
Bejelentkezés
Hirdetés |


























