Fórum témák
» Több friss téma |
Akkor tökéletes lesz. Akkor gondolom ez stabil 5 Voltos.
Várom a linket. Köszönöm szépen.
Köszönöm szépen.
Átnéztem a három oldalt. Annyi kérdésem lenne még, hogy hány Voltos trafó kell hozzá? És hány Wattos? Köszönöm.
Trafóból 7-9V körüli szekunder kell hozzá. 5V/5A-hez 7V-os szekundernél minimum 40VA, 9V-os szekundernél minimum 50VA-es trafó kell. Ha gerber kell a panelekhez, akkor üzenj.
Elfogadom persze, megkönnyíti a dolgom.
Köszönöm a segítséget!
sziasztok. Tápegységgel kapcsolatos kérdésem van. Adott egy autós ülésfütés, DC 12 V, kb 2-3 Amper felvett árammal. Szeretném ezt hálózatról működtetni. Van kifejezetten erre a módra ajánlott táp? Egy-két dc tápot próbáltam ami itthon van, de zárlatot érzékelve egyből lekapcsolnak.
Mekkora DC tápot próbáltál? Egy fűtőszál ellenállása hidegen kisebb, emiatt kapcsolhat le a kis táp. Nem ártana pontos mérés az áramfelvételről, lehetőleg az induló értékről is.
Trafós táppal nem lenne ilyen gond...
(#) erbe , 36 wattos táppal próbáltam.
(#) uniman, nézzek egy mean well tápegységet, pl amit led szalaghoz is raknék?
De még mindig nem mértél.
Ha kéznél van, próbéld ki...de az még mindig nem "trafós" táp...
Esetleg még a halogénlámpákhoz használatos táp is jó lehet. Vagy egy a cekásszal sorbakötött "PTC"-vel is lehetne korlátozni a nagy áramfelvételt.
Ha semmi más nincs az eszközön, csak a dugó - esetleg kapcsoló - akkor simán egy 12V-os trafóval is táplálhatod váltakozó feszültségről...
Nekem is van, igaz, kissé bonyolultabb. Elektronikus Be-Ki kapcsoló és állítható masszírozó is van rajta, ezért csak DC-ről táplálható. Kapcsoló szerintem azon is van.
Fennáll a lehetőség, hogy nem polaritáshelyesen csatlakoztatta.
Szerintem ülésfűtésnél nem reális az a 2-3A, inkább a duplája, de mérni kellene
Szerezz egy nagyobb tápot, 5-10A-eset. Azért kapcsol le a 3A-es, mert többet akar húzni az ülésfűtésed. A 3A-es trafóról működne ugyan a fűtés valamekkora teljesítménnyel, de a trafó valószínűleg leégne, csak szólok, még mielőtt bekötöd fixbe.
köszi mindenkinek. Nekem is az a gyanúm, hogy azért 3 amper a felvétel, mert a táp ekkora. Hétvégén megnézem a kocsiban, és rámérek, mekkora a felvett áram pontosan.
Kb 100w körüli értéket fog kani. Legalábbis én mikor számoltam annyi jött ki. De ez eltérő lehet.
Sziasztok!
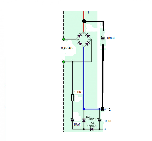
Ritkán szoktam elakadni egyszerű tápegységekben, de most elakadtam. Mellékletben van a kapcsolási rajz, egyszerű táp ami a rendelkezésre álló 8V AC-t egyenirányítja illetve csinál negatív segédfeszültséget. A rajzrészlet Alkotó labortápjából van, de nekem nem abba van megépítve. Működik szépen csak nem értek valamit. Az 1-2 pontok között 16V DC-t mérek (DMM, de szkóppal nézve is annyi, tiszta DC nincs AC komponens). Ezt azért nem értem, mert a 8V AC egyenirányítva 11,2V DC-t ad mínusz a diódahídon eső feszültség (Ueff*1,41). A 2-3 pontok között megvan a -6,3V DC, viszont a 1-3 pontok között 22V DC van. Hogy a fészkes fenébe lesz a 8V AC-ból 16V DC? A 8V AC biztosan annyi szkóppal megnéztem, kereken 8,4V RMS. A hozzászólás módosítva: Dec 22, 2021
Ezt keresd: feszültség kétszerező. Kiterítve, ahol nincsenek egyéb "zavaró" alkatrészek, látható, hogyan duplázódik meg a feszültség. Diódás, kondenzátoros feszültségsokszorozó is ilyen alapon működik csak több taggal.
Tudom mi a feszültség kétszerező, de hol van ebben a feszültség kétszerező? Az 1-2 pontokra egy diódahíd meg egy pufferkondi csinálja a DC-t. Ez nem tud feszültséget kétszerezni. Az, hogy a GND-hez képest (2-es pont) "lefelé" mi van szerintem nem szól bele a főtápba.
Vedd ki a 100 ohmos ellenállást egyböl kiderül a huncutság….
Szia! Nincs terhelés az 1-2 pontok között, ezért tréfál meg a negatív táp puffertöltő árama.
Köszönöm! Így már világos.
Sziasztok!
A melléklet szerinti kapcsolást állítottam össze. Ez egy szelepet nyit-zár. A szelep mozgatásához 5,8 V egyenáram kell. Ez jobb oldalon felül (Betáp+, betáp-) jön be. De sajnos a PIC-nek és a reléknek ez sok. Nekik max. 5V kell. De ez a szelepet nem nyitja. Ezért próbáltam 5 V-ot csinálni (jobb felül) a meglévő két ellenállásomból. Ha külön a betápra kötöm, akkor szépen kb. 5V lesz, de ha a rajz szerint megcsinálom a komplett kapcsolást, akkor alig van feszültség a PIC betáp oldalán. Beépített állapotban az amúgy 4k7 ellenálláson kb. 3-4 ohm-ot mérek. Valaki tudna segíteni, hogy hogyan lehetne ebből a rendelkezésre álló 5,8 V-ból 5V-t csinálni, úgy hogy a szelepnek is megmaradjon az 5,8 V? Köszönöm!
Hello! Nem ellenállásokkal kell a procinak tápot készíteni, hanem LDO stabilizátorral.
Pld..
De stabil 5,8 V-om van. (Egész pontosan 5,78 V, meg se moccan a voltmérő.) Azt csak csökkenteni szeretném.
A relék tekercseit ne az R6 után kösd, hanem elé! Azoknak nem árt az 5,8V. Az R5 helyett pedig tegyél egy zenert, pl.4,7V.
Változó terheléshez nem lehet ellenállással feszültséget csökkenteni. Minimum a 820 Ohm helyére tegyél egy szilícium diódát. Az kb 0,7V feszültséget fog ejteni. De ahogy Tomi írja, legalább a reléket tedd a betápra, nem az ellenállás osztód után.
Tehát az R6-t hagyjam benne (820 Ohm); a relék tekercsére az 5,8 V-t adjak és az R5-t vegyem ki és oda egy Zéner diódát rakjak (1,3 W; 4,7 V)? Ezt a diódát hogyan kell beépíteni, a + ág felé mutasson a "nyilacska"? (Bocs, de még ilyet nem csináltam.)
Köszönöm! |
Bejelentkezés
Hirdetés |






