Fórum témák
» Több friss téma |
Fórum » DCF77 óra Nixie-csövekkel
Igen, látom, már be is tervezted a panelra. Én csak szkóppal próbáltam, hogy megvan-e a jel. (Most fél másodpercenként vált állapotot a kimenet)
Szia!
Paneltervezésnél ügyelni, hogy a nagyfeszültségű vezetékek és a kontroller vezetékei között legyen kellő nagyságú szigetelés. A Mule-2 paneljein a 74141 kimeneteit (60 .. 250V is lehet rajtuk) egy un. Guard ring-gel, földre kötött vezetékkel vettem körül. Így, ha valamiért (elpiszkolódás, párásodás) a panel felületén a nagyfeszültségről áram tudna folyni a panelen, az a föld fele kénytelen haladni - nem juthet el a kontroller (és más éryékeny áramkör) veyetékeire...
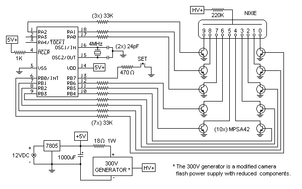
Milyen tranyót rakjak bele, mert a 42es nemigen fogja elbírni a 4db glimmet?!
Az MPSA42 nem 200mA-ig terhelhető? A glimekhez ugyanúgy kell előtétellenállás mint a nixiecsőhöz, nekem 500k van előtétnek és akkor világít úgy mint a nixie látszólag.
Meg se néztem mondjuk, de sima kis forrszemes glimm-jeim vannak, ha 200ma-t bír akkor nem lesz gond.
Szia
Lenne két kérdésem az új panellal kapcsolatban. Az egyik, hogy van két érték nélküli alkatrész (mellékletben bejelöltem) ezeknek mik az értékei? Illetve a forrasztási oldalon vannak smd pad-ek, oda miket kell tenni? Köszönöm.
Az IC-k tápjánál 100nF hidegítőkondiknak lett pad kialakítva. Az LDR mellett egy soros ellenállásnak van hely, abban az esetben, ha 1k alá esne az értéke értelemszerűen ha nincs rá szükség, át kell kötni egy vezetékkel
Szia!
Lassan elkészül egy újabb Mule_v2 verzió, már csak néhány "fontosabb" alkatrészre vár.
Sziasztok!
Valaki tud olyan egycsöves Nixie kapcsolást ami analóg alkatrészekkel működik? Azaz nincs benne PIC.
Hát az sem analóg... hacsak nem plazma bárgráf csővel akarod kijelezni az időt
Az egycsöves kapcsolás lényege, hogy a helyiértékeknek megfelelő számokat egymás után késleltetéssel jelezzük ki a nixie kijelzőn. TTL logikával ez azt jelentené, hogy a számlálók értékeit úgy kellene kikapuzni, hogy bizonyos időközönként hol az egyik, hol a másik (3. -4.) kerüljön a kimenetre. Akkor a váltást még külön időzíteni kell. Ez nem igazán egyszerűsíti a kapcsolást. Nem hiszem, hogy ezt valaki kidolgozta volna... hacsak virtusból nem.
én úgy gondoltam az 1 csövet ,hogy csak az órát jelzi azaz óránként váltana egyet.
De a csövet hajtaná. Valami kis kapcsolásod erre nincs?
Sajnos erre nincs kapcsolásom. Bővebben: szerény véleményem szerint egy 2 1 2 3 4 5 6 7 8 9 0 1 2 1 2 3 4 5 6 7 8 9 0 1 (12órás) vagy 0 1 2 3 4 5 6 7 8 9 0 1 2 3 4 5 6 7 8 9 0 1 2 3 (24 órás) kijelzést megvalósító "órának", amelyen még a változás is csak óránként történik nem sok veleje van. Ha attól eltekintünk, hogy a kijelzés sem egyértelmű az 1 órás időzítéshez ugyanúgy ki kell kapuzni, mint a több csöves óra számlálóit. Meg kell építeni a 4-6 csöves kapcsolást és csak a H1 kimenethez kell beépíteni a csövet meghajtó alkatrészeket. Az 1 csöves pic-es óra 1 IC-vel és egy marék tranzisztorral letudja az egész funkciót, a másikhoz jópár IC kell és ha már ennyit rááldozol időben pénzben és fáradtságban akkor inkább egy több csöves normál óra jobban megérné. (Miért akarsz pic nélküli órát? Ha csak a felprogramozásához nincs eszközöd, abban tudok segíteni.)
akkor tekintsük úgy ,hogy 2 db ugyan olyan analóg kapcsolás üzemel 2 csővel így kijön ez:
01,02,03,04,05,06,07,08,09,10,11,12,13,14,15,16,17,18,19,20,21,22,23,24. Csak az a kérdés ,hogy van-e kapcs ami meghajtja a csövet természetesen PIC nélkül. És ,hogy hangolható-e az óra oldalanként. Igazából már az is elég lenne ha a külön oldalakat egy gombal lehetne fel illetve le váltani. Így öszhangot hoznának ki. Nem tudom lehetett-e követni
Azért próbálom kerülni a PIC-et mert nem nagyon értem és félek is tőle, azaz csak nem látom át.
Még mindig nem értem, mit értesz "analóg" kapcsoláson. A nixicsöves óra digitális óra, a megjelenítés alapvetően diszkrét értékeket vehet fel. :no:
Maradjunk a 12 órás kijelzésnél, akkor a kezdő digitet, ami csak az (0-) 1 értéket veheti fel, jelölheted valamivel (led, glimmlámpa stb.) , akkor a mellékelt kapcsolást kell elkészítened és megspórolhatod az x-el jelölt 2 IC-t. (Nem tudom érdemes-e?) Vagy a másik ábrán a pic-kel készült változatot láthatod, nekem a második az egyszerűbb.
Huh ez nem kis munka.
A PIC-et azért próbálom kerülni ,mert nincs egy rendes PICKIT-em sem és nem nagyon értem a programozási részét. Ha te tudsz ilyen PIC-et égetni akkor postai úton nem adnál el egyet felprogramozva? Természetesen fizetnék
Szia!
Akkor ezt ajánlom! Félelmetesen egyszerű, és a használatai is olyan egyszerű mint 1 faék kb. Szerintem inkább ezt építsd meg, mint szenvedj pic nélkül!
nincs nyomtató csati a PC-men.
Szia!
Atosz90 cikkében szereplő egy csövest is megépítettem, meg Sooty kolléga által publikált mule-t is. Kezdésnek az egy csöves javaslom. Én 2 példányt építettem kezdésnek.... . Aztán jött a mule, de abból is csinálok mégegyet azt hiszem.... Nixie órából sose elég Ha csak a program beégetésétől ódzkodsz, javaslom vegyél egy PICKit2 klónt. Nekem is az van, és bár a programokat csak beégetni szoktam - esetleg kicsit változtatok ha kell, de nem én írom őket - nagyon jó kis eszköz. 5 eft-ért szerelve felélesztve vettem. (Privátban tudok elérhetőséget adni ha akarod). Itt a HE-n nagyon jó kis leírásokat találni az égető használatával kapcsolatban. szerintem itt sokan velem együtt ezeket olvasgatva kezdtek neki a PIC-ezésnek. Ha pedig mégsem akarsz pénzt adni saját égetőre, a felprogramozásban segítek.
Szia!
Maradt még Mule-2 óra panel, és a felprogramozott kontroller sem aladály. Olvasd el a cikket... A többit pü -ben.
Üdv
Elkészült a plexi "ház". 3mm vastag víztiszta. Viszont ez egy speciális mintázatú plexi, nagyon apró matt pöttyökkel van "díszítve". Hasonló mint az autó szélvédők pöttyözött széle. De itt vannak a fotók. A tervekért köszönet Sooty-nak. Az új Mule V2 nyákra pontosan illeszkedik.
Az egycsöves nixinél természetes, hogy 34:98 percet is be lehet állítani? Aki már építette pls. homályosítson fel.
Sziasztok!
Analóg megoldásra van egy ötletem! Végy egy motort, tégy rá egy jó nagy áttételt, a tengellyel forgass egy 12 állású yaxlei tárcsát és kössed rá a NIXIE cső megfelelő lábaira. Ha szinkron motort használsz még pontos is lehet. Ennél analógabbat nem tudok... Gábor
Legfeljebb csak minden órában egykét percig tudod leolvasni (amíg éppen szár a kapcsoló valamelyik érintkezője )
Jó ötlet, de alapvetően nem az én problémám volt.
Én éppen azon dolgoztam, hogy átírjam a programját 16f628a-ra, csak furcsán viselkedik... Kiteszem a napra és leolvasom az árnyékát...
Szia!
Természetes... akár 99:99 is be lehet állítani. A digitet külön, előbb vizsgálja meg, hogy 0..9 közé esik, és később tárolja a kijelölt helyiértékre. Módosítottam a forrást: - 16F716, 16F627(A), 16F628(A), 16F818, 16F819, 16C83, 16C84, 16F83, 16F84(A), 16F87, 16F88 kontrollerekre is fordítható - A 12/24 órás mód a forrásban Mode24Hour szimbólummal választható (ha definiált, akkor 24 órás mód fordul) - Az órajel szintén így állítható be a _3_58MHZ és a _4_00MHZ szimbólumokkal. - A hibás időpontok beállítását is próbáltam megjavítani.
Köszönöm szépen!
Az én verzióm ugyan már megy 16f628-on tegnap óta, de beviteli hibajavításig még nem jutottam el. Egycsövűek, lehet upgrade-elni!
Itt a nyomtatott áramkör tükrözött képe:
És ugyanez a táppal együtt.
|
Bejelentkezés
Hirdetés |








Az egycsöves kapcsolás lényege, hogy a helyiértékeknek megfelelő számokat egymás után késleltetéssel jelezzük ki a nixie kijelzőn. TTL logikával ez azt jelentené, hogy a számlálók értékeit úgy kellene kikapuzni, hogy bizonyos időközönként hol az egyik, hol a másik (3. -4.) kerüljön a kimenetre. Akkor a váltást még külön időzíteni kell. Ez nem igazán egyszerűsíti a kapcsolást. Nem hiszem, hogy ezt valaki kidolgozta volna... hacsak virtusból nem.





Én éppen azon dolgoztam, hogy átírjam a programját 16f628a-ra, csak furcsán viselkedik...
Az én verzióm ugyan már megy 16f628-on tegnap óta, de beviteli hibajavításig még nem jutottam el. Egycsövűek, lehet upgrade-elni! 






