Fórum témák

» Több friss téma
Fórum » VF2 végerősítő
 
Témaindító: proksa1, idő: Feb 7, 2007
Lapozás: OK   4 / 171
(#) Tarzan hozzászólása Júl 11, 2007 /
 
Hello!
Tina-ban szimulálható a vf2. Nekem működött, de nem ugyanazt az átvitelt mutatta, mint amit többen kimértek. Szóval nem a valóságot mutatta, végülis szimuláció.
Ja, és mondja el valaki, hogy mi az, hogy tápáramvezérelt?
Itt ugyanis az műverősítő tápáramát 12Vzener-kondi párosról kapja, amin üzem közben aligha jön létre feszültségingadozás. Vagy rosszul látom?
(#) proksa1 hozzászólása Júl 11, 2007 /
 
Korrektül én sem tudnám leírni, de a feszültségváltozás nem a zeneren, hanem az elötte lévő (a 60V-osban 4.7k-s) ellenálláson jön létre, valami olyasmi lehet hogy minnél jobban kivezérled a végfokot, ugye annál jobban nő a müveleti által felvett áram is, az áram minnél nagyobb annál nagyobb feszültségesést okoz az ellenálláson, és a meghajto rész ennek függvényében vezérli a FETeket. Nekem azért nem tünik jonak valami az elgondolásomba mert a meghajto tranyok bázisa 22uFos kondikkal földelve van.
(#) lamalas válasza Tarzan hozzászólására (») Júl 11, 2007 /
 
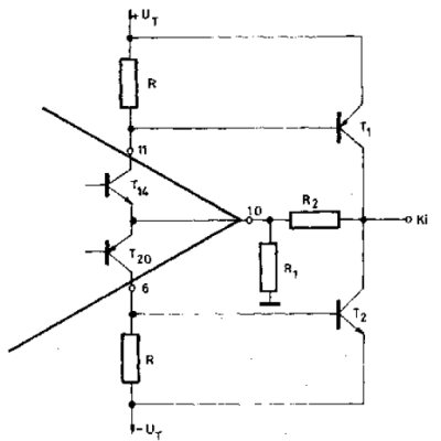
A VF2 valoban nem taparam vezerelt, hisz a muv.erosito utan levo szimmetrikus BJT tranyos fokozat foldelt bazisu kapcsolasban muxik ... ezt egyebkent a szerzo le is irja. A taparamvezerles elve a csatolt kepen lathato. A muveleti erositok kimeno fokozata szinte mindig AB osztalyu igy a nyugalmi aramon tul mindig az aktualis kivezerlesnek megfelelo aramot vesznek fel a tapbol. Ezt a valtakozo aramot hasznaljak ki a kovetkezo tranzisztoros fokozat vezerelesre. Nagyon roviden ennyi a lenyeg. Azonban nem szoktak nagyon ajanlani ezeket a kapcsolasokat, mert amellett, hogy a hangjuk sem szokott nagy szam lenni, termikusan is instabilak is lehetnek ... persze ez kialakitastol/topologiatol is fugg. Mindenesetre a "szokasos/hagyomanyos" erosito topologiak altalaban jobb eredmenyt adnak.
(#) Tomi20 hozzászólása Júl 19, 2007 /
 
Heló

Megépítettem két VF2-t, hídba is kötöttem őket. Én úgy gondolom, hogy mivel a rajzon lévő bemenetek közül az egyiket mindíg GND-re kell húzni, a másikra, meg jelet adni, akkor arra a végfokra kössem a hangfal negatív vezetékét, amelyiknél a negatívra kötöttem a jelet, és a pozitívat meg GND-re húztam. Természetesen a másik végfokon meg fordítva (pozitívra a jelet, negatívat GND-re). Jól gondolom?
(#) proksa1 hozzászólása Aug 14, 2007 /
 
őőő nem egészen. mivel ha a másiknál a pozitívat kötöd a az erősítő földjére akkor az a mégfok nemfog valójában jelet kapni. Inverter kell hozzá, ami 180 fok fázist fordít a hidaláshoz.
(#) Tomi20 válasza proksa1 hozzászólására (») Aug 14, 2007 /
 
a műveleti erősítő invertál. nem? az egyik az invertáló, a másik a nem invertáló bemenetre kapja a jelet, így pont 180 fok van a két jel között.
(#) proksa1 hozzászólása Aug 14, 2007 /
 
őő ez attol függ mien kapcsolás, a szimmetrikus bemenető változatot építetted meg? mert a legtöbben a simát, ahol nincs szimmetrikus bemenet.
(#) Tomi20 válasza proksa1 hozzászólására (») Aug 14, 2007 /
 
A szimmetrikus bemenetűt, mert eleve úgy készítettem, hogy hídba fogom kötni.
(#) Tarzan válasza Tomi20 hozzászólására (») Aug 22, 2007 /
 
A vf2-idet irf540-9540-nel építetted?
Hány voltról és hogy muzsikálnak hídban?
Volt már nagyobb teszt?
(#) Tomi20 válasza Tarzan hozzászólására (») Aug 22, 2007 /
 
Heló

Igen, azokkal a FET-ekkel építettem. Nagyobb tesztre még nem került sor, eddig max 10 percig szólt nagyon hangosan, de akkor tényleg jól szólt. +-24V-ról üzemel.
(#) Tarzan válasza Tomi20 hozzászólására (») Aug 22, 2007 /
 
Ne haragudj értetlenkedésemért, de a trafó ezek szerint 2x 17V-ot ad ki?( így jön ki a 24 V egyenfesz)
(#) Tomi20 válasza Tarzan hozzászólására (») Aug 22, 2007 /
 
igen, kb annyit ad ki váltóban.
(#) nethy hozzászólása Aug 24, 2007 /
 
Sziasztok!

Szeretnék építeni egy 2.1es erősítőt vf2-es végfokokkal és lenne pár kérdésem. Úgy nézne ki a dolog, hogy 2x40W és 65W lenne a szubnak.
Első kérdés: Megfelelő-e ez a teljesítmény arány? (ha nem akkor a sztereokat mennyire vegyem lejebb?)
Második kérdés: a VF2nek a 65W-os változatát hogyan alakítsam át kisebb teljesítményűre? (Elég, ha csak a visszacsatoló ellenállásokat megvariálom, vagy a tápfeszt is érdemes a megfelelő értékre állítani, esetleg egyiket sem és a bemenő jelet csillapítom megfelelően fesz.osztóval?)
Harmadik: trafót úgy méretezzem az erőlködőhöz, hogy a csúcsteljesítményhez szükséges áramot le tudja adni vagy lehet, kisebb is?
(#) szabi83 válasza nethy hozzászólására (») Aug 24, 2007 /
 
Idézet:
„Megfelelő-e ez a teljesítmény arány?”

az erősítő nem minden... a hangfalad fog, hangot szolgáltatni...

pl a mélynyomód 93dB-es a sztereó meg 90dB -s akkor a mély 2* akkorát szól elméletileg.. és nem a watt a lényeg ebben az esetben, máskor semm...

szóval elöbb a hangfal a kérdéses, majd erősítő :yes: sztem....

csá
(#) Peti_85 válasza nethy hozzászólására (») Aug 24, 2007 /
 
De amúgy jól írtad. Elég a feszt csökkneteni (kisebb tápnál kevesebb a teljesítmény), és a másik eset, hogy nem hajtod ki teljesen, ergó nem is ad le annyit...
(#) Tarzan válasza nethy hozzászólására (») Aug 24, 2007 /
 
Hali!

Mekkora szobába lesz ez a cucc?
Nem csak a wattok számítanak, hanem a hangfalak érzékenysége is.
Sztem a 65W sub mellé 2x30W is elég, de a 30 és 40W között nincs hallásra akkora különbség( mivel a fülünk logaritmikusan mér).
Trimmereket kötve a végfokok elé beszintezheted a csatornákat. Vagy pedig csökkentheted a visszacsatoló ellenállások értékét, amikor az történik, hogy nagyobb jel kell a teljes kivezérléshez.
A 65W-os átalakításán nem kell sokat morfondírozni, a végteljesítmény attól függ mekkora tápfeszed van.
Van már trafód? Mik a paraméterei?
Elméletben a vázolt rendszerhez egy 65+2x40W=145W-os trafó is elég lehet, kis belső ellenállású tekerccsel(mivel zenével hajtod). Általában másfélszeres túlméretezés javasolt, esetedben én 200VA trafót választanék, 2x24V szekunderrel.
(#) Tarzan válasza szabi83 hozzászólására (») Aug 24, 2007 /
 
Idézet:
„pl a mélynyomód 93dB-es a sztereó meg 90dB -s akkor a mély 2* akkorát szól elméletileg..”


Ez így nem igaz, a szeterót kétszer akkora teljesítménnyel kell hajtani, hogy "ugyanakkorát" szóljon mint a mély.

Úgy tudom 1dB hangnyomáskülönbség az amit a fül észrevesz.(ezt is leginkább a Vájt fül teszi)
(#) nethy hozzászólása Aug 24, 2007 /
 
Húúú... nem számítottam ekkora válaszözönre, le a kalappal! :worship:
Tisztában vagyok a hangszórók érzékenységével, és a hangfalak majd késöbb lesznek készen Az biztos, hogy a mély ládának nagyobb lesz az érzékenysége. Viszont a mély frekvenciáknak nagyobb az energiája. Olvastam valami olyasmit, hogy mikor a mélyre kb. 50W-nyi teljesítmény jut, akkor a csipogóra kb. 3-5W. Azért kérdeztem mert, ha azt a 40Wnyi közep és magashoz lehet, hogy kevéske a 65W. A 40W lejebb viszem szerintem biztos ami biztos. Igazából olyan 35nm-es szobába kellene... főleg zenére.
Trafóban én is 2x24Vos 200VA-est néztem ki, de biztos ami biztos alapon megkérdezek olyat, aki már épített is erősítőt
Akkor körvonalakban amit eddig kigondoltam:
24Vos trafó 34Vot ad egyenben. Ezt a feszt kapja minden végfok. A sztereo csatornák visszacsatoló ellenállásait a megfelelő feszültségerősítésre állítom be.
A mélyláda nagyobb érzékenységére a következő az elképzelésem: Lesz egy sztereo poti a két csatorna elején, ami a hangerő szabájozásra lenne... ezután innen menne a két jel a sztereo végfokokba illetve párhozamosan mindkettő a szub végfokába, ahol összegződnek. Az összegzés és a végfok között lenne még egy poti, ami a szub érzékenységét lenne hivatott kompenzálni.

Bocs, hogy hosszú lett, de szeretném ha jól sikerülne az erőlködő.
(#) Peti_85 válasza nethy hozzászólására (») Aug 24, 2007 /
 
Eddig minden oké!
De mikor összegzed a két jelet (sztereót) akkor azt egy-egy ellenállással (kb. 10 k) tedd meg, mert különben oda a sztereo jelnek

Amúgy ez a mondatod nagyon tetszett!--->
Idézet:
„Igazából olyan 35nm-es szobába kellene... főleg zenére.”


Mi másra kellene???
(#) nethy válasza Peti_85 hozzászólására (») Aug 24, 2007 /
 
Értem mit akarsz kihozni a mondatból
Arra akartam célozni, hogy nem házimozizáshoz, hanem zenehallgatáshoz használnám inkább. Remélem így tisztább.

Eszembe jutott még egy kérdés: HáromB oldalán a 65Wos változat nem invertál véletlenül?
(#) Tarzan válasza nethy hozzászólására (») Aug 24, 2007 /
 
Idézet:
„HáromB oldalán a 65Wos változat nem invertál véletlenül?”


Úgy látszik, de ez mennyiben zavar majd?
A sajátomat az ne5532-vel építettem, az esetleges hidalás miatt...
Idézet:
„Igazából olyan 35nm-es szobába kellene... főleg zenére.”

De nem kis bulira, ugye?
(#) nethy válasza Tarzan hozzászólására (») Aug 24, 2007 /
 
Zavarni engem nem zavar, csak biztosra mentem. Fordítva kötöm rá a hangszórót és kész.
Lehet, hogy kicsi bulira is használom majd. De nem az a célom, hogy falat bontsak hanem, hogy szépen szóljon. Nem értek a hangosításhoz, de szerintem egy ilyen teljesítményű erősítő kb. 88dBes érzékenységű dobozokkal tud hangerőt varázsolni egy ilyen méretű helységben. Vagy miért kérded, mire kéne vigyáznom? Hűtésre?
(#) lamalas válasza szabi83 hozzászólására (») Aug 24, 2007 /
 
Idézet:
„pl a mélynyomód 93dB-es a sztereó meg 90dB -s akkor a mély 2* akkorát szól elméletileg”


Sajnos ez igy nem helyes. Egyreszt a hangossagerzet duplazasahoz nem 3dB hanem kb. 10dB(!!!) hangnyomasnovekedes kell 1kHz-en. De hogy a helyzetet tovabb bonyolitsuk a mely hangokat azonos hangnyomas mellett halkabbnak halljuk mint a magas hangokat! Asszem ennek a temanak cikk szaga van ... ha lesz hetvegen idom irok rola vmit
(#) szamóca hozzászólása Szept 6, 2007 /
 
Helló mindenkinek. A VF2 eredeti NYÁK-rajza PDF-ben megvan valakinek ? A Király honlapjárol nem tudom miért de nem tudom letölteni . Itt a fórumban egy átalakítottat találtam csak. Köszi előre is.
(#) alex.taylor válasza szamóca hozzászólására (») Szept 6, 2007 /
 
Szia Szamóca!

Nekem meg van de csak a munkahelyemen.Holnap reggel megyek megint dolgozni,ha addig tudsz várni,vagy addig nem rakaja fel vki akkor én szivesen meg osztom veled!!
(#) maTaKee hozzászólása Szept 6, 2007 /
 
Ez miért nem jó?? :

Bővebben: Link
(#) szamóca válasza alex.taylor hozzászólására (») Szept 6, 2007 /
 
Köszönöm alex.taylor. Ha tudom viszonzom a segitséged.
(#) szamóca válasza maTaKee hozzászólására (») Szept 6, 2007 /
 
Féltem is amikor feltettem a kérést hogy sértőleg fog hatni rád, pedig nem ez állt szándékomban. Csupán a felfogatás miatt kell az eredeti
(#) maTaKee válasza szamóca hozzászólására (») Szept 6, 2007 /
 
Már megbocsáss de ez rám miért hatna sértőn? Én csak gondoltam, nem találtál .
(#) szamóca válasza maTaKee hozzászólására (») Szept 6, 2007 /
 
Semmi csak rossz a szemem , és kevertelek vzoole-val.
Következő: »»   4 / 171
Bejelentkezés

Belépés

Hirdetés
XDT.hu
Az oldalon sütiket használunk a helyes működéshez. Bővebb információt az adatvédelmi szabályzatban olvashatsz. Megértettem