Fórum témák
» Több friss téma |
Fórum » Erősítőhöz való hangsugárzó védelem (koppanásgátló)
Témaindító: Thom, idő: Márc 14, 2006
Témakörök:
Üdv! A 48V relé adatlapja: Bővebben: Link
A lényege: 36-62V között van a működési tartomány. A nálam lévő példány 28V-on behúz. Az 5k tekercsellenállás miatt választottam.
Rendben, köszi. Ez a lényeg, működni fog vele.
Ha esetleg valami gond lenne, jelezd. Az alapkapcsolás működik, ezt viszont csak Tinában ellenőriztem. Ott teljesen hibátlan. Az egyenfeszültséget figyelő résszel nem lesz gond, esetleg a bekapcsolási időzítés időtartama térhet el egy kicsit a szimulálttól, a B-E átmenetek nyitófeszültségének eltérése és a pufferelkó szivárgási árama miatt, de az sem lesz számottevő szerintem. Jelezd, ha elkészült a deszkamodell, kíváncsi vagyok az eredményre! Üdv! Steel.
Rendben főnök!
![]() Egyébként nem értem, miért kellett ennyire belekötni a 40V -ba, és a hozzá való relébe, mikor 2-szer leírtam, hogy reloop így kérte a rajzot. ![]() Ezért írtam, hogy Alkotó kötözködős kedvében van... Peace! Steel.
Amikor leterheled a végfokot. és esik a feszültség mindenhol. Akkor is megfelelően fog ez működni?
Jó lenne tesztelni.
Dolgozok rajta, jelentkezni fogok az eredménnyel.
szerintem kellene elé csinálni valami tápot, hogy tápfüggetlenül tudjon működni.
Ahogy KD mester is csinálta a sajátjában. Kép alul:
A kapcsolás alap célja, hogy pillanatnyi hálózatkimaradásra a késleltetés újra induljon.
Nekem még sosem okozott gondot a tápfesz ingadozása ennél a védelemnél.
De tényleg az a korrekt, ha stabil tápja van.
A hálózat kimaradását a váltófeszültség meglétével ellenőrzi a kapcsolás, tehát ígyis-úgyis kimarad a váltó, ami lekapcsolást eredményez, függetlenül attól, hogy teljesen külön tápja van, stabilizált, vagy sem...
Hello!
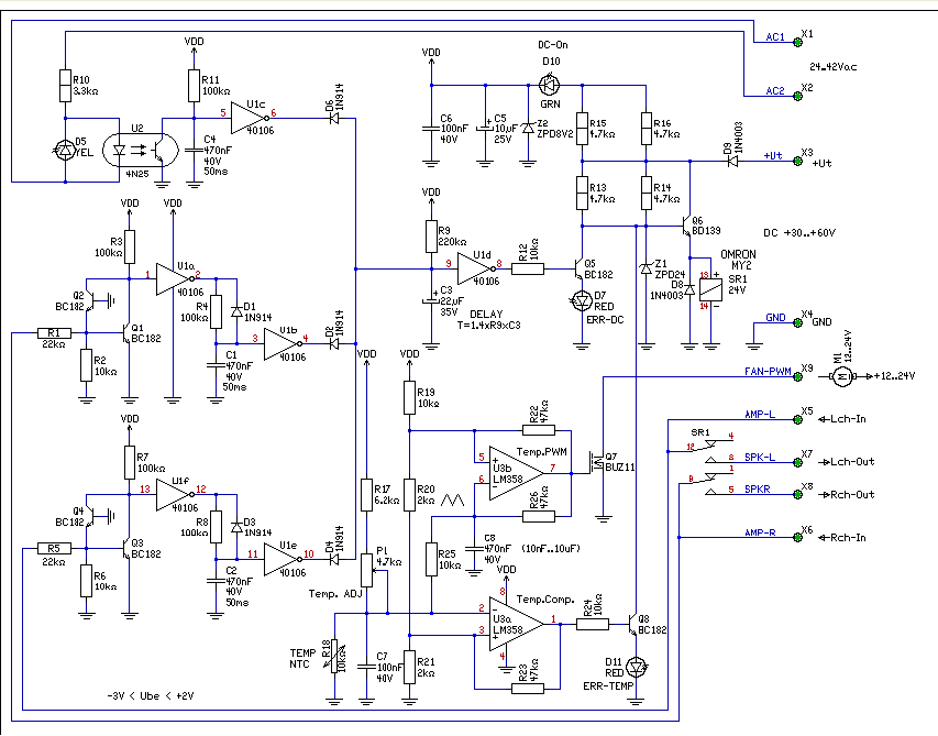
Hogy legyen egy kis "vita indító", felteszek ide egy védelem rajzot. Az alapötlete már közel 30éve működik a QUAD405-ömben. Éppen ki lett egészítve egy ventilátor vezérléssel és egy hőfok védelemmel. - A bemenőköre kísértetiesen hasonlít az általánosan ismertre, de működési elvében még is csak egészen más. Az áramkör tulajdonképpen azt figyeli, hogy az erősítő kimenete, ha valamelyik feszültségoldalra kitér a vezérlés hatására, akkor visszatér-e 50ms-on belül. A 10Hz alsó határfrekvenciát feltételezve. (Avagy minimum 50ms-onként a jel átmegy-e a nullponton.) Mert ha nem, akkor a védelem leold. - Az AC figyelés is hasonlóan működik. Mert a váltófeszültség 20ms-onként kisüti a C4 kondit. Ha a váltó 50ms ideig nem jelenik meg, akkor szintén működésbe lép a védelem. A megoldás előnye, a galvanikus elválasztás, így nincs gond, ha az erősítőben a +- tápfeszültséget két külön Greatz állítja elő. (mint hogy már volt vele többször gond..) - A bekapcsolási késleltetést R9 és C3 biztosítja. Jelenleg 6-7sec között van. - Az áramkör tápfeszültségét a végfok tápjából nyeri (kivétel a ventilátort működtető feszültséget). A Z1 dióda, és a Q6 tranyó stabilizálja a relé feszültségét, így a 24V-os relével, az áramkör 30..60V tápfeszültség esetén változatlan lehet. - A borda hőmérsékletét egy 10kohm-os termisztor figyeli, és PWM módon szabályozza a vennti fordulatszámát. A PWM frekvencia a C8-al állítható be a számunkra megfelelő értékre. (Nem túl szerencsés a PWM vezérlés, mert lassú freki esetén "lökdösi" a ventit, míg magasabb freki esetében hallani a PWM jelet. De átalakítható analóg üzemmódra is, ha R22 és C8 alkatrészeket elhagyjuk. Ekkor a Fet-re esetleg hűtőborda kell.) - Ha a ventilátor már nem tudja ellátni a feladatát, akkor a borda tovább melegszik, és működésbe lép a hőfokkomparátor. Ez szintén aktiválja a védelmet, lekapcsolja a hangszórókat (terhelést) a végfokról. Körülbelül ennyi a működési elmélete. Gondolom sokan eltúlzottnak fogja találni a megoldást, de tőlem ennyi telik. Gondolatébresztőnek, de esetleg ne adj ég után-építésre, azért alkalmas lehet a kapcsolás. üdv! proli007
Nem rossz!
![]() Ez aztán a maximalizmus! Bonyolultabb a védelem, mint a végfok. Jó!!
Hello!
Ez nagyon jónak hangzik. Minden ami kellhet egyben, egy panelon. Mostanság tervezgetem a Quad405 megépítését. Trafó, hűtőborda már megvan. Most keresgettem a megfelelő védelmeket, ventilátorszabályozást. De, hogy most erre rábukkantam, valószínű erre teszem le a voksot...
Eltartott egy darabig, mire megértettem a működését. Minden eddig támasztott kritériumnak megfelel :kalap:
Köszönöm, hogy közrebocsájtottad.
Hello!
Körülnéztem itthon a 24V-os reléim között és ilyet találtam. Ez hasonlítt a kapcsolási rajzodban szereplőhöz, ezért kérdezném, hogy méretileg beleillene -e a panelba?
Hello!
Ha csak hasonlít az kevés. A pontos méretek kellenének. De ha megadod a méretét, típusát és van róla adatlap, vagy pontos méret, akkor betervezhetem neked ha gondolod. Egyénként meg kinyomtatod a rajzot, és rápróbálod a relét.. üdv! proli007
A lábak méretkiosztása stimmel, de ez foglalatba való, és nem panelbe építhető. Ezért vagy vesz egy nyákos reléaljzatot, és azt használja, vagy igen-nagy forszemeket és furatot kell tervezni, készíteni.
Hello!
Amit linkeltem honlapot ott írnak pontos méretet, típust, továbbá ott van a katalógusa. De linkelem mégegyszer: Bővebben: Link Üdv.: Kistotti
Megmondom őszintén nyákos reléaljzattal még sosem találkoztam. Dín sinre szerelhető aljzatom van hozzá, de hát az nem ide való. Van egy doboznyi relém, mindenféle kivitelbe, de pont ilyen nincs.
Végülis mindegy nem bonyolíttom a dolgokat, majd ha veszem meg a panelhoz az alkatrészeket, akkor veszek bele illő relét is.
Itt van egy nyákba ültethető reléfoglalat, de van ott a HQ -nál több is.
Szerintem, ha rendelsz, nézz szét ott relé ügyben, de itt a HE Store -nál is vannak jó áron relék, úgy láttam. Amit linkeltél, az drága ezekhez képest.
Jó lesz ez. Kicsit ügyeskedni kell, hogy a lábakhoz való "hosszúkás lyuk" elkészüljön, de simán megoldható.
És egy fotó, amit nem tudtam bemódosítani. Már a látvány is meggyőző egy ilyen relénél.
Kezdem gyanítani KD mester kapcsolásában a feszültség stabilizátor szerepét. A feszültség ingadozása esetén az 1k -n folyó áram változik, ezáltal ha kis mértékben is de változik a 15V zener diódán eső feszültség, miközben a 100µF feszültsége alig módosul. Szélsőséges esetben a tranzisztor lezárhat.
Ilyen probléma Steel kapcsolásában nem merülhet fel.
Hello!
Igazából amit linkeltem relét, azt úgy kaptam ingyen ismerőstől és elég sok van belőle, meg még ezen kívül elég sok fajta. Azért szoktam ezekből gazdálkodni. Egyébként ennek a reléfoglalatnak az árából kijönne egy panelba forrasztható relé, szóval nembiztos hogy megérné.
Hello!
Látom nem csak én vagyok ilyen helyzetben. Ezzel a hosszúkás lyuk elkészítésével nagyon jó ötletet adtál, még a nyákot sem kell modósítani. Panelfuróval nem fog gondot okozni az elkészítése, hiszen vannak hozzá különféle maró, csiszoló kiegészítők, azzal pillanatok alatt elkészíthető.
Helló! Megnyákoltam a rajzot hővédelem nélkül. Remélem egyezik.
Üdv! Elkészült a nyákterv, hővédelem nélkül. Remélem egyezik a rajzzal. Kezdő vagyok a nyáktervezésben, minden észrevételt szívesen fogadok.
Szia! Nagyon szép lett a terv, én csak egy apróságot látok benne: a relé és az 1N4148 csatlakozásánál van egy hegyes szögű csatlakozás. Ezt tudtommal kerülni célszerű. Üdv: Pepe
Jobbról a második tranzisztornál is van egy.
Attól még működik, maradhat így is szerintem.
Jó lett!
Nekem az a bajom, hogy feleekkorába csinálok mindent, jól összesűrítve az alkatrészeket... ![]() Nem látok rajta elkötést, szerintem jó lesz. Esetleg a forrszemek méreteit az alkatrészlábaknál lehetne növelni, ahol elfér a nagyobb. Jobban bírja a forrasztást, ha nagyobb a felülete. Nem egyszeri forrasztásnál van jelentősége, hanem akkor, ha esetleg cserélni kell majd valamit a panelon. Talán még azt a plusz 1N4148 -at rátervezheted, ami a zénerrel párhuzamosan kellhet, ahogy írtam az üzenetben. (Az ROUT fóliát lehetne a relé üres lábai között vinni)
Még egy apró észrevétel:
Ha a két db 220µF -os kondit rögtön az egyenszint figyelő tranzisztorok mellé teszed, akkor a végfok kimenetekről nem kell olyan hosszú fólián vinni a jeleket a 47 kOhm -okra, mert azok mehetnek a CP alá, vízszintesen. A nagyjelű rész minél rövidebb fóliákon legyen jelen szerintem. Nagyfrekin egy ekkora hosszú fólia már antenna, ami gerjedésre hajlamos végfok esetén már elég a visszacsatoláshoz. |
Bejelentkezés
Hirdetés |










Végülis mindegy nem bonyolíttom a dolgokat, majd ha veszem meg a panelhoz az alkatrészeket, akkor veszek bele illő relét is.








