Fórum témák
» Több friss téma |
Tehát akkor még1x előröl az egészet.
A hálózat 3 fázisú hálózat. Emellett van még nulla meg föld. Jelen bekötése úgy néz ki hogy: A 3 fázis átfolyik a Firelén emellett a nulla is átfolyik és rámegy a 0-a sínre. A föld egyenesen a föld sínre megy direktbe. A dobozban gyárilag össze volt kötve a föld és 0-a sín. Aszondták az okosok hogy először is szedjem ki a föld és a nulla összekötést majd utánna kössem össze a 0-át a föld sínnel még a firelé előttről. A földet hagyjam simán a föld sínen és a 0-át a firelé után kössem a 0-a sínre. Akkor ez most jó vagy nem?
Fulcsii! Rosszul fejezted ki magad. A FI-relé előtt összekötjük a nulla+földet,ami egyben a szétválasztást is jelenti.
Ötfelezős akkor jó így szerinted is, mert te máshogy írtad bár logikailag ugyanannak tűnt nekem.
Neem!
Szét választjuk! Ha már külön jön a PE és az N akkor tilos összekötni! Csak ha PEN jön és te még egy segédföldet leversz és rákötöd, akkor kötjük össze!
Bocs! Félre értettük egymást.Nem a lakás elosztóban történő EPH-ra gondolok,hanem a fővezeték és a földelés összekötésére,a fogyasztásmérő helyen. Utána külön megy.
Idézet: „kössem össze a 0-át a föld sínnel még a firelé előttről. A földet hagyjam simán a föld sínen” Háát nem igazán.Ha már egyszer külön jönnek ,nem igazán illik összekötni. A bejövő nulla a FI relébe, a FI ből jövő nulla a nulla sínre,A bejövő föld a föld sínre.És nem összekötve a nulla sínnel.
Embör! Sajnos nem vagy tisztában a nullázással a feltételeivel! Azért beszélsz szamárságot! Ha már egyszer szét van választva többé nem szabad össze kötni, tökmindegy hogy hol van! TN-C a rendszer és utána TN-S lesz! És ezt az egészet arra találták ki, hogy ne kelljen olyan mocskos kicsi ellenállású földeléseket készíteni! ez működik földelés nélkül is, ha a földelőd szakadt véletlen. Csak hát a veszélye annyi, ha nulla szakadás van és a földelőd is szakadt a fázis ki kerül a testekre!
Na igy már világos csak fogalmazás zavarba voltam. Mert akkor szaknyelven szétkötjük, de ugye a visszafele nézzük akkor összekötjük. Mert ugye mig PEN addig összevan kötve.
De köszi mert igy hogy leirtad már teljesen világos lett a dolog. De azért még egy kérdés ha csak a PEN vezeték jönbe az ugye az óránál megy bele a szondába. Ezek szerint neki mindegy hogy onnan jön a védő vezeték vagy a megszakitó dobozba van szétválasztva?
A zöld/sárgára gondoltam.
Z/S-t soha nem kötöttünk még FI-be!
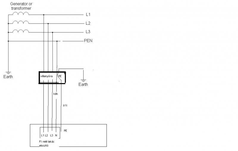
Na itt egy rajzocska, hát ha most már érthető lesz!
Csakhogy teljes legyen a kavarodás,a nagybátyámnál úgy van szerelve,bejön a légkábel villanyóra,ismét 30M légkábel (2 ér)majd a lakáselosztónál választották szét a nulla/védőföldet,illetve itt van a szonda is elhelyezve.
Az elözö irásod után már érthetö volt. De én már csak arra voltam kiváncsi hogy létezik e olyan, hogy ott az óránál szondázzák de nem válaszák ott szét? Csak a kismegszakitó dobozba.
Nincs azzal semmi baj. Még mindíg jobb, mint ha 30m-el arrébb van a szonda és csak egy "vékony"dróton megy be a lakásba. Ez így teljesen jó.
Ez így helyes,csak annyit szeretnék még hozzátenni hogy szolgáltatója válogatja hogy a vill óra szekrényben vagy a lakáselosztóban van szétválasztva. Eon területén legalább is felénk a pen átmegy a mérőn és úgy jön a lakáselosztóba és itt lehet csak szétválasztani máshogy nem is lehet csinálni erre,nem tudom miért van szolgáltatók között ekkora eltérés kivitelezés kapcsán.
Igen ez is teljesen rendben van, ha a vezető keresztmetszete minimum 10-es! 10mm2 alatt már nem mehet együtt! Elárulom neked, hogy 200m-en ként a villanyoszlopokon is meg van ez a földelés! Ennek a rendszernek az a lényege, a biztonság kedvéért sok helyen van földelve, nem történhet igazából baj, ha egy helyi földelő rossz, és nem is kell nagyon kis értékü földelőt csinálni, hanem csak számottevőt!
Ugylátom meg is kaptam a választ a kérdésemre.
sziasztok van egy aknám és szeretném belekötni a villanyt. A szivattyú vezetéke dug villás 1fázisú motor és hogy ajak neki mért nedves párás helységről van szó
gondoltam felszerelni 1db ajzatót a dugónak és azt mondták nem szabályos másik azt hogy igen akkor most mit tegyek ?
Ha aknában van a szivattyú, ez többféle problémát is felvet.
Először is mennyire vizes az akna? A motor IP védettsége, és nem csak az adattábla szerint, hanem a valóságban a kapocsnekninél! Ezt illene direktbe bekötni egy nyomáskapcsolóval, megfelelően tömített szereléssel. Tehát tessen keresni egy MEGFELELŐ szakembert, aki szakszerűen megoldja, ha sokáig szeretnél még élni!
Hívj egy szakembert aki a dugvillás csatlakozást átalakítja úgy hogy fix bekötésű legyen a szivattyú. A kábelt meg legalább IP67 es dobozban ugyanilyen védettségű kábelbevezetőn keresztül kösse össze SORKAPOCSBAN az épületből jövő kábellal. Természetesen 30mA ÉV relé és megfelelő kismegszakító vagy kombinált készülék használata kötelező.
Természetesen megfelelő szivattyúra lesz szükség vagy a pára elvezetésére.
igen jobb ha direktbe viszel le egy szálat persze védövel 30 mA es Áramvédö is kellene mint elozo hozzaszolo is mondta.
Rengeteget dolgozok medenceszivattyukkal szinte mindig felszerelek egy vizes helysegbe valo levalaszto kapcsolot hogy onnan tudjam kapcsolni a pumpat. milyen szivattyu? mit csinalsz vele? bv
Mért, az örökre van vasalva a motorral? Le lehet azt szakszerűen cserélni ha kell!
Háát egy jól megkonstruált tömített (jellemzően búvárszivattyúk) motor esetén nem szívesen nyúlnék hozzá.Ha meg nincs rendesen tömítve nem raknám aknába.
Egyik helyen láttam olyan félbe nyitható vezeték toldót ,amiben egy dugvilla /dugalj páros elfér Szerintem ebben esetleg kihelyezve a dugvillás csatlakozást ,már kívülre lehetne helyezni az aknán a kényes pontokat.
Már bocsi, hogy bele pofázok, de ez most víz alatt lesz ez a dugalj? vagy mi? megfelelő IP védettséggel mondjuk IP44 vagy annál magasabb fokozatú bármikor megfelel. Egy 30mA-es ÁVK-val! Mit kell ezen ragozni?
például egy lengő! http://www.anrodiszlec.hu/product_info.php/products_id/3623 Vagy egy fix! http://www.argep.hu/popup.asp?pid=128310917&pnr=10001&foto=1
Idézet: „nedves párás helységről van szó” Nem mi találtuk ki a környezeti feltételeket. Ha kellően száraz akkor természetesen IP44 mehet. Bár én inkább IP55 -t tennék kültérre. De az aknáról nem tudunk semmit. Betonozott, víz szigetelt, szellőztetett? A megoldás akkor is jó.
Nekem csak az jutott eszembe,felénk gyakori egy 1-1,5m mély akna ,ide letéve egy szivattyú.Hát van olyan év amikor az akna tetején folyik ki a talajvíz ,de van hogy száraz helyiségnek is lehet nevezni.Ha ide egy jó szivattyút lerak ami bírja a vizet ,a működés leggyengébb láncszeme a dugvilla/dugalj páros lesz.(életvédelmileg a FI relé jó ,de ha nincs víz a tanyában tulajt az is bosszantja.)
(azt ne kérdezd miért kell a föld alá rakni,talán azért hogy télen is működjön.)
Én még olyan szivattyút nem láttam, ami bírta volna az elmerítést úgy, hogy még működik is!
Hacsak nem búvárszivattyúról van szó! Azon meg van vagy 10m kábel. Itt jelen esetben szerintem egy mezei vízszivattyúról van szó, ami nem szeresse a vizet. A kötést azért kell fixre megszerelni, hogy a pára ne kezhesse ki. A motor védettségére azért kíváncsi lennék, mert még nem tudtuk meg. Az is lehet, hogy egyáltalán nem szerelhető aknába a nem megfelelő IP miatt! Addig teljesen felesleges az eszmefuttatás. |
Bejelentkezés
Hirdetés |




De köszi mert igy hogy leirtad már teljesen világos lett a dolog. 
