Fórum témák
» Több friss téma |
Fórum » Inverteres hegesztőtrafó
ezek nem azok a gépek!
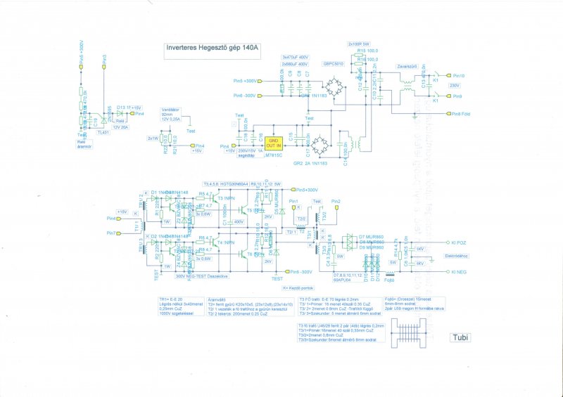
ami ezen a képen látható annak a rajza van meg.
Szia.Köszi.Nyugodtan vágj bele,láthatod van segítség.
na akkor megegyezik, mert ez egy STEL gép nyákja még a 90-es évekből.
Sziasztok.Folyamatban volt még egy COLT1 tipusú gép,nem az első.Na ez is rendben van.Kitudtam belőle venni 180A.Ekkor már a 3,25 páplca vágta át a 8mm anyagot.Mivel négyes pálcám nincs nem tudtam tovább próbálni.pedig megpróbáltam volna,mit bír,akár az IGBT árán is.Ez a kapcsolás nagyon korrekt,végül is 160A szabályoztam le,de ez még mindig túl sok a 3,25 pálcához.Azért irtam hogy COLT1,mert van fenn egy másik változat,azt elnevezném COLT2 nek.A tisztább látás kedvéért.
Vasúti síneket hegesztessz, vagy minek ekkora gép? 40A/pálca mm-el szokás számolni. Tehát a 3,25ös pálcához 130A bőven elég. Én inkább a bekapcsolási időre gyúrnék, mert sztem az fontosabb tényező.
Bocs,hogy beleszólok azért nembaj,ha a gépben van tartalék - az nagyon boszantó tud lenni,ha 2-3db 3,25-ös után "cigiszünetet"kell tartani-míg hűl a gép.
SziaArról a KOLT-1-ről írsz aminek oroszból föllett téve a leírása és az eredeti orosz rajz?Azt Erdgab vagy Tubi modernizálta-csak a végét aztán van a KOLT-2 amiben "kényelmi"kapcsolástecnikák vannak?
Sziasztok.Ja lehetne kevesebb az amper,de otthoni hegesztésnél úgysem lesz ennyire feltekerve.A Tubi féle colt1.Mindkettőben ugyanazok a funkciók megvannak,de én a segédtápot nem kötöttem össze a főtáp negatívjával,hanem mint a maciban külön van.Ehez a megoldáshoz dupla segédtáp kell,aminek a negatívja össze van kötve,és a lágy indító tekercs negatívja a vezérlő panelen a 22 pont,R15 ös ellenállásra van kötve.Mind addig pozitivot kap,mig a tekercs meg nem húz,addig tiltja a vezérlést.Ezt a megoldást azért csináltam hogy csökkentett táppal is tudjam tesztelni.
Itt vannak sorban,hogy nekelljen keresni :
Amiről beszélsz, azt a gép hűtése befolyásolja. Tehát ezért mondtam, hogy lehet nem a maximális áramot kéne keresni, mert ugysem tud ilyen határértékeken 1 pálcánál többet és nem változtatja a bekapcsolási idejét, hanem ha hűtést javítod, akkor folyamatosabban lehet kesebb teljesítménnyel dolgozni. Lehet turbózni egy gépet addig amíg bírják a félvezetők, de ez nem növeli meg a bekapcsolási idejét.
Véleményem szerint egyébként a legtöbb inverternél a meghibásodások fő oka éppen az elégtelen hűtés, és a hővédelem ezt csak késlelteti de egy idő után (lehet hogy csak 1-2 év múlva) füst lesz a vége. A folyamatos munkához a meglévőnél 3x, 4x hatékonyabb hőelvezetés kéne. Tesztelgettem a sajátomat, a mostani bordákhoz olyan ventit kéne beletennem ami közel akkorát nyom mint egy hajszárító.
Hogy menyire igazat szóltál-alátámasztandó itt van két majdnem azonos teljesítményűnek"mondott"gép az UTP és GYISM (mindkettő 180A?)hűtőbordája persze tudom,hogy a ventillátorok teljesítménye sem mindegy.A GYISM bordá még a hálózati egyenirányító is rajta van az UTP nek meg külön+ban.
Ilyet kell rátenni és lesz hűtés! Hűtőborda
Sziasztok ! A HQ-nál akciós IGBT-k vannak !
hát ezaz
Lehet hogy mind a kettő tudja az adott áramot, az már más kérdés hogy mennyi ideig... Sokan amikor gépet vesznek, ezt a tényezőt nem is nézik, mert azt sem tudják mi a bekapcsolási idő.
Egy laikustól nemis várhatod el,hogy tudja.Megnézi az áramot,esetleg valami jólhangzó márkát meg a szomszdétól nagyobb és csicsásabb legyen meg persze az ÁRÁT.
Ismerős ez egyébként. Cégek jönnek ki újjabb gépekkel ami detto ugyanaz a kapcsolás mint előtte, csak kisebbek a hűtőbordák. Láttam olyan gépet, amiben fojtót is kispórolták. A régebbi típusokban -amik elvileg ugyanezt az áramot tudják- legalább ötször akkora hűtőbordák voltak. Van olyan gépem ami 160A-t tud, de van benne két 1,5kg-os hűtőborda.
Arról az UTP hegesztőről van valami bővebb információd is? Csak azért kérdezem,mert néhány évvel ezelőtt javítottam egy 200A-es UTP-t és az égvilágon semmit nem találtam róla a neten. A javításhoz egyes részeit vissza kellett rajzolni. Igaz,a gazdája német volt, de neki sem volt semmiféle doksija a gépről.
A Fojtó tekercs hiánya nekem is elvi gondot jelentett.
De megkaptam rá a választ itt a fórumon. A magasabb frekvencián járó inverterekben azért nincs fojtó, mert ott a hegesztő kábel szerepel induktivitás gyanánt.
Egy kanyi papirom nics sajna az UTP-ről -egy éve készülök viszarajzolni talán télen,meg a töbit is. :uhuh
Egyszer már irogattunk róla egymásnak,meg képek is kerültek föl.:
65kHz-en megy a gép. De egyébként megtervezték a gépet fojtóval, majd a következő verzió ugyanaz a kapcsolás fojtó nélkül, kisebb bordákkal.
Az EPS ségebbi verziói 84kHz-en mennek,mégis van bennük fojtó. Ahhoz,hogy a kábel hasznos induktivitásként viselkedjen, szerintem többszáz kHz-en kellene működni a gépnek. Szerintem valami más trükk van a gépben. Lehet hogy kondi?
Az nem lehet, hogy azok a gépek amikben 1-4 menetnyi kis fojtó van vagy nincs is nem áramgenerátoros hanem feszültséggenerátoros üzemmódban működnek? Csak tipp.
Én is találkoztam olyan géppel amiben nem volt fojtó.80-85Khz ment,kondi sem volt sem a primer körben sem a szek körben,egyen irányitás és közvetlen kábel.De az ív hangja hegesztés közben nagyon rossz volt.Recsegett sercegett fröcskölt az ív,de a dolgát végezte vagyis hegesztett.TIG gép volt,160 vagy180A E55vason.
A "kéttranyós" megoldásokkal nincs tapasztalatom, de a hidak simán elmennek fojtó nélkül is csak nagyobb zavarok lesznek a primer és a szekunder oldalon is. Láttam olyat is ahol helyspórolás miatt csak egy néhány menetes légmagos tekercs volt a fojtó.
Sajnos,nem kímélt a vihar péntek este,még nem tértem magamhoz.
Beáztak a tápok,2 műszerem, a Maci,az asztalon minden,még a falon a 3 fázisú szekrényem is a kompresszor kapcsolóival együtt.Szombat-vasárnap és ma is szárítási műveletek folytak,kevés sikerrel,de legalább a villamos szekrényem működik.Bocsánat az off-ért.
sajnálom
Segíthetek valamiben .. valamivel ? :help:
|
Bejelentkezés
Hirdetés |





Vasúti síneket hegesztessz, vagy minek ekkora gép? 40A/pálca mm-el szokás számolni. Tehát a 3,25ös pálcához 130A bőven elég. Én inkább a bekapcsolási időre gyúrnék, mert sztem az fontosabb tényező.







Lehet hogy mind a kettő tudja az adott áramot, az már más kérdés hogy mennyi ideig...



