Fórum témák

» Több friss téma
Fórum » Labortápegység készítése
Egyéb népszerű labortáp témák:
- SMPS labortáp
- Labortáp javítása
Lapozás: OK   374 / 846
(#) c27 válasza Tonybacsi hozzászólására (») Szept 8, 2011 /
 
Oké, akkor megpróbálom árnyékolás nélkül aztán ha valami nem oké, teszek köré valamit. még annyit hogy elég akár milyen vékony lemez? A vasmag és a pántok vasból vannak ha alumínium lemezt teszek köré az nem baj? Valahol olvastam hogy az alu és a vas nem szeretik egymást (vagy festeni kell.)
(#) magneto válasza c27 hozzászólására (») Szept 8, 2011 /
 
Mágneses árnyékolás nincs. Ne keverd össze az elektromágneses árnyékolással.

Ez csak egy rossz szóhasználat. A mágneses árnyékolás nem olyan, mint a Faraday-kalitka ami az elektromágneses hatást küszöböli ki úgy, hogy a fémháló védőhatása miatt a külső elektromos erőtér nem hatol be a befedett részbe.

A mágneses "árnyékolásnál" a mágneses erővonalakat csak csak bele tudod kényszeríteni egy magas permeabilitású anyagba, és nem a levegőben fognak haladni, hanem magában az anyagban. Erre a legolcsóbb anyag, ami erre a célra használható az a vas.

A trafódat kösd be és használd. Tökéletesen fog működni, nem fog zavarni semmit sem. (Hacsak a trafód mágneses tere nem egy MR, vagy CT mágnes erejével vetekszik...)
(#) Alkotó válasza kissmorgo hozzászólására (») Szept 8, 2011 /
 
Ennek a hőmérsékletfüggő ventilátor szabályzónak a rajza és panelterve is megvan nálam. Sőt, létezik már egy újabb változat is, ami annyiban más, hogy két "szonda" jelét figyeli, amiből mindig a magasabb hőmérséklethez tartozó alapján történik a kijelzés is, és persze a vezérlés is. Ezt azért kértem Prolitól, mert ha mondjuk egy erősítő két szélén vannak a bordák, vagy ha nem is a szélén, de nincs közös borda, akkor bármelyik is melegszik fel, elindul a kényszerhűtés. Ha pedig nincs szükség két érzékelőre, akkor csak ki kell hagyni az egyiket. Mindez durván 100Ft többletköltség, tehát érdemes inkább ebbe az irányba elmozdulni, na és erre "hosszabb" kijelzőt terveztem, mert így még látványosabb.
Végül a lényeg. Úgy néz ki, készül ebből majd egy cikk, amit Proli fog részben elkövetni, ezért nem akarom előre felrakni ide a rajzot.
(#) kissmorgo válasza Alkotó hozzászólására (») Szept 8, 2011 /
 
Köszönöm szépen a válaszod Alkotó
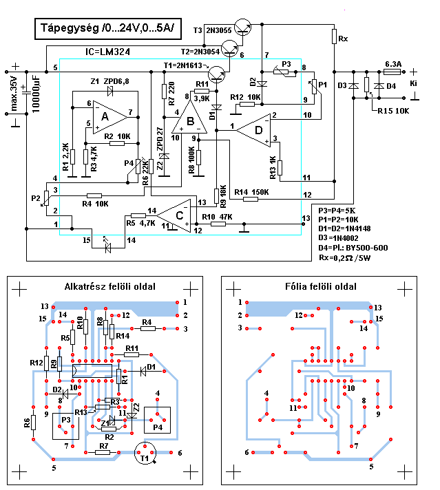
(#) kissmorgo hozzászólása Szept 8, 2011 /
 
Lenne még egy kérdésem A képen látható kapcsolási rajzhoz szeretnék egy volt és egy amper (mind a kettő analóg) mérőt kapcsolni azt hova kéne kötni és hogyan? Előre is köszönöm a válaszokat és segítséget.
ja és egy dc ki/be kapcsolot lehetne bele tenni? Ha igen hogyan és hova? :pirul:
(#) Pioneer válasza kissmorgo hozzászólására (») Szept 8, 2011 /
 
DC off kapcsoló: az R4 ellenállást két ellenállásból rakod össze és a közös pontjukra illetve a gnd-re kötöd a kapcsolót.
Árammérő bekötése az Rx ellenállással párhuzamosan, feszültségmérőt pedig a kimenetre. Természetesen megfelelő előtétellenállás használatával.
(#) Alkotó válasza kissmorgo hozzászólására (») Szept 8, 2011 /
 
Javaslom, nézd meg ezt. Itt éppen erről a rajzról kérdezett valaki.
Pioneer tervének Alkotó-s átrajzolatán egyértelműen bejelöltem hol célszerű mérni. Ha a műszer analóg, akkor másképp kell osztani neki, de a helye akkor is azonos. Ebbe rajzoltam DC-OFF kapcsolót (természetesen Pioneerrel egyeztetve).
(#) kissmorgo válasza Alkotó hozzászólására (») Szept 8, 2011 /
 
Köszönöm
(#) kissmorgo hozzászólása Szept 8, 2011 /
 
Az R4-es ellenálás gondolom mind a kettő 10k-nak kell, hogy legyen?
(#) kissmorgo hozzászólása Szept 8, 2011 /
 
Meg azt szeretném meg kérdezni, hogy a biztosítékot hogy kell kiszámolni, hogy mekkora kell a trafo ellé(220vos ágba) és mekkora kell a trafó után(pl:24volt hoz)! ezzel nem vagyok tisztába
(#) Alkotó válasza kissmorgo hozzászólására (») Szept 8, 2011 /
 
Dehogy! 4k7+4k7, ami nagyjából együtt 10k. De ha akarod, bármelyik lehet 5k6-is, nincs a dolognak jelentősége.
(#) VENOM hozzászólása Szept 9, 2011 /
 
Hello!

Attila86 labortápjánál a függőleges panelon a beültetési rajzon a C26 tól eggyel jobbra lévő alkatrész mi lehet? Az eagle annyira összenyomta a szöveget ott hogy azt is alig látni hogy milyen értékek vannak.

nmv n.jpg
    
(#) Doncso válasza VENOM hozzászólására (») Szept 9, 2011 /
 
Az egy ellenállás, ami függőlegesen van beültetve, értékét a kapcsolási rajzról megállapíthatod.
(#) Pioneer válasza Doncso hozzászólására (») Szept 9, 2011 /
 
Szerintem Ő a helitrimmerre gondolt. Ami egy 1kohm-os helikális trimmer potenciométer.
(#) Doncso válasza Pioneer hozzászólására (») Szept 10, 2011 /
 
Innen úgy látszik, mintha a C26 a 100-as digit bal felső sarka felett lenne. Legalábbis én úgy vettem ki, hogy oda az van írva.
(#) Szveti hozzászólása Szept 11, 2011 /
 
Tápegység készítése előtt állok. Mivel nem akartam feltalálni a csőben a lyukat, ezért vettem a fáradtságot és végig olvastam ezt a topikot, egészen 2007-ig visszamenően! Átgondoltam, hogy milyen műszaki paramétereket szeretnék megvalósítani, majd a jó öreg uA723-al kezdtem kísérletezni (deszkamodell formájában). El is készült egy próba táp, s mikor minden funkciója üzemelt, akkor minden szempontból elkezdtem nyúzni! (teljes terhelés, melegedés, áramgenerátoros üzemmód, stabilitás, stb.) Mikor minden oké volt akkor úgy gondoltam jöhet a rövidzár-teszt. Elsőre úgy nézett ki, hogy az is jó. Majd gondoltam egyet és kipróbáltam, mennyire melegszik a borda, ha tartósan rövidre zárom a kimenetét...! Hááát...! Az áteresztő hiába volt megfelelő bordára szerelve, alig 30 mp alatt a tranyó olyan gyorsan melegedett, hogy a bordának nem tudta olyan gyorsan átadni a keletkezett hőt és elszállt az örök vadászmezőkre...! Szándékosan nem írtam, hogy konkrétan melyik táp kapcsolásával kísérleteztem, mert - ebben az üzemmódban - szerintem az itt közölt összes táp így viselkedett volna! Ezért megfogalmazódott bennem, hogy igazán jó labortápot csak előszabályozóval szabad készíteni, ahol az áteresztőre jutó teljesítmény (a beállított kimenő-feszültségtől és áramtól függetlenül) nagyjából konstans! További kísérleteimet ezirányba fogom folytatni! Az eredményről majd beszámolok!
(#) magneto válasza Szveti hozzászólására (») Szept 11, 2011 /
 
Szia!
Egyszer korábban beszélgettem proli007-tel, amikor még én is labortáp készítése előtt álltam. Megcsináltam az összes labortápot, ami ebben a topikban fellelhető. (Illetve bocs! Pont a hivatkozott uA723-mal készültet nem.) A lényeg! Nincs értelme, és nincs szükség labortápnál 3 ampernél többre. De igazából 2 amper is bőven elég! Ha valami zárlatos, akkor a feszmérőn látod, hogy leesett a feszültség, vagy elkezd világítani az áramhatárt jelző led! Ha valami zárlatos, akkor az zárlatos 200mA-nél is, meg 10A-nál is. Semmi szükség arra, hogy valaki 3-4-5 Ampernél keressen hibát, mert totál hülyeség. Végfokot éleszteni labortápról megint csak hülyeség! Pontosabban lehet, de nem 4Amperről, hanem bőven elég oda 500mA is! A nyugalmi áramot így is be lehet állítani.

Visszakanyarodva proli007 mesterhez... Ő mondta (nem ezekkel a szavakkal, de a lényege ez), hogy semmi értelme 2A-esnél nagyobb áramot adó labortápot csinálni, mert nem használod ki. Akkor furcsállottam, de most teljesen igazat adok neki! Én a tápomat még az életben nem használtam 1A-nál tovább, pedig nyűzöm már elég régóta... Szóval szerintem 0-24V, 0-2A labortáp mindenre elég, még több is, mint szükséges! (És akkor már ugye nem kell előszabályzó sem, mert ekkora áramot ilyen fesz mellet akár 1-2 3055-ös is elbír...)
(#) Doncso válasza magneto hozzászólására (») Szept 11, 2011 /
 
Egyetértek, ne keressünk már hibát 4-5A-es áramkorlát mellet, pláne mikor hagyjuk 30 másodpercnél tovább rövidzárba a tápunkat? Régen én is építettem 2x50v 4A es labtápot, na legyen elég annyi, hogy eladtam már, és helyette proli mester 24v 2A-es tápja van felhúzva 30v 3A-esre, és több is mint elég. Persze elfűti a rövidzárat, gond nélkül, amire eddig nem is volt szükség. Az előszabályzóról pedig kicsit az a véleményem, hogy értelmetlen zajgenerátor, szóval ha ésszerűen használjuk a tápot, bőven lehet spórolni a hűtésen és sokminden máson is szerintem.
(#) Attila86 válasza magneto hozzászólására (») Szept 11, 2011 /
 
Nem akarok én vitázni de ez szerintem egyáltalán nem igaz. Egyetlen példát mondok csak; ki kellett próbálnom egy autórádiót ami filmet is lejátszott és volt hozzá külön egy LCD kijelző. A 2A-es labortápom volt még csak meg akkor, így arra kötöttem rá. Pont 2-2,2A körül fogyasztott az LCD és a labortáp épphogy csak bírta. És ez csak egy példa volt...
Nekem van egy körömnyi méretű MC-E LED-em ami önmagában fel tud venni 3A-t, pedig csak egy 'nyamvadt' LED...
A 24V szintén nagyon hamar kevés lehet, ezt alátámasztandó ismét számos példát tudnék felhozni. De tényleg nem akarok vitázni, mindenki azt gondol amit.
(#) emmzolee válasza magneto hozzászólására (») Szept 11, 2011 /
 
Hát én is csatlakozok Attila86hoz. Én erősítőket, és ilyesmi dolgokat szoktam javítani. Már millió-egyszer jártam úgy régen a 2.5A-es tápommal, hogy kevés volt, és a védelem leoldott, ahelyett, hogy bekapcsolta volna a tesztelni kívánt cuccot. Egy nagy "D" oszt. autós erősítő nemritkán 5A-el indul. Bizony szükség van a bika tápra. Az új tápomnál is gondolkozok, hogy meg kellene oldani a soros, ill. párhuzamos tápkapcsolást. A Pioneer Alkotó 2.7.1 tápom van.
(#) Alkotó válasza Attila86 hozzászólására (») Szept 11, 2011 /
 
Magneto, Szveti, Doncso, Attila86!
Magneto és Doncso estében azt tételezem fel, hogy elsősorban erősítők élesztésére gondolnak, mivel oda tényleg nem kell nagy áram. Viszont nagyon is kell a névleges tápfeszültség (ami azért általában magasabb mint 24-30V), mert e nélkül nehéz beállítani, illetve szinte lehetetlen méréseket végezni benne, ha valami nem gömbölyű elsőre.
Csakhogy, -mint Attila86 utalt rá-, nem csak erősítő van a világon, hanem még egy csomó más dolog is, amiknek még sokszor a létezéséről sem tudunk a labortáp tervezésekor. E miatt igenis célszerű betervezni kicsit nagyobb áramot.
Tehát belátható, bizonyos esetekben nagyobb feszültség, bizonyos esetekben meg nagyobb áram kell, sőt -nekem még eddig ilyen nem volt- akár a kettő együtt is elképzelhető. Ezért kicsit sem hiba, ha már eleve erre készülünk fel.
Az más kérdés, hogy bordára vagy előszabályzóra költünk-e (nekem az utóbbi szimpatikus), és megint más kérdés ha már előszabályzó, akkor abból milyen legyen.
De egy biztos, akármilyen tápot is építünk, előbb-utóbb lesz olyan helyzet, amikor valami miatt nem lesz elég. Ha jól mérjük fel a saját igényeinket, akkor ez ritkán fog előfordulni.
(#) Doncso válasza Alkotó hozzászólására (») Szept 11, 2011 /
 
Erősítő élesztéshez mindjárt két táp kell általában, mivel ugye szimmetrikus tápról beszélünk, nade hamár dupla tápom van, ami mondjuk tud 30v 3A-t akkor ezt tudom variálni, 60v 3A vagy 30v 6A, ha nem dupla tápról beszélünk akkor meg zárjuk ki az erősítő élesztést, mint okot, hogy nagyáramú tápot kellene építeni, komolyabb erősítőknél meg egyébként is érdemesebb saját tápról éleszteni, oda nekem nem szokott kelleni labor táp. Az élet más területein sem szokott kelleni 3A-nél több, persze ez csak a saját felhasználási területem, nem általánosítok, ezek a saját tapasztalataim, nem szeretném másra akasztani, mindössze annyi, hogy nekem eddig elég volt többnyire mindig az a 2x30v 3A. Bár számos példát tudnék hozni , ahova ez kevés, de ez örök vita maradna szerintem. A Legjobb , ha mindenki olyan tápot épít amit gondol.
(#) Tonybacsi válasza Attila86 hozzászólására (») Szept 11, 2011 / 1
 
Én inkább úgy fogalmaznék, hogy "egy táp, nem táp" !

Mindenki más tipusú áramköröket használ, épít, tesztel, javít. Azt is tudja , milyen tápot használjon ezekhez. Előbb-utóbb azonban kevésnek bizonyul valami: vagy a fesz. vagy az áram.
Én úgy gondolom, hogy mindig a célnak és a felhasználásnak megfelelő tápegységet használjuk. Univerzális felhasználásra lehet egy (max) 30V/3A-es labortáp minimum 2 range-s áramhatár beállítással digit kijelzőkkel. Utána ez úgyis kevés lesz ahogy Attila86 is írta, ezért nagyon jó szolgálatot tud tenni egy rövidzár védett "akkupótló" tápegység ami legalább 30A-t tud 12V-on, (kis mértékben állítható kimenő fesz-el).
És aki meg nagy feszültségű berendezésekkel (is) foglalkozik annak meg nagyfesz táp szükséges.
De olyant hogy mindenkinek, mindenre megfeleljen egy tápegység....
(#) Doncso válasza Tonybacsi hozzászólására (») Szept 11, 2011 /
 
Egyetértek.
(#) Szveti hozzászólása Szept 11, 2011 /
 
Végigolvasva a reagálásotokat sok mindenben egyetértetek veletek. Én is úgy gondolom , ha valaki egy labortáp készítésébe vágja a fejszéjét, akkor először GONDOLKODJON! Először is azon, hogy mire van szüksége, mire fogja használni, milyen sűrűn, és nem utolsó sorban mik a lehetőségei (anyagilag, szakmailag, mennyi ideje van az elkészítésre, stb). Ezen a fórumon megdöbbenve olvastam olyan "szakmai kalandorok" hozzászólásait, akik úgy vágtak bele labortáp építésébe, hogy az Ohm törvényről talán még sosem hallottak! Szakmai hiányosságaikat vakmerőséggel, vagy "vastag pénztárcával" kompenzálták. Sokszor azt sem értettem, hogy minek az olyanoknak "LABOR TÁP"??? S ráadásul mindjárt a legmagasabbra tették a mércét (pl. 2x40-50V, 5-10A!) Mire fogják használni??? (Talán szikráztatásra...?). Őszinte tisztelettel olvastam néhány kolléga (nem akarok neveket említeni, mert félek, hogy a listám hiányos lesz) türelmes segítő javaslatait, ezen laikusok szakmai megsegítésére. Nekik külön gratula! (Bocs kicsit elkalandoztam...)
Néhány évvel ezelőtt ezen a fórumon valaki felvetette az előszabályozás lehetőségét, előnyeit, fontosságát. Valaki más pedig (egy szakkönyvből) idézett egy igen egyszerű módszert az előszabályozásra. Az a megoldás kisebb szakmai vitákat váltott ki, voltak érvelői és ellenzői is! Többen kipróbálták s jónak találták. Akik ellenezték, azzal érveltek, hogy "csak zajt termel", hosszú távon "árt a puffer elkónak". Ez megint az a helyzet, mikor mindenkinek magának kell eldönteni, hogy számára mi a fontos!
Utána néztem több olyan komoly gyári FOK-Gyem, HIKI) labor tápnak amelyben tirisztoros előszabályozót használnak. Mindegyikben megnyugtatóan megoldották a tirisztor(ok) által okozott zavarok kiszűrését, úgy a hálózat irányába, mint a táp kimenete felé! Ezeknek a megoldásoknak egyetlen hátránya (számomra), hogy túl sok plusz áramkörrel kell kiegészíteni egy hagyományos tápot ahhoz, hogy előszabályzós legyen.
Ezért próbáltam ki a fent már említett egyszerű előszabályozót (emlékeztetőül mellékelem az évekkel ezelőtt közölt rajzot). A kezdeti (saját) hülyeségem kiküszöbölése után azt kell mondanom: az eredmény jobb mint gondoltam! A mellékelt kapcsolási részletet a saját táp-kapcsolásomhoz úgy alkalmaztam, hogy a uA723-as, és a szabályozás többi eleme külön (előszabályozás nélküli) fix tápról működik. A tirisztor által termelt zaj (primer és szekunder oldalon) kisméretű fojtókkal megnyugtatóan elnyomható! Az elszabályozásnak köszönhetően az áteresztő kollektor/emitterén átlagosan 5-6V lesz (kimenőfesztől és áramtól függetlenül). Ily módon nem kell ventillátor, a borda mérete drasztikusan csökkenthető, sőt a párhuzamosan kötött áteresztők száma is! Kipróbáltam tartós rövidzárral is. Az eredmény lenyűgöző! A borda kézmeleg maradt percek múlva is!!!

"De olyant hogy mindenkinek, mindenre megfeleljen egy tápegység.... " (Tonybacsi)

Természetesen ilyen nincs...!
(#) Szveti válasza magneto hozzászólására (») Szept 11, 2011 /
 
Egy példa: van egy 0-40V/3A-es tápod. Ennek a pufferén min. 45-46Vnak kell lenni teljes terhelés mellett is. Ha ezt a tápot pl. 5V/3A-en használod, akkor az áteresztő(kö)n kb. 120W fog eldisszipálódni. Rövidzár esetén ez megközelíti a 140W-ot! Előszabályozás esetén ez csak 15-20W lesz 3A-es terhelés mellett, a kimenőfeszültségtől függetlenül! A két megoldás közötti 100-120W csak feleslegesen fűti a környezetét!
(#) proli007 válasza emmzolee hozzászólására (») Szept 11, 2011 /
 
Hello!
Az működni fog, de itt is illik a bázis-emitter közé ellenállást tenni.
üdv! proli007
(#) magneto válasza Szveti hozzászólására (») Szept 11, 2011 /
 
Szia!
Így van, ezzel nem is vitatkozom, mert ebben teljesen igazad van! Én csak azt próbáltam kifejteni, hogy a labortáp fogalma számomra egy olyan viszonylag széles tartományban szabályozható feszültségű és áramú eszköz, ami házi, hobbista, esetleg szerényebb szerviz körülmények között is használható. Amit én készítek, javítok az: CD lejátszó, rádió, erősítő, előerősítő, gitárhoz effekt, PIC-es dolgok, amihez bőven elegendő a 0-24(30)V és 0-2(3)A-s táp. Szerintem az esetek nagy többségében (60-70%-ban) ez elegendő is. Természetesen vannak olyan eszközök, mint amilyet Attila86, vagy emmzolee említett, de ezekhez inkább speciális(abb) tápok kellenek, és nyilván nem ugyanarról a labortápról fogja éleszteni, javítani ezeket a merőben különböző áramfelvételű eszközöket. De a legjobban Tonybacsi fogalmazta meg a mondanivaló(nk) lényegét!
(#) Szveti válasza magneto hozzászólására (») Szept 11, 2011 /
 
Helló magneto!
Egyetértek veled! Ezért írtam korábban, hogy mindenkinek magának kell eldönteni, mire van szüksége és mik a lehetőségei. Ezt a döntést még az is befolyásolhatja, hogy mi található a "fiókban vagy a sufniban"? (Ez utóbbi feltétel egyébként sok kompromisszumnak is az alapja!) Akkor most elárulom, hogy én is egy kb. 25-30V/1,5-2A tápban gondolkodok. Nem azért, mert ez mindig és minden munkához maradéktalanul megfelel, hanem azért mert:
1./ az én várható igényeimnek ez elegendő
2./ ehhez szinte mindenem meg van a fiókban
3./ a rendelkezésemre álló doboz méretei ennyit képes "befogadni". (A doboz egyébként elég kicsi...! Ez az egyik- de nem az egyetlen - oka annak, hogy "erőltetem" az előszabályozó alkalmazását!)
(#) Tonybacsi hozzászólása Szept 11, 2011 /
 
Talán még annyit...
...annak idején én is beleestem abba a hibába, hogy meg akartam építeni álmaim tápegységét.
2x0-30V 0-10A a kimeneten, kettős duál három és fél digites LED kijelző, három fokozatú Jackley-s előválasztó, plusz még egy-egy 5V-10A és egy 12V-4A-es kimenet, plusz még egy 10-20V max1A-es precízen egy potival állítható kettős kimenet.
Szereztem hát két db 500W-os E-I lemezelt trafót és elvittem tekercseltetni, majd szereztem egy szabványos 19"-os szerelhető rack dobozt (szélesség:482mm, magasság:133mm, mélység:350mm).
Miután leteszteltük a részegységeket próba panelen, és minden jól működött, jött (volna) a dobozba építés.
Kiderült ugyanis, hogy NEM FÉR BELE a cucc!

...szűzanyám...egy ekkora majd fél méter széles batár nagy dobozba ?!...és még a hűtőborda is kicsi lett volna, a teljes hátlapot kitöltve (persze akkor még nem volt ilyen nagy választék sem aktív elemekből, sem ventilátorokból)...

...hát azóta is ott porosodik a két trafó, a Jackley-k, meg a doboz a szekrény tetején. Egyszerűen túl nagy lett volna az egész, és túl volt már az ésszerűség határán.
Inkább megépítettem külön-külön azokat.
Amiket meg ritkábban használok, azt félre teszem, (kivéve a szeretett kis labortápom)
Biztos mindenkinek van egy olyan tápegysége amit nagyon szeret használni (és lehet, hogy az pont a legegyszerűbb fajtából való)...mondván:"...a másik túl nagy, túl nehéz, vagy macera elővenni, vagy nem tetszik a színe..."

Tehát: "Ne akarjuk megépíteni (főleg első nekifutásra) álmaink tápegységét!"

Építsünk egy univerzálisan használható normál méretű dobozzal (mondjuk: sz:200ma:100mé:150mm) egy labortápot, lehetőleg az egyszerűbb kapcsolás technikából.

...utána jöhet a többi...


Következő: »»   374 / 846
Bejelentkezés

Belépés

Hirdetés
XDT.hu
Az oldalon sütiket használunk a helyes működéshez. Bővebb információt az adatvédelmi szabályzatban olvashatsz. Megértettem