Fórum témák
» Több friss téma |
Áhh most hogy mondot tényleg. van úgyis elég drótóom.
0,7es primer olyan vékony? Előtte egy 0,2es primerű trafó volt benne 0,7es szekunderrel. A fűtött ám
TDA7294-gyel építendő erősítő tápellátását tervezem éppen. Az elképzelés az lenne, hogy egy mikrovezérlős készenléti áramkör is működne mindig a készülékben. Amikor készenléti üzemmód van, a végfokot teljesen leválasztanám a szekunder oldalról relével (0 fogyasztás...). Előtte persze némítani kell a végfokot.
Viszont így 2 független szekundere lenne a trafónak. A második szekunderen lenne a készenléti áramkör (annak a fogyasztása meg elhanyagolhatóan kicsi). Ezért kérdeztem csak... A másik lehetőség, hogy 2 trafó van, és ilyenkor az erősítő trafójának a primer oldalát szakítom meg. A másik trafón van a készenléti áramkör, és esetleg egy hangerő szabályozó előfok is...
Sziasztok!
Segítségre lenne szükségem. Az előerősítőmben valami nem jó. Ha nincs rákötve a bemenő jelkábel akkor a kimenetein féltápfesz van (15V), ha rákötöm (vezérlés nélkül-hangkártya kimenetén csönd van) és a hangerő poti le van csavarva, akkor 400mV, ha pedig maximumra föltekerve akkor 6V. Mi lehet a probléma, talán az IC szállt el? Teljesen értetlenül állok a dolog előtt, ugyanis egyik napról a másikra jött, miközben semmit nem csináltam vele. Bekapcsoltam, és elkezdett gerjedni, világítottak a torzítást jelző clip ledek is. Neki álltam méricskélni, és a többi részt rendben találtam.
Megvolt az erősítő első komolyabb próba üzeme. Igaz még mindig kenyér deszkán van
de szépen működött a max teljesítmény KB 80- 90%-val 8 órán át. A borda kéz meleg volt. A ventilátor néha ment kis fordulatszámon,de többnyire állt. A hangerővel nem volt probléma a vendégeknek tetszett. A szomszédok még nem nyilatkoztak.
Hello! Milyen vetilátor vezérlést tettél bele? Azt fel tudnád ide tenni? Köszönöm!
A ventilátor vezérlés engem is érdekelne.
Sziasztok!
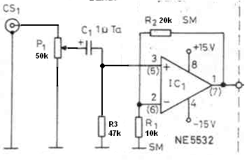
Találtam egy clipp jelző áramkört: Bővebben: Link Érdemes ezt megépíteni rendesen tenné a dolgát? Sajna TDA7294-nek nincs clipp kivezetése. Másik kérdésem: Építettem egy előfokot LM1036+NE5532 segítségével és van kivezérlés jelzőm LM3915-el. Eddig a kivezérlés jelző a végfok bemenetén volt és ahhoz kalibráltam. Viszont most az előfokozatba R2 és R7 helyére potit tettem, hogy állítani tudjam az előerősítést. Bővebben: Link Így viszont a kivezérlésjelző nincs jó helyen Hova kellene az valójában kötni? A végfok után nem merem tenni mert az LM3915 csak 20V bír el max. és nekem mehet ki akár 24-25 V is.
Értem a kérdésed. A TDA7294 9-es lába pontosan erre a célra lett tervezve. A trafó mehet folyamatos üzemben, úgyis kell a vezérlő áramkört táplálni. A 9-láb (készenlét) már TTL kimenetről közvetlenül vezérelhető.
Szia! Melegen ajánlom. Az adatlapon szerepel 4,8 ohm -ra, hogy mekkora tápnál lehet biztonságosan elvezetni a hőt. Itt a maximális terhelésnél kialakuló tápfessszel számolj.
Szia! Ez nem szerencsés kapcsolás. A poti csúszkája után kéne a kondi (lehetőleg fólia). Kondi után 47k a testre és úgy mehet a 3(5) nem invertáló bemenetre. Az R1 értéke 10k-47k között reális. Az előerősítő panelen a tápoknak célszerű 10-100µF + 100nF hidegítést kialakítani.
A kimenetre köss feszültségosztót. 22k/680R, vagy hasonló arányú legyen.
Gratulálok
A Proli 007 által tervezett Alkotó labortápjában felhasznált hővédelmet raktam bele. Az első verzióval készült . Azóta Proli 007 tett fel egy másik verziót is a legújabb kapcsolásokhoz ami a két borda hőmérsékletét figyeli. Ha túl melegszik nálam lekapcsolja a tápfeszültséget az IC-k ről. Tökéletesen működik jó kis kapcsolás köszönet érte az alkotójának.Bővebben: Link
Sziasztok kérdésen a következő lenne sztereó erölködő kapcsolási rajzon ill panelban mindenhol 22k-ellenálások vannak ajánlva a kapcsolásba de ami nekem van giant soundos abba 12k ellenállás van (barna,piros,fekete,piros,piros) létezik?
Az építésen kívül minden gratuláció ezt a fórumot illeti. A hővédelem Proli 007 érdeme a koppanás gátló Bassmester által korábban hídhoz ajánlott kapcsolása a kivezérlés jelzőben TE segítettél.
Ez már + - 36 volttal megy. 8 ohmos HS501 eket hajt. Így deszkán is hibátlanul, szépen működik.
Ez egy nagyon egészséges feszültség érték. Érthető, hogy nem volt gond a hűtéssel.
Áthelyezlek.Ide.
Átrajzoltam a képet. Így gondoltad ugye? Az ellenállások értékeit javaslatodra módosítottam, így 3x az erősítés elvileg, és az én potim pedig 50k-s, azt is javítotam az ábrán.
Ha már újra csinálom az előerősítő panelt, akkor arra gondoltam, hogy oda kéne tenni az 5532 stabilizáló zenereit, a táppanel helyett. Így a hidegítés (100n) is ott lenne mellette.
Üdv.Tegnap elkeszitettem egy tda7294 hidnak a paneljet...meg beultettem par alkatreszt,meg hianyoznak a nanos kondik meg 680 ohm...beszeljenek a kepek:
Hááátt...
Megnézném a jelenlegi forr. oldalt, de ezek a képek alapján reménykedj, hogy nem fog gerjedni és nem lesz zárlat. Nem értem ezt a kézzel rajzolást. Ennél jobb minőséget kapsz, ha vasalod ami itt fontos lenne.
Tudom enis szeretnem vasalni.De nincs mivel kinyomtatni,ez a legnagyobb problemam....
Nekem nem tetszik sem a rézoldal, sem az alaktrészoldalon lévő átkötések minősége.
[off]Nem tudom helyileg hol vagy, de gyakorlatilag bármelyik sz.gép boltban nyomtatnak neked pár forintért, ha nincs egyetlen ismerős sincs akinek van lézer nyomtatója.
Amúgy én is ebben a cipőben jártam igaz melóban tudtam nyomtatni, de csak összejött egy kis apró egy "olcsó" nyomtatóra. Szóval az első bekapcsolás előtt alaposan nézd át, kapard ki és jól ónozd be. Így a kép alapján nem kevés a zárlati pont és látható pár szakadás is. Erősítőnél fontos a minőség is. Én UV levilágítással csinálom a panelt mégis csúszott be olyan hiba amit álmomban sem hittem. Ne add fel csak légy alaposabb!
Köszönöm a biztatast.Az a problema hogy nekem is es az ismerosoknek is csak tintasugaras nyomtato van.A minoseger az a franya filctoll tehet.Atkoteseken probalok meg javitani,de mivel En Szekelyhidon lakom, es Borson sulizom nagy a tav es bentlakasban vagyok,igy csak hetvegente tudok rajta valamit csinalni.Mar ahol lattam hogy rovidzar van az felvan kaparva,ahol kellet atonoztam meg akkor,csak a kepek meg ezek elott keszultek.Enis nagyon probalkozom olyan minoseget elerni mint ti,de meg eddig nem jartam kello sikerrel.Ha mar ittartunk majd valaki leirna nekem hogyan tudom szepen kivenni a panelbol az icket,hogy ne seruljenek meg.Mert akkor megprobalkozom meg ket nyakkal mert ket hid keszulne,ket topnak.(Nagyon vonz a hangtechnika)Köszönöm az eszreveteleket es megprobalom kijavitani a hibaimat.
Én egy itt látható eszközzel szoktam bontani mindent, eddig ez vált be a legjobban. Gyors, kíméletes, és hatékony.
Udv.Nekem farenheit pakam van es abba nem tudom bettteni az ilyenfele hegyet.Reggeben lattam mar ezt a megoldast.
Ez bármilyen pákánál használható (ami képes felmelegíteni), csak egy bele való hegyet fel kell áldozni, és átalakítani a betétek fogadására.
De ez nem kényszer, csak javaslat, ha nem akarod így, akkor csináld másképp.
Hello!
A mellékelt kapcsolás jó tda7294-hez? Subwoofer erősítőnek kell.
Helló! Jó a kapcsolás. Sávszűrőnek használhatod ezt is.
|
Bejelentkezés
Hirdetés |






de szépen működött a max teljesítmény KB 80- 90%-val 8 órán át. A borda kéz meleg volt. A ventilátor néha ment kis fordulatszámon,de többnyire állt. A hangerővel nem volt probléma a vendégeknek tetszett. A szomszédok még nem nyilatkoztak.











