Fórum témák

» Több friss téma
Fórum » Erősítő mindig és mindig
Mielőtt kérdezel, a következő két dolgot ellenőrizd! I. A helyes tápfeszültségek megléte. II. A kimeneten van-e egyenfeszültség. Élesztés.
Lapozás: OK   907 / 2575
(#) c27 válasza Bártfai Ferenc hozzászólására (») Szept 19, 2011 /
 
Az megtörtént, jobban mondva szilikon zsírt tettem.
A többi kérdésemben nem tudnál segíteni? Fentebb tettem fel pár kérdést még.
(#) Bártfai Ferenc válasza reloop hozzászólására (») Szept 19, 2011 /
 
Meg fogom hajtani..... alapjáraton KB +/-48V ról működik most..
(#) Bártfai Ferenc válasza Bártfai Ferenc hozzászólására (») Szept 19, 2011 /
 
Ja annyit hozzá tennék, hogy nekem a RT83/9 féle Quadom van!
(#) Bártfai Ferenc válasza c27 hozzászólására (») Szept 19, 2011 /
 
Küldesz 1 hivatkozást? nem találom a hozzászólásaidat..
(#) reloop válasza Bártfai Ferenc hozzászólására (») Szept 19, 2011 /
 
C27 kérdései: Bővebben: Link
(#) deadlyroberta válasza emersys hozzászólására (») Szept 19, 2011 /
 
Természetesen stúdióra gondolok ebbe. B osztály hátránya hogy hiába 0.00000001% akár a mindenféle torzítás, 4-5-6-7-8 óra után zavaró lesz hallgatni (már amelyiket.) Én nem arra utazom hogy maga amit hallok király legyen hanem ha előveszem a kis fülesemet akkor na ez az erősítő azt viszi át ami nekem kell(azaz a hangforrás is azonos mint amit erősít). Zenét halhatni amúgy én is csövesen szoktam. Stúdióban meg eddig Quad 405 maximálisan nyert. Quadba annyit tisztelek hogy pa-ra is ki lehet szerintem hegyezni stúdióra is és minőségi zenehallgatásra is, amire nem igen alkalmas hogy hangszer erősítő legyen.(szóval munkapont beállítással, amit még nem tudok) Amit én is tisztelek az elektroncsőbe az az hogy zenei nem terheli a fület, értékálló, meg amit írtál hogy naturisztikus a torzítása.tehát hiába torzit egy jó csö 10%-ot egy elektronikus zenénél még jól is szól. klasszikus zenére pld nagyon szimpatikus nekem a cső vagy emberi beszédre, rádióbeszélgetések visszahallgatására.
(#) petemazi válasza c27 hozzászólására (») Szept 19, 2011 /
 
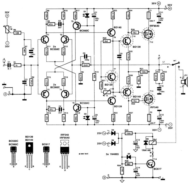
Ha jól emlékszem 80W-ot tud 4 ohmra.
A 33pF kondi az eredetiben egy tekercselt remix fólia kondér. A multilayer kerámia nem audio alkalmazásra való. Nálam egy MKP fólia van ott. Jó lesz az a hűtés, nálam 2mm "vastag" L idomon van, minden további nélkül működik lassan egy éve. Mondjuk házibulizni nem szoktam vele.
(#) Bártfai Ferenc válasza petemazi hozzászólására (») Szept 19, 2011 /
 
Én is kerámiakondit tettem az enyémbe... Igazából nem vettem észre, hogy gond lenne vele..
(#) Bártfai Ferenc válasza reloop hozzászólására (») Szept 19, 2011 /
 
köszi a segítséget!
(#) reloop válasza Bártfai Ferenc hozzászólására (») Szept 19, 2011 /
 
A Quad problémával kapcsolatban eszembe jutott egy hasonlóan viselkedő panel. Azt mint kiderült üdítővel öntötték le. Lemosva, megszárítva, és a mai napig működik.
(#) petemazi válasza Bártfai Ferenc hozzászólására (») Szept 19, 2011 /
 
Nem igazán értek hozzá, de azért van egy tippem: a kerámiakondi főleg digitális áramkörbe való, vagy tápot hidegíteni a gyorsasága miatt. Nem hiszem, hogy egy analóg áramkörben a visszacsatoló részben túlzott jó hatást gyakorolna a hangra egy marha gyors visszacsatolás.. Mondjuk nem próbáltam ki kerámiával, de ha már muszáj kerót tenni egy analóg áramkörbe, az legyen tárcsa, és ne a piszok multilayer, ami tényleg digitális alkalmazásra van.
(#) szamóca válasza deadlyroberta hozzászólására (») Szept 19, 2011 /
 
Lassan elmehetsz hifi újságírónak.
Menj el egyszer egy hangstúdióba ha van rá lehetőséged és meg fogsz lepődni milyen készülékeken készítik
a keveréseket, és miken kontrollálják.
(#) deadlyroberta válasza szamóca hozzászólására (») Szept 19, 2011 /
 
Annyira jó vagy annyira rossz? Amúgy voltam egyszer az mr studióba hát meghatóan jó volt.
(#) c27 válasza petemazi hozzászólására (») Szept 19, 2011 /
 
Kösz.
8 ohmon akkor 40W-ot tud? A tápfesz biztosan nagyobb lesz mint +-30 inkább olyan +-34/35V de gondolom az még nem okoz semmi problémát?
Hát szétnéztem itthon olyan kapacitású kondit nem találtam csak kerámiába, esetleg megpróbálok venni csak vidéki vagyok és nehéz szerezni.
8 vaqy 4 ohmos hangszórót ajánlasz és hány wattos hangszórókat? (Valaki azt mondta nekem hogy kb 1.5x akkora teljesítményű hangszóró kell mint amekkora az erősítőé.)
(#) reloop válasza c27 hozzászólására (») Szept 19, 2011 /
 
Szia! A hangszóró teljesítményt nem írnám le, hanem kezd el olvasni innen.
(#) petemazi válasza c27 hozzászólására (») Szept 19, 2011 /
 
Szerintem 35V nem a világ vége neki. Ha nincs más természetesen fog működni kerámiával is. Hangszóróról nem tudok nyilatkozni, nyilván nem kell 60W hangszóró oda, ahol 20W teljesítménynél többet nem fogsz ráküldeni. Én egy darabig használtam a conductoromat 10W-os hangdobozokkal is, egyben van a végfok, meg a doboz is. Nem a házibulit tartottam vele, hanem zenét hallgattam.
(#) Ge Lee válasza c27 hozzászólására (») Szept 20, 2011 /
 
A rákapcsolható maximális tápfeszültséget elsősorban a fetek határozzák meg. Mivel ezek 100V-osak, +/- 48V nál többet nem adnék neki.
(#) sanykaraj hozzászólása Szept 20, 2011 /
 
Üdv az a kérdésem hogy egy ilyen fettel felépített erősítő mekkora teljesítményű lenne (p=u*i=w tehát 100v* 54a=5400w) ha nem akkor javítsatok
(#) koncsik03 hozzászólása Szept 20, 2011 /
 
Helló!
Valaki tudna ajánlani olyan kapcsolási rajzot amit egy 9v-os ellemről lehet működtetni?
Előre is kösz!
(#) kadarist válasza koncsik03 hozzászólására (») Szept 20, 2011 /
 
Szia!
Ez jól működik 9V-ról, rajzot meg bőven találsz a neten, de itt a fórumon is.
(#) koncsik03 válasza kadarist hozzászólására (») Szept 20, 2011 /
 
Kösz!
(#) ptesza hozzászólása Szept 20, 2011 /
 
Helló mesterek.
Egy olyan kérdésem lenne ,hogy hogyan kössem össze a laptopomat egy sztereó erősítővel ,és egy aktív szubbal. A szubon egy RCA van és vonalszintű jelet fogad. A szubnak szeretném valahogy a két csatornát közösíteni ,és a hangerejét egy potméterrel szabályozni.
(#) szamóca válasza ptesza hozzászólására (») Szept 20, 2011 /
 
Laptop vonal kimenet erősítőbe, innen ha van REC vagy bármilyen kimenet a szubba. Két csatorna jelét két 10-47k ellenállással közösítve tudod monosítani.

mono.JPG
    
(#) ptesza válasza szamóca hozzászólására (») Szept 20, 2011 /
 
Köszi pont ilyenre van szükségem.
(#) 1269 hozzászólása Szept 20, 2011 /
 
Sziasztok!
Mellékeltem két kapcs. rajzot, meg egy Sprint-Layout fájlt.
(Én rajzoltam a lay fájlt egy neten talált panel kép alapján)
Szeretném, ha hozzáértőbbek megnéznék, jó-e ez a kapcsolás, milyen hangja lehet?
(esetleg elkészítette-e valaki?)
Üdv:
Ottó
(#) reloop válasza 1269 hozzászólására (») Szept 20, 2011 /
 
Szia! Mellékelek egy beváltat. Bővebben: Link
(#) 1269 válasza reloop hozzászólására (») Szept 20, 2011 /
 
Köszi!

De hátha idetéved valaki aki megépítette amit én linkeltem. (kíváncsi vagyok)
Ha senkinek nincs tapasztalata vele, akkor megépítem a VF2-őt, vagy valamelyik moddolt verzióját.
Üdv
(#) Doncso válasza 1269 hozzászólására (») Szept 20, 2011 /
 
Nem tudom mennyire jó 120w-os erősítőbe IRFP540-9540 páros, én keveslem. :hide:
(#) Ge Lee válasza sanykaraj hozzászólására (») Szept 20, 2011 /
 
Attól függ hogy milyen erősítőről van szó. B osztályban 200W körül, D osztályban 3x-4x annyit remélhetsz tőle sacc/kb.
(#) Ge Lee válasza 1269 hozzászólására (») Szept 20, 2011 /
 
Inkább a VF-et építsd. A két fet nyitófeszültségében van némi eltérés amivel ez a kapcsolás nem foglalkozik.
Következő: »»   907 / 2575
Bejelentkezés

Belépés

Hirdetés
XDT.hu
Az oldalon sütiket használunk a helyes működéshez. Bővebb információt az adatvédelmi szabályzatban olvashatsz. Megértettem