Fórum témák
» Több friss téma |
EZ a jó melléklet, már nem engedte módosítani a hozzászólásom, mire észrevettem, hogy rosszul töltődött fel a fájl!
Szia!
Az IC számításához segédlet: Bővebben: Link. Egy szabályozható külső tranzisztoros step-up: Bővebben: Link
Köszönm, de az 1. linkedre foxi63 már írta, hogy az negatív tápfeszt csinál a kimenetre, az nekem nem jó.
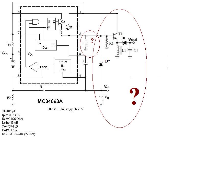
a 2. csatolmányodhoz: a tranzisztort lecserélhetem BD139-re, mert ilyen van itthon vagy tud valaki olyan kapcsolást, ami BD139-re épül? Mi mindent kell kicserélni a mellékelt külső tranzisztoroson, hogy 21,00 - 22,00 VDC max. 800-1000 mA legyen a kimeneten? Mekkora hűtőbordával kell hűteni a tranzisztort?
Ha akarod pozitívat csinál, ha akarod negatívat. A rajz képe aszerint változik meg, hogy milyen feszültségértékeket írsz be a mezőkbe. A BD139 is jó lesz, borda meg nem hiszem, hogy kell rá, de majd megérzed. Ha nagyon sütős lenne, akkor tégy rá.
Az a baj, hogy nem tudom, hogy mennyi legyen a Vripple és az Fmin értéke, meg mindig ezt írja ki: "Switch peak current 3112mA exceeds 1500mA limit!"
Ez nem a bemenetre vonatkozik? Nem kéne a bemenetre még egy biztosíték vagy valami? Így ennyi értéket ír ki: "Ct=NaN pF Ipk=3113 mA Rsc=0.096 Ohm Lmin=NaN uH Co=NaN uF R=180 Ohm R1=1.2k R2=20k (22.08V)"
Állíts be 20mV-os ripple-t és 40 kHz-es frekit.
Kiszámoltam.
Melyik jobb BD139-hez a csatolmány jobb oldalán, a PDF-ben található kapcsolások közül, milyen legyen a Z1?
Inkább D1-nek hívnám, és legyen olyan, mint ennél a kapcsolásnál. Az MBR340 helyett például ez is jó lesz.
A kép jobb oldalán lévőben is tudnál esetleg segíteni, mert én egyáltalán nem tudom, hogy mi a különbség a 2 féle NPN-es kiegészítés között BD139-et odarakva.
A saturated telített, átitatott, impregnáltat jelent google fordító szerint.
Na most ez miért nem szimpatikus? A program alapján kapott elenállásokkal jól fog működni, de a potméteres megoldás sem lenne egy rossz megoldás. Bővebben: Link
A saturated azt jeneti, hogy a lehető legnagyobb mértékben van kinyitva a tranzisztor a vezetési állapotban.
Lásd: #1074211
hozzászólásom= a szerinti áramkörre terveznék inkább, de a mostani melléklet szerint kérdezem, hogy hogy kössem össze? T1=BD139
Kérdésem a következő:
Vannak 3,6 V-os Li-Ion celláim napelemes töltéssel. Valamikor régen még USB port is volt rajta 5V kimenettel, de az valahol meghibásodott. Ehelyett kéne valami Step-Up tölteni a tölthetőket USB-ről ![]() Csináljam MC34063-al? Mert hallani róla, hogy nem stabil, meg zajos a kimenet, stb... Gondoltam még a MAX856-ra is, de az meg csak 100mA-t tud leadni 5V-on. Nekem meg 500 azért nem ártana, mert egy 1300mAh akku sose töltődik fel 100-al ![]() Mit gondoltok mivel lehetne ezt megépíteni? (az akku feszültsége 2,8 és 4,2V között mozog)
Sziasztok!
Elkészítettem a melléklet szerinti Step-down konvertert, de a tervezett 300mA helyett csak 80-100mA -rel terhelve a TS34063 (SO8 tokban) igencsak melegedik. Próbáltam ehhez hasonló kivitelű 100uH / 1A és 220 uH / 1A induktivitással is. A dióda 1N5819. Mi lehet a melegedés oka? Milyen induktivitással lehetne elérni a 300mA -es terhelést jelentősebb melegedés nélkül?
esetleg LM2704 ? 550 mA , SOT-23-5 tok, 2-7 V bemeneti fesz, kimeneti fesz állítható 20 V max...stb. Jó kis cucc én használtam már.
Szia!
Ebbe speciel én is beleszaladtam. Végül az adatlapban ajánlott érték helyett nagyobb induktivitást használtam, 330uH - t. Ráadásul egy izmosabb(3A) fazékvasmagos SMD fajtát. Ilyet , csak nagyobbat. Úgy kevésbé melegedett, de a végén mégiscsak rá kellett raknom egy hűtést mert annyira melegedett terhelésen hogy a belső védelem már vissza szabályzott.
Sajnos kiesik a bemenő feszültség miatt.
Az eredeti számítás szerint 33uH kellene, de avval már 80mA -nél esett a kimenő feszültség. 100uH és 220uH -vel tartja a feszültséget, de melegszik. Egy alaplapról kitermelt toroid magra készítettem 100uH -t, de akkor is melegszik az IC. Növeltem a frekvenciát, csökkentetten az indulktivitást. Az eredmény ugyan az. Ugyanakkor egy 12V -> 5V @ 100mA, ugyanezzel a kapcsolással (csak az osztó más), szépen működik. Egy harmadik, 12V -> 28V @ 50mA, szintén teszi a dolgát. Egy másik kapcsolásban kellett 5..10V -> 12 .. 13V @ 100mA. DIP tokos 34063 -mal készítettem el, kiadja a feszültséget, de a tok melegszik (L=100uH/1A). Nem annyira, mint a 5V -> 1.25V SO8 verzió. A dióda mindben 1N5819. A 34063 külső npn tranzisztoros vagy P-MOS fet -es változatán gondolkodom.
Nem is tudtam róla hogy van külső tranzisztoros / FET es változatban, én csak a "normál" MC34063 at használtam eddig. Én sem voltam tőle elájulva. Elvileg 1A kéne tudjon az adatlap szerint de ekkora áramot még soha nem sikerült belőle kicsikarnom sem step-UP sem step-DOWN módban. A külső FET es megoldást jelenthet mert azt legalább lehet normálisan hűteni, míg egy normál SO8 as tokra max gányolni lehet valami hűtés féleséget...
Idézet: „Nem is tudtam róla hogy van külső tranzisztoros / FET es változatban, én csak a "normál" MC34063 at használtam eddig.” Azért mert nincs. Hozzá kell illeszteni, az adatlapjában van rá példa. Üdv Inhouse
A kapcsolás P-MOS fet -es változatára gondoltam, nem az IC-ére... Találtam forrást az ajánlott induktivitás típusra. Kipróbálom vele, ha nem lesz tőle javulás, átalakítom a kapcsolást...
Gondolom, hogy Menyusnak akartad írni, én értettem.
Üdv Inhouse
Ja, értem. Most hogy írod emlékszem is a példakapcsolásra. Kevertem a Microchip gyártmányú LI-ON töltőkkel MCP73841 (külső FET es) és a MCP73833 (belső switch) al. Hirtelen erre gondoltam. Meg ne kérdezd hogy a kettő hogy jön egymáshoz...DC-DC konv és a li-on töltők...
Talán azért mert volt egy ilyen töltőáramkör amit összeraktam, LI-ON töltő ami 6 - 30 V AC / DC bemeneti feszt kért, és 1 db 1300mAh kapacitású li-on cellát töltött 500mA el. Annál a kapcsolásnál használtam mindkét IC t, talán ezért kutyultam össze. Ezen a héten különösen nem vagyok formában, 100 felé jár az agyam. sorry..
Megoldódott... Egy öszvér kapcsolás sikeredett. Az adatlapban közölt step-down NPN tranzisztorral kiegészített változatást alakítottam ki. Így csak egy vezetéket kellett vágnom. Mivel nem volt kéznél elég nagy terhelhetőségű és elég gyors tranzisztorom, a helyére egy N-MOS fet került (CEP603, valami alaplap maradványból). A terhelést bírja, a kimenő feszültség 50mV -os emelkedett - valószínűleg a légszerelés miatt. Az 34063 hideg, a TO220 tokozású fet kézmeleg.
Visszatettem az eredeti 100uH radiális induktivitást, vele is működik rendesen.
Akkor legközelebb én is a külső kapcsoló elemes variációt építem meg ezzel az IC vel ha kell majd. Nem is gondolkodtam azon a megvalósításon akkor, mivel az adatlap írja az 1 A t. Úgy voltam vele, bírnia kell. De hogy tűzforró lesz arra nem számítottam. Indokolatlanul melegszik már relatíve kis terhelésre is. Az induktivitás értékével én is játszottam de nem sok változást tapasztaltam, csak a kimeneti jel alak változott és zajosodott többé kevésbé ahogy cserélgettem őket. A melegedés az minden esetben megmaradt. A második verziót a melegedés miatt már LM2596ADJ - vel oldottam meg. Hátránya 34063 al szemben hogy elég drága és az adatlap szerint csak step-down képes. Viszont mindezekért cserébe 3A tud és az azért már nem rossz.
Így már tudok nagy kapacitású akkukat is tölteni akár 2 A el is az MCP73841 el. Csak a külső FET en múlik. Idézet: „mivel az adatlap írja az 1 A t.” Ír az 1,5A-t is. ![]() Üdv Inhouse
Valóban, én 1 A re emlékeztem. De nem mindegy hogy 1A t ír vagy 1,5 A t ha egyszer 300 mA től is már leugrik a tok panelről..?
Ráadásul kapcsoló áramnak írják nem is peek nek. Direkt megnéztem most. Mert ha csúcsáramnak írják akkor még csak csak elmenne. Nem is értem ezt hogyan gondolták, nem tesztelték ezt az IC t? Vagy csak egy rossz széria lenne? Vagy gagyi a gyártó....Bár az amit én használtam az eredeti Motorola volt, hacsak rá nem hamisították a csíkszeműek a Moti logót is....-)
Sziasztok!
Kiváncsiságból kisérleteztem vele kicsit én is. Melegedett, mint a fene, (aztán rájöttem, hogy elnéztem a schottkyt). Adatlapi kapcsolásban 50-400 uH -val és 470 pF-al, 10-24 V betáppal, 5 V -ra állitva, 670 mA-rel terhelve a max. hőmérséklete 44 fok volt.(Igaz, 400uH-is induktivitással zizegett rendesen )Lehet, hogy hamisat fogtatok ki? üdv:hp
Szia!
Az 1.25V kimenő feszültségnél már számít a Schottky dióda nyitófeszültsége, a belső darlington maradék feszültsége (1.3V). A most összeállított kapcsolás kb. 42 % hatásfokkal működik csak. 1.25V * 0.3A = 0.375W. A bemenő teljesítmény: 12V * 0.073A = 0.876W. A SO8 tokra 0.625W (OnSemi), egyes gyártók csak 0.5W (Taiwan Semiconductor) disszipációt adnak meg. Ha nincs külső kapcsoló elem, akkor pontosan 0.5W a disszipáció jut a tokra, a SO8 tok 160 fok/W hőleadási képessége mellett 80 fokkal lenne magasabb a chip hőmérséklete, mint a környezeté. A chip tehát 100 - 120 fok közelében működne... Kibírná, 150 fokig mehetne, de inkább beleteszem a külső kapcsoló emelet. Dip8 tok esetén 1W a határ, a 100 fok/W miatt csak 50 fokkal emelkedne a chip hőmérséklete, azaz 80 - 100 fok lenne... Csak már le van nyomtatva... A másik két táp (5V / 100mA és a 30V / 50mA ) rendesen működik, terhelhető a SO8 tok nem melegszik. Az átvitt teljesítmény 5V -on 0.5W, 30V -on 1.5W, 1.25V -on pedig 0.375W... |
Bejelentkezés
Hirdetés |










)




