Fórum témák
» Több friss téma |
Fórum » Labortápegység készítése
Először is köszi, a gyors reakciókat.
A dolog annyira nem sürgős, főleg, hogy még nem szereltem mindent vissza rendesen a dobozba (ugyanis szétszereltem, mert azt hittem gáz van) . Ha megleszek vele még méricskélek, hogy pontosan milyen értékeknél hogyan reagál. Még amúgy is be kell szereljem a 2A-20A kapcsolót, hogy pontosabban mérhessek kisebb áramerősségeket (lehet, hogy csak holnapután kerülök oda).
És azt is jó lenne tudni , milyen potmétert használsz: Heli, vagy "sima"?
...és ha már úgy is kapcsolót szerelsz; akkor mindjárt be lehetne építeni egy áram határ váltó dekadikus kapcsolót is ( pl.: 3A/0.3A), így egy normál 340°-os fordulatú skálázott potival egy nagyság renddel pontosabban tudnád szabályozni az alsó áram tartományt, és a feliratokból azonnal lehet tudni a beállított értéket. (egyébként nálam is "megszólal" az áramhatár, ha letekerem a potit teljesen)
Üdv.
Ez szerintem sem hiba.Az előttem szólók megadták a pontos választ a jelenségre.Ez az áteresztő tranyos hibajel vezérléses tápok sajátossága. Közben a v1.4.2 nekem is életre kelt.Terhelésnek két 26V 40W-os izzót használtam. (Vasutasok ne üssetek, már meg vannak vagy 10 éve )Meg egy régi Ganz-os műterhelést.Már csak a trafókat kell legyártatnom és illeszteni az előszabályzót a táphoz.Ebben, mármint a trafóban kérnék segítséget.BP és környékén hol lehet toroid trafót gyártatni.Pesten igazán nem találtam.
Az alsó érték függ a beépített opamp tényleges offeszthibájától, ennek a szórása rel. nagy is lehet.
Megnéztem a saját labortápomat. Ha teljesen letekerem az áramkorlátot, akkor az egyik tápon világít, a másikon nem világít az áramkorlátozást jelző LED. És természetesen nem csak dísznek világít, hanem a beállított feszültséget is leszabályozza, ahogy azt várjuk is tőle. Ezt én nem tekintem hibának, sőt még gondnak sem nevezném.
Nálam még eddig sosem volt rá szükségem, de azért megpróbáltam kicsi áramokat beállítani. Ebből a szempontból a két táp szinte teljesen azonosan viselkedett, csak annyi volt az eltérés, hogy amelyiknél alapból is égett az áramkorlátozást jelző LED, ott egy picivel odébb kellett tekerni a potit, azonos áramhoz. nekem 6-8mA től kisebbet nem sikerült beállítani, és az is nagyon bizonytalan, csak komoly türelemmel lehet egymás után többször is megismételni a beállítást A nálam használt normál áramszabályzó potival, szinte lehetetlen mA pontossággal beállítani az áramkorlátot. Egészen pici mozdításra is kb. 10mA-enként változik a korlátozási határérték. Ez nagyobb áramoknál is így van, csak ott már számomra nincs jelentősége ha mondjuk 1000mA helyett 995 vagy 1005mA- t sikerül éppen beállítani. Azt tételezem fel, több körülfordulásos potméterrel sokkal finomabb lehetne a beállítás.
Hello!
- Az áramhatárolás úgy jön létre, hogy a műveleti erősítő összehasonlítja az R2 Shunt ellenálláson eső feszültséget az R5 ellenálláson eső feszültséggel, és ha a Shunt feszültségét nagyobbnak találja, akkor leszabályozza a végfokot. - Az R5 ellenállásra érkező feszültség egy feszültségosztón keresztül érkezik az árambeállító potméter felől. - Hogy mekkora a minimálisan beállítható áramkorlát, az több tényezőtől is függeni fog. Ahogy Ekkold is írja, pld. az OPA offset feszültségétől. De függni fog a végfokozat szivárgási áramától is, ami ekkora tápfesz mellett, már lehet nem elhanyagolható mértékű. - Ha az áramkorlátozást jelző Led ég, akkor nyilván működik a korlátozás. Tekintve, hogy ebbe a kapcsolásban a referencia feszültség árama is átfolyik a Shunt ellenálláson, leszabályozva az áram potmétert, világítani fog a jelzés, hiszen a Shunt-ön van feszültség, a poti felől pedig nem érkezik semmi. A referencia árama közel 6.4mA, amit a digit is mutatni fog, kis méréshatár esetén. - De a kimeneti feszültséget figyelő osztó árama is átfolyik a Shumt ellenálláson, aminek értéke, viszont a beállított tápfeszültség értékétől is függeni fog. - Nem közömbös, az alkalmazott potméter precizitása sem. Egyszerű lelkületű eszközöknek, hosszú "befutó szakasza" van, tehát az alsó és felső végállás közelében nem fog történni változás. - Ha magas a végfok szivárgási árama, akkor szintén nem változik semmi a poti alsó helyzetből történő elfordítása esetén addig, amíg az R5-ön mért feszültség nem lesz nagyobb a "parazita áramok" által létrejött Shunt ellenálláson eső feszültségtől. Ott fog megszűnni a jelzés. - Ehhez adódhat még hozzá az Offset hiba. Az OPA átlagos Offset hibája 3mV. Ez a Shunt ellenállásra vonatkoztatva, Uoff/R2=3mV/0,235ohm=12,7mA hibát okozhat. De az IC maximálisan garantált Offset hibája 15mV. És ha ennek iránya számunkra pont nem jó, akkor ötször nagyobb hibát okozhat, ami már közel 64mA értékű lehet. - Mindazonáltal, egy 4A végáramú tápegységnél ha a hibaáram 40mA-nál kisebb értékű, nem lehet túl rossz eredménynek mondani, hiszen a szabályozási hiba kisebb mint 1%. Egyszerű potikat alkalmazva, nem is lehet sokkal jobb eredményre számítani. - A végfok hibáját, fel lehet deríteni, ha a DC-OFF kapcsolót kikapcsoljuk. Ekkor mérhető lesz a rendszer szivárgási árama. - Megjegyzem a kapcsolás sajátossága, hogy az áramhatárolás belépése előtt már jelezni fog az áramkorlát Led. Ez igen helyes, mert alapból arra vagyunk kíváncsiak, hogy a kimeneti feszültség, a beállított értékű, vagy sem, nem igazából az áramhatárolás ténye a fontos. (Legalább is számomra) Minden esetre alaptanulság, hogy egy 80V/4A-es tápegységet nem szoktam egy Led meghajtására használni. Mert én nem vagyok maximalista, inkább csak realista egy tervezéskor.. Azt minden esetre mindig vegyétek figyelembe, hogy én ezeket a kapcsolásokat csak számolom, megépíteni nem szoktam.. üdv! proli007
Üdvözlöm!
Köszönöm a segítséget, és a mindenre kiterjedő magyarázatot, így jobban látni a probléma forrását! Mivel több áramkör működésének megértésénél bejött már a Proli007-es magyarázat ezért is voltam bátor oda szegezni a kérdést. Ismét nekem és szerintem másoknak is hordoz értéket, így nem volt hiábavaló! Elvileg OPA válogatással lehet javítani a karakterisztikán? Ha a potin mért feszültség változik a 10 fok elfordulás alatt, akkor a szivárgási áram és az OPA lehet a bűnös? A szivárgási áram hogyan csökkenthető? Mégegyszer köszönöm, innen Robinak van infója mit lehet és adott esetben mit kell mérni! [OFF] És (bár éssel nem kezdünk mondatot) mint elhangzott tényleg nem vagyunk egyformák én egy 45V 10A-essel szoktam LED-et hajtani amikor a vásárló kiváncsi, hogy 10mA-en milyen fénye van! Ha 45V-on állítok be 10mA-t és ráteszem a LED-et, szépen átmegy áramgenerátorosba, és beáll a 10mA. Mindezt olyan gyorsan, hogy a LED is túléli! Bár ez ritka eset, csak akkor fordul elő amikor kerékpárvezérlőt javítok, és valaki beállít! De maga az elektronika olyan bonyolult, hogy ha megadja magát, lesz ne mulass! Leiszt Jani
Sima.
A kapcsolót pedig tényleg azért akarom beépíteni, hogy egy nagyságrenddel pontosabban mérhessek áramerősséget (de ez az eredeti kapcsolásban amúgy is benne volt, csak kiakartam spórolni, mert azt hittem nekem ez úgy sem kell - aztán lhanzi felvilágosított, hogy az mégsem egy hátrány). Tehát ha jól értettem a megjegyzésed, akkor ugyanarról beszélünk a kapcsoló terén, ha nem, akkor abban én vagyok a ludas, az igen hiányos ismereteimmel.
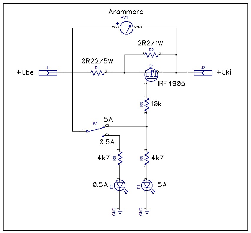
Ha valaki sokszor, nagyon kis (pár 10 mA) áramokkal dolgozik és van mondjuk egy 5A-es labortápja, akkor esetleg elgondolkodtató lehetne egy shunt választó kapcsoló (sajnos ilyenkor el kell bírnia a kapcsolónak a teljes átfolyó áramot).
A már meglévő (pl 0R22/5W) shunt ellenállás 10x nagyobb értékével. Így-kis áramoknál- jóval nagyobb feszültség tartományban dolgozik az áramkorlát, és persze jóval pontosabban is.
Köszönöm a fáradozásaidat Alkotó! (és mindenki másét is)
Én is tervezek egy kissé részletesebb tesztelést ezen a területen, de kissé összecsaptak felettem a hullámok időügyileg. Remélem a hétvégéig tudok majd és lesz is mit méricskélni (áramerősséget terheléssel, a nélkül, rövidzárral). Ha lesznek mérési adataim megosztom. Amúgy nekem ez a harmadik kissé komolyabbnak mondható építésem az elmúlt 33 évemben, az első labortápom, és semmilyen tapasztalataim nincsenek ilyen irányban. A problémám az volt, hogy számomra nem érthető módon viselkedett a táp. Meglepő és érthetetlen volt számomra, hogy ha leveszem az áramkorlátot, akkor bekapcsol az áramgenerátor mód. Én ezt hibának véltem. A fenti hozzászólások alapján tévesen (hozzáteszem, hogy az elektronikai ismereteim igen hiányosak - talán még fejlődök ezügyben). Mihelyt tudok az eddigieknél használhatóbb és esetleg értékelhetőbb mérési adatokkal szolgálni, jelentkezem. Addig is köszi mindenkinek (főleg Alkotó-nak).
Persze a miliohmos vezetési ellenállású FET-ek korában, félvezetővel sem lehet probléma a sönt ellenállások átkapcsolása - és akkor a kapcsolónak nem lell nagy áramokat vezetnie....
Hello!
Ez így van, csak Shunt ellenállást nem így kell váltani, mert a kapcsoló átmeneti ellenállása beleszól a korlátozásba és a mérésbe is. Pont az 5A-es tartományban lesz kritikus. üdv! proli007
Az nem okoz gondot, hogy átkapcsoláskor "lóg" a levegőben a kimenet?
Üdv Mindenkinek.
Sikerült összedobjam akárhanyadjára a labotrtápomat (Alkotó 1.4.2.). A kábeleket összébb csavartam és egy eddig nem látott problémával találkoztam. (A mérőműszerek be lettek állítva, kalibrálva előzőleg). Azóta vagy kétszer szét lett szerelve, és a vezetékek egy része összébb lett csavarozva, de: - ha minden potméter la van húzva, az áramerősség mérő 0-át mutat a fesz mérő viszont -2,3V-ot (eddig ilyet még nem tapasztaltam - külső müszi is ezt a fesz értéket mutatta. - az áramkorlát led világít, de az áramerősség még kigyulladt led mellet is állítható. Így hirtelenjében ennyi, de nekem már ez is sok. Minden értéket betartottam az Alkotó-féle kapcsolásban (kivéve, hogy a kapcsolási rajzban szereplő 2x0,33ohm-ot használtam a beültetési rajz szerinti 0,22 ohm helyett - ami nem ugyanaz az ellenállás érték - R21-R21a - lehet ez a problémám?). Igyekszem még méricskélni, és ha lesz valami, felteszem, de egyre kevésbé szeretem a táp működését (ahányszor belepiszkálok, annyiszor másképpebben viselkedik). HELP! Idézet: „Minden értéket betartottam az Alkotó-féle kapcsolásban” Ma reggel jutott eszembe , hogy a P1 potim nem 47k-s, hanem 50k-s. Ettől csinálhatja-e a fentiekben leírtakat?
Szevasztok! Elkészítettem itt az oldalon a kapcsolások közt megtalálható edison14 féle 35V 3,15A-es labortápot. Már használtam korábban, de akkor csak ideiglenesen szórakoztam vele, meg egyszer csak eltűnt a feszkó. Gondoltam magamban megadta magát a trafó. Nemrégiben megvettem a toroidot hozzá, és mostmár be is dobozoltam. De Valami nem gömbölyű, ugyanis nincs feszültség szabályozás. Kiáll 35V-ra vagy 0V-ra(ez gyakoribb) a kapcsolás, és hiába tekergetem a potikat, nem mozdul semerre a multiméterem. Mi lehet a hiba?
Hello!
Nekem nem okoz gondot.. - Régen volt feszültség és áram kapcsoló is. Az áram kapcsoló váltáskor átlapolódott, a feszültség kapcsoló, pedig véletlenül sem. - De ez alapvetően a konkrét áramköri megoldástól függ, hogy ez gond vagy sem. De akár lehetne ellene tenni is pld. egy mezei diódával, a C1-C2 pontok között. Ekkor csak 700mV-ra "ugrik el" a kimenet váltáskor. Viszont ha már két Fet-el szeretnél kapcsolni, akkor azt fel is lehet használni magára a szabályozásra. Ekkor váltani csak a Gate-t kell, hogy melyik menjen a szabályzó kimenetére. üdv! proli007 Idézet: „Azóta vagy kétszer szét lett szerelve, és a vezetékek egy része összébb lett csavarozva ...” Az összecsavarozás alatt a volt- és ampermérő vezetékeinek az összetekerését értem (bár elég bénán sikerült megfogalmaznom).
Bocs a bénázásaimért.
Idézet: „ (ahányszor belepiszkálok, annyiszor másképpebben viselkedik)” Az is benne van a pakliban, hogy a próbálgatások során nem figyeltem a különböző potméterállásokban a táp viselkedését. Az "eddig ezt nem csinálta" úgy értendő, hogy eddig nem vettem észre. Ha valakinek van ötlete, hogy mi lehet a gáz, kérem tájékoztasson. Köszi
Megpróbáltam felvázolni egy egyszerű (olcsó) megoldást, a "fetes" áramhatár kapcsolásra, ha a shunt a pozitív ágban van.
Így "csak" egy FET-et kell alkalmazni, egy egyszerű kis áramú kapcsolót (még csak váltó kapcsoló sem kell, ha lemondunk a diódás visszajelzésről) és nem kell dióda sem. Ez csak terv...( természetesen az értékek függnek az alkalmazott puffer feszültségtől is)...remélem működik...
Ez így sajnos csak elvileg jó, sokféle feltételnek kell hozzá teljesülnie, hogy jól működjön. Célszerübb lenne N csatornás fet, és egy segédfesz használata (Pl. nyákba ültethető, pici, ICméretü DC/DC konverterrel).
Ill. lebegő opampos táp esetén a segédfesz eleve rendelkezésre áll, tehát ott csak használni kell.... szerk: most nézem, hogy elvi hibája is van, így semmiképpen sem jó.
Jó lenne valamilyen egyszerű megoldás...
Köszönöm az észrevételt...valóban: lemaradt a gate fesz korlátozó zeener (ha erre gondoltál)
Hello!
Ez a rajz, mindenképpen hiányos. Nem lehet tudni, hogy a GND mit takar (hová kapcsolódik, miből táplálkozik). Mert ha ez a táp +Ube feszültség negatív pontja, akkor csak akkor működne, ha a bemeneti feszültség minimum, nagyobb lenne, mint a Fet 5A-hez tartozó GS küszöbértéke. De a Fet-nek hiába 20mohm az RDSon ellenállása, ez a 0,22ohm mellett, már 10% mérési hibát okoz. De egy műszeráramkörben a megkívánt pontosságtól függően semmi nem "egyszerű"... üdv! proli007
Igen tudom, hogy hiányos, mondhatnám : nem kiforrott, csak elmélkedtem kicsit. Mint sok minden az életben : "probléma, problémát szül". .és igen: valóban a +Ube feszültség negatív pontja a GND.
Ha a sönt a kimeneti ágban van akkor az Ube nem egy állandó fesz, és lehet, hogy éppen kisebbre van állítva, mint a FET nyitófeszültsége.
Az N csatornáés fetet azért említettem mert alacsonyabb vezetési ellenállású tipus id beszerezhető. Pl. az IRF3205Z-re 4miliohm-ot ír az adatlap, és olcsóbb mint egy kis kapcsoló.. a 220mohm-hoz képest még 2% de ez mát nem gond mert %-osan csak kis mértékben változik, tehát ha a mérés ezzel együtt van kalibrálva akkor a pontosságoit nem rontja el. (vagy 216miliohmot kell sorbatenni vele . Esetleg lehet több párhuzamos fettel kapcsolni, de szerintem a gyakorlatban nem szükséges.Tehát a Gate elektródát védeni kell egy zenerrel, kell egy kisütő ellenállás a G-S közé, és a kapcsoló zázásával ráadni a gate feszültséget olyan forrásból ami mindíg legalább 10...15V-al nagyobb potenciálon van mint a source. Érdemes űgy méretezni, hogy a zeneren ne folyjon áram üzemszerüen. A gate kisütő ellenállása is legyen nagy (pl. 470k....2M), nem baj ha az átkapcoslás eltart néhány *10mili sec- ig, így legalább zavarmentes lesz. Persze mindíg a teljes kapcsolás az érdekes, mert adódhatnak speciális esetek amik kézenfekvő megoldást kínálnak, és amit érdemes kihasználni. Pl. lehet, hogy a gete feszültség forrása már meg van valahol a tápban, vagy a trafó szekunderéből pár további alkatrésszel könnyedén előállítható (hiszen csak nagyon pici áram kell), esetleg lehet kéznél pici DC/DC konverter ami felhasználható (vagy akár építeni is könnyedén lehet ilyen pici teljesítményre).
Nagyon sokat segítettél!
Köszönöm! (megpróbálom "deszka modell" szinten összeállítani...)
Sziasztok!
Na ** 2 hónap után eljutottam odáig, hogy megvettem az alkatrészeket a Pioneer-es Alkotó által javított táphoz. Épp tervezem a nyákot és egy cseppet elakadtam. Úgy terveztem, hogy a 3db 2n3055-ös tranyót a nyákra teszem rá közvetlenül és közvetlen melléjük beteszek egy ventillátort a dobozba, de van egy olyan érzésem, hogy nem bírnák sokáig. Milyen hűtést kéne biztosítanom nekik? A táp amit használok az 45VA-es 2x18Vx1,25A-es, amit ki akarok belőle hozni az ~18V ~2,5A. * brr .
Sziasztok!
Tápegységet szeretnék építeni, egyszerű áramkörök meghajtására. Van egy kis tv-t tápláló dugaszos táp. Ebből egyenáram jön ki ami, 13,5V feszültségű. 1A leadására képes. Szükségem lenne egy áramkörre, amit e táp után kötök. Szabályozható legyen a kimeneti fesz. Plusz jó lenne egy rövidzárvédelem is. Tudtok nekem segíteni? |
Bejelentkezés
Hirdetés |





)Meg egy régi Ganz-os műterhelést.Már csak a trafókat kell legyártatnom és illeszteni az előszabályzót a táphoz.Ebben, mármint a trafóban kérnék segítséget.BP és környékén hol lehet toroid trafót gyártatni.Pesten igazán nem találtam. 










