Fórum témák
» Több friss téma |
Mielőtt kérdezel, a következő két dolgot ellenőrizd!
I. A helyes tápfeszültségek megléte.
II. A kimeneten van-e egyenfeszültség.
Élesztés.
Biztosan van ilyen is, de a hangszórók változó impedanciája, az akár igen bonyolult hangváltók, és az impedancia duplázódás miatti teljesítményvesztés miatt, én nem csinálnék ilyet.
Esetleg pontosan egyforma hangszórók esetén, de még ott is csak "hunyorítva".
Köszönöm, így már minden világos, további szép estét
Üdv! Ennyi információ alapján készítettem a kapcsolót. A párhuzamost nem mertem ajánlani. A "hallható" volt az elvárás.
Ne érts félre, nem akartalak piszkálni. Minden az erősítőn múlik, pontosabban annak terhelhetőségén.
De még mindig azt mondom, inkább párhuzamosan és halkabban (mert így jól fog szólni) mint sorosan, mert ez utóbbi túl sok bizonytalanságot rejt magában.
Kiböngésztem közben, hogy a kérdésben szereplő valamennyi hangszóró 4 ohm-os.
Nem vettem piszkálásnak, a hangsugárzók összekapcsolásának elvével teljesen egyetértünk!
A mini torony aligha birkózna meg 2 ohm-mal.
Inkább dobj össze egy 3-4 tranzisztoros kapcsolást, és elemezd ki a működését. Az IC-s kapcsolások építgetésével lényegesen kevesebbet fejlődsz, bár a sikerélmény a "kész" áramkör miatt gyakoribb.
Köszönöm, de nem az volt a lényeg, hogy tanuljak rajta, hanem, hogy építsek, mert kaptam alkatrészt..
Igen, ahogy írtam az I és II változat az nem probléma, alkalmas "két sávos" átkapcsoló. A III-nál akadtam meg. Bocs, hogy csak most írom: a szervizben is a "sorba vagy párhuzamosan + bírja-e az mtorony vége ezt a kombinációt" kérdés volt. Na ezzel nem foglalkoztak tovább. Én meg abban az időben foglalkoztam ilyenekkel, amikor pl. az AZ-4 egyenirányító és az EL- 84 végerősítő cső volt a sláger.
Igény lenne az elfogadható hangminőség, de nem super Hi-Fi. (reggeli készülődés munkába indulás előtt)
Bocsi, igazad van (már vagy 10 éve nem foglalkoztam ezekkel) az A/B valóban párhuzamosít. Összekevertem, az A+B állásra gondoltam, ami ebben a Telefunken-ben is van. Bővebben: Link
Alkotó. Én inkább járatnám 8 ohm-on, sorosan, mint 2 ohm-on párhuzamosan.
A poti az tuti hogy jó.A mérete 100k.Viszont ez a leválasztó kondenzátor nem tiszta nekem... hol is kell lennie?
Üdv mindenkinek !
A kérdésem a következő.Adva van egy Kenwood KA-56-os erősítő és 2db 8 ohm-os,2db 4 ohm-os hangfal.Beköthetem úgy hogy az A-ra az egyik pár ,B-re a másik pár hangfal ? Az erősítő 4-16 ohm-os. Előre is köszönöm a válaszokat. Idézet: „Üdv. Van egy olyan gondom hogy: két trafó van az erősítőmbe egyik a végfokot hajtja a másik pedig a kijelzőt (VFD). És a gond a következő mellékeltem egy képet. Ha így van összerakva az erősítő, akkor a kijelző nem megy de szól az erősítő. Ha átkötöm a végfok +15 voltjára úgy működik a kijelző csak nem bírja a trafó a kijelzőt és a végfokot egyszerre. Hogy kellene megoldani hogy a másik trafóról működjön a kijelző?” és itt a kép.
És mi a kérdés? A bekötés jó, de a használatánál gondok lehetnek. Pláne nagyobb hangerőn. A 2 pár nem szólhat egyszerre. Mi van a hangfal kapcsolóhoz írva. Van olyan hogy A/B & A+B ?
Szia, ma egész nap keresgéltem a hibát de nem haladtam előre .. végül arra jutottam hogy a 10-es és 13-as lábát az IC-nek rákötöttem a jobb,bal kimenetre.. mennyire jó ez így? így most jelenleg teljesen "jól" üzemel az erősítő.
Inkább egy tranyós kiv. lesz ebből..
Szia. A gyári kapcsolási rajz ajánlása a 10es ill 13láb után ,egy magasfrekis szűrésről szólna, megfüszerezve az induktivitással ami stabilabá teszi. Álltalában a végfokok nagyrésze a kapacitív terhelésre a legérzékenyebb. A felsoroltakat most lényegében áthidaltad. Úgy sejtem így látatlanba, hogy az ic és a hsz kimenet közt vagy egy ellenállás(ok) eszeveszetűl megnyúlt(ak), vagy valahol szakadás van. A hsz kimenet és a föld közt nincs tán rövidzár , mert azt mondod így áthidalva meg jó..
Szia! Az előerősítő+hangszínszabályzód aszimmetrikus táplálású. A közvetlen kimenetén féltápnyi egyenfesz van. Innen egy kondenzátoron keresztül mehet a potira a jel. Ha nincs kondi, vagy annak nagy a szivárgó árama, akkor a potenciométer nem csak a jelet, hanem egyenfeszültséget is szabályoz. Ez járhat zajjal.
A csúszka középállásánál bezajosodó poti azt is jelentheti, hogy a potiról elmenő jel vezeték nem kellően árnyékolt.
LM 386-ról volt szó, ami valóban elég gáz. Az LM 358 az más.
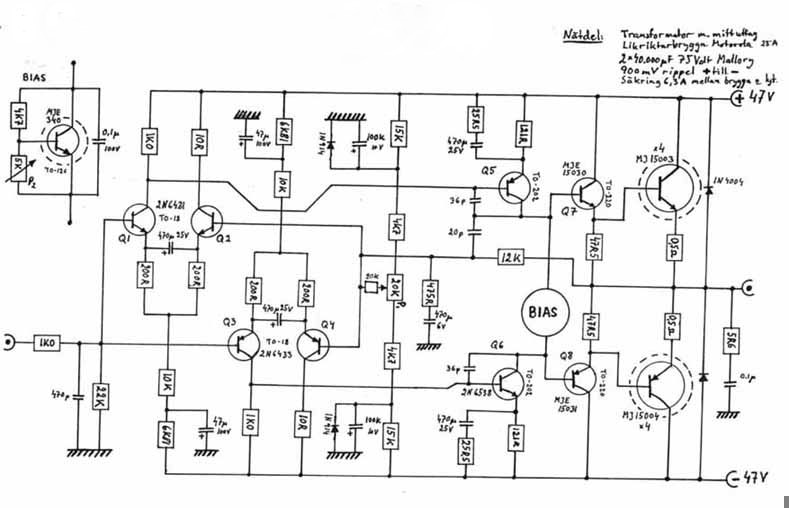
A mellékletben szereplő kapcsolást nem ismeri esetleg valaki ? Egy kicsit többet kéne tudni róla esetleg ha valaki megépítette , után építette stb...
Igen így jól müködik az erősitö ellenállásokat szinkód alapján beazonosítottam az értékeket és multival rámértem..aminek az értéke nem volt megfelelő beazonositás utan azt cseréltem... Továbbra sem hajlandó ha nincs áthidalva a hangszórókimeneten jelet adni..A szűrőkről amiről irtál milyen alkatrészek? (kondi,ellenállás,tranzisztor)?
Dual dif-es bemenetet még nem is láttam.
Viszont van itt egy jó hangú kapcsolás.
Ő mire hallgat ? Nagyon egyszerű ez nekem , tudod nem szeretem az ilyen bagatel dolgokat.
A Jungson Ja 66-os 80W-os végfoka.
Van bonyolult is ha gondolod.
No ez már szebb egy kis hibrid , de tudod én nem teljesítményre utazom .
Az előzőhöz nincs több infód , feszültség értékek stb...
Legfeljebb lehagysz egy pár komplementerpárt.
De jó hangú kecere egyébként, és monumentális kivitel.A táprajza nincs meg a kicsinek, de a 80W-ot ad le 8 Ohm ra, tehát +-50V körül lehet. |
Bejelentkezés
Hirdetés |








De jó hangú kecere egyébként, 



