Fórum témák
» Több friss téma |
Fórum » Csöves erősítő készítése
Ne feledd betartani a fórum viselkedési szabályait, és a topik megmaradásának feltételeit. [link]
A téma átmenetileg fagyasztva lett, hozzászólni nem tudsz!
Sztem nem 1 és nem 2 képlet kell egy trafó számításához! Nem akarok belemenni, mert nem értek hozzá. Ismerem azt az összefüggést hogy a primer és a szekunder menetszám aránya a primer és szekunder feszültség aránya is egyben, de ez nem ilyenegyszerű, mert a vas típus ugyan az, hanem a vaskeresztmetszetem nagyobb, mint amire javasolják(12cm^2 helyett 20cm^2). Gerjesztést meg mittudom én, hogy miket kell figyelembe venni, és lehet, hogy igazad van, de akkor meg így ahogy van kellene feltekernem.
No, így már világos(abb). Ez egy SE, UL kapcsolástechnikával. Minden tiszteletem a készítőé, de azért látok benne egy-két felesleges (vagy műszaki szemmel furcsa) megoldást. Szerencse, hogy egy csövest nagyon el kell b...ni ahhoz, hogy ne szólaljon meg.
Akkor a végfokozattal kezdjük. 1. Ha katódellenállást használok, akkor a rajta eső feszültség stabilizáló hatással van az anódáramra. Nyilván, egy másik csővel kissé más áramok folynak, de ez az eltérés nem indokolja, hogy oda még egy potit (PR4) is kelljen beépíteni. Soha semmiféle gyári készülékbe nem láttam ilyet (mert nem szükséges), a fix ellenállás tökéletesen elegendő. 2. Elképzelni sem tudom, milyen műszaki megfontolásból van ezen katódellenálláson 68 µF értékű kondenzátor (C3)..... Ez ide egyszerűen kevés (ha megfontoljuk, hogy az előfokozat jóval kisebb áramához meg 100 µF -et épített, ami oda megfelelő érték), legalább 220-470 µF a szükséges. 3. Miért kell mindenbe erőltetni ezt az SRPP kapcsolástechnikát? Egyszerűen felesleges. 4. Miért kell a szűrő ellenállást állíthatóra készíteni? Szintén semmi nem indokolja, az előfokozat szintén katód-ellenállásos beállítású, nem DC csatolt fokozatokról beszélünk. 5. A 22nF nyilván elírás, az µF nagyságrendű. Műszaki szempontból sokkal jobban jársz, ha nem az ismerősöddel építteted meg (láttuk az előző munkáját is), hanem pl. a melléklet alapján Te magad esel neki. Ott a P4-es poti felső fele a bemenet, a tőle balra található áramköri részletet el lehet hagyni. Csak megjegyzésképpen: a kapcsolás éppen 6N2P-vel hajtja a 6P3Sz-t. Idézet: „es persze kulso tap aminek nem tudom mi az elonye” Kb annyi, hogy még egy dobozt porolhatsz. Végerősítőt nem nagyon szoktak külön dobozba a tápjától építeni. Legalább annyi macera, és zavarforrás a komoly fűtőáramokat átvinni (ráadásul evvel egy sor bizonytalansági tényezőt is kreál - az összekötő vezeték esetlegesen megy) Még a neves gyártók sem igazán problémáznak ezen. Egy RIAA korrektornál már lehet ez jobb megoldás!
Biztos ez?
A 6N2P egyszem triódája ha a 6P3S tetródaként megy szerintem elhajtja, igaz szűken. 6N9S az elhajtja triódaként is, az sem sokkal keményebb cső.
Itt látok a bal szélén egy Erfurti EL-t, majd mellette egy kicsit futott EL-t a hazai ipartól (a papírfecnis ECC mögött). A négy végcsőből ítélve ez PP kapcsolástechnika lesz, ahol az említett csövek párban járnak. Nem tudhatóm, hogyan lesz beállítva a munkapont, de törekedjünk a szimmetriára (lehet, hogy a két azonos gyártójú cső is távol áll egymástól - állapot, széria......- de a különféle gyártótól valókat valószínű, hogy nem lehet(ne) összeválogatni).
Természetesen ettől még működőképes lesz a kapcsolás.
Igen, ezek az anyagok elérhetőek a számomra.
Helló !
Ha a végfokcsöveknek is odaírnák az adatlapjukra hogy mekkora feszültségerősítést tudnak, akkor úgy nagyjából mekkora lenne a "mű" ?
Oda van az írva. Úgy hívják, hogy meredekség, S a jele, és mA/V -ban adják meg. (mivel a pentóda nagy belső ellenállású cső, így áramgenerátor)
Egyébként a kapcsolatot a mű, és az S között a Barkhausen egyenlet adja meg. (keress rá)
Üdv Mindenkinek!
Lenne egy olyan kérdésem, hogy kezembe került Ágoston Lajos: Audiofil erősítők építése című könyve, és a hátulján találtam egy hirdetést, ahol Marton Imre neve szerepel. Esetleg valaki készítettet már vele trafót? Sajnos nem találtam e-mail címet, esetleg valaki tud valami hasznos infót, elérhetőséget, mennyire drágán/olcsón dolgozik? Előre is köszönöm a válaszokat!
Azt nem is néztem. :whatever:
Ismertem, de azt hittem ilyen csak az előfokcsöveknél van.
A pentódákra a "mű" nem jellemző (a végfokozataink meg legtöbbször pentódák), ezért ezekre a csövekre ez nem szokták megadni. Az előfok pentódákra sem.
Szia,
Valamelyik számban a telefonszáma is megvolt. Úgy két éve fel is hívtam, de sajnos azt a választ kaptam Tőle, hogy már nem teker trafót...
A alu felülettel mi a terved?
Le kellene polírozni és emisszionálni. /foszfátozni/ A felületi oxidálódást megállítja, és le lehet festeni alu festékkel. Ha érdekel a foszátozást megcsinálom ha elüldöd. Ajándék
Nekem meg van alura való festékem Special igaz szürke de valami bitang anyag ...
Akkor majd csak összenön. Egyébként ez a kémiai felületkezelés nem igényel festést. Krómoxid réteg alakul ki a felületen. A festést jobban tartja.
Le szoktam csiszolni 220-as vizes csiszolópapírral. Utána alumínium alapozóval kezelem és végül jöhet a festés.
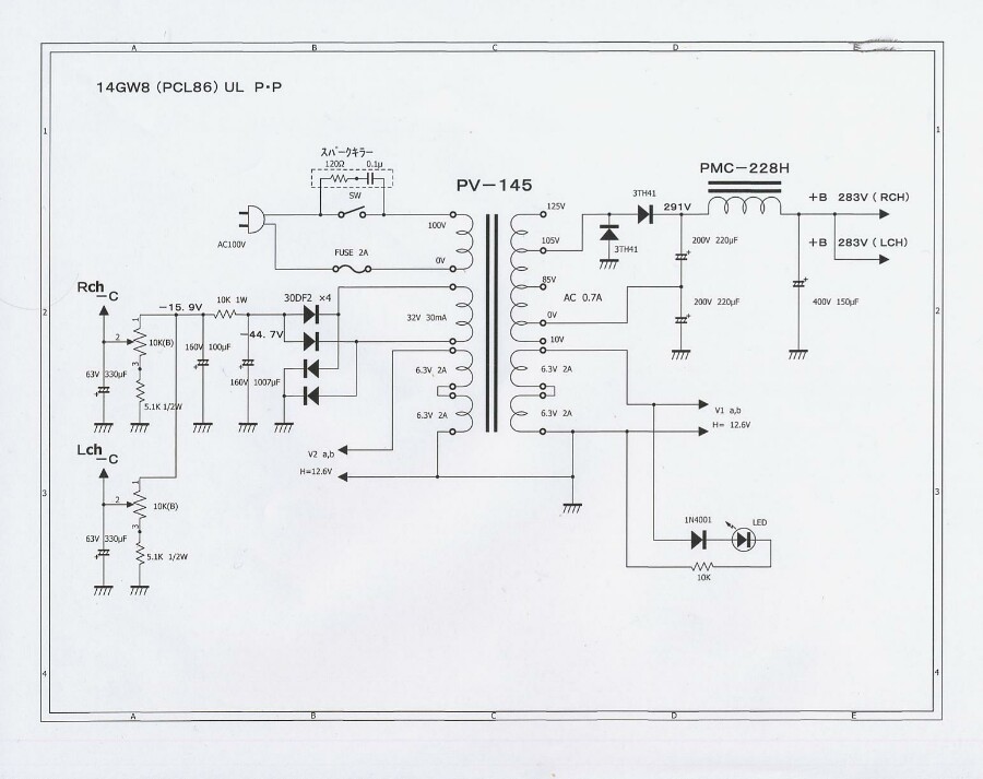
Tapasztaltabb építők segítségét kérném,a rajzon szereplő erősítő működőképes,megbízhatóan utánépíthető?
A lényeg hogy csiszolás után egyből mennjen rá a az alapozó.Milyen színű lesz? Valószínű.... :hide:
A táptrafó - érzésem szerint - valamilyen készülékhez tartozhat. Ezt felhasználva készítették el így a tápegységet. Én nem erőltetném ezt a feszültségkétszerező kapcsolást annyira.
Úgy néz ki hogy fekete lesz. Az elején lesz egy nagy hangerő gomb benne egy kétszínű LED. Piros lesz amíg felfűtenek a csövek, utána zöldre vált.
Idézet: „Piros lesz amíg felfűtenek a csövek, utána zöldre vált” Mekkora ötlet, ez nagyon jó ......
Köszi! Épp most szereltem be a LED-et a potigombba. Kipróbáltam. Vékony, hajlékony 3 eres vezeték megy hozzá (headset-ből bontott).
Fokozatosan az anódáram függvényében?
Ez a headset vezeték ötlet tetszik, tényleg elég hajlékony, és bírja is a hajtogatást.
Kíváncsian várom a végeredményt, biztos nem fogunk Benned most sem csalódni. |
Bejelentkezés
Hirdetés |








