Fórum témák
» Több friss téma |
Hello. Köszi a választ! Bármilyen 24VDC-12VDC kapocslóüzemű konverterrel alakítom át a 24V 3,3A-t, annak a kimenetén 12V 6-8A-t kapok? Ez pl. alkalmas lenne a célra?Bővebben: Link
Várom válaszod. Üdv!
Hello!
A hatásfokot mindig figyelembe kell venni, és hogy "nem termelünk energiát". Vagy is a 24V/3,3A-ból legfeljebb 12V/6,6A lehetne, feltéve, hogy a hatásfok 100%. De nem az.. üdv! proli007
Hello! Elvileg a berendezés 90%-os hatásfokkal bír. Tehát ha ezt megveszem és beüzemeltem akkor a bemenetére adott 24V 3,3A-ből a kimenetén 12V 5,94A képes előállítani? (bocs a primitívnek tűnő kérdésekért, de fölöslegesen nem ruháznék be rá ha nem muszáj)
Köszi a választ! Üdv.: Stev.
Igen, így van, de az, hogy a kimeneten mekkora lesz az áram, nem a bemenettől függ, hanem a rákapcsolt terheléstől.
Gondolom a forrásod 24V-on képes leadni 3.3A-t. Vagyis ez azt jelenti, hogy ha lekonvertálod 12V-ra, akkor maximálisan 6A-t tudsz kivenni. De a tekercsen át fog folyni a teljes 6A, tehát annak megfelelő terhelhetőségű legyen! Mivel az idő egyik felében az IC-n, a másik felében a diódán folyik az áram, azoknak a teljeset, tehát a 6A-t kell bírniuk, de rajtuk az átlagáram, ami meghatározza a fogyasztást ( az 50%-os kitöltési tényező miatt ) csak a fele lesz. A rajzodon a tekercs 3A-es, mivel (ahogyan erbe írta) az IC is csak ennyit bír.
Adott a teljesítmény, 24V 3A-> P=U*I=72W. Adott a kimeneti feszültség 12V, és a hatásfok legyen 90%. 72W*0,9=64,8W=12V*I->I=P/U=64,8/12=5,4A kb...
Az áram nem növekedik, csak a kivehető áram, és azért, mert a feszültség csökken. Az áram mindig attól függ, mekkora terhelés van a kimeneten. anélkül nem folyik áram. Mivel a teljesítmény a feszültség és az áram szorzata, minél nagyobb áram, annál kisebb feszültség és fordítva. Ezért viszik nagy távolságra az elektromos áramot nagy feszültségre alakítva, minél kisebb áram folyik, annál vékonyabb vezető szükséges és annál kisebb a vezető ellenállásából adódó veszteség. Üdv Inhouse
Hello
Van valakinek egyszerű rajza 3,6>5V konverterhez? A PDA-hoz kellene egy hordozható töltő. Az akku: 3,6V Li-Ion 12Ah, A PDA-nak meg 5V kell (USB). A max. áram amit el kell viselnie az áramkörnek az 1A. A segítségeteket előre is köszönöm. Üdv, kisedison
Üdv. Szerintem ez pont jó nekedBővebben: Link
Üdv.: Stev.
Üdv!
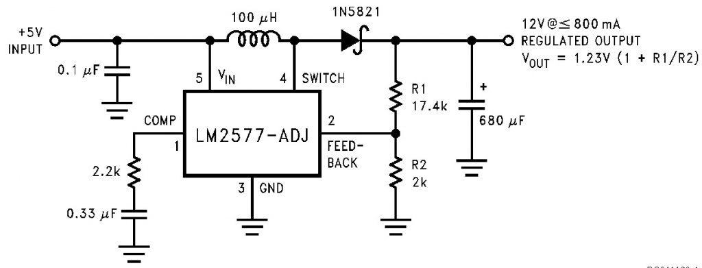
LM2577-tel szeretnék step-up konvertert építeni. Bemenő fesz. 12-15V lenne. A kimeneten kb. 25-45V változtatható feszt (kis áram kb. 100mA) szeretnék. A kapcsolás az adatlap szerint (mellékelve) lenne, kivéve az R2 értékét. Ezt egy 470 ohm-os ellenállással és vele sorban 560 ohm-os trimmerrel helyettesíteném. Jó az elgondolásom vagy inkább az R1 változtatásával állítsam be a kívánt feszültséget? Köszönöm! neogeo2
Hello!
Mint a képletből is látható, szinte teljesen mindegy, hiszen az osztás viszony a lényeg. Különbség csupán annyi, hogy ha konatktozik a trimmer és alul van, akkor a feszültség leesik, felül pedig felugrik. Ha alul van a trimmer, változtatásával a feszültségosztó árama változik, ha felül van, akkor az osztó árama állandó.. üdv! proli007
Értem, rendben, köszönöm!
Még egy kérdésem volna. Ez az IC mennyire érzékeny az induktivitás típusára és értékére? Nekem a mellékelt képen a második sorban találhatóakhoz hasonló van itthon. Ez jó lesz? Vagy inkább szerezzek másfélét? Köszönöm!
Hello!
Ránézésre jó lesz hozzá, de megtudod, ha az átalakító hatásfokát megméred. üdv! proli007
Sziasztok!
Szeretnék építeni egy 12V-12V dc dc konvertert, ami a bemenet és a kimenet szempontjából galvanikusan el van választva. Egy 555 -ös ic vel építettem egy oszcillátort, ami egy FET-et hajt. a FET egy 1:1 áttételű kis toroid trafó primerét hajtja kb 30khz-es frekin , a szekunder oldalon egy egyenirányítás pufferkondi... Nem tudom milyen menetszámok, illetve tekercshuzal-vastagság lenne ideális, hogy nem izzon a FET. A kimeneti áramszükséglet kb 1-2 Amper. Az oszcillátor kitöltési tényezője lényeges? Elöre is köszönöm, ha van valakinek jó ötlete.
A hiedelmekkel ellentétben, egy FET kapcsolóüzemű meghajtása nem egyszerű feladat. A kapcsolásodban a FET melegszik, az annak a jele, hogy nincs kellően kinyitva, ill. lezárva, vagy nem elég gyorsan. A teljesen nyitott FET -nek kicsi az ellenállása, a teljesen lezárt FE T -nek pedig nagy. Ezért a FET disszipációja alacsony. Ha mégis melegszik, akkor itt kell keresni a hiba okát.
A FET -nek jelentős gate kapacitása van, amelyet megfelelő sebességgel kell nyitni, és zárni. Ehhez nagyobb frekvenciáknál már spec. meghajtó áramkört kell használni. Ezek az áramkörök olyanok, hogy tápfelé, és földfelé is egy- egy tranzisztort nyitnak-zárnak ellenütemben, így biztosítható a kis meghajtó impedancia mindkét irányban, töltéskor, és kisütéskor is. Ha szkópon megfigyelnéd a jeleket, láthatnád. A szimmetrikus, kisimpedanciás gate meghajtást biztosíthatod egy impulzus trafóval is. A kitöltési tényező változtatásával a szekunder (egyenirányított) feszültség nagyságát tudod szabályozni, csökkenteni. A terhelhetőségét a FET minimális ellenállása, illetve a trafó tulajdonságai korlátozzák. (vasmag keresztmetszet, menetszám, ill. huzalvastagság)
Hello! Köszi a tippet, találtam rá egy ic-t IR21531
ez egy az egyben a két fet-et hajtja ellenütemben, csak a trafót kell áttekerjem középmegcsapolásúra.
Sziasztok!
A "kapcsolási rajzot keresek" topikban azt mondták itt vannak a szakértők,akik tudnak nekem segíteni! Olyan kapcsolást keresek,aminek a bemenete 12V DC Kimenet 1,5-2V DC ,max 200mA még rövidzárnál is. Komplett kapcsolási rajzra lenne szükségem! Köszi előre is!
Köszönöm!
Ezzel csak az az egy gondom van,hogy mivel nem ez a szakmám,nem értek annyira hozzá,hogy ki tudjam számolni a nekem megfelelő értékekhez szükséges alkatrészeket.
Bővebben: Link
10. oldal 2. ábra. Mindenhol van érték. A kimeneti feszültségre ott a képlet. Behelyettesítve Vout-ra ki kell jöjjön valamilyen R2 érték. R1 legyen mondjuk 2,2kOhm.
Sziasztok!
Kocsiba kellene minél egyszerűbb kapcsoló üzemű megoldás, ami tudna a 24V/kb 150mA-t csinálni a szivargyújtóból. Akár valami step up konverter is jó lenne, de lehetőleg minél kevesebb alkatrészből. Fehér ledszalagot kellene meghajtani, ami beltéri világításként funkcionálna.
Megerősítem, jól működik...
Ok,így már kezd tisztulni.
![]() A max kimeneti áramot mivel tudom szabályozni?
A 34063 is megoldás lehet, az adatlapjában vannak példakapcsolások.
Üdv Inhouse
Köszi! Láttam ezt is, csak a képek listázásánál 5V/12V volt, így átugrottam.
Hát ebben nincsen áram beállítási lehetőség.
Csak az amit az IC önmagában korlátoz. Adatlap szerint ha jól láttam kb 1A vagy kevesebb...
Sziasztok! Tudtok mutatni egy olyan kapcsolást, ami 1,5v-ból 5v-ot csinál 500ma-el? Köszönöm!
Sziasztok mesterek!
Tudom nem ez a kapcsolási rajzot keresek topic, de itt a téma helye és mégis keresnék egy egyszerű rajzot, leírást. 19V-os laptopomat szeretném gépkocsi aksiról működtetni. Ehhez viszont kellene egy 12/19V-os DC/DC konverter 4-5A árammal. Konkrét ötlete van valakinek?
Szia!
Van itt egy step-up konverter rajz. Tanulmányozd! |
Bejelentkezés
Hirdetés |













