Fórum témák
» Több friss téma |
Fórum » Csöves erősítő készítése
Ne feledd betartani a fórum viselkedési szabályait, és a topik megmaradásának feltételeit. [link]
A téma átmenetileg fagyasztva lett, hozzászólni nem tudsz!
Csöves TV-t akarsz/akartok építeni?!
Vannak jobb szakirodalmak is...
Szia spirik! sturbi kísérletezett ilyesmivel.. tőle az idézet:"Először TV kimenőkkel próbálkoztam, mindegyik mélyhiáyos volt (100 Hz es négyszögnél szinte már csak tüske volt). Próbálkoztam egy régi nagyobb méretű rádiótrafóval is, de az rosszabb volt bármelyik TV trafónál. Képkimenőt is megpróbáltam, erős mélyei voltak, de a teljes sávban rettenetesen torzított. Több kisebb méretű hipersil és toroid trafóval is mértem, egyik sem volt jó. A TV kimenők közül egyedül az Orion nem torzított (1 W-ig) a közép és magas tartományban (mélyekről nem nagyon lehet beszélni).
A másik TV kimenővel (nagyobb) kevés méllyel, szintén 1 W-ig egész szépen szólt, de a magas tartományban jól hallatóan torzított (különösen hegdűnél)." Amúgy én is most akarnék egy "egyszerü félét" összedobni kísérletképp.. ezért lesem a fórumot.. Nekem is van sokféle lomizott kimenőm..
Szia.
Köszönöm a hozzá szólást ,és kívánom hogy sikerüljön neked is.Itt ezen az oldalon az olyan ember mint én is akinek a hobbija sok érdekességet tanul és a lényeg Nagyon sok segítséget kap.Most közben olyan dolgon kísérletezem hogy könnyen hogy lehet tekercselőt csinálni ami számlálós is.Sok sikert neked . Sok sikert mindenkinek.
Azért javasoltam a képkimenő trafót, mert én jobb hangzást értem el vele, hisz a kimenőtekercsnek minimum 50hz kell. Tuti jobban fog szólni mint kétdb hangkimenő. Persze lehetne most vitát nyitni komoly illesztési számításokról és egyebekről....De fog szólni, és erre mérget is lehet venni... Tudom egy 300b jobb és a hozzá 68 ezerért tekertetett kimenő, de ebben sem fogsz csalódni kezdetben.
Sok hamuka hangzik itt el, hogy a 4000 forintos ellenállás meg a 6 ezer forintos csatolókondi a jó. Mindez a gyártóknak kedvez és hidd el nem veszel észre különbséget a 16 forintos ellenállást beépítve sem... Egy eredeti jcm800 rekonstruálható szinte jobb paraméterekkel mint a gyári 380 ezer forintos cucc, cirka 60 ezerből...
Udv!
Keszuloben az uj csoves,pesze meg nehany fontos dolog hianyzik traf stb.
6P3SZ-E?
Bizony így van ahogy írod.
A Marshallnál nem az erősítőt fizeted, hanem a márkanevet.
Igen,es 6n1p .
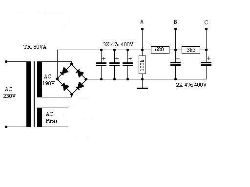
Sziasztok! Ezt a kapcsolást szeretném összedobni.. próbaképp..
Szerintem minden megvan hozzá.. össze vissza tv-ből bontott dolgok.. kíváncsi vagyok a hangzásvilágra. Viszont az ellenállások teljesítményére nem találtam infót.. gondolom nem mindegy hogy hány W-osak.. (a tv-ből bontottak.. 1-2W-osak.. de ha valahová az kellene akkor van pl:150 Ohmból is 10W-os huzal.. )
Srácok, mi lenne, ha számolnátok?
Egy ilyen végfokozat 45mA-nél nem vesz fel többet. Ebből mindent ki lehet számolni......... Aki meg "telemarhálkodja" 5-10W-os ellenállással, annak a hozzáértését nem minősíteném........... Egyébként jól érzed, a 150 Ohm -os 1 (!!!!) W-os, és a 68K-s, a többi meg 0,6 (0,5)W.
Értem.. köszi!
Csak mert lapozgatva a fórumon "deszkamodellekben" is láttam "huzalellenállásokat" beépítve.. ezért gondoltam rákérdek még mielőtt füstjeleket eregetnék a lakásban.. de akkor azok csak "túlbiztosítások".. vagy talán egész egyszerüen csak olyan akadt az illető kezébe..
Én általában légszerelésnél mindenhová 2W-ost teszek de csak ezért mert a vastag lába lévén jobban szerelhető. Imi megmondta a lényeget.
Egyébként a jövő hétvégére nagy az esélye hogy elkészül a PCL82 PP. Akkor teszek fel képeket.
Előlegnek itt van két kép. A trafó takaró még nincsen lefestve ezüstre és a fa részek sincsenek lakkozva.
Azért a félwattos már kevés lehet, nem csak a teljesítmény miatt, az 1-2 W-osok (általában) nagyobb feszültséget is bírnak, ami 4-500 V-os tápfesznél már fontos szempont.
Persze az is igaz. Én a fél wattos ellenállásokkal max 300V tápfeszig mentem el és az nyákos változat volt.
Sziasztok.Gondoltam fel teszek pár képet a most készülő erősítőmről.Persze még finomítás alatt van.
A tápegységben - persze - nem árt egy kicsit túlméretezni. Az üzemszerű állapotok kialakulását megelőző bekapcsolási lökéseket (kondik töltődése) is bele kell kalkulálni. Ezért a ott valóban jobb, ha legalább 2W-os példányt építünk be. Azért az 5-10W sem ide, sem máshova nem kell.
Azt akarod mondani egy félWattos nem bírja ki az U négyzet pr R képlet eredményeképp 0,5 eredmény esetén a rá eső feszültséget? Akkor az hogyan is lehet fél W os?
Vagy nem hosszábba, hanem keresztbe ? ![]() Azaz a 400V on egyik láb esetén nem lehet közel vinni a kicsiny testét a vassasszihoz? Amúgy sem vinné senki...talán...
Nekem is a rácslevezető is 2W.
Jobban is néz ki, mechanikai okai is vannak, nem is kell mindenfélét tartani. Optikailag is butábban néz ki számomra a mini ellenállás. Lehetne a gerjedésgátló is SMS ellenállás, de nekem 2W os.
B@xki te profi vagy...Lefolpakkoztad a deszkát, hogy ne legyen retkesre tapogatva, koszolva...
Pedig csak pár másodperc a kitakarása, mégsem tettem meg, aztán lehetetlen lepucolni. Okos.
Sziasztok!
Egy csöves gitárkombót szeretnék építeni rajz (pdf, második oldal). Két táptrafóm van amit kijelöltem esélyesnek kimenő és táp céljára, mert szétszedhetők, csatolok egy képet. Ezzel a két trafóval meg lehetne valósítani az erősítőt ha átteker(tet)em őket (kimenő/táp)?
Nézd meg egy pár ellenállás részletes adatlapját, a megengedhető feszültséget. Üzemszerűen nem, de be-ki kapcsolásokkor -ahogy Imi is mondta- majdnem a teljes tápfesz rákerülhet az ellenállásra. Átüthet, nekem is átütött, pedig jó minőségű, hosszú, 2W-os szénréteg volt.
Néztem több megépített verziót, és tökre ilyen formájú trafókból csinálták, mi a gond szegényekkel?
Üdv.Arra számítottam én is,de szerencsére nem.Így is szép hangja van,bár tervezem,hogy az összes kondenzátort kicserélem 47uf-re.
Így a képről - viszonyítási alap, vagy méretmegadás nélkül - kicsinek tűnik. Kis trafó is pontosan úgy néz ki, mint a nagyobb, csak kisebb.
![]() Megadhatnál egy-két méretet, hogy konkrét adatot is kapjunk.
Őt szánnám kimenőnek. Régi rádiókból indultam ki azoknál se láttam nagyobbat, adatok a csatolt képen.
|
Bejelentkezés
Hirdetés |


Vannak jobb szakirodalmak is...














