Fórum témák
» Több friss téma |
A nullatmenet detektor vegulis jelzi a PIC szamara, hogy a valtoaram 0-hoz kerult, vagyis indul a felhullam. Nalam ez egy IT-t general, es a szabalyzas fuggvenyeben beir egy erteket a TMR1 szamlalojaba, es mikor ez az ido lejart berugja a tirisztort. Amikor ujra 0-hoz er elveszi a gyujtofeszt. Persze amit irsz a lassu PWM is alkalmazhato. Csinaltam futesszabalyzast ugy, hogy egy MOC3062 (nullatmenetes optotriac) segitsegevel gyujtogattam a triac-ot, a periodusido 1 sec volt, tehat 50 Hz eseten 0-100 felhullamot tudott szabalyozni (nalam 60 Hz van es igy 0-120 kozott szabalyzok). Csinaltam kimustralt hutoszekrenybol 37-38 C fokos verminta tenyeszto inkubatort hasonlo modszerrel. Persze itt nem szukseges a ZCD, mert maga az optotriac tartalmazza, es csak nullatmenetnel tud bekapcsolni.
Sziasztok.
Megint én...., tud valaki mondani arrol infót hogy miért rángatózik a moci . Csak alacsonyabb kitöltésnél. A poti ujj 3 potival probáltam mindegyikkel rángat.
Szerintem lehet hogy túl alacsony a pwm frekvenciája.
nem tudom még. de ez inkább zajból ered.
Vidd fel a PWM frekvenciáját 3 - 3,5KHz környékére.
hazamegyek rámérek. de arra gondoltam hogy lehuzom a gate ot negativra.
Elektrolízishez szükséges! (vizet szeretném szétválasztani alkotó elemeire
) A szabályozással akár 30%al nagyobb hatásfokot is el lehet érni... csak ehhez szükséges az átfolyó áram nagyságát és jelalakját változtatni (az ampert változtatni, a jelalakot pulzálóvá tenni...).Ehhez kérnék tanácsot... Üdv!
Szia!
Pontosabban mit értesz a rángatás alatt? Arra gondolsz, hogy nem indul el azonnal alacsony fordulaton, hanem megugrik és aztán visszaáll alacsony fordulatra amikor már megy?
Sőt, ha már itt tartunk, egyáltalán ritmikus az a rángatózás, vagy csak olykor-olykor?
Totál letekert potinál is elindul a motor ha gondol egyet.
Fél másodpercre majd sipol,a sipolás tudom mi nem az lesz a gáz . De mindjárt összedobom az elötétet a skophoz aztán okosabbak leszek.
A két felfutó él 2.77 és 3.08 ms között ugrabugráll.
Igen random ugri-bugri,a frekvencia meg azt le sem tudom olvasni.
Szia!
Ahogy elnézem a képet, ez a félszinusz jellegű burkológörbe nem hálózati brummra utal? Nem nagyon ismerem ki magam ezen a szkóp képernyőn, mert a vízszintes vonal alatt a felirat frekvencia, nem tudom hol lehetne leolvasni azokat az értékeket amit írtál. De ez mindegy is, mert ahogy nézem olyan mintha két impulzus sorozat lenne egymásra vetítve, és ott valóban látszik a freki változása. Nekem ez a burkológörbe alá eső jelsorozat eleve nem tetszik, mert ezzel így nem lehet tisztán a PWM hatását érvényesíteni. Elméletileg egyforma amplitúdóval és csak változó kitöltéssel kellene működnie. Ha ezt látod, biztos nem jó. Szerintem a táp okozza, próbáld meg csak akkuról.
Helo!
"Nem nagyon ismerem ki magam ezen a szkóp képernyőn," Mert a szkóp időfüggvényt ábrázol, ahol az X tengelyen az idő van. Itt pedig a frekvencia. Vagy is ez nem szkóp, hanem spektrum analizátor FFT képe. üdv! proli007
Ez egy tipikus impulzus sorozat spektruma. És a végtelenségig tart. Itt láthatod, hogy milyen széles sávban zavar.
FFT-t felesleges vizsgálnod. Szedj le egy tényleges PC szkóp programot vagy váltsd át szkópba ezt amit használ.
Jó hosszú mintavételezéssel (pl 10mp) Te tudod hogy milyen gyakori a rángatás, rá kell tenni a szkópot és vizsgálni hogy a rángatásnál mi miatt van a feszültség kimaradás. Ahogy nézem az ábrából két jel valóban keveredik, de látszik hogy az kapcsolófreki alapharmónikusa kb 2khz ami motor hajtára teljesen jó.
Nem hálozatból ered a zaj.(9.6v akkuról hajtom)
Az értékeket úgy "olvastam" le hogy a progi kiírja,beállítottam a felfutó élet a kezdőpontra majd a kurzort rátettem a következő felfutó élre. és ezt a különbséget kiírja a skop. De itt egy újabb probléma. Lehet hogy ezt a torzulást az elötét csinálja? A kék vonalat én rajzoltam be a sárga amit mértem.
Ha jól értem, a hangkártyádat használod szkópnak. A hangkártyának (lehet hogy az általad készített előtétnek is) AC csatolt a bemenete, ezért van rajta a tetőesés a négyszögjelen. De ha szkópzsinórt használsz, kompenzációs probléma is hasonló torzulást eredményez.
Az eredeti probléma megtalálásához nagyobb (hosszabb) időalap kellene, ezen csak az látszik, hogy a mérés időpontjában kb. 130Hz-es frekvencián 50%-os kitöltéssel megy a PWM.
Szia!
Ha egyszer mérsz egy jelalakot, és annak van egy periódusideje, akkor miért nem alkalmazkodsz ahhoz? Berajzoltam az ideális jelalakot , de nem találtam a képen időkülönbséget, a jelalakok felfutási idejei egyforma távolságra vannak, és a lefutók is, vagyis csak a kitöltési tényező nem pont 50%, de hát pont ez a lényeg, hogy az változik a poti állásától függően. Azt, hogy a rángatást, vagy egyenetlenséget nem a táp okozza, ezek szerint teljesen nyilvánvaló, de egy hibás forrasztás, a táp szűretlensége, a motor visszahatása az IC tápjára, stb. bármi okozhatja, de lehet alkatrész hiba is, pl a kondié ami az időalapban van. Minden lehetséges. Esetleg próbáltad egy másik 555- el is?
Köszönöm a sok segítséget és tanácsokat.
(tényleg forrasztás volt,tegnap éjjel még átforrasztottam reggelre meggyógyult.) Kicsi OFF, ezt meg lehetne hajtani 1 olyan jellel ami 20ms onként ismétlődik és tart maximum 1-2ms ig?? PIC NÉLKÜL! Ha a jel 1ms 1% kitöltési tényező Ha a jel 2ms 99% kitöltési tényező Erről mi a véleményetek?
Szia!
Ha az időalapot úgy választod meg, akkor 20 msec lesz, az 1%-os kitöltéssel pedig a motorod meg sem fog moccanni, az biztos kevés. Biztos nem kell PIC ez annyira egyszerű, csak a pontosság miatt akkor helipotot használj. Más. A képen lévő kis módosítást azért javaslom, hogy tedd meg, biztos ami biztos alapon (a sárga alapon lévőt).
Ez ha joll látom a dolgot kisseb feszt ad az 555-nek
és nem hadja a motor indulásakor leesni a feszültséget,vagy az áramot? asszem.
Szia!
Az 555-ös IC nem vesz fel olyan nagy áramot, hogy jelentős legyen a feszültségesés. A fő ok az, hogy a motor kevesebbet szór vissza a IC tápja felé, vagyis valamennyivel növeli a stabilitást és kevésbé lesz zavarérzékeny. A FET bekapcsolásához szükséges pillanatnyi nagyobb áramfelvételt a 47µF kondi biztosítja. Mivel alacsony feszültségről járatod, ezért olyan FET-et is kellene a végére tenni (logikai FET), ami ilyenkor is biztonságosan ki tud nyitni. Általában tudják a FET-ek, de erre nem lehet megbízhatóan építeni.
Pl. IRL sorozatú fetek. IRL540 stb...
Szia!
Én is erre gondoltam, csak nem akartam pontos típust írni, mert ki tudja, hogy milyen igényeket kell kielégítenie. A 10 - 180A között bőven lehet válogatni ilyen célra. Ráadásul olcsó is! Ennyiért nem lehet otthon kifaragni!
Sziasztok!
Olyan megoldás kellene nekem PWM-re,hogy hőfok függvényében változtassa egy DC motor fordulatszámát. Korábban építettem ilyet egy 555-ös IC-vel úgy,hogy a trimmer után még sorba kötöttem egy NTC-t,ami remekül működött,de most olyan megoldás kellene,ami 25-35fok között szabályozna.25 foknál kb60-65 %-on menne a moci,de 35 foktól már 100%-on kellene üzemelni. Melyik az a hőérzékelő alkatrész ami ilyen szűk tartományban érzékel? Esetleg lehetséges,hogy a Proli által feldobott MBR10100-as shottky alkalmas lenne erre?Vagy kössek párhuzamosan egy csokor NTC-t hogy kicsit hirtelenebben reagáljon? A segítséget előre is köszi
Esetleg ajanlanam hoerzekelo gyanant a MCP9700A tipusu (MCHP) erzekelot. A kimenete DC feszultseg 0 foknal 500 mV, es 10mV/C a meredeksege. A mukodesi tartomanya -50->+125 C. Ez utan egy OPA-s PWM generatort alkalmazva akar jo is lehet. Ja az ara 77 Ft+ifa a CHPCAD-nal.
Hello!
Egy kazal NTC-t hiába kötsz sorba, mert annak is kb. -3,6%/°C lesz a hőmérsékleti együtthatója, mint egy darabnak. Viszont mérni nem, de szabályozni az NTC megfelelő, pont a nagyarányú ellenállás változása miatt. Vagy is ennek használata esetén egy szabályzó erősítő alkalmazása a célszerű, mint itt. Nézd meg, hátha ad ötleteket.. üdv! proli007
Tanulságos nagyon ahová irányítottál kedves Proli007.
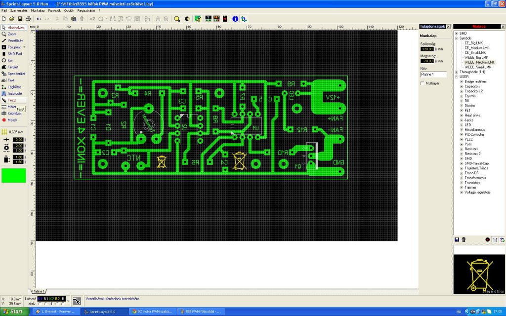
Én meg egy nagy ökör vagyok,hogy ott nem kerestem .A peltieres verzióról készítettem is egy nyáktervet. Megtennéd,hogy rápillantasz? A másik kérdésem a következő lenne,hogy ez a 20-40 fokig szabályzás nekem bejön,de ez 0-ról szabályoz? Nagyon köszönöm az eddigi segítséget
Hello!
- Én a nyák tervet jónak látom. - Miért szabályozna nullától. Szerintem valamit félre értettél és össze keverted a hőfokot a kitöltési tényezővel.. - Szerintem valahol írtam már, hogy R1-R2 és R3-R4-P1 egy hídkapcsolást alkot. Ennek a hídátlóját erősíti fel a műveleti erősítő, és vezérli az 555 kitöltését. Mivel R2 és R3 azonos értékű, így a maximális hőfok (mikor az NTC ellenállása a legkisebb) ott van, amikor a termisztor ellenállása megegyezik R4 értékével. Minimális pedig, amikor a termisztor ellenállása megegyezik R4+P1 értékével. Keresd ki az adatlapján, az ehhez az ellenállás értékekhez tartozó hőmérsékleti értékeket. üdv! proli007
Nagyon köszönöm a segítséget.
Az a hőtartomány amire ez az áramkör született nekem pontosan megfelel,és most ahogy mindent kimerítően elmagyaráztad melyik ellenállás miért is felel,így már a megépített áramkörön tudok majd hangolni a dolgokon ha nem stimmel.Még egyszer nagyon köszönöm hogy felnyitottad a szemem....Majd beszámolok róla itt,hogy működik-e ![]() Köszönet ![]() INOX |
Bejelentkezés
Hirdetés |




) A szabályozással akár 30%al nagyobb hatásfokot is el lehet érni... csak ehhez szükséges az átfolyó áram nagyságát és jelalakját változtatni (az ampert változtatni, a jelalakot pulzálóvá tenni...).



.






