Fórum témák

» Több friss téma
Fórum » Végfokozat TDA2030-40-50-el
 
Témaindító: sasorr, idő: Jan 16, 2006
Témakörök:
Lapozás: OK   177 / 274
(#) gabesz.mi074 válasza Lacika001 hozzászólására (») Jan 2, 2012 /
 
Ezekben lehet igazad van . A vezető sávok ez miatt vannak ónozva. Túl vastag vezető sávoknak én nem vagyok híve.
Az már máskor is gondot okozott nekem, a nyák tervezésen dől el ez a kapcsolás és egy megfelelő trafón. Ez személyes tapasztalat nekem ha más a véleményed szívesen hallgatnám meg.
(#) gabesz.mi074 hozzászólása Jan 2, 2012 /
 
Ez a 10mikrós kondi el gondolkoztató hogy be kerüljön a nyákba ezen is megtalálható
http://www.hobbielektronika.hu/forum/files/0c/0cd83aab1baf763b277fd...00.gif
A + és- bemenetnél egyaránt. Szerintem a nyákba is így jó be tervezni a tranzisztor emitter vezető sávja és GND közé.
(#) dani9228 válasza Lacika001 hozzászólására (») Jan 2, 2012 /
 
A keskenyebb vezetékek 0.6mm, a szélesebb 1mm.
(#) dani9228 válasza gabesz.mi074 hozzászólására (») Jan 2, 2012 /
 
Te a tiedébe raktál 10µF kondikat?
(#) gabesz.mi074 válasza dani9228 hozzászólására (») Jan 2, 2012 /
 
Én nem raktam bele csak azt a rajzot követtem amit te csinálsz. Az enyém is ugyan az csak másképp rajzolva. Egy próbát meg ér ha alakítasz helyet a nyákon a+és a föld közé a- táp és a föld közé tegyél oda 47mikrós kondit . A 220nf az benne van a rajzban . A hozzá való táp az ilyen
http://bsselektronika.hu/index.php?id=8
Ha jó a táp és a nyákod is rendben lesz akkor működnie kell ,ezt egy haverom is meg csinálta még anno a rádiótechnika folyóiratból neki is működött.
(#) gabesz.mi074 válasza gabesz.mi074 hozzászólására (») Jan 2, 2012 /
 
illetve ezért van az ic 3as és 5ös lábánál a 220nf kondi is amiről Lacika001 kolléga 100nf es ről írt. Ha jól tudom ezt mondják zobel híd kondinak is . Ettől független tehetsz még egy 100nf eset párhuzamosan a 47mikrós kondikkal kötve. Be üzemeléskor el dől kel e módosítani
(#) gabesz.mi074 válasza dani9228 hozzászólására (») Jan 3, 2012 /
 
Tüzezetesen nem tudtam át nézni a nyákod de nézd át még egyszer jó alaposan. http://www.hobbielektronika.hu/forum/files/87/873c098e931dde65ded53...fd.gif
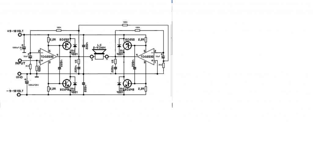
Az ic 5ös lábáról mindkét ic nél pnp tranzisztor bázisára csatlakozik. Az ic 3as lábáról npn tranzisztor bázisa csatlakozik. Ha jól sejtem a TIP 36PNP A TIP35NPN. Tehát mindkét ic 5ös lábát kövesd le , és nézd meg pnp tranzisztor bázisára csatlakozzon. Persze ha véletlen rosszul írtad a számát és tudsz róla az ugye más.
BD250 az ugye pnp azt tudom. Itt a TIP36 A pnp?
(#) dani9228 válasza gabesz.mi074 hozzászólására (») Jan 4, 2012 /
 
Üdv! Igazad van rossza a feliratozás, és hogy mondtad mert még csak most vettem én is észre. A suliban kipróbáltam labortápról és akkor még a rajz szerint voltak az alkatrészek, vagyis a két tranyó rosszúl. Ez okozhatta azt, hogy mindig zárlatot jelzett a táp? Legközelebb jövőhét kedden tudom megnézni szerinted ez lehetett a baja, vagy nézzem azért még át jobban. Köszi a segítséget!!!
(#) gabesz.mi074 válasza dani9228 hozzászólására (») Jan 4, 2012 /
 
Hát ha táp feszültséget küldtél volna rá +és-12voltot valami megcsattant volna de remélem a labor táp nem engedett rajta különösebb áramot folyni. ki meneten nem volt egyen áram mérhető ? És erről még annyit hogy nem hibázhatsz el semmilyen apró dolgot, sem ellen álás értéket , sem kondit ne kössél rosszul, már amelyik kondin +és-jelölés van mert itt látatlanul nehéz segíteni mi a baj. És a vezető sávok is rajz szerint ha működő képes erősítőt akarsz. Minden a helyén legyen ,árnyékolt be meneti vezeték , hidegítő kondenzátorok a táp után legyenek.
(#) gabesz.mi074 válasza gabesz.mi074 hozzászólására (») Jan 4, 2012 /
 
Persze a tápba kell üveg bizti 5A ,Én be üzemeléskor 1A tettem bele. Ez talán megvédi az ic ét ilyen esetekben.
http://www.hobbielektronika.hu/forum/files/d8/d8c94886ba38c349da10e...c3.jpg
Ezen 4db van. Külön a gratz híd előtt 2db, ez védi a trafót ha talán zárlatra ugrana egy dióda a tápban, és 2db a +- oldalon. A közép nullán egyértelműen nincs biztosíték.
(#) gabesz.mi074 válasza gabesz.mi074 hozzászólására (») Jan 5, 2012 /
 
Ja és a tranzisztor védő diódáinak fordított irányban való be forrasztásánál szintén ugyan ez lesz a helyzet . 1n4007esek . Biztosan ezt használod. Ezt is nézd át. PNP tranzisztoroknál a dióda +át eresztő irányban kapcsolódik a tranzisztor kollektor ki vezetésére, NPN tranzisztornál a kollektor ki vezetésre negatív át eresztő irányban csatlakozik.
(#) dani9228 hozzászólása Jan 5, 2012 /
 
Üdv! A labortáp egyből kioldott amikor rákapcsoltam a feszültséget, úgyhogy remélhetőleg nem lett semmi baja. Kiszedtem mind a négy tranyót és akkor normális volt az áramfelvétel. Most még 400mA kapcsoltam rá. Remélem, hogy a tranzisztorok rossz beszerelése volt a gond. Én 1N4001-et használok megegyezik az 1N4007-tel csak kisebb a feszültsége. Megnéztem a diódákat megfelelő irányban állnak. A kapcsolási rajzon csak utólag jelöltem, azért nem látszik rajta. A kimeneten nem mértem, hogy van e egyenáram.
Egy másik kérdésem lenne, ugye ez a kapcsolás olyan 7A-t vesz fel. Hogyha én sztereót építek akkor az már 14A-t venne fel. Nekem ami van trafóm az 7A-t ad le, ami szerintem nem vinné el a kettőt. Mit gondolsz?
Az megoldható lenne, vagy hülyeség, hogy ha a két erősítő tápbemenetét sorba kötném és kétszer akkora feszültséget adnák neki mintha csak szimplán lenne? Köszi!!
(#) dani9228 válasza dani9228 hozzászólására (») Jan 5, 2012 /
 
Üdv! Itt a módosított rajz. Jelöltem rajta a diódák irányát és a kondijét is.
(#) Lacika001 válasza dani9228 hozzászólására (») Jan 5, 2012 /
 
7A elég a sztereónak, ha van elég kondenzátor a tápban. A sorbakötés pedig nem jó ötlet..
(#) dani9228 válasza Lacika001 hozzászólására (») Jan 5, 2012 /
 
Oké köszi! Van összesen 11500µF puffer + a hidegítő.
(#) gabesz.mi074 válasza dani9228 hozzászólására (») Jan 5, 2012 /
 
Nem jó amire gondolsz a táppal . Mindent rajz szerint. 2szer 15volt kell neki szimmetrikus egyen áramú táp egység.
http://bsselektronika.hu/index.php?id=8
14Ampert sztereóban ez soha nem fog fel venni csak akkor ha gerjed .
(#) gabesz.mi074 válasza gabesz.mi074 hozzászólására (») Jan 5, 2012 /
 
Jól csinálj mindent . Akkor működni fog. Sok sikert hozzá.
(#) dani9228 válasza gabesz.mi074 hozzászólására (») Jan 6, 2012 /
 
Oké köszi!!
(#) bereczk.jans válasza gabesz.mi074 hozzászólására (») Jan 8, 2012 /
 
Üdv Dani! Szerintem a BSS-oldalon feltüntetett 2-2 tranzisztorral megfejelt TDA2030-as hidalás, aminek megadtad a kapcsolását szerintem hibás. Nézd meg a gyári adatlap 12. és 16. ábráját. Másold le 2-szer a 12-est és old meg vele amit a 16. ábrán látsz! Összeveted az eredményt és rájössz a hibákra. A nyákon is korrigáld ezeket! Kicsit meg kell vele dolgozni! http://www.datasheetcatalog.com/datasheets_pdf/T/D/A/2/TDA2030A.shtml Csak felhívom a figyelmed! Kevés az idöm
(#) dani9228 válasza bereczk.jans hozzászólására (») Jan 8, 2012 /
 
Üdv! Én a mellékelt ábra alapján szerkesztettem meg a kapcsolási rajzot. Miért te mit találtál, én annyira nem értek hozzá. Azt meg tudom csinálni, hogy a rajzot beviszem a számítógépbe és az alapján megépítem, de az elméleti területen még kezdő vagyok. De ha van valami észrevételed annak örülök, hogy megosztod velem és segítesz.
(#) dani9228 válasza dani9228 hozzászólására (») Jan 8, 2012 /
 
Üdv! És az a kérdésem lenne úgye ez egy híd kapcsolás. Ennél van olyan hogy pozitív és negatív kimenet a hangszóróra, vagy nincs.
Köszi!!
(#) reloop válasza dani9228 hozzászólására (») Jan 8, 2012 /
 
A külső bemenetre kötött IC-re kösd a hangszóró pluszt.
(#) dani9228 válasza reloop hozzászólására (») Jan 8, 2012 /
 
Oké! Köszi!
(#) bereczk.jans válasza dani9228 hozzászólására (») Jan 8, 2012 /
 
Készítettem egy kapcs. rajz korrekciót az általam elképzelt hidalásról kettős tápegységhez. Szerintem ennek működnie kell, ha jól összehasonlítod a panel beültetési rajzzal.(Azt már ne kérd. Kicsit tessék dolgozni!) Rakd be a végfok ICk-ket, de a végtranzisztorokat még ne. Így is a hangszóró csatlakozási pontjain a GND-hez képest 0 V-t kell mérni. Ha ez oké beteheted a hangszórót és kis hangerőn így is működnie kell! Ezután ha még jók a végtranzisztorok azokat is beteheted.(A végtranzisztorok ebben a kapcsolásban csak egy bizonyos teljesítmény szint fölött kezdenek csak működni. (Rajzot Paintbrus-sal nyisd meg.
(#) bereczk.jans válasza bereczk.jans hozzászólására (») Jan 8, 2012 /
 
Az én rajzomnak kb 70% a valószínűsége, hogy jól müxik, de nem építettem meg, csak gondolkodtam a problémán. Azt is megteheted, hogy a 0-(fénykép ikonra kattintasz és ennek a fórumnak a kapcsolásait, képeit végig bogarászod és találsz hasonlót, de mások által eredményesen kipróbáltat, akkor azt csinálod meg. Sok sikert!
(#) reloop válasza bereczk.jans hozzászólására (») Jan 8, 2012 /
 
Szia! A minap ajánlottam A zavarelnyomás érdekében még jobb lenne 22k/680 ohm -mal. Úgy emlékszem olyan az adatlap is. TDA7294-et hidalgatok, az 47k/1,5k-val már gerjed, 33k/1k-val még stabil. Persze nyák, táp is számít.
(#) gabesz.mi074 válasza bereczk.jans hozzászólására (») Jan 8, 2012 /
 
Meg építetted ezt a kapcsolást már ?Ez jelent meg még anno a Rádió technika folyóiratában is ,és arról mások is meg csinálták. Kérdésem az hogy akkor nekik hogy lehet hogy működik? Sőt az összes idegen nyelvű veb oldalon akármelyiket nézed mindegyiken ugyan így szerepel.
(#) gabesz.mi074 válasza gabesz.mi074 hozzászólására (») Jan 8, 2012 /
 
http://www.hobbielektronika.hu/forum/files/c3/c324d81f66793a4dac8b9...7b.jpg
Ennél a kapcsolásnál az egyedüli problémák hogy bétára kellene válogatni a tranzisztorokat. És akkor nem volnának zavarok.
(#) gabesz.mi074 válasza reloop hozzászólására (») Jan 9, 2012 /
 
Nekem ezzel a rajzzal meg építve működött ez a kapcsolás meg is merném mutatni működés közben. Azt el hiszem hogy hibát találtatok a rajzban de én szeretném megkérdezni tőletek hogy miért kell módosítani szerintetek a rajzon. Én vill.szerelő vagyok a kapcsolási rajzokon nem szoktam módosítani ,csak meg építem rajz szerint. Szerintetek miben lesz másabb az általatok megjelölt módosításokkal?
(#) dani9228 válasza gabesz.mi074 hozzászólására (») Jan 9, 2012 /
 
Üdv! Az én tranyóim bétái PNP-nél 111 és 112. Az NPN-nél 55 és a másik 55-56. Ezek megfelelhetnek? Köszi!!
Következő: »»   177 / 274
Bejelentkezés

Belépés

Hirdetés
XDT.hu
Az oldalon sütiket használunk a helyes működéshez. Bővebb információt az adatvédelmi szabályzatban olvashatsz. Megértettem