Fórum témák
» Több friss téma |
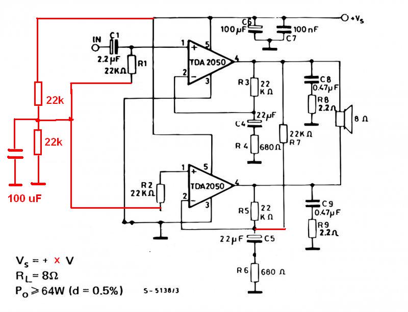
Szevasztok! Megint egy kérdéssel fordulok felétek. Úgy döntöttem, hogy épitek két hidalt kapcsolást, amiben TDA2050 lesz. Csak szimpla tápot találtam, szimetrikus tápom nincs ami megfelel erre a célra. Az IC adatlapján van egy hidkapcsolásos rajz, de az szimetrikus táppal megy. Szóval azt akarom kérdezni, hogy valakinek van kapcsolási rajza, nyákterve szimpla tápos hidalt TDA2050hoz?
Vagy úgy is jó lenne, ha épitenék 4darab normál végfokot szimplatáposat, és hidalnám őket. Csak az a baj, hogy nem tudom, hogy hogyan kell két végfokot hidalni. Segitene valaki?
Szia! Parancsolj. Dolgozom egy jobb változaton is, ha nem kell sietned várd meg.
Köszönöm, annyira nem sietek, hétvégén szeretném lemarni a paneleket.
Szia! Most fedeztem fel, hogy a korábban C4, R7 jelű Boucherot-tagot átraktad testre, nagyon jó! Úgy nézem ez egy pozitív visszacsatolás volt, melyet a neminvertáló erősítő (a tápban lévő ellenállások által lerontott) magas kimeneti ellenállása nem tudott elnyomni. Grat
Így van. A hidat meg csináltad már ? multkor olvastam itt hogy tervezed .
Üdv! Köszi! A legelső rajzon a két tranzisztor az NPN és a PNP -t felcseréltem. Most helyesen raktam be és így már jó lett. A képeket mellékeltem. Köszi a segítségeket!!!
Ja és amit feltettem rajzot, az alapján építettem meg.
Egész jó lett. Ügyes vagy. Ha fel fogadtad a hűtő bordát és hallottad a hangját akkor is írd meg hogy milyen.
Oké! De arra csak jövőhéten kedden kerül sor, mert akkor viszem be a suliba tesztelni. Akkor már teszek rá hűtőbordát is. Megmérjük a teljesítményt is. Egyenlőre csak egy alumínium lapot tudok rátenni, mert még kell vennem normális hűtőbordát. Szerinted mekkora kellhet, a sztereó változathoz. Köszi!
Enyémen is az van most
http://www.hobbielektronika.hu/forum/files/04/04b40204fbd57e0da7ee7...8a.jpgKicsit szét kencseltem a hő vezető pasztát. Ez a villanyszerelésben használatos A1 Alu doboz fedeléből van ki vágva,4miliméter vastag . Mivel ami jó villamos vezető az jó hő vezető. A nyákod hosszúsága legyen, és 10centiméter magas 4-5alu anyag , illetve jobb híján jó hozzá az ilyen szélességű áram vezető alu sín,amit ki dobott régi erős áramú villamos fő elosztó szekrényekből találsz. Egyéb alu anyagokat nem tudom, lehet próbára jó de az ötvözetnek más a hő vezető képessége . Így alu lemezzel már ne kössél rá 2óhmos hangszórót nekem így a 4- 8óhmos hangszóróhoz jó . Igazi 100w teljesítményre való hűtő borda kellene rá de én sem akarok már költeni rá. Végül is nem melegszik így.
Sziasztok!
Szeretném ezt az erősítőt megépíteni... Bővebben: Link Nem látok rajta hangerő szabályozó potmétert... Bemenő jelhez, sorosan egy poti? Kondi elé vagy után?
Sziasztok , kérdésem az lenne hogy ha TDA2030A ic hídat csináltam akkor az ugye nem szól 4 ohm-os hangszorón ? ha rékötöttem elküldhettem az ic-et vele ? elötte még féltápfeszen voltak a kimenetek ráraktam utána meg kiment rá az egész táp ,de az ic-k langyosak.
Az IC adatlapján az 1. kép. A szaggatottal jelölt rész jelenti a hangerő szabályzó potméter bekötését
Hidalt végfokokra, csak 8 ohmos hangszórót tegyél, vagy nagyobbat. Kisebbet semmi képen sem!
akkor meg is halhattak az ic-im?
Szólt előtte? Meddig tekerted fel a hangerőt? Én ezt a hidalt kapcsolást egy 4 Ohmos hangszóróval használom már évek óta és semmi baja. Lehet hogy nem egészséges de meg lehet hallani hogy hol a kritikus pont. Attól feljebb nem szabad tekerni a hangerőt.
nem szólt még egy kukkot se. nagyon nagyon halkan picit súg és nem tudom mi a baj 14V rajta van a kimeneteteken
DC volt a kimeneten? Vagy AC be mértél annyit?
Üdv! Van nekem egy aluminium sinem, de az túlságossan kemény, szerintem az ötvözet lehet.
Azt tudom a villanyszerelésben használatos áram vezető alu sínek igen jó hő vezetők. Egy ismerősöm a quad405- sére reszelt fabrikált hűtő bordát belőle évek óta megy már. Más fémet nem merek ajánlani , de 1perces próba üzemre talán. Talán halgasuk meg erről itt mások véleményét is.
Én is 4óhmos hangszóróval próbáltam ki a hidat , megy is rólla 14volt táp feszültséggel. 20volt táptól biztosan el szált volna már. A bss elektronikából néztem a kapcsolást. Mérjél nyugalmi áramot, az ic ék kapnak táp feszültséget ? 5ös láb és a hűtő zászló közt mérheted. És a be meneted ellenőrizd le nem e szakadt a vezeték pot méter érintkezzen , árnyékolás is folytonos legyen. Mit erősítenél vele ? A be meneti jel elég nagy ? Ettől független a hídnak nem 4óhmos hangszóró kell 8 a gyári ajánlás. És ide már hűtő borda kell, ezt nem érdemes tesztelni. ebben sokkal jobban melegszik az ic mint egy nem hidalt kapcsolásban . Itt gyorsan el röppen hűtés nélkül.
Ha a ki meneten fél tápfeszt mérsz az jó. Ha a teljes tápfeszt akkor az nem jó már. 4es lábnál.
Kicseréltem a bemeneti ellenállást kisebb értékűre. 100K ról 6,2K-ra és sajnos semmilyen változás nem történt. Ugyanúgy búg ha lejjebb veszem a hangerőt. Esetleg valamilyen más megoldás lehetséges? Azért kérdezem mert most szétszedtem alkatrészekre az erősítőt és megcsinálom egy új panelre. A régi még vasalásos technikával készült. Első erősítőm közül így nem volt valami jó a NYÁK. Szóval most szabad a pálya. Tudok változtatni bármit.
Szia! Nem találom pontosan miről van szó. A búgáshoz van ötletem. Felvezetném, ha megadod milyen kapcsolásban gondolkodsz.
Én írtam a múltkor is. Sztereó TDA2030-ról van szó. Sztereó hangerőszabályzó potméter. Te javasoltad hogy cseréljem le a bemeneti ellenállást szabályzó ellenállást. Az erősítő nagyon szépen szól amikor maximumon van a hangereje. Viszont ha egy kicsit lejjebb veszem a hangerőt a potméterrel akkor egyből behallatszik az 50Hz-es búgás. (Max hangerőn nem a zene nyomja el a búgást, mert némán is búg)
Mielőtt elkezdenék rajzolni: egytelepes táplálású?
Rossz helyre van testelve a potméter hideg oldala, ezért földhurkos lesz az erősítőd. Végszükség esetén használj csillagpontos testelést, vagy legalább kösd a poti test-oldalát a pufferkondikhoz.
Készítettem lebegő hidegpontos egytápost TDA7294-hez. Bővebben: Link
Ez még nem a végleges verzió, de lényeg ezen is látható. Ideje, hogy megrajzoljam TDA2030-2050-hez is.
Sziasztok!
Így gondolom a TDA2030 egytelepes táplálását. A zener diódák segítenek a lebegő testet pontos féltápon tartani. A pufferkondikat elég a legszikárabban méretezni, itt nincs brumm egészen kis kapacitásnál sem. Nincs koppanás bekapcsoláskor. A hangszóró testpontját és a Zobel-tagot (R4, C7) közvetlen a pufferekhez kell kötni. Az IC szigetelten kerüljön a hűtőbordára. Sajnos nincs itthon IC-m, hogy megépítsem, de a TDA7294 tapasztalatok alapján nem lehet baja. |
Bejelentkezés
Hirdetés |





Ja és amit feltettem rajzot, az alapján építettem meg. 











