Fórum témák
» Több friss téma |
Fórum » RIAA korrektor
Témaindító: Ghost Rider, idő: Aug 25, 2006
Valamelyik alkatrész lehet hibás. Könnyen lehet, hogy maga az IC.
Ez már egy jó jel!
Akkor a következő alkatrészeket nézd meg,főleg a földre kötött soros RC tagot,amit bejelöltem (alul) illetve a visszacsatolást (felette)
Szeretnék egy csöves RIAA-t építeni.
Valakinek nincs a tarsolyában egy jól bevált, egyszerűen megépíthető kapcsolás MM hangszedőhöz? Ha nekiállok hány darab csőre lesz szükségem? ECC81-82-83 között mi a lényegi külömbség? Úgy tudom, ezek valók előerősíteni.
A DIYAudio-n nem eppen lelkesek az ECC83 irant, max gitarerositonek ajalnjak. Nehez jo rajzot talalni hozza, es az is szamit, hogy hol gyartottak, mert ECC83 es ECC 83 kozott is nagy kulonbsegek vannak. Nem igazan jo a velemenyuk triodat hasznalni ezen a helyen (frekvenciafuggo erositesu elofok)
Tudok ajánlani: Aikido PH-1,Hiraga "Le Tube"
Üdvözlet!
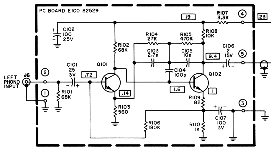
Kaptam egy olyan, kicsit talán reménytelennek tűnő feladatot, hogy egy BEAG AET-250-es erősítőben a RIAA-fokozatot javítsam fel, de lehető nagyon legegyszerűbb módon, hogy az eredeti panel azért megmaradjon, csak itt-ott variálhatok bele. A mellékletben itt van az eredeti és találtam egy nagyon hasonló rajzot, amelyre átalakítanám és mégpedig BC549C kiszajú tranyókkal. Ami különbség egyből látszik a másik rajzon, hogy a bemeneti tranyó emitterén nincs kondi (ez szimpatikus) és a bázisfesz-beállítása is szimpatikusabb (valamint lehet, hogy a RIAA-vcs. alkatrészek is jobban ki vannak számolva...). Még talán a bemenetnél az ohmos lezárás (68 kohm) mellé egy 100 pF-ot is betennék. - küldök erről egy részletes leírást is a linkben. Ha valakinek van hozzáfűzni valója, ne titkolja! Akkor sem, ha szerinte nem jó nyomon járok.... Köszi.
Még csak annyit az előzőekhez, hogy az a 23 V -> 19 V cifrítás (3,3 k + 100 u) nem szükséges, mert tápfeszként oda tudok vinni teljesen szűrt és stabil 19 V-ot...
Még a BEAG- kontra Cortina RIAA-val kapcsolatban.... Tulajdonképpen az lenne az egyszerű kérdésem, hogy van-e esély arra, hogy a BEAG-éhoz hasonló Cortina-féle RIAA képes-e szebben szólni, mint a BEAG-é vagy egykutya, esetleg még rosszabb? A BEAG-RIAA egyszerűen néha szinte visít, kellemetlen.. Ha jól látom, az a fő különbség, hogy a Cortina-énak nem olyan nagy a nyílthurkú erősítése, mert az első fokozat emitterén nincs hidegítés. Igaz, hogy a BEAG-é talán stabilabb, de a nagy hurokerősítés a hangfrekis erősítőkben az esetek nagy többségében nem igazán erény (hiába javít sokat a visszacsatolás a hurokerősítés arányában, de mindent arra bízni nem célszerű...). Kérem olyanoknak is a hozzászólását, segítségét, akik jól belelátnak ebbe a két kapcsolásba és előre is köszi. (Egyelőre nem nagyon szeretnék beletenni ebbe a BEAG AET 250-be más RIAA-t, pl. HFM1-et vagy KD-féle kapcsolást, mert pazarlásnak tartom...)
A Hiragának van egy általam módosított verziója /egy új,nem az ami a Picasamon van/,ami körül belül +-1-1,5dB-lel követi a görbét. Ha érdekel,megosztom.
Ha érdekel,félvezetősök közül tudok ajánlani. Legelső sorban az ActidAmp MK-IV-et,illetve a HFM-1,annak is az általunk módosított verzióját. A Hiraga és ennek a HFM1-nek a görbéje az ActidAmpéhoz lett igazítva. A HFM-1-ről tudok nyilatkozni,én ezt használom jelenleg is,és nagyon tetszik! Iszonyatosan jók a mélyei,szépek a magasai. Teljesen más hangzást nyújt mint egy MP3 vagy egy CD. A tere nagyon-nagyon tetszik. Annak idején,a módosítások nélkül meghallgattam,aztán bedobtam a szekrény mélyére,most elővettem és módosítottam rajta,és most Őt használom.
A kérdésemre saját magam adom meg a választ...
Az AET 250-es RIAA-ját gyorsan "átoperáltam" Cortinává (a 3,3 k + 470 µF ejtőkört elhagytam, mert a BEAG eredeti tápja 20 V és jól szűrt, miután már korábban a földpontjait rendbe tettem; lásd: BEAG AET 250-essel kapcsolatos topic, valamint a két oldali becsatlakozásnál a 68 kohmra rátettem egy-egy 82 pF kondit) és a megérzésem nem csalt, amikor úgy sejtettem, hogy a pár hozzászólással korábban taglalt Cortina-féle, szintén két tranzisztoros, igencsak egyszerű kapcsolás jobban képes szólni, mint a hozzá nagyon hasonló BEAG AET 250-es jól észlelhetően kellemetlen hangú, eredeti RIAA-korrektora. Viszont azt nem sejtettem, hogy ennyivel jobban képes szólni, amint amennyivel!! Amint feltettem egy lemezt, már azonnal lehetett hallani, a befutóbarázdán, hogy ez egy totál más hang lesz, mint ami az AET 250-esből a RIAA-bemenetről valaha is hallani lehetett! Annyira, hogy egészen megdöbbentem... Össze is hallgattam más RIAA-korrektorokkal, egy régi, utánépített Revox-félével (ennek a típusát nem tudom, csak azt látom, hogy jó sok alkatrészt tartalmaz és +/- 15 V-ot kér), egy Hiraga-féle LT1028-asokból megépített verziójával és egy emitterkövető nélküli HFM1-gyel. A Revoxért sosem rajongtam, ez most sem változott, nekem nem elég nyugodt... amint hallottam, a Cortina-féle jobb, szebb, élvezetesebb. (Lehet, hogy fura, de tényleg így hallottam...) A Hiraga elevenségével és a dinamizmusával nekem továbbra is jobban tetszik bármelyiknél, de a különbség nem olyan eget verő, persze, a Hiraga javára. Ami nagy meglepetés volt: a Cortina hangkarakterben leginkább a HFM1-hez volt a legközelebb! Órákig hallgatgattam a kétféle RIAA-korrektort és különbség azért mindig volt, de néha nem tudtam eldönteni, hogy melyiknek a javára. Néha ezt, néha azt hallottam jobbnak. Azért végül az jött ki, hogy a HFM1 nyugodtabb, a tere reálisabb, a hangszeres szólisták nem lépnek annyira előre, mint a Cortinánál, a Cortina transzparensebb, dinamikusabb (a HFM1-nél nem nehéz dinamikusabbnak lenni), a tere mintha szélesebb lenne, de semmi bántó, semmi kellemetlen nincs a hangjában és szerintem ebben hasonlít a legjobban a HFM1-hez, még akkor is, ha esetleg azzal lehet megvádolni, hogy valamennyit színez. Ha színez is, egyáltalán nem bántón, hanem úgy hallom, meggyőzően teszi és csak nagyon picit. (Ha tényleg színez.... ) A pickup-pel lezárt nyugalmi zajszinjte is meglepően alacsony. Szerintem ezt a Cortina RIAA-t érdemes felvenni az egyszerű (2 tranzisztoros), a maga kategóriájában nyugodtan jónak mondható RIAA-korrektorok listájára, így a meghallgatás alapján. (Bevallom, nem mértem meg, de a korábban közölt link, amelyben írnak róla, innen vettem a szimatot, hogy nem is lehet olyan rossz, mert néhány gondolatot közöltek a méréseiről... És bevallom, hogy engem a meghallgatás meggyőzött, talán majd valamikor alaposan átmérem..) Ja, a rajz ugyan nem közöl tranzisztor-típust, de talán a legcélszerűbb a kiszajú BC549C alkalmazása, én is ezekkel építettem meg a BEAG "átműtött" paneljén. Az összes elkó Yageo, a két kicsatoló kondi WIMA, a kis kapacok pedig stiroflexek. Majdnem egy az egyben átalakítható a panel, csak egy helyen kell vágni, a második tranzisztor emitter lábát kell levágni a többi csatlakozási ponttól, hogy a 82 ohmot be lehessen barkácsolni a helyére. A kisebb kapacokat célszerű alulra rakni... Nem vacakoltam volna vele ennyit, ha nem érte volna meg, tényleg összehasonlíthatatlanul jobb lett a BEAG ezzel a RIAA-val. (És úgy, hogy nem kellett új panelt belegyártani, kiszaszerolni a helyét, nem kellett új tápegységet belevariálni és egyéb kínlódások....) A felül- és alulnézetben készült két képet a RIAA-panelről mellékelem.
Sziasztok!
* hülye kérdés, de építeni szeretnék egy riaa korrektort lemezjátszóhoz. Lehetőleg sztereót. Kérdésem, hog yaz itt felmerülő rengeteg kapcsolásból melyikkel érdemes foglalkozni? Esetleg valamelyik jobbhoz vannak pcb-s fájlok? Köszönöm.
Attól függ mennyit szeretnél rá költeni. Egyik legolcsóbb megoldás a TL074-es. A hangja is elég jónak mondható. Ha valami minőségibbre vágysz, akkor mélyen a zsebbe kell nyúlni.
Ez ok, olyan mint az lm324, de elsősorban valami kapcsolás érdekelne eköré.
Ha ebben az árkategóriában gondolkodsz, akkor javaslom a TL074-es korrektort. Van hozzá nyákterv is.
A nyáktervet a "sprint layout" programmal tudod megnyitni.
Én még a HFM1-et tudom ajánlani,de azon módosítgatni kell,viszont úgy képes szebben szólni,mint ez a TL074.
Csatlakozom az előttem szóló scooby_ kollégához, én épp most műtöttem át a HFM1-emet, ahogy kell és eddig a sok RIAA-korrektorom közül nekem is ez a legjobb!
Szia!
Esetleg van ahhoz is kapcsolási rajz, ne adj Isten nyák terv? És mit kell módosítani rajta?
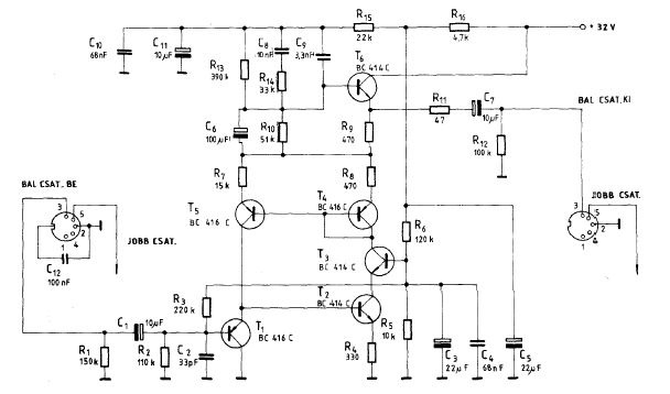
Itt van a HFM1 kapcsrajza. A MOD: R13 390 k helyett 300 k és a C9 3,3 nF helyett 3 nF (2 x 1,5 nF-dal megoldható). Sajnos, nekem NYÁK-tervem nincs semmihez, sokkal lustább vagyok, próba panelen szoktam mindent megépíteni, kis gyakorlattal azon is meg lehet ugyanolyan szépre és kicsire, mint NYÁK-on, általában célszerű követni a kapcsrajz elrendezését, hogy a legrövidebb hozzávezetésekkel lehessen megoldani, de a földpontokra ügyelni kell.
Egy HK PM655-ös erősítő mellé lenne, és neki már van egy valamilyen szintű félvezetős korrektora, ezért szeretnék fentebb lépni, és kipróbálni a csöveseket.
Lehet, az általad ajánlottak közül valamelyiket ki fogom, de nem ez a fő célom. Köszi a felajánlást azért! A Hiraga Le Tube-hoz milyen csövek lennének ideálisak? A megépítést azoknak a beszerzésével indítanám.
Ha a
Idézet: kifejezés helyett, a"más utat is kipróbálni" kifejezést használnád, máshogy néznénk rád... „fentebb lépni,”
Sorry, visszavonom, hogy a HFM1 esetében érdemes követni a kapcsrajz-elrendezést, inkább itt egy link a HFM1-ről: HFM1 - alul van a letölthető NYÁK-terv is, de... nem muszáj ám ekkor batár nagy NYÁK-ot csinálni, összébb lehet tologatni az alkatrészeket....
Bocsánat de a Lenco az 5 ből 4et üti...
Bár szerintem a kolléga az kísérletezni akar inkább...
Nem gondolnám, hogy ez így lenne. Nem volt a maga idejében sem az elsők között. Azóta nem hiszem, hogy javult.
Na, valahogy úgy.
Lent Pioneer kolléga belinkelte a nyáktervet. Az egészen kicsi,és rendezettebb mint az eredeti,ráadásul méretarányos is. Ez a Danko Emiles rovatból való rajzhoz készült,a végére tettek egy impedancia illesztőt,annyiban tér el az eredetitől. A mélyei lettek talán valamivel jobbak tőle. Az enyém is azon a nyákon készült el. Tranzisztoroknak használj BC550-560 párost,az impedancia illesztőbe is ezekből tegyél,nekem jobban tetszett avval a hangja.
Ami oda van írva: 12AX7,vagy ECC83,vagy az orosz megfelelője,a 6H2P (6N2P).
Rádióamatőr Börzén megkapod 300Ft-ért darabját! |
Bejelentkezés
Hirdetés |







Az AET 250-es RIAA-ját gyorsan "átoperáltam" Cortinává (a 3,3 k + 470 µF ejtőkört elhagytam, mert a BEAG eredeti tápja 20 V és jól szűrt, miután már korábban a földpontjait rendbe tettem; lásd: BEAG AET 250-essel kapcsolatos topic, valamint a két oldali becsatlakozásnál a 68 kohmra rátettem egy-egy 82 pF kondit) és a megérzésem nem csalt, amikor úgy sejtettem, hogy a pár hozzászólással korábban taglalt Cortina-féle, szintén két tranzisztoros, igencsak egyszerű kapcsolás jobban képes szólni, mint a hozzá nagyon hasonló BEAG AET 250-es jól észlelhetően kellemetlen hangú, eredeti RIAA-korrektora. Viszont azt nem sejtettem, hogy ennyivel jobban képes szólni, amint amennyivel!! 






