Fórum témák
» Több friss téma |
Szia!
Lehet,hogy a hangszójában a lengőcséve van megszorulva,vagy vagy netán oxidos a fülhalgatócsatlakozónál talán.
Szia!
Nem kizárt. A fülhallgató csatlakozónál biztosan nincs hiba, ellenben a lengőcsévéjét le fogom ellenőrizni. Köszönöm a tippet!
Halihó!
Mától van saját hívójelünk: HA5JB (OP: Balázs) és HA5VIK (OP: Viktória). QTH: Budapest 21. kerület. QRA: JN97MK 73 DX
Gratulálok! Jó rádiózást kívánok! 73! 1DLX
Sziasztok szomszédék!
Gratulálok és sok szép QSO-t! 73-88! Gábor HA8LKM
Köszönjük szépen mindenkinek.
Mostantól értelemszerűen QRV-k leszünk (főleg én), bár még csak egy kézi rádiónk van, de figyelni ez is jó lesz. ![]() 8LKM: majd gondolom QSO-zunk valamikor, ha már itt vagyunk a közelben.
Sziasztok!
Lenne egy visszatérő kérdésem: sikerül jövőhét pénteken egy találkozót összehozni a közös képviselővel az antenna telepítésével kapcsolatban. Kérdésem: pontosan mire hivatkozzak, hogy én bizony telepíthetek antennát. Van ez valami törvénybe/rendeletbe foglalva? 73, Máté.
Kifelejtettem, hogy az antenna mérete 4m alatti lenne, így az önkormányzatnál elvileg nem engedélyköteles.
Szia!
Gratulálok ezután hajrá és sok szép összekötetéseket kivánok,remélem majd valamikor talákozunk a sávokban is.Üdv!HA6XA Csaba
Én is akartam vele 2db hasonló kaliberű rádiót átnézetni nála (FTH-7010) de aztmondta, hogy nem foglalkozik vele.
Mondjuk ha nagyon akartam volna biztos megcsinálja, de nem ér az már jóformán semmit. Van 2db-om de nemkell az már senkinek mióta feltörtek a kínai cuccok...
Szia Máté!
Nem egyszerű de nem is reménytelen az esetedben sokat dominálhat, mennyire ismered a közös képviselőt, de ha van gondnok mint nálunk azzal is érdemes jóban lenni. Nálunk hála Istennek a kisöreg igen segítőkész és közvetlen volt amikor ide költöztünk (ellentétben a mostanival). Nagy szerencséd lehet akkor is, ha van elhanyagolt közösségi TV antenna árboc a tetőn amit kicsit felújítás címszóval meg magasítva birtokba vehetsz. Lehetőleg ne dobálózz különböző jogszabályokkal törvény rendeletekkel mert attól esetleg ők is fáznak és nem mernek engedni semmit. pl. mondod, hogy "Szeretnék egy egyszerű kis antennát felszerelni a tetőre , hogy távoli adókat is tudjak venni a rádiómmal ehhez kérem a segítségüket" Ha a tető szigetelésre hívatkoznak, amire tényleg nagyon vigyázni kell azt jelezheted nekik, hogy "Igen tudok róla mennyire vigyázni kell és csak vastag puha gumi talpú cipőben és pallón mozgok" Persze ez csak egy variáció a leg egyszerűbb megközelítés végett. Üdv. Gábor és egy batyuval!!
Szia Balázs!
Holnap Puskás Boerse! Aztán esetleg S21-en kereshetjük egymást úgy dél tájt elvileg haza is jövök::??:: A Mekin túl az egyik felső emeleti lakás ablakából láttam egy másik épület felé egy long wire-t kihúzva meg egy koax megy fel a tetőre gondolom valami URH GP-hez. Az a tietek? Szép estét! Gábor
Sziasztok!
A MASAT-ról bővebben.Üdv! Mindekinek HA6XA Csaba.Bővebben: Link
Szia!
Nem, sajnos, ezen a házon nincs semmi. De remélem, hogy ez csak átmeneti állapot. ![]() Holnap nem leszünk rádióközelben, de esetleg vasárnap QSO-zhatunk. Ballage
Köszönjük szépen, kívánunk mi is neked hasonló jókat. Minden bizonnyal összefutunk majd az éterben is.
Sziasztok!
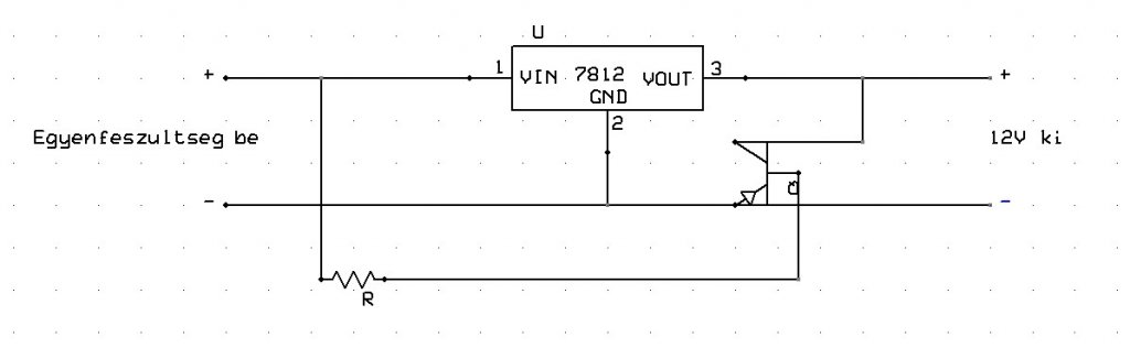
Sikerült hozzájutnom egy "batárnagy" transzformátorhoz, 12V-ra. Rögtön elkapott az építőkedv, gondoltam összerakok egy kis tápot a rádióimhoz, de rögvest akadt egy nagy kérdés: Mi lenne célszerűbb, egy 7812-őt megtámogatni 1-2-3 tranzisztorral vagy egy külön stabilizáló áramkört összerakni? Mind kettőre várok érveket/ellenérveket. (Van pár 2N3055-öm is elfekvőben, szerintem az is felhasználható lenne erre a célra. Szerintetek?) Köszönöm Gábor tanácsát az antennatelepítéssel kapcsolatban, hasznát fogom venni. 73!
Fordítva szoktuk csinálni, mert egyrészt ha csak "símán" utánateszel a 7812-nek pár 2N3055-öt, akkor már nem is 12V lészen hanem kevesebb, meg nem is stabil...
PNP tranzisztor: - Emitter a "nagy betápra" - Bázis a 7812 benetére - Kettő közé mondjuk 47 Ohm - Kollektor a kimenetre, ahová a 7812 is megy. Ez ugye úgy működik, hogy amíg kicsi az áramfelvétel, addig a 7812 adja a stabil feszültséget. Azután ahogyan emelkedik az áramfelvétel, egyszer csak kinyit a "nagy" tranyó és besegít. Persze gerjedés ellen kellenek kondik. Ha mindenképpen a 2N3055-öt akarod felhasználni azt is lehet hasonlóan, csak ésszel... Rádióhoz a 7812 "talpát" meg szoktuk emelni mondjuk egy piros LED-el, mert a 12V az ugye "autós" 12V ami 14.4
Köszönöm, éppen ezért kérdeztem, mivel még nem építettem ilyen kaliberű tápegységet. Leskicceltem az elmondásod alapján a tápegységet. Természetesen a bemenet egyenirányítva, szűrve érkezik, a zavarszűrő kondit most nem tettem be, de értelemszerűen benne lesz. Mi róla a vélemény? Tranzisztornak valami nagy áramú típust keresek.
Szia!
Nagyon köszönöm a korrigálást! Látszik, hogy nem sűrűn tervezek tápegységet...
Ha adóvevőkhöz, különösen nagyteljesítményű (50 - 100 W) adóvevőhöz, elég nehéz jó tápot építeni. Ugyanis, a tápvezetéken mindíg folyik több kevesebb nagyfrekvenciás áram, minél nagyobb az adóteljesítmény, annál nagyobb. Tekintve, hogy az ilyen nagyobb teljesítményű rádiók nem is igényelnek stabil tápfeszt, és többnyire bírják 15 V -ig, ne is építs ilyen célra stabilizált tápot, különösen ne integrált áramköröseket. Ebből a nyers tápfeszből, amit a (akár a majdani) nagyteljesítményű rádiókhoz használhatsz, készithetsz stabilizált tápokat a kézirádiókhoz, de ott is inkább az L200 -as áramkört ajánlanám, már több alkalommal bevált, és elég jók a tranziens tulajdonságai. (gondolj az adásindításkori, vagy SSB, távíró üzem csúcsáramfelvételeire) Természetesen a táp kellő szűrésére, esetleg árnyékolására is gondolj.
Az L200 adatlapján találhatsz nagyobb áramú megoldásokat.
Köszönöm a tippeket, egyelőre csak egy kisebb rádiónak szánom, ha lesz egy komolyabb, valószínűleg átalakítás lesz majd esedékes. Sőt! Ha jobban belegondolok, külön kivezethetem majd a stabilizálatlan,de szűrt feszültséget és modulosan lehetne majd hozzácsatlakoztatni a stabilizátort! Kétszer mérj, egyszer vágj alapon inkább kérdezek, mielőtt 'elpocsékolnám' a trafót.
Nem írtad mekkora az a "batár trafó", ebből gondoltam, hogy jó lehet egy komolyabb rádióhoz is. Elég nagy gond, ha végre hozzájutsz egy komolyabbhoz, és kell hozzá szerezni egy 25 - 30 A -es tápot. (üzletben aranyárban van) Ha bírja a trafó, már most érdemes erre megcsinálni. Tulajdonképpen, semelyik adóvevőnek nincs szüksége stabilizált tápra, mert tápról közvetlenül csak a HF, és RF végfokok mennek, a többit már saját magának stabilizálja.
Körül-belül 200-250W-os lehet. Nagyon hasznosak a tanácsaid, eddig még nem volt szerencsém komolyabb rádiók lelki világával ismerkedni.
Szeretném remélni, hogy lesz. Ha másképp nem, építesz egyet. (legalább egy végfokot)
Az 1987 as Évkönyvben van 20 Amperes stabilizátor, olcsó elemekből. Plahtovics György írta a cikket.
Szia Máté!
Persze azt is tudnunk kellene mekkora a rádió maximális egyenáramú bemenő teljesítménye. Jó ha túl méretezzük , hogy ne fájjon a nagyobb áramfelvétel sem akár 1,5- szörösére sőt én még kétszer akkora trafót , egyenirányító hídat és ha áteresztősre készítem akkor a Tranzisztorok össz. áramát. Valamint ha áteresztő tranzisztorokat alkalmazunk nem elég a stabi IC feszét emelni egy LED-nyivel hanem a Puffer feszültség is kicsit magasabb kell legyen oly annyira, hogy nem 12V váltót hanem 16-18V szekunder feszültségű trafót alkalmazunk. A fő áram útján pedig úgy a + mint a - legalább 4mm2 keresztmetszetű huzalt használunk. A végén akkora tápot ajánlok neked, hogy egy MTZ traktor tudja csak elmozdítani De egy ekkora tápegység kényelmesen passzív hűtéssel ellát egy 100-150W-os adóvevőt. Ahol hidegítő kondenzátorokat alkalmazunk ott legalább három féle legyen közvetlen egymás mellett pl. 1nF 47nF 100nF stb. kerámia és mondjuk , a fojtó tekercsekről most nem is beszélünk.
Ezzel a kiegszítéssel már talán közelebb leszel a megoldáshoz.
1-10 nanós kerámia hidegítő kondik hiányoznak a fesz stab ic bemenete , kimenete és a föld között. Tehát be-föld(minusz) és ki-föld(minusz) közé. Minél rövidebb kivezetésekkel. |
Bejelentkezés
Hirdetés |











