Fórum témák
» Több friss téma |
Mit értesz "kis elektronikán"? Én egy relére gondolok, ami adja neki a tápot.
Sziasztok!
Én is szeretnék elektromágnest készíteni csak nem tudom pontosan milyen dróttal kell körbe tekercselni. Már neten nézegettem lakkozott és zománcozott rézdrótot egyébként szerintetek ezek jók lennének?
Megvettem a tekercselőhuzalt csak azt nem tudom hogy ha rákötöm a tápfeszre ahhoz le kell-e szedni róla a zománcréteget és ha igen akkor mivel kell?
Le kell róla szedni, mert a zománc nem vezeti az áramot, szigetel. Ha vastagabb a huzal, akkor egyszerűen kapard le róla szikével, vagy késsel. Ha vékonyabb, próbáld meg forasztani, bizonyos zománcok a hő hatására szinte nyom nélkül "leégnek", és ónozott lesz a felületük (az meg már vezet). Ha vékony a huzal, és forrasztással nem jön le róla a zománc, akkor izzítsd fel a huzal végét pl. gázlángban, majd hirtelen tedd bele hideg vízbe. Ekkor a felizzott zománc (és az oxidálódott réz) lepattog róla, és fémtiszta lesz a felület.
Sziasztok!
Adott egy elekromágneses behúzó tekercs 0,37mm-es huzalból, 12ohm ellenállással, 12V-os táplálással autó csomagtér zár nyitásához. Azonban gyengének bizonyul és szeretném a szerkezet megbontása nélkül megnövelni az erejét. Mivel csak egy pillanatra kap áramot egy nyomógomb segítségével így kondenzátoros rásegítésre gondoltam. Mivel nem vagyok járatos a témában így nem tudom jó ötle-e és ha igen, akkor milyen kondival próbálkozzak?!
Ha az elektromágnes kb. jól van méretezve, akkor a vasban lévő indukció a telítéshez közeli. Ebben az esetben nagyobb feszültséget adva a tekercsre ( a kondenzátorral gondolom ezt szeretnéd egy rövid időre) nem tud lényegesen növekedni az indukció, márpedig a tekercs ereje az indukció függvénye.
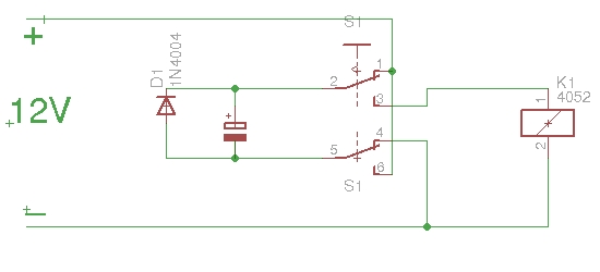
Itt egyébként egy kapcsolás, amivel a kondenzátor kisülési idejére dupla feszültség kerül a relére:
Nem elég az elektromágnes adatainak az ismerete. Mi működteti a valóságban? Ha a nyomógomb közvetlenül működtetné, addig nyomnád, amíg be nem húzna. Ha az elektronikus vezérlés ad neki behúzóimpulzust, hova teszed a kondenzátort? Véletlenül túl nagyot teszel és azzal kezdi, hogy kilövi a vezérlőtranzisztorodat.
![]() A vasmag telítődéséről nem lehet szó, mert légrés van, amíg be nem húz. Addigra meg már megszűnik az áram. Ha minden eredeti és régebben meghúzott, a lehetőségek: Szorul valahol. Menetzárlatos lett a tekercs.
A légrés telítésre kifejtett hatásáról teljesen elfeledkeztem..
Helló!
Én kémfülest szeretnék csinálni. Ezek manapság egy mágnesből állnak amit a fülbe dug az ember és egy 3W-os tekercsből, ami a nyakon van. A táp 9V és a leírások 36 menetet említenek.Mekkora huzalra van szükségem, hogy a 3W-os elektromágnesem létrehozhassam? Telefondrótból 30 tekercset ha 9V-os elemre érintettem, akkor hallottam a mágnest kattogni a fülembe (kb 0,5mm átmérőjű huzal)
Üdv!
A negatívot az autó kasztnijáról kapja, a pozitívot pedig akkumulátorról egy biztosíték és egy záró nyomógomb közbeiktatásával. Tehát a lehető legegyszerűbb módon. A saját autómban gond nélkül működik évek óta így de az én záramhoz elég az ereje. Nem szorul, nem hibásodott meg, minden értékében megfelel újkori állapotának. (Persze nem erre lett kitalálva, de nálam bevált. )Így már van konkrét ötlet?
Erre kendre256 rajza a legegyszerűbb. Ennél csak bonyolultabb megoldások léteznek.
Miért kell a kondin pólust cserélni? És mekkora az a kondi? És miért nem lehet egypólusú nyomógombbal megoldani?
És még valami: Én vagyok a láma? Gyorsan vázoltam, hogy mire gondolok. Ez miért nem jó?
A soros konditól nem lesz több a tekercsen átfolyó áram. A relés rajz a feltöltött kondenzátort hozzáadja az akkuhoz, így az átkapcsoláskor a feszültség duplájára ugrik. A kondi kapacitását a tekercshez kell méretezni. Számolgatás helyett gyorsabb próbálni. Először 1000 µF-dal, ha kevés, teszel nagyobbat. Nem szabad sokáig nyomni, mert eldurranhat az elkó.
Relé helyett 2 váltóérintkezős nyomógombbal is meg lehet oldani.
Ez anyival rosszabb a sima, kondenzátor nélküli kapcsolónál, hogy csak rövid ideig kap 12V-ot (sima kapcsolóval addig kapna, míg nyomod a gombot).
Amit én rajzoltam, az alapállapotban feltölti a kondit 12V-ra, majd mikor átkapcsolod a kapcsolót, a kondi 12V-ja hozzáadódik a táp 12V-jához, és rövid ideig 24V-ot kap a tekercs. Most utánagondolva, a kapcsolásba kell még egy dióda, különben a kisülő, majd fordítva feltöltődő elkó esetleg tönkremehet! Kondenzátornak én 1000-2200 mikrofaraddal próbálkoznék, a szükséges érték a tekercs ellenállásától függ (minél kisebb az ellenállása, annál nagyobb kondenzátor kell). Tehát inkább így kellene a kapcsolást megcsinálni:
Hali!
Gondom akadt az e-mágnes készítésével. Vettem egy vascsövet (négyzet alakú, kb 1 cm átmérőjű) kb 8 cm hosszú darabokra vágtam, és körbetekertem egyszerű rézdróttal ilyen a drót, a két végét rányomtam egy 9V-s újonnan vásárolt elemre, és semmi sem történt. Bármi ötlet, tipp? Köszi előre is
Ha jól látom dekorációs drótot használtál, azon nincs zománcszigetelés. Tehát egy zárlatot építettél, nem tekercset. Ahhoz ilyen drót kell:Bővebben: Link Vasnak is jobb egy tömör darab.
tehát zománcos drót kell, értem...
ilyet hol lehet venni / miből lehet kiszedni? (mert a honlapon igen csak megkérik az árát)
Amiben van tekercs, abból. Transzformátorok, fojtótekercsek stb...
adapterekben van (töltők)?
Van csak nagyon vékony. Ha van a közeledben egy tekercselő biztosan ad néhány métert.
Nézzél bele. Ha látsz vasmagra feltekert huzalt, akkor megtaláltad. Ha le is tudod bontani ezt a huzalt sérülés nélkül, akkor van nyert ügyed.
Ha jól értelmezem, a zománc jelenti a szigetelést?
Igen. A zománc szigetel.
Manapság már persze nem zománcot használnak, hanem hőálló poliuretán lakkot.
Elég érdekes lehet az a négyzet alakú, kb 1 cm átmérőjű vascső. !!!
Matematika tanárodat nem kérdezted még? |
Bejelentkezés
Hirdetés |






)


