Fórum témák

» Több friss téma
Fórum » Elektromágnes
 
Témaindító: alex.25, idő: Jan 21, 2007
Lapozás: OK   8 / 19
(#) CsemanAttila válasza (Felhasználó 13571) hozzászólására (») Okt 2, 2011 /
 
Mit értesz "kis elektronikán"? Én egy relére gondolok, ami adja neki a tápot.
(#) gerikeh96 hozzászólása Nov 26, 2011 /
 
Sziasztok!
Én is szeretnék elektromágnest készíteni csak nem tudom pontosan milyen dróttal kell körbe tekercselni.
Már neten nézegettem lakkozott és zománcozott rézdrótot egyébként szerintetek ezek jók lennének?
(#) ujfalusi válasza gerikeh96 hozzászólására (») Nov 26, 2011 / 1
 
A zománc huzal tökéletes.
(#) gerikeh96 hozzászólása Dec 27, 2011 /
 
Megvettem a tekercselőhuzalt csak azt nem tudom hogy ha rákötöm a tápfeszre ahhoz le kell-e szedni róla a zománcréteget és ha igen akkor mivel kell?
(#) kendre256 válasza gerikeh96 hozzászólására (») Dec 27, 2011 / 1
 
Le kell róla szedni, mert a zománc nem vezeti az áramot, szigetel. Ha vastagabb a huzal, akkor egyszerűen kapard le róla szikével, vagy késsel. Ha vékonyabb, próbáld meg forasztani, bizonyos zománcok a hő hatására szinte nyom nélkül "leégnek", és ónozott lesz a felületük (az meg már vezet). Ha vékony a huzal, és forrasztással nem jön le róla a zománc, akkor izzítsd fel a huzal végét pl. gázlángban, majd hirtelen tedd bele hideg vízbe. Ekkor a felizzott zománc (és az oxidálódott réz) lepattog róla, és fémtiszta lesz a felület.
(#) forgital hozzászólása Feb 16, 2012 /
 
Sziasztok!
Adott egy elekromágneses behúzó tekercs 0,37mm-es huzalból, 12ohm ellenállással, 12V-os táplálással autó csomagtér zár nyitásához. Azonban gyengének bizonyul és szeretném a szerkezet megbontása nélkül megnövelni az erejét.
Mivel csak egy pillanatra kap áramot egy nyomógomb segítségével így kondenzátoros rásegítésre gondoltam. Mivel nem vagyok járatos a témában így nem tudom jó ötle-e és ha igen, akkor milyen kondival próbálkozzak?!
(#) forgital válasza forgital hozzászólására (») Feb 17, 2012 /
 
Valaki?
(#) kendre256 válasza forgital hozzászólására (») Feb 17, 2012 /
 
Ha az elektromágnes kb. jól van méretezve, akkor a vasban lévő indukció a telítéshez közeli. Ebben az esetben nagyobb feszültséget adva a tekercsre ( a kondenzátorral gondolom ezt szeretnéd egy rövid időre) nem tud lényegesen növekedni az indukció, márpedig a tekercs ereje az indukció függvénye.
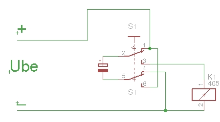
Itt egyébként egy kapcsolás, amivel a kondenzátor kisülési idejére dupla feszültség kerül a relére:
(#) erbe válasza forgital hozzászólására (») Feb 17, 2012 /
 
Nem elég az elektromágnes adatainak az ismerete. Mi működteti a valóságban? Ha a nyomógomb közvetlenül működtetné, addig nyomnád, amíg be nem húzna. Ha az elektronikus vezérlés ad neki behúzóimpulzust, hova teszed a kondenzátort? Véletlenül túl nagyot teszel és azzal kezdi, hogy kilövi a vezérlőtranzisztorodat.
A vasmag telítődéséről nem lehet szó, mert légrés van, amíg be nem húz. Addigra meg már megszűnik az áram.
Ha minden eredeti és régebben meghúzott, a lehetőségek:
Szorul valahol.
Menetzárlatos lett a tekercs.
(#) kendre256 válasza erbe hozzászólására (») Feb 17, 2012 /
 
A légrés telítésre kifejtett hatásáról teljesen elfeledkeztem..
(#) netnet.hu hozzászólása Feb 18, 2012 /
 
Helló!
Én kémfülest szeretnék csinálni. Ezek manapság egy mágnesből állnak amit a fülbe dug az ember és egy 3W-os tekercsből, ami a nyakon van.
A táp 9V és a leírások 36 menetet említenek.Mekkora huzalra van szükségem, hogy a 3W-os elektromágnesem létrehozhassam?
Telefondrótból 30 tekercset ha 9V-os elemre érintettem, akkor hallottam a mágnest kattogni a fülembe (kb 0,5mm átmérőjű huzal)
(#) forgital válasza erbe hozzászólására (») Feb 18, 2012 /
 
Üdv!
A negatívot az autó kasztnijáról kapja, a pozitívot pedig akkumulátorról egy biztosíték és egy záró nyomógomb közbeiktatásával. Tehát a lehető legegyszerűbb módon. A saját autómban gond nélkül működik évek óta így de az én záramhoz elég az ereje.
Nem szorul, nem hibásodott meg, minden értékében megfelel újkori állapotának. (Persze nem erre lett kitalálva, de nálam bevált. )
Így már van konkrét ötlet?
(#) erbe válasza forgital hozzászólására (») Feb 18, 2012 /
 
Erre kendre256 rajza a legegyszerűbb. Ennél csak bonyolultabb megoldások léteznek.
(#) forgital válasza erbe hozzászólására (») Feb 18, 2012 /
 
Miért kell a kondin pólust cserélni? És mekkora az a kondi? És miért nem lehet egypólusú nyomógombbal megoldani?
És még valami: Én vagyok a láma?
Gyorsan vázoltam, hogy mire gondolok. Ez miért nem jó?
(#) erbe válasza forgital hozzászólására (») Feb 18, 2012 /
 
A soros konditól nem lesz több a tekercsen átfolyó áram. A relés rajz a feltöltött kondenzátort hozzáadja az akkuhoz, így az átkapcsoláskor a feszültség duplájára ugrik. A kondi kapacitását a tekercshez kell méretezni. Számolgatás helyett gyorsabb próbálni. Először 1000 µF-dal, ha kevés, teszel nagyobbat. Nem szabad sokáig nyomni, mert eldurranhat az elkó.
Relé helyett 2 váltóérintkezős nyomógombbal is meg lehet oldani.
(#) kendre256 válasza forgital hozzászólására (») Feb 18, 2012 /
 
Ez anyival rosszabb a sima, kondenzátor nélküli kapcsolónál, hogy csak rövid ideig kap 12V-ot (sima kapcsolóval addig kapna, míg nyomod a gombot).
Amit én rajzoltam, az alapállapotban feltölti a kondit 12V-ra, majd mikor átkapcsolod a kapcsolót, a kondi 12V-ja hozzáadódik a táp 12V-jához, és rövid ideig 24V-ot kap a tekercs.
Most utánagondolva, a kapcsolásba kell még egy dióda, különben a kisülő, majd fordítva feltöltődő elkó esetleg tönkremehet!
Kondenzátornak én 1000-2200 mikrofaraddal próbálkoznék, a szükséges érték a tekercs ellenállásától függ (minél kisebb az ellenállása, annál nagyobb kondenzátor kell).
Tehát inkább így kellene a kapcsolást megcsinálni:
(#) forgital válasza kendre256 hozzászólására (») Feb 18, 2012 /
 
Köszönöm nektek, így már értem!
(#) Lazlo10000 hozzászólása Ápr 17, 2012 /
 
Hali!

Gondom akadt az e-mágnes készítésével.
Vettem egy vascsövet (négyzet alakú, kb 1 cm átmérőjű) kb 8 cm hosszú darabokra vágtam, és körbetekertem egyszerű rézdróttal ilyen a drót, a két végét rányomtam egy 9V-s újonnan vásárolt elemre, és semmi sem történt.

Bármi ötlet, tipp?
Köszi előre is
(#) zolika60 válasza Lazlo10000 hozzászólására (») Ápr 17, 2012 /
 
Ha jól látom dekorációs drótot használtál, azon nincs zománcszigetelés. Tehát egy zárlatot építettél, nem tekercset. Ahhoz ilyen drót kell:Bővebben: Link Vasnak is jobb egy tömör darab.
(#) Lazlo10000 válasza zolika60 hozzászólására (») Ápr 17, 2012 /
 
tehát zománcos drót kell, értem...
ilyet hol lehet venni / miből lehet kiszedni?
(mert a honlapon igen csak megkérik az árát)
(#) kadarist válasza Lazlo10000 hozzászólására (») Ápr 17, 2012 /
 
Amiben van tekercs, abból. Transzformátorok, fojtótekercsek stb...
(#) Lazlo10000 válasza kadarist hozzászólására (») Ápr 17, 2012 /
 
adapterekben van (töltők)?
(#) zolika60 válasza Lazlo10000 hozzászólására (») Ápr 17, 2012 /
 
Van csak nagyon vékony. Ha van a közeledben egy tekercselő biztosan ad néhány métert.
(#) kadarist válasza Lazlo10000 hozzászólására (») Ápr 17, 2012 /
 
Nézzél bele. Ha látsz vasmagra feltekert huzalt, akkor megtaláltad. Ha le is tudod bontani ezt a huzalt sérülés nélkül, akkor van nyert ügyed.
(#) Lazlo10000 hozzászólása Ápr 17, 2012 /
 
Ha jól értelmezem, a zománc jelenti a szigetelést?
(#) zolika60 válasza Lazlo10000 hozzászólására (») Ápr 17, 2012 / 1
 
Igen. A zománc szigetel.
(#) kadarist válasza Lazlo10000 hozzászólására (») Ápr 17, 2012 / 1
 
Manapság már persze nem zománcot használnak, hanem hőálló poliuretán lakkot.
(#) erbe válasza Lazlo10000 hozzászólására (») Ápr 17, 2012 /
 
Elég érdekes lehet az a négyzet alakú, kb 1 cm átmérőjű vascső. !!!
Matematika tanárodat nem kérdezted még?
(#) kaqkk válasza erbe hozzászólására (») Ápr 17, 2012 /
 
Igen zártszelvénynek nevezik .....
(#) kadarist válasza erbe hozzászólására (») Ápr 17, 2012 /
 
De az is lehet, hogy szegletes tömör vascsőről van szó.
Következő: »»   8 / 19
Bejelentkezés

Belépés

Hirdetés
XDT.hu
Az oldalon sütiket használunk a helyes működéshez. Bővebb információt az adatvédelmi szabályzatban olvashatsz. Megértettem