Fórum témák

» Több friss téma
Fórum » Vezeték nélküli vezérlés
Lapozás: OK   1 / 4
(#) CoderKevin hozzászólása Ápr 18, 2007 /
 
Sziasztok!

Tudom, hogy nagyon sok topic foglalkozik a címben említett témával, egy lexikonra valót el is olvastam, de nem igazán találtam meg a nekem megfelelőt.
A legtöbb ilyen jellegű téma "bonyolult" olyan módon, hogy rengeteg számomra felesleges dolgot tudnak, és ennyire nem akarok belemerülni.

Szoval ami nekem kellene, a legegyszerűbb rádiófrekvenciás távvezérlő egy adó, és egy vevő elemmel. Lényege, hogy az adó egységen egy nyomógomb, a vevő egységen pl. egy led. Ha megnyomom az adón a gombot, világít a vevőn a led. (persze nem távírányítású ledet akarok építeni )

Ennyire egyszerű kapcsolásra lenne szükségem, minden féle javaslatot előre is köszönök!
(#) Ricsa hozzászólása Ápr 18, 2007 /
 
(#) 925 válasza CoderKevin hozzászólására (») Ápr 19, 2007 /
 
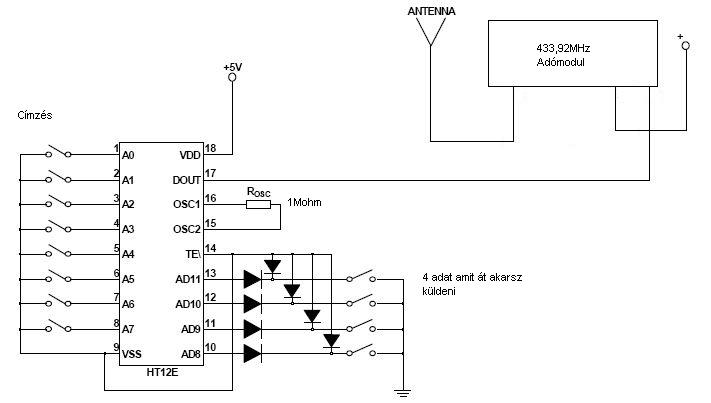
Itt egy elég egyszerű kapcsolási rajz a távirányitóra, címezhető hogy másik adó-vevővel ne akadjon össze. Igaz erre 4 gomb van rajzolva, de ha neke 1 kell akkor a többit nem használod.
Az adó vevő modul pl: Conrad-nál megvehető
(#) CoderKevin hozzászólása Ápr 19, 2007 /
 
Elolvastam / megnéztem a hozzászólásokhoz kapcsolt segítségeket. Ez igazán egyszerű.. De ezek szerint maga az adó és vevő egység megépítésével még álmomban se foglalkozzak ?!
(#) 925 válasza CoderKevin hozzászólására (») Ápr 19, 2007 /
 
Megpróbálhatod, de ha nem akarsz felesleges munkát magadnak akkor veszel egy komplett egységet.
(#) CoderKevin hozzászólása Ápr 19, 2007 /
 
És ezt lehet tudni kb. mennyibe van egy ilyen egység pár ? (Ft-ban kompletten)
(#) 925 válasza CoderKevin hozzászólására (») Ápr 20, 2007 /
 
3490Ft a Conrad-nál 200méteres hatósugarú (nyílt téren)
ADÓ-VEVŐ KÉSZLET 433,92MHZ
Rend. sz.: 130428
De sok más bolt is árul
(#) CoderKevin hozzászólása Ápr 20, 2007 /
 
Ejha... Ha megépítem lehet olcsóbb, nem ?

És ha már a vezeték nélküli vezérlésnél tartunk.. Hallottam olyanról is hogy Bluetooth vezeték nélküli vezérlés számítógépről.. LPT-ről ugye sokmindent vezérlünk.. Bluetooth se lenne rossz..
Erről a témáról valakinek valami infója, tapasztalata?
(#) hzsolt77 hozzászólása Ápr 20, 2007 /
 
sziasztok!
ez a téma engem is érdekel,nekem egy kerti locsolószivattyút kellene ilyen módon kapcsolni ki-be relével kb 30m távolságból asszem a conrad-os cuccot megnézem majd.....egy kapcsolást találtam nem tom használható-e,azért felrakom
(#) CoderKevin hozzászólása Ápr 20, 2007 /
 
Az adója valami hihetetlenül egyszerű. Ezt tetszik.
A vevőjében viszont nem szinpi a 20V-os táplálás és zavar néhány alkatrész amit nem tudok micsoda.
Esetleg valami leírásod nincs róla? Mekkora frekin megy, meddig működik, stb...
Mondjuk a későbbiekben nekem az egy kapcsolás igen karcsú lesz, csak kezdés képpen ezt dobtam fel.
(#) G.G. válasza CoderKevin hozzászólására (») Ápr 20, 2007 /
 
hali

szerintem számodra a legjob megoldás az ez:

http://www.dunaweb.hu/bajielektronika/arlmodul3.html

a biztonságtechnikai eszközöknél van 1 ill 2 csatornás vezérlő vevő ill adó.
ezek egységcsomagok ha érzed magadban az eröt akor te magad is megépitheted de készen is árulják.
ha dobsz egy mailt akor a bajibácsi elküldi neked postán
(#) CoderKevin hozzászólása Ápr 21, 2007 /
 
Drága... Ez a bajom vele.
És szerintem sokkal jobb érzés lenne megépíteni. De olyan rajzot/infókat még nem nagyon kaptam ami egyértelműen jó lenne, és magam építhetném meg az egészet.
(#) kobold válasza CoderKevin hozzászólására (») Aug 26, 2007 /
 
Helló,

pár hete foglalkozom hasonló gonddal. Van az autóm központi zárjához egy rádiós távirányítóm, nagyon szépen dolgozik, minimális alkatrész-igénnyel, egy kis 12V-os elemről (lsd. tavirxxx képek). Leesett, beázott, rá is léptem, aztán összeforrasztgattam, ledet meg egy 100nF-os smd kondit cseréltem. Most üzemel, de meg akarom építeni a másolatát arra az esetre, ha beadná a kulcsot. Viszont akkor már két gombbal, hogy egyből jó legyen a garázsajtómhoz is...

A vezérlő IC egy MC145026, rém egyszerű a működése, van adatlap stb (Motorola, múlt héten vettem a RET-től 800 Ft-ért). Az RF rész már húzósabb, az smd-k közül alig tudtam valamit beazonosítani, nincsenek értékek, nincs oszcilloszkópom, így ismeretlen maradt a frekvencia is. Az egyetlen (majdnem) biztos dolog az, hogy a chip órajele 1,71 kHz körül van (adatlapból, és az oszcillátor-vonalaira tett ellenállásokból következtetve).

Azért írom mindezt, mert miközben próbálom megfejteni, milyen frekvencián és hogyan működik az RF-oldal, találtam egy spanyol weblapot (ha gondoljátok, felteszem tömörítve), amin volt két érdekes kép, a fenti chip és testvére, az MC145027 vevő (RET, 500 Ft) köré építve. Szerintem kiindulásnak jó lehet, illetve, ha valaki egy az egyben megépíti, akár megoldás is lehet a problémára.

kobold
(#) kobold hozzászólása Aug 26, 2007 /
 
Betömörítettem, közzéteszem. A spanyol nem nagyon megy, de a lényeget ki lehet belőle hámozni, ha valamilyen nyelvet (célszerűen angolt) nyúz az ember...
Azt sajnos nem tudom megmondani, honnan van, mert nem "hagyományosan", másként mentve tudtam a gépemre menteni, hanem külön a forrást, külön a képeket, majd script-ek és linkek törlése, és maradt a látható rész. Valami volt az eredeti oldalon, ami megakadályozta a közvetlen mentést, végül is mindegy, megvan így is.
(#) Inhouse hozzászólása Aug 27, 2007 /
 
300MHz van írva a szövegben, de gyanítom, hogy inkább 315MHz lesz. Odamész a TV-dhez, kihúzod az antennát, odanyomod közel a távirnyát és a TV-n beállítod a 300, a 315, a 433 MHz-et ...(ha nem jó, akkor végignézed a köztük levő sávot aprólékosan). Ha ott ad, akkor amikor nyomod fekete/fehér csíkok fognak rohangászni.
Ez az IC hasonlónak tűnik a 2262/2272 vagy HT12D-12E párosokhoz, csak ez 5 lábon állítja a kódot, viszont ez is 4 csatornás.

Üdv
Inhouse
(#) kobold válasza Inhouse hozzászólására (») Aug 27, 2007 /
 
Ez a 300MHz eddig nem tűnt fel, mindjárt átnyálazom még egyszer... A szöveget csak átfutottam
A TV-s vételt este kipróbálom. Már ha az asszony lemond kedvenc, épp ma folytatódó sorozatáról

Kis igazítás: 5 vonalon cím, négyen kód van az MC145026-nál. Így 16 önálló csatorna is lehet, ha mondjuk a címvonalakat hardveresen rögzítjük.
A vevőnél ugyanennek a címnek kell fennállnia, és ha így van, két sikeres vétel után kiírja a négy adatbitet a kimenetein, egy további kimenete pedig (VT) magas szintet vesz fel, a következő fogadás kezdetéig.
(#) Inhouse válasza kobold hozzászólására (») Aug 27, 2007 /
 
Nem akarok kötekedni, de a gifeken és a pdf-ben is 4 lábon megy az adat és 5 lábon állítja a kódot.

1-5-ig fixen vagy szabad, vagy test, vagy VDD, természetesen ugyanez a decodernél is
6-9 mehet az adat, a gifeken nyomógombok (ami neked is kell), a pdfben (17. oldal): "binary data"... és a szövegben is írja. Szerintem.

Üdv
Inhouse
(#) kobold válasza Inhouse hozzászólására (») Aug 27, 2007 /
 
Én sem akarok kötekedni

Akárhogy fogalmazunk, a lényeg ugyanaz. 2, azonosan rögzített című (kódú) egység (adó és vevő) között átvihető az adó 4, tetszőleges állapotban lévő bemenete, amit aztán a vevő utáni áramkör úgy értelmez, ahogy akar.
Jobb esetben meg ahogy az építője akarja

A fogósabb rész inkább a frekik összelövése, egyáltalán az adó kisméretű, de üzembiztos megépítése. Oszcilloszkóp híján kísérletezek egyet...
... és tovább böngészem azt a majdnem 500 oldalt, amit eddig a nyákon kialakított hurokantennákról találtam.
(#) Inhouse válasza kobold hozzászólására (») Aug 28, 2007 /
 
Na, így már egyet értek.

Mi újság a TV-s próbával? (mondjuk nekem mázlim van, mert az én TV-m tudja MHz-ben is fogadni a frekit, nem csak a csatornákat jelzi)

Üdv
Inhouse
(#) deguss válasza kobold hozzászólására (») Aug 28, 2007 /
 
Ha ez valakinek segít, innen van az oldal. Mondjuk ettől még én se értem...

http://www.geocities.com/gregoriof2001/ccd10.htm
(#) kobold válasza Inhouse hozzászólására (») Aug 28, 2007 /
 
Nem tudtam kipróbálni, éjfélkor mentem haza melóból.

Az én tévém is kiírja, úgyhogy valamit majd kísérletezek. Gyorsan csináltam egy számítást a spanyol oldal rajza szerint, 2,2 uH induktivitással, 300 MHz-re, és 12,79 pF jött ki a kondenzátor értékére, ami a rajzon lévő 10 pF-nél csak picivel nagyobb. Mivel a másik, 3,3 pF-os kondi meg a tranzisztor kapacitásai is beleszólnak a működésbe, a nyákon lévő hurokról nem is beszélve, reális lehet a 300 Mhz, ezzel fogom kezdeni.
Elkezdtem megépíteni egy másik adót is, két nyomógombbal. Az RF-részt a mostani adómról "tükrözöm", tolómérő és Eagle útján, nagy baj nem lehet belőle. Összeszedtem minden elérhető panelomat, és bújom az SMD Code Book-ot, hátha találok egy olyan tranyót, ami bírja mondjuk 500 MHz-ig, smd, és nekem is megvan... A városban egyetlen elektronikai bolt van, de úgy néztek rám, mint a hülyére, mikor megmondtam, mit szeretnék. Máshová meg nem jutok el mostanában.
(#) kobold válasza deguss hozzászólására (») Aug 28, 2007 /
 
A CCD10-re rákeresve én is megtaláltam reggel, újra. Visszaléptem egy szintet, a gregoriof2001-re, hátha van még más is, de nem nagyon találtam újabb infót.

Viszont, szép (és biztosan marha nehéz) nyelv ez a spanyol
(#) Inhouse válasza kobold hozzászólására (») Aug 28, 2007 /
 
Fogadok egy virtuális sörben, hogy 315MHz lesz...
Ugyan nem EU szabvány, de ilyen is van forgalomban nálunk.

Üdv
Inhouse
(#) kobold válasza Inhouse hozzászólására (») Aug 29, 2007 /
 
Hidegen tartom a sörödet, de egyelőre nem adom oda

Nem jött be a TV-próba. Kiírja ugyan, hogy melyik frekinél jár, de sajnos csak azt lehet vele megértetni, hogy keress felfelé, keress lefelé... és megy adást keresni, villámgyorsan átszaladva az üres sávokat.
Mire elolvastam a 290-et, már 410-nél volt

Azon gondolkodom, hová tettem az antenna-jelszintet mérő kapcsrajzomat. Ha összedobnám azt pl. cserélhető induktivitásokkal, hogy lefedjem a 250...500 MHz-et ugyanazzal a trimmer kondival, és a kimenetét mérném, talán rátalálhatok a legerősebb jelre, aztán visszamérem a kondit, és kiszámolom a frekvenciát. Jobb sajnos nem jut eszembe...
(#) kobold hozzászólása Szept 10, 2007 /
 
Nos, freki azóta sincs, és elég lassan haladtam a kísérletezgetéssel is. Főnökömnek más dolgok fontosak...
Csatolva itt a jelenlegi adóm rf-es részének kapcsolása. Értékek sajnos nem nagyon vannak, hiába forrasztottam ki az összes smd-vackot, nem nagyon tudtam a kondikat megmérni (multiméter legkisebb méréshatára 2000 pF, a pár pF-os darabokra meg se rezzent). Viszont a C3 jelű kondit sikerült a megtalálhatatlanságba szenderítenem, valahová leesett az asztalról. Kivettem egy régi rádióból egy 5 pF-os, és egyáltalán nem smd kondit, visszavágtam a lábait, beforrasztottam, és láss csodát, az adó hangolás nélkül is működik, bár mintha egy kicsit közelebb kéne állni a kocsihoz, mint korábban. Megjegyzem, a multiméter ezt a kondit is nullának mérte, de az ő szemszögéből valahol igaza is van.
C1 és C2 színre, méretre stimmel a hajdani C3-mal, és bár ez nem sokat jelent smd-knél, az utóbbi időben szétbontott panelokon azonos értékekhez azonos megjelenés is tartozott, így az új adó nyákjára (ami már ki is van maratva) valószínűleg ebból a pár pF-os tartományból forrasztok be valamit, aztán majd kiderül.
Ja, az induktivitás ferritmagos (vagy olyasmi, mágnesezhető), ellenállása 0,5 Ohm, ha hihetek a multinak... épp egy primitív ind. mérőt készülök építeni, külön az ő kedvéért.
A rajzon a vastag vonal a hurokantenna; számolgattam, számolgattam, feladtam, az új nyákon jórészt hasra készült...

Ha valaki a rajzot látva lehülyézne, mert pofonegyszerű a kondik kiválasztása, ne tegye, mert eddig ilyet még nem számoltam, de nem is tanultuk anno.

rf_rész.gif
    
(#) Medve válasza kobold hozzászólására (») Okt 25, 2007 /
 
Egy TV-tuner bizony sokmindenre jó, az biztos. Akár spektrum analizátorra is, csak ki kell (célszerű) egészíteni a KF erősítővel is. Az képezi a térerővel arányos AGC jelet. Bővebben beszéljen helyettem a cikk. Nem kell ragaszkodni az említett típushoz, szinte bármelyik TV tuner ill KF fokozata megfelel.Ebben az esetben én az analóg hangolást részesíteném előnyben, sokkal ergonómikusabb. Az I2C-s tuner előnye a frekvencia ismerete. Analóg tunerrel előbb érsz el sikert, azt mondom.A másik, hogy a digi tunernek nem folyamatos a hangolása. A raszer pl 64kHz, ez lehet kevés is.

-Kipróbáltam amúgy egy "konnektor távvezérlővel", az UHF sáv alján fogható, de a hangolásnál elkél egy helipot!
(#) Medve válasza Medve hozzászólására (») Okt 25, 2007 /
 
Itt van amúgy a rettenet, ez csak egy sima TV-hang-vevő. Alulról fölfelé: 12V táp, Orion tuner, Orion KF, TBA 120 hang KF+tba810Hang végfok, táp a 30V-nak. A cumi nem nekem kell...De van egy rosz hírem, egy "sima" TV tuner nem veszi a 315Mhz-et. Nekünk kábel tuneres gép kell. Nem néztem még utána de szerintem belefér a tartományba. Megjegyzem az UHF is 470MHz-től kezdődik, mégis fogja a 433-at

TV-hang-1.JPG
    
(#) kobold válasza Medve hozzászólására (») Okt 25, 2007 /
 
Kösz, Medve.
Elmondom, mim van jelenleg, egy bontott (valószínűleg Mitsubishi) videóból, és nagy hirtelen csak annyit kérdeznék, el lehet-e ezekkel indulni.
Van egy panelom, két árnyékolt dobozzal. Az első, a bemenetnél, egy UVE33-E05 tuner, adatlapot eddig nem találtam hozzá, de a lábai a dobozon jelölve vannak, balról jobbra eképpen: Bu, VT, BH, AGC, BI, AFC, MB, IF. Tele van szép zöld tekercsekkel, pár kondi, ellenállás, és egy bazi nagy zöld valami van még a Bu lába fölött.
Aztán egy másik doboz, sajnos az elülső lapja nélkül, így nem tudom a "nevét", de van rajta még egy ragacs, 1812544 13935 TPS7-E0004 883T feliratokkal. Közepén egy LA7530 IF-jelfeldolgozó, adatlapot letöltöttem, bogarászom.
Végül, a két dobozkát hordozó nyákon még egy LA7913 tuner-vezérlő, adatlapot találtam ehhez is, szintén mélyebb elemzésre vár. De ahogy elnézem, szín analóg minden.

Csak hogy más is tudja, mit szeretnék: veszek egy új elemet a meglévő távirányítómba, mert mire végzek, úgyis lemerül. Leülök egy megfelelően összetákolt áramkör elé, erre kéne a tuner meg a többi szükséges, és elkezdem hangolgatni a tunert, míg valahogy detektálni nem tudom a távirányító működését (ha a benne lévő MC145026 TE vonalát GND-re teszem, és csak utána megy bele az elem, folyamatosan ad). Ha sikerül a keresés, előveszem a már megépített, de ismeretlen frekin működő új távirányítót, és addig hangolok meg cserélgetek, amíg a változatlanul hagyott tuner meg nem "hallja" azt is. Ezután elvileg már csak finomhangolni kell az új darabot, amit már meg tudok csinálni a kocsin, és a beépített alkatrészek segítséget adnak ahhoz, hogyan alkossam meg a garázsajtó leendő vevőjét.
Ez persze mind csak elmélet, jelenleg
Ha viszont a fenti cuccokkal meg lehet ezt csinálni, a spektrum-analizátor még szebb volna, kevesebbet kellene vaktában változtatnom. Lelki szemeim előtt már van egy ledsor, 300-tól 450 MHz-ig pl. 5 MHz-enként egy led, és az adott összetevő amplitúdójától függően világítanak...
(#) kobold válasza kobold hozzászólására (») Okt 25, 2007 /
 
Módosítanom kell az álláspontomat... LA7913-hoz az adatlap japánul van, angolra nem akadtam eddig még. Ráadásul két lába mellé CPU van írva / rajzolva, szóval mégsem annyira analóg az egész, mint gondoltam...
(#) Medve válasza kobold hozzászólására (») Okt 25, 2007 /
 
Az én lelki szemeim előtt egy PC+monitor van, amely végighangolja a digitális tunert, veszi az AGC jelet s X-Y ábrázolja. Többszázezres műszer fillérekből...De ez majd később. Egyelőre az az analóg tuner nagyon jó neked, az a KF is király, minden benne van. 10-es az AGC, erre kell egy műszer, a 3-as a hang, ide egy erősítő+hangszóró. A SAW szűrő is a dobozban van? Oda kell a Tuner IF jele. A tuner lábait ismered?

Ja UI.: A tuner analóg, az 1-30V hangolófeszültséget és a sávkapcsoló feszültségeket vár. ezt állítja elő az LA7913 a proci utasításainak megfelelően, bár az adatlapot még nem láttam...I2C a valószínű protokoll
Következő: »»   1 / 4
Bejelentkezés

Belépés

Hirdetés
XDT.hu
Az oldalon sütiket használunk a helyes működéshez. Bővebb információt az adatvédelmi szabályzatban olvashatsz. Megértettem