Fórum témák

» Több friss téma
Fórum » Muzeális készülékek-alkatrészek restaurálása
Lapozás: OK   216 / 589
(#) _BiG_ válasza Janó bácsi hozzászólására (») Márc 20, 2012 /
 
Akkor egy videomegosztóra kéne feltölteni és ide a linket betenni.
(#) Janó bácsi válasza _BiG_ hozzászólására (») Márc 20, 2012 /
 
Mint mondottam volt, nem értek a számítógéphez. Sajnos megint ott tartunk, hogy nem tudom, hogy mi a fene az a videómegosztó és oda hogyan lehet feltölteni. NEKEM AZT MONDJA MEG VALAKI, HOGY MELYIK GOMBOT NYOMJAM, HOGY FELTÖLTŐDJÖN!
(#) Janó bácsi hozzászólása Márc 21, 2012 /
 
Megpróbáltam amit mondtatok, mindenkinek köszönöm a segítséget. Ha minden jól megy akkor itt az egyik video

Bővebben: Link
(#) Janó bácsi hozzászólása Márc 21, 2012 /
 
És itt a másik Bővebben: Link
(#) Janó bácsi hozzászólása Márc 21, 2012 /
 
És hogy teljes legyen az öröm itt a Nieder trafó javítás.
(#) Puklee hozzászólása Márc 21, 2012 /
 
Üdv! Janó bácsinak: Nem semmi ez a rádió gratulálok. Valamint a héten rendezem amit privátban beszéltünk!
Más dolog: Meló miatt kevesebb idő jut a rádiókra de halad az orion324. A dobozát teljesen lecsiszoltam, próbáltam úgymond panorámaképekben afféle ilyen volt ilyen lett stílusban összehozni a képeket. A huzalellenállás amiről már írtam csak a skálaizzókhoz tartozik, a működést nem befolyásolja így az még ráér, a készülék kis tisztítás stb... után megszólalt. Sajnos a poti már nem igazán szabályoz, szerencse kell hozzá hogy ne tőhangerőn szóljon. Remélem a többi része is ilyen zökkenőmentesen halad mint eddig.
(#) zolika60 válasza Puklee hozzászólására (») Márc 21, 2012 /
 
Milyen szép dió furnér van rajta. Kinek volt szíve azt a ronda barna festéket rákenni? Szép darab lesz.
(#) zolika60 válasza Janó bácsi hozzászólására (») Márc 21, 2012 /
 
Rászántad magad és íme ez is profi. No meg megy a feltöltés is gratulálok. Öröm nézni a régi szép masinákat.
(#) Puklee válasza zolika60 hozzászólására (») Márc 21, 2012 /
 
Na jah... munkatársamtól vettem 3ezerért... ő vagyis az ő felesége kapta még régen egy idős nénitől aki már ezelőtt 20 évvel volt 80 éves... Gondolom anno idősen nekik ennyire tellett. Egyébként eredetileg az volt a tervem hogy kap egy dió vagy egy mahagóni pácot, de hogy alakul a csiszolás már rájöttem hogy csak lakkot vagy politúrt kap. Még egyszer majd átcsiszolom most már csak 120-as aztán 280-as papírral(gép helyett kézzel csiszolom így lassabb, nehezebb, de szerintem szebb és alaposabb) és kész lesz. Valamint lehet felesleges de én belül is le akarom csiszolni. Aztán már csak hangszóróselyem kell, meg a skálaüveget vagy másikat beszerezni, vagy újracsinálni...
(#) Janó bácsi hozzászólása Márc 21, 2012 /
 
Az öregek tán még emlékeznek, rá, volt egy Eötvös József nevű zenebohóc a cirkuszban, az mondta mindíg

VAAN MÁSIIIIIIIIK!!

Ez egy svéd rádió, 1930-ból, szintén múzeumi tárgy, már kész vagyok a felújítással. Tekercseltem hál. trafót, és hangszórót, kicseréltem az összes! kondit, gyártottam huzalellenállást, esztergáltam 10 csatlakozó műanyag "banánhüvely " szigetelést, majd hangolás, beállítás stb. Ez is nagyon szép darab, különösen a doboza maradt meg teljes épségben.
Még egy darabig csodálom, aztán vasárnap visszaviszem a múzeumba.
(#) zolika60 válasza Janó bácsi hozzászólására (») Márc 21, 2012 /
 
Ez is igen szép. Látom az adót is befizették utána annak idején.
(#) zolika60 válasza Puklee hozzászólására (») Márc 21, 2012 /
 
Ezt vétek is lenne pácolni. Ennél szebb nem is lehetne a fa. Lakkozva vagy politúrozva tán még inkább tökéletes lesz.
(#) Janó bácsi válasza Janó bácsi hozzászólására (») Márc 21, 2012 /
 
És erről is van video Bővebben: Link
(#) Vales válasza Janó bácsi hozzászólására (») Márc 21, 2012 /
 
Meseszépek ezek a ládarádiók!
(#) fegyvermester válasza Janó bácsi hozzászólására (») Márc 21, 2012 /
 
Gyönyörű készülékek, öröm ilyeneket működni látni, hallani.
A svéd rádióban a csövek eredetiek, vagy azt is az RCA rádióhoz hasonlóan kellett megoldani?
(#) Janó bácsi válasza fegyvermester hozzászólására (») Márc 21, 2012 /
 
Üdv. Ebbe sikerült mindent eredetibe beszerezni, illetve eleve hoztak hozzá egy pár tartalék csövet, egyedül a végcső lett trióda helyett pentóda, így kellett egy segédrács R-C tagot még beépíteni hozzá, de ez a cső is a 30-as évekböl való. A pentódával persze nőtt egy kicsit a hangereje is. Üdv.
(#) bmajor hozzászólása Márc 22, 2012 /
 
Üdv! Zvezda rádióhoz van valakinek alkatrésze? Egészen pontosan skálaüveg, a skálaüveget felülről rögzítő müanyag darab, és forgatógombok.ezt találtam tegnap, az elektronikát szívesen újraépíteném benne, jó kihívás lenne
(#) Puklee válasza zolika60 hozzászólására (») Márc 22, 2012 /
 
Na igen. Eddig nem foglalkoztam ennyire alaposan egy rádióval sem, de ennek még a belsejét is sikerült még a legutóbb ide feltöltöttnél is jobban letisztítani, még a belső fakeretet amin a hangszóró van azt is lecsiszoltam, a két trafót újrafestettem, a többit majd meglátom. Az hogy politúr lesz e az attól függ hogy kapok e sellak-ot mert sajna annyit nem vagyok itthon hogy postán át tudjam venni... Ha nem kapok akkor jön a vadászat akril lakkra elvileg van egy változata ami kifejezetten kezeletlen fafelületekre van.
(#) Puklee válasza Puklee hozzászólására (») Márc 22, 2012 /
 
Már vannak képek is. Már csak össze kell majd rakni.
(#) zolika60 válasza Puklee hozzászólására (») Márc 22, 2012 /
 
Szép lesz ez. Gratulálok.
(#) Puklee válasza zolika60 hozzászólására (») Márc 22, 2012 /
 
Igyekszem, kösz. Még ma visszateszem bele a potit amit javítani kellett, aztán megszólaltatom, utána 5napig nem leszek itthon de remélem jövő héten kész lesz teljesen.
(#) gkari válasza bmajor hozzászólására (») Márc 22, 2012 /
 
Egy kis adalék. Skálaüveget aligha tudsz szerezni-de némi macerával (fotó, korrigál, fóliára kinyomtat) reprodukálható.
(#) Janó bácsi válasza Puklee hozzászólására (») Márc 23, 2012 /
 
Van bontott skálaüvegem, ha kell keress meg privátba.
(#) (Felhasználó 20218) válasza Janó bácsi hozzászólására (») Márc 23, 2012 /
 
Gratulálok a rádióhoz! Igazán szép és értékes darab. Nem találtam a neten, de nagyon érdekel, hogy az a tekercs amiben a másik tekercs forog, annak mi a neve és mire való?
(#) Gafly válasza (Felhasználó 20218) hozzászólására (») Márc 23, 2012 /
 
Variométer és hangolásra.
A forgókondenzátor megfelelője induktivitásban.
(#) (Felhasználó 20218) válasza Gafly hozzászólására (») Márc 23, 2012 /
 
Köszönöm szépen!
(#) (Felhasználó 20218) hozzászólása Márc 24, 2012 /
 
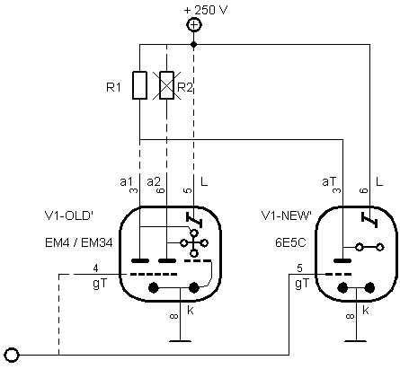
Sziasztok! Ismét bajba kerültem. Egy rádiómban az EM4 varázsszem kilehelte a lelkét (megy, de láthatatlanul halvány) és orosz 6E5S csövet sikerült helyette szereznem. Sajnos kezdő vagyok a kérdésben, nem világos számomra, hogy mit kellene átalakítanom a foglalt cserén kívül, hogy hosszú távon és üzembiztosan működjön. Találtam egy rajzot, de az is EM11 csőről írja, ami szintén nagyon más... Tud valaki segíteni?
(#) hatvanasjocó válasza (Felhasználó 20218) hozzászólására (») Márc 24, 2012 /
 
Nem jó helyen kerested. EM4 - 6E5C átkötés mellékelve(kép is, link is)Bővebben: Link

EM34_6E5C.png
    
(#) gkari válasza (Felhasználó 20218) hozzászólására (») Márc 24, 2012 /
 
Foglalatcsere kell, kapcs.rajz:Bővebben: Link, csak arra számits, hogy csak egy "lepke" lesz, de működik.
(#) (Felhasználó 20218) válasza hatvanasjocó hozzászólására (») Márc 24, 2012 /
 
Köszi! Ezt megtaláltam már egyszer, de akkor becsuktam, mert nem tudtam, hogy a 6E5S és a 6E5C azonos. Nem is igazán értem miért van ezekből ennyire sok fajta... Mindegyis, ha szerinted így tuti jó akkor átkötöm így. Mégegyszer köszönöm!
Következő: »»   216 / 589
Bejelentkezés

Belépés

Hirdetés
XDT.hu
Az oldalon sütiket használunk a helyes működéshez. Bővebb információt az adatvédelmi szabályzatban olvashatsz. Megértettem