Fórum témák
» Több friss téma |
Fórum » Muzeális készülékek-alkatrészek restaurálása
Témaindító: Kutyuli, idő: Márc 29, 2008
Témakörök:
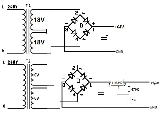
Volt itthon két duplaszekunderes nyáktrafóm. Egy 2x18V-os és egy 2x6V-os, ezekből készült a teleppótló adapterem. Remélem a rádióval élesben is működni fog. Csatolom a rajzot is hátha valakinek hasznára válik.
A 64V-ot (terheletlenül) mérted? Én ott 50V-ot saccolnák. Persze az is elég neki.
2x18xgyök2 az valóban 50,9V, és igen terheletlenül jött ki a 64V. Majd megmérem mennyi lesz a rádióval együtt is, de szólni fog vele az tuti.
Üdv mindenkinek!
Segítséget kérek! Hozzá jutottam egy ORION 230A rádióhoz. Doboza elég szép. Működik. Kicsik búg. Az egyencső teljesen átlátszó, nem füstös. Még skála izzók is vannak az üveglap két oldalán, de kiégtek. Kapcsolási rajzot tud e valaki hozzá? Már jártak benne. Szeretném lenne ellenőrizni, javítani! A neten a 230B rajzot találtam, ami telepes változathoz való. Köszi a sgítséget!
A google első találat hozta. Remélem ezt kerested.
Sok sikert a javításhoz!
Itt a rajz:Bővebben: Link Addig vacakoltam, míg megelőztek.
Üdv. Folytatom az alkatrészgyártást. Megvannak az üvegbúrák, amiket egy laborüveg gyártó cégtől rendeltem, most be lehet fejezni a "csőgyártást" Elsőre triódának EC 92-őt választottam, rézhuzallal meg lettek hosszabbítva a lábai, majd zsugorcső szigetelést kapott. Aztán beforrasztottam a már kész aljazatba és az üveget műgyantával a helyére ragasztottam. Utána fújtam rá egy leheletnyi arany festéket, és ráírtam kézzel a nevét.
A második cső EF 80 lett, az eljárás hasonló, csak itt kellett egy oldalkivezetést is csinálni a hatodik "láb"-nak
Folytatom: A végcső E(C)L 80 lett, mivel itt nagyobb a hőterhelés, más módszert választottam. Az egyik edényboltba láttam meg ezt a szita-szűrő valamit, nagyon szép alumínium háló, ebből vágtam ki egy csíkot, és beleragasztottam az üvegbe. Egyrészt takarásnak, másrészt hő elvezetőnek. Ez a cső egy másfajta üvegbúrát kapott, és nem lesz külön lefestve. Igy jobb lesz a rádió össz. képe is, nem kell annyi arany.
Remélem a képeken minden látszik. Jöhet a készülék összeépítés. Üdv.
Azért ez nem semmi. Nagyon szép munka ez is.
Megy az is, csak le kell tölteni és aztán megnyitni.
Nekem megnyílt... Nem tudom mi lehet...
Köszönöm a gyors segítséget!
Ez a vörös - párhuzamos 240 ohmos - ellenállás nincs a rajzon, sem a skála izzók, pedig a hely kialakítása gyárinak látszik! Sajnos nincs hátulja, alja. Nagy örömömre találtam egy fiókban skálahúrt!
Én csak egy okoska vagyok!
Nem vészes a búgás a műsor mellett, de hallani. A búgás miatt az elektrolit kondikat kellene elsőre cserélni? Esetleg csőhiba?
Elbénáztam izgalmamban a skálahúr képet.
Ez idősebb mint én.
Sziasztok.
Kell valakinek Orion AR322 rádió. Hiányos, a hálótrafója nincs meg, a fehér műanyag előlap összetört így az sincs, a bakelit káva repedt. Ezek figyelembe vételével az ára : ingyen! Max a postaköltséget kell fizetni.
Nem semmi, lassan már saját csöveket is tudsz majd gyártani!
![]() Ez a francia rádióamatőr is csinált magának: Fabrication d'une lampe triode
Fórumtársak! Jelentem a nagyapám frissen felfedezett Orion 115B-je 30év állás után szerelés nélkül első pöccre bekapcsolt és gyönyörűen szól! A teleppótló adapterem tökéletesen működik, 1,3V-al fűt és végül kerek 60V-ra jött ki az anódfeszültség. Most kezdem is szétszedni és szépen fel lesz újítva.
Öröm ám az ilyesmi! Azért a fűtést majd állítsd be 1.4-re, valami pontos műszerrel, mert a csöveknek nem használ az aláfűtés.
Öröm bizony! A fűtést majd rendbe rakom, csak egy ellenállást kell kicserélnem, de pont akkora nem volt itthon. Amúgy amikor az eredeti telep elkezdett merülni, akkor rendes üzemszerű helyzet lehetett huzamosabb ideig 1,4V alatti fűtőfeszültség!?
A telepes készülékek üzemeltetése drága mulatság volt annó, akkor is sokba kerültek a telepek, és ha lemerülten használták a rádiót, akkor gyakran kellett csöveket cserélni. Különösen a végcső, és a keverő (1R5) szeretett tönkremenni (nem rezeg be az oszcillátor rész) ha legyengült fűtéssel erőltették. Egyébként a szárazelemek lemerülési karakterisztikája nem lineáris, vagyis viszonylag sokáig tartják a névlegeshez közeli feszültségüket, majd hirtelen meredek letöréssel mennek végleg tönkre. Ezért ha sokáig meg akarod őrizni épségben a csöveket, jobb ha megvan az előírt fűtőfesz.
Azok az ellenállások nem eredetiek, ebbe a rábigóba gyárilag nem tettek skálaégőt. Vigyázz a matatással, mert autotrafó a hálózati, a fázis a sasszin ott lehet, Q...anagyot rúghat! Ajánlott leválasztótrafóval matatni.
A képen látható skálahúr nem jó(szerintem már csak a csévéje az eredeti), tudok Neked küldeni 1db. 1m-est(privátban írd meg a címedet!).
Janó bácsi! Minden elismerésem az öné. Rengeteg dologtól dobtam már hátast amit eddig csinált, de ez volt eddig a legeszmésebb amit láttam! Gratulálok!
Nagyon nem szerettem volna, ha rajtam múlik a csövek rövid élete, a tápegységet kalibráltam, műszer szerint 1,40V a fűtés. Egy icipicit hangosabb is lett.
Tiszteletem mindenkinek. Kész lett a Neutrofon ládarádió, összeraktam, szól, meg vagyok vele elégedve.
Az összeépítés, nem volt nagy kaland, az alkatrészeket már előre megjavítottam a huzalozás 80%-a maradt a régiben, csak pár helyen kellett megváltoztatni. Első bekapcsolásra beindult, csak a visszacsatoló tekercset kellett megfordítani, meg a végcső munkapontját a katódellenállással beállítani. Ezt a rádiót megtartom, műhelyem dísze lesz, ha valaki erre jár, megnézheti. Üdv Janóbá.
Még képek
És itt a video Bővebben: Link
Sziasztok!
Már régóta pihen egy Melodyn R4900-as a szobám polcán, egyenlőre bizonytalan állapotban, nem eredeti forgatógombokkal. Egy reggel aztán régi rádiókat és erősítőket nézegettem az interneten és egyszer csak eszembe jutott: Miért akarok én tízezrekért régi rádiót venni, ha ott van (majdnem) kiváló állapotban a régi? Gyerekként egy kicsit nagy falat lenne nekem ez a projekt, szóval a segítségeteket kérném. Egyenlőre nem mertem bedugni, mert nem tudom, hogy mi fog történni. Vagy félelmem akár zárlat esetén is alaptalan? A biztosíték leoldana? Van rajta 4 forgatógomb, amiből csak az egyik eredeti, kettő valami istentelenül ronda, egy pedig letört. Az elektronika belülről ránézésre teljesen hibátlan, többször átnéztem a csatlakozásokat, vezetékeket, hogy nincs-e rövidzár, viszont elég sok por van belül, ezt porszívóval és ecsettel el tudnám távolítani? Valamint a legutolsó kérdésem: Egy ilyen mennyit érhet felújítva? A képek minőségéért elnézést, telefonnal lettek készítve, de azért többet vártam volna egy iPhone-tól. ![]() Üdv: Dani Itt vannak a képek:
Érdekes, pont tegnap jutottam hozzá én is egyhez. A háza kissé lepattant, nem is tervezem felújítani. Most az az ördögi tervem van, hogy csak az erősítő részt hagyom meg belőle és beépítem valami szép dobozba, így lesz egy csöves monoblokkom, az EM84-esből meg lesz kivezérlésjelző. Szóval tekerőgombokban tudok segíteni, mert azokat nem fogom felhasználni, kivéve a jobb szélső nagyot, mert az hiányzik az enyémről is. Amúgy én az ilyesmit fogkefe+porszívó kombóvan szoktam takarítani, esetleg vékony ecset a szűkebb helyeken.
|
Bejelentkezés
Hirdetés |





Sok sikert a javításhoz! 



































