Fórum témák
» Több friss téma |
Már nem aktuális a "gépkönyv" kérése,mert közben a gyártótól kaptam.
Üdv. Ottó
A keltetőmbe egy mini-max hőfökszabályzó van. Az éjjel a fűtésre szolgáló egyik égő a kettőből kiégett, a szabályzóban lévő "üveg" biztosíték kiolvadt, a fűtés megszűnt. Valószínű, a tojásoknak annyi. A jövőben ezt a problémát szeretném elkerülni. Mit javasoltok? Kellene valamilyen átváltó elektronika, hogy a minimálisan szükséges fűtést lehessen biztosítani. Nem két szabályzó beépítésére gondoltam. Nincs valamilyen olyan érzékelő, olyan biztosíték, amely a ?túl áram? megszűnése után automatikusan indul, akár már csak egy égővel.
A tojásoknak semmi baja tegyél bele biztositékot és cserélj égőt máskor kettőt használj .
Egyáltalán nem biztos, hogy a tojásoknak annyi. Most nincs nálam a könyv, hogy megnézzem, de ha jól emlékszem, 12 órán át a 18 Celsius fokot kibírják, az első 19 napban. Ezek után már tényleg gond van.
Murphy 1. számú törvénye: ami elromolhat, az el is romlik. Minden alkotóelemből legyen tartalékod. Éspedig: motor, ellenállás (égő), termosztát és hőmérő. A higrométerről se feledkezz meg, mert inkább a nedvességen fogsz elcsúszni, mint a hőfokon.
Köszönöm szépen válaszod. Tudod, 2 db égőt használok, de a szabályzó nem tudott kapcsolni, mert annak a biztosítéka ment gajra az égő kiégetése miatt. Sajnos ez nem ismeretlen, elő szokott fordulni elég sűrűn ez a jelenség, még a kismegszakítók esetében is. Bízok, nem lesz baj, hisz a remény hal meg leg később.
Köszönöm, hogy adtál reményt, bízok.
Üdv!
Sorosan kötött égőkkel 500volt feszültséget is károsodás nélkül elvisel.2db 40W-os párhuzamosan, helyette 2db 100w-os sorosan.Én 4db ugyanolyat tennék mint amilyen kiégett--- 2-2 sorosan és így párhuzamosan.
Lelked megnyugtatása végett törj meg egy tojást a domború végén. Azután szakítsd el a hártyát, ami a légkamra fenekén található. Ha vér ömlik ki, akkor az élet nem állt le, de egy csirkét feláldoztál. Amennyiben fehéres szürkés a hártya alatt lévő anyag, akkor törheted a következőt, mert az már átjutott az örök kapirgáló mezőkre.
Inkább még 4 napig nyugtalankodok, mert mindössze 6 db lúdtojás borzolja idegeimet. 12 db volt, de sajnos 6 db 10 napos lámpázásnál ki kellett szelektálnom, nem volt szemes.
Így is van B. terv. Hat lúdtojásról van szó, így hát kézzel forgatod. Amelyik hidegebb sokkal, mint a többi, az halott. A halott tojások nem termelnek hőt.
És ha hajnali minusz érte akkor se fejlődik.
Szia! De ha lámpázód is van....esti hűtésnél megnézed,azonnal egyértelmű lesz! Egyébként szerintem sem lett semmi bajuk, max néhány órával később kelnek...
Sok szerencsét!
?És ha hajnali mínusz érte akkor se fejlődik.?
Ez érdekes. Bizonyára nem a szabad ég alatt van a gépe. Az a hőmérséklet számít, ami a tojások légterében van. Az is igaz, hogy a környezet hőmérséklete is hatással van.
Köszi. Nem baj, hogy pittosi mond érdekességet néha, azért neki is köszönöm, hogy figyelemmel kíséri próbálkozásaimat, jó szándékot értékelem. Az helység, amiben a keltetőm, átlagosan meg van a 24 C°. Amúgy nem volt hajnalban mínusz kint sem - nálam.
Köszi. Van, megnézem, ámbár nem tudom, hogy mit nézzek? Ilyen korában már kacsingat?
Ha meg nem, akkor elmúlt? Bocs, humornak szántam.
Na, nekem ez a legegyszerűbb, köszi az ötletet, mondom majd az eredményt.
Megnéztem a tojások hőjét, - persze kézzel- és azt éreztem, hogy 5 db nagyjából egyformának érzem, egy, mint ha kicsit hűvösebb, de az sem hideg. Reményt adtál, köszönöm.
Megnézed,meglátod... Ilyenkor már táncolnak....Üdv eti
Sőt, ez a táncolás már a lámpázóval látszik is.
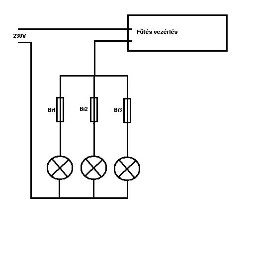
Egy nagyon egyszerű megoldás. Mindegyik égőhöz tegyél külön biztosítékot és ha az egyik tönkre menne csak az egyik megy ki. Nekem így van megcsinálva. Nagyobb biztonság.
"Üvegessel" vagy kismegszakítóval csináltad? Nekem a fűtés automatika üveg biztosító ment el. Most annak elé, azaz az égők és az automatika közé tegyek egy-egy biztosítékot?
Nekem így van megcsinálva. Így ha egy bizti kiolvad a másik két fűtés még megy és nem hűl ki a keltetőm. Illetve ami még kimaradt a rajzból, nekem van egy lassú biztosíték a fő ágba és a Bi1, Bi2, Bi3 gyors biztosíték.
Köszönöm, értem, alkalmazni fogom ötleted.
Sziasztok!
A fűtéssel lenne kapcsolatos a kérdésem. Azt eddigi tapasztalatból tudom, hogy nagy hőtehetetlenségű fűtőegységet nem érdemes használni. Eddig egy 220V/1600W fűtőszálat használtam, 24V-ról. De le szeretném szedni a trafót róla, szóval 230V-os "fűtőegység" kellene. Ti mit használtok ami olcsó és jó? Persze olyan ami nem megy tönkre üzem közben, mint pl az izzó, nem veszélyes üzem közben - mint a hálózatra kötött fűtőszál (párás környezet). Másik kérdés pedig, hogy hol helyezitek el és hogy "tervezitek" meg a légáramlatokat? Milyen ventilátort használtok, ami a 90% páratartalmú levegőt is gond nélkül mozgatja? Én úgy gondoltam, hogy ventit csak akkor hajtom, ha hőfokkülönbség van (2-3 szenzor), és kis teljesítménnyel folyamatosan fűtenék (PWM szerű szabályozással) Most új gépet szeretnék készíteni, ezért keresem a legjobb megoldást.
Szia!
Itt nagyon sok, hasznos ötletet és segítséget kapsz. http://forum.index.hu/Topic/showTopicList?t=9180932
Azért itt is legjobb tudásom segítek. Ez a fűtés valóban nem a legjobb, mindenképpen az izzót javaslom, 2-3-4 db párhuzamosan, külön biztosítva, megoldás szerintem a célszerű. Ezeket alura építsd be, a víztartály fölé. Mind ezt takard le, és a fűtést, ill. a párát ventik mozgatják a tojások felé. Nem valószínű, hogy minden izzó egyszerre megy tönkre, gyorsan ki tudod cserélni, de ha netán kettőnek kaput, akkor még a másik kettő biztosítja az elégséges fűtést. A ventilátort állandó üzemű legyen, még hozzá, kisfordulatszám kellene és 2 db, mert az egyik szívó, a másik pedig fújó a funkciója. Megfelel, a pc hűtő venti (100x100) 5 V-al meghajtva. A pc venti 12 V üzemű, de, ha 5 V-al táplálod lassúbb lesz, a légkeverést biztosítja, de nem hűt.
Itt sokminden megtudhatsz. http://forum.index.hu/Topic/showTopicList?t=9180932 Sok sikert.
Szia!
Én is az izzót javaslom,bár nem ismerem a géped felépítését,álló vagy fekvő lesz,egysoros,vagy többtálcás,stb....De az én keltetőimben három db izzó van,van amelyik harmadik szezont nyögi,égőcsere nélkül! Természetesen a szabályzó is kiméletes...
Szia!
Ma, amikor forgattam, azt vettem észre, hogy egy kicsit némelyik libatojás bemozdul, remeg! Tényleg táncol! Ez nem azt jelzi, hogy kezdődik a pattogás? Nagyon izgi vok.
Köszi
Mi van, ha elpattan az üveg? Mennyi izzóteljesítmény kell tojásonként/literenként? Okos dolog 230-at vinni nedves környezetbe? Egy rajzot is tudnál nekem adni róla, hogyan is képzeled? Miért kell szívó és fújó venti? Hogy állítod be a venti sebességét? Mikor jó a levegősebesség? Nem lenne jobb néhány 6 centis venti 12V-on, mint a nagy venti alacsony feszültségen? |
Bejelentkezés
Hirdetés |





eti

