Fórum témák

» Több friss téma
Fórum » Erősítő mindig és mindig
Mielőtt kérdezel, a következő két dolgot ellenőrizd! I. A helyes tápfeszültségek megléte. II. A kimeneten van-e egyenfeszültség. Élesztés.
Lapozás: OK   1043 / 2576
(#) lali22 válasza reloop hozzászólására (») Ápr 9, 2012 /
 
Szia kösz a képet valószinüleg ezt fogom bele rakni azért mert ez egyszerübb és ilyen végfokom van is itthon köszi
(#) speed008 válasza Doncso hozzászólására (») Ápr 9, 2012 /
 
Volt egy kis időm 4 ből 1 tranzisztor jónak tűnik.
A többi 3 minden láb között minden irányba kimegy, ezek elvileg rosszak.
(#) reloop válasza speed008 hozzászólására (») Ápr 9, 2012 /
 
Csak 4-et vizsgáltál? Bővebben: Link
(#) speed008 válasza reloop hozzászólására (») Ápr 9, 2012 /
 
Tudom, hogy még elmehetett több is.
Az erősítő nem az enyém, csak javításra van nálam. A tulajnak szóltam, hogy 3 végtranzisztor elszállt és lesz még rossz.
Meglátjuk mit mond, mert ha folytatom a javítást akkor kiveszem az összeset.
(#) reloop válasza speed008 hozzászólására (») Ápr 9, 2012 /
 
Értelek. Akkor mindkét csatorna hibás? Az egyik jónak látszott.
(#) speed008 válasza reloop hozzászólására (») Ápr 9, 2012 /
 
Ezek szerint igen, mert akkor csak kettő ment volna el.
Észrevettem még, hogy a panelon D1047 van írva, most C5198 van benne. Nem tudom de az adatlapok szerint az új kevesebb feszt tud a lábai között mint az eredeti, lehet hogy ezért szált el a rendszer. Gyanús nekem még 2 5w os ellenállás mert mintha igen melegedtek volna, de csak az egyik oldalon van ilyen ami látszólag jó volt.
(#) reloop válasza speed008 hozzászólására (») Ápr 9, 2012 /
 
A benne lévő végtranzisztorok megfeleltek a célnak. Nagy türelemmel végig kell mérni a félvezetőket, ha folytatni fogod a javítást.
(#) speed008 válasza reloop hozzászólására (») Ápr 9, 2012 /
 
Köszönöm, hogy megnézted őket.
Ha fojtatom akkor kibontom az összeset aztán méricskélés
(#) Doncso válasza speed008 hozzászólására (») Ápr 9, 2012 /
 
Az az igazság, hogy ilyenkor érdemes mindent átnézni, tehát az ellenállásokat is, sokszor ami meg van égve még teljesen jó, és a látszólag jónak tünő van megszakadva, de olykor megesik, hogy megnyúlik, tehát nem szakad meg, de változik az értéke, ezeket jobb előbb kikerülni és átmérni őket, később nagy fejfájásokat okozhatnak. Egy a lényeg, annyi legyen az értéke, mint ami rá van írva, vagy csíkozva, ha nem annyi, akkor csé.
(#) speed008 válasza Doncso hozzászólására (») Ápr 9, 2012 /
 
Köszönöm a segítséget!
Ha kérik a folytatást akkor kiveszem a tranzisztorokat aztán multival kimérek mindent, mert ha összerakom akkor működjön.
Addig építek egy ellenálásos áramkorlátozt, fő a biztonság
(#) Robi85 válasza Doncso hozzászólására (») Ápr 10, 2012 /
 
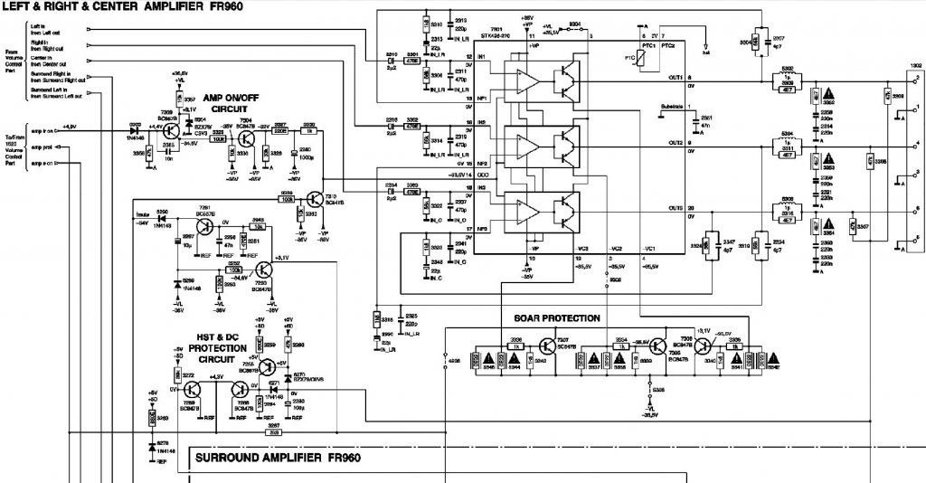
Tegnap kiszedtem még az STK-at, de nem indul be igysem. Ugyhogy marad a bontás, mert ehhez már kevés vagyok. Esetleg még abban tudnál segiteni, hogy magát az erősitő részt, hogyan lehetne beinditani? Van valami amp on/off rész az IC elött. Olyasmi lehet, mint a TDA7294-nél a STBY/MUTE funkció?
(#) Robi85 válasza Robi85 hozzászólására (») Ápr 10, 2012 /
 
Közben kiderült, hogy a nagyobbik STK kuka. A center csatornán -33Volt van jelen, a többin Front/Rear csatornán -6,7V. A sorround résznél lévő STK is szerintem kuka. Annak a kimenetin is -6,7V-ot mérek a földhöz képest. De viszont mint irtam is ha nincsenek benne az IC-k akkor sem kapcsol be az erősitő.
(#) Doncso válasza Robi85 hozzászólására (») Ápr 10, 2012 /
 
Az egy dolog, hogy kivéve nem kapcsol be, ez nem azt jelenti, hogy ha benne van egy jó, akkor sem fog. Van egy protection szál, ami jelzi az erősítő felé ha probléma van, azt kellene kideríteni, hogy optimális esetben mit "mond" a rendszernek, és ezt szimulálni, így el kellene indulnia STK nélkül is. Kövesd le a rajzon hogy a prot szál hova megy az STK-n belül, nézd meg az STK adatlapján hogy mit ír róla, azt kellene mutatni a rendszernek a prot szállal hogy "heló itt oké az STK mehet a rendszer" tehát be kell csapni, ha így elindul, akkor siker, építesz bele végfokot és ennyi. Én nem bontanám szét. Max a trafót tudod használni belőle esetleg azt a fáradt hűtőbordát, akkor inkább adok érte egy olyan trafót amilyet akarsz.
(#) benocs24 hozzászólása Ápr 10, 2012 /
 
Sziasztok! Azt szeretném kérdezni tőletek, hogy ha egy NE5532 ic vel müködő előfokba 100Kb poti helyett 50 Kb-et rakok akkor az mit befolyásol? Használható úgy is?
(#) Robi85 válasza Doncso hozzászólására (») Ápr 10, 2012 /
 
Ha jól nézem akkor a rajz szerint +5volt megy a prot szálon a vezérlő IC felé ami az előlapon van. Meg is van ez az 5 V, de nem kapcsol be. HST/DC Prot résznél is megvannak az odairt feszültségek.
(#) Doncso válasza Robi85 hozzászólására (») Ápr 11, 2012 /
 
Ok, de ha kiveszed az IC-t akkor van meg, vagy ha nincs kivéve? Arra gyanakszom, hogy az IC-ben van egy termoelem, és ha elfüstöl az ic, akkor ez az elem megszakad, és nem húzza földre a prot lábat, így azon 5v van, tehát nem indul az erősítő, ugyanez történik ha kiveszed , tehát elképzelhető, hogy addig nem is lesz jó, amig nem teszel bele működőt, de ez csak feltételezés. Jó lenne róla egy normális rajz.
(#) Doncso válasza Robi85 hozzászólására (») Ápr 11, 2012 /
 
Leszedtem a rajzot, amit linkeltél, ott a HST és DC PROT védelem első tranyója 5V-ot kap egy 39k-n keresztül, a két STK-n megy egy hurok így az egy védelem min a kettőt figyeli, ha az egyikben megsül a PTC akkor megszakad a kör, és nem húzza földre a tranyó bázisát, ergó bekapcsol a védelem és nem indul az egész, nincs más dolgod mint becsapni a rendszert, kösd a tranyó bázisát, azaz a 070-es STK 4.-es lábát földre.

amp.JPG
    
(#) Doncso válasza Doncso hozzászólására (») Ápr 11, 2012 /
 
A rossz STK pedig legyen kiszedve, biztosítékok pedig megfelelő értékűek legyenek, ha elindul, és kicsapja a biztit, akkor a másik STK is rossz.
(#) marci91 hozzászólása Ápr 11, 2012 /
 
Üdv!
Van két PA hangfalam SAL SPA4050-es mélyekkel szerelve. Egy T.Amp E-800-al hajtom őket. A gondom az, hogy az utóbbi bulin az egyik SPA elkezdett zörögni a nagyobb mélyeknél (alacsonyabb hangerőn is), mostanra viszont elmúlt ez a zörgés. Ez hangszóróhiba lenne? Eleve természetes az, hogy csak úgy magától elmúlik? Köszönöm!
(#) mindenes válasza marci91 hozzászólására (») Ápr 11, 2012 /
 
Szia. Lehet hogy csak a hangszórót rögzítő csavarok oldottak meg egy kicsit és ezért berezonál az erősebb mélyeknél.
(#) Robi85 válasza Doncso hozzászólására (») Ápr 11, 2012 /
 
Köszönöm szépen. Mindkét STK kiment. Kiszedtem mindegyiket. Igy is müködni fog a dolog? És ugy van meg az 5V mindehol, hogy kivannak szedve az IC-k.
(#) Doncso válasza Robi85 hozzászólására (») Ápr 11, 2012 /
 
A 070-es 4-es lábát húzd a földre, vagyis a helyét a panelon.
(#) Robi85 válasza Doncso hozzászólására (») Ápr 11, 2012 /
 
Sajnos igy sem jó. Komolyabb a probléma valószínűleg. Vagy csak én vagyok hozzá béna.
(#) Doncso válasza Robi85 hozzászólására (») Ápr 11, 2012 /
 
Akkor még egy ötletem van, keresd meg ezt a részt a képen, vágd el a vezetősávot, fogj egy potit, köst a sávot a csúszkára, a poti egyik végét +5v-ra a másikat a földre, és próbálgasd bedugni és bekapcsolni különböző állásokban. Menet közbe ne állítsd, és mindig csak egy kicsit tekerj rajta, kezd a földtől. A lényeg, hogy a több védelem van az erősítőben, hővédelem, dc védelem, safe operating area védelem, ezek mind befutnak egy összegzőbe, és innen megy a rendszerbe, az összegző után kell megszakítani, és "becsapni" a rendszer felé menő vezetéket, ha sikerül átvágni, akkor azt fogja hinni, hogy oké a végfokozat, és elinditja a rendszert, ennyit még megér. A potinak szerintem 2k2-5k megfelelő

névtelen.JPG
    
(#) csatika hozzászólása Ápr 11, 2012 /
 
Üdvözlet mindenkinek !
Egy kis (sok ) segítséggel fordulnék hozzátok. Szeretnék csinálni egy aktív mély ládát 30W os 4Ohms hangszóróból, és az erősítő részével elakadtam. TDA 2030 as jószággal szeretném megvalósítani az erősítést mivel ez rendelkezésemre áll. Szétnéztem a neten és egy rakás kapcsolást találtam amiből kiválasztottam egyet
LINK :http://elektron.uw.hu/elektro/hang/vegfok_TDA2030.pdf
a kapcsolásnak megcsináltam a nyáktervét mivel azt nem találtam hozzá, ha megkérhetném vetnétek rá egy ellenőrző pillantást?A problémáim a tápellátással vannak, van egy AC adapterem ami 24V 500mA szolgáltat. A kérdésem az volna ,hogy ebből a tápból ki tudnék hozni olyan DC-t 20V körüli feszültséget ,hogy meg tudjam hajtani vele az erősítőt ?Ha van rá mód akkor valami kapcsolással is ki tudnátok segíteni ? Segítségeteket előre is köszönöm!

nyák.JPG
    
(#) reloop válasza csatika hozzászólására (») Ápr 11, 2012 /
 
Üdvözöllek! A nagy keresgélés közben kifelejtetted a fórum keresőjét. Ezt találtad volna.
Az AC adaptered (a feszültséget szorozva az áramerősséggel) 12W-os. Ez egy 8-10W-os erősítő számára elegendő. Amit építeni szeretnél annak 35V tápfeszültség kéne a 30W/4ohm leadásához. Ezt gondold át és írj a link-ben megadott témába, remélem kitalálunk valami megoldást.
(#) ColT hozzászólása Ápr 12, 2012 /
 
Hello!

Tippet szeretnék kérni.

Adott egy házi gyártású (nem én csináltam), ha minden igaz, FET-es erősítő (nem nagy teljesítményű, 2x10-15W lehet). Szépen működik, de a mikróra érzékeny, ha az működik, zavarja az erőlködőt.
A ház fémből van, földelt, szóval valószínű a 220-on jut be a zavar. A tápegysége stabilizált, ha jól láttam, a puffer elkó után van benne induktivitás is.

Van valakinek tippje hatékony zavarszűrésre? (Ja, és kb. csak a mikró zavarja, elhaladó autók, mosógép, stb. nem. A mikró kis műanyagdobozos aktív hangfalat sem zavar pl...)

Rajzot tudok feltölteni, mert kaptam hozzá...
(#) Orbán József válasza ColT hozzászólására (») Ápr 12, 2012 /
 
Én a mikró közelében tartózkodó személyek biztonságára tekintettel a mikrót is megnézetném!
Egészségkárosító, ha kijön belőle valamerre a gigahertz.
Szervizekben van erre műszer, amivel kiderül, nem "ereszt-e" valahol a doboza..
Aztán jöhet az erősítő...
(#) ColT hozzászólása Ápr 12, 2012 /
 
Ez már a második mikró, ami ezt az erőlködőt bántja, és a környéken fellelhető egyéb erősítőket (kis aktív hangfal, műanyag dobozzal...) nem zavarja...
(#) Doncso válasza ColT hozzászólására (») Ápr 12, 2012 /
 
Fogj egy rossz PC tápot, és a hálózati csatlakozója után szokott lenni egy kis panel, ezen tekercs, kondi ,miegymás, ezt iktasd be az erősítőbe, a trafó . elé.Bővebben: Link
Következő: »»   1043 / 2576
Bejelentkezés

Belépés

Hirdetés
XDT.hu
Az oldalon sütiket használunk a helyes működéshez. Bővebb információt az adatvédelmi szabályzatban olvashatsz. Megértettem