Fórum témák
» Több friss téma |
Fórum » Csöves erősítő készítése
Ne feledd betartani a fórum viselkedési szabályait, és a topik megmaradásának feltételeit. [link]
A téma átmenetileg fagyasztva lett, hozzászólni nem tudsz!
[OFF]Sajnos én ezekhez vajmi keveset értek, de biztos, hogy a gépen is hallod a .flac, és .mp3 közti különbséget. Ha nem, akkor valóban van min elgondolkodni, hogyan tovább..
Nagyon szépen hallatszik a különbség, köszönőviszonyban sincsenek.
Nagyon sok trükk van, hogy az olcsó CD játékosból nagyságrendekkel jobb hangot hozhassunk ki. A kimeneti fokozatot kettőstriódával helyettesíteni, a csatolókondikat cserélni jó minőségűre, esetleg a táp szűrésén javítani.. Csak képzeletünk (és pénztárcánk) szab határt.
Az olcsó (gyenge) DAC-on ez nemigen segít. Itt is igaz a motorosoknál elterjedt szlogen: Legjobb tuning a köbcenti, vagyis, ha gyengének találod a dolgodat, jobbat kell helyette venni. Persze, hallani ilyen-olyan sikeres tuningokról is..
Amúgy nagyon gyök2 vagyok a témához. Érdekelne, hogy a bekarikázott a 4,2nF-os kondenzátornak mi a funkciója. Csak mert ma a boltban pont nem volt, ezért 3,3nF-ost raktam helyette, de szerintem szépen szól így is. Van egyáltalán köze a hangzáshoz? Érdemes kicserélnem idővel, vagy maradhat?
Szerencse, hogy annyira nem jó a fülem!
Szerintem meg fogok elégedni egy jóféle cd deck-kel. Csak arra kell vigyáznom, hogy nehogy meghallgassak egy jobb technikát, mert utána már ordítani fog a különbség.
Azt gyanítom, hogy magasabb frekvenciákon javítja a visszacsatolás hatásosságát.
Az a kondenzátor a gerjedést akadályozza meg azzal, hogy csökkenti az erősítést magasfrekvencián.
Szkópon nézd meg a négyszög felfutás utáni részt, ha kiveszed a kondit, ill he beteszed az 1nF ot a 3n3 at a 4,7 et, amikor még nem kerekíti le de nincs jelentős túllövés az a jó érték, az adott ellenálláshoz, az adott erősítőben, az adott terheléshez... De ha nélküle is jó a fülednek, akkor inkább kissebbet tennék be, mint nagyobbat, mert így lehet elvesztek a magasak.
Mi a véleményetek a toroid kimenő trafóról (Fleta most ilyet tudna csinálni) GU 50 SE-hez?
Köszönöm! Sajnos nincs skópom, de ugysem tudnám használni.
Viszont ha jól értem akkor minél nagyobb ez a kondenzátor annál inkább vágja a magas hangokat. Mivel az eredetinél kisebbet raktam be ezért bajt nem okoz, akkor lenne gond ha nagyobbat rakok. Jól értelmezem?
Helló !
A 6n1p-ev az mehet 12.6 V-ról ? Mert a rajzon úgy tűnik hogy az árnyékolás a két katódfűtés közé van kötve, de az adatlapon meg csak 6,3 V-t írnak. :nemtudom: Lehet külön fűteni a két triódát ?
6,3V-ról szabad csak fűteni, a 4-5 lábakon. A 9-es láb árnyékolás.
Kösz ! :worship:
És még azt meg tudná valaki mondani hogy ha egy effekt loopba (gitárerősítő) egy effektet kötök, akkor mennyit esik a feszültség ? Hangszínnél már tudom, sokat, de effekttel nem tudom kipróbálni jelenleg. Viszont jó lenne tudni.
Ez jelszint és impedancia függő.
Sziasztok. Szeretnék építeni egy pcl86-os se erősítőt, ehhez lenne elméletben kimenőm is. Mégpedig: Vac sm55 primer: 3500 menet 0.2-es (660 ohm ) drót sec: 100 menet (6ohm). Ez a trafó megfelelne kimenőnek?
Köszönöm a segítséget előre is. csöves témában még nagyon amatőr vagyok
A PCL86 pentódát 8kohm-ra kell illeszteni-de ez impedancia,nem egyenáramú ellenállás! Az SM55-el biztosan lehet jó kimenőt készíteni, de javasolom,hogy nézz utána a megfelelő méretezésnek(itt a fórumon sok adalékot találhatsz)!
Ok. Akkor "pár" oldalt átolvasok. Köszönöm.
Ez nem ilyen egyszerű, a kondi a NVCS-t kompenzálja.
Ha túl nagy akkor túlompenzált, ami magasvesztést okoz, "lassítja az erősítőt". Tegyél oda 2n2-őt vagy 3n3 at 4n el esetleg nincs elég magasad. De ezt igazából csak szkóppal tudod beállítani, és szép négyszögjellel.
Ez egy frekvenciafüggő negatív visszacsatolás. (nem kompenzáció, inkább frekvencia határoló) A hangszórón megjelenő kimeneti jel kb. 1/10 ét visszacsatolja a bemenetre, amiből kivonódik. Ez kb. 28 kHz -es törésponti frekvenciával (-3 dB), és azután 20 dB / dekád eséssel növeli a visszacsatolást, csökkentve az erősítő erősítését. Ha kisebb kondenzátort teszel bele, ez a töréspont feljebb, ha nagyobbat lejjebb tolódik.
Mondjuk ma elindítottam úgy, hogy a visszacsatolást elfelejtettem visszakötni és hangosabban szólt, bár azt nem figyeltem, hogy szebben-e, mert gyorsan észrevettem és visszakötöttem.
Nagyon jó fülednek kellene lennie hogy meghalld a 30 kHz feletti jelek hiányát vagy változását a kondicserével. (bár mindjárt jönnek a vájtfülűek, és le*) Itt már a kimenő se nagyon visz át.
Így is lehet majdnem, csak nem eséssel hanem emelkedéssel, azaz nem csökken hanem nő a visszacsatolás.
De nem kellene megfeledkezni a fázisról sem, és a tg függvényről sem ami leírja, és az erősítő többi amplitúdó-fázis dolgárol sem amivel eggyütt sikerülhet a negatív visszacsatolást 180 fokkal elforgatva pozitívra változtatni ahol sikerül begerjeszteni az erősítőt. Azért írtam kompenzációt, mert a célja mi is ennek a kondinak? Nem a frekvencia függőség, ez természetes, úgy is kérdezhetném: -mi a célja a kondiknak -a frekifüggőség -jó jó akkor mi a célja a frekifüggőségnek? Érti a célja mi, azaz miért kell. Mi okozza a túllövést? A túllövés eltüntetése kompenzáció, ezért írtam kompenzációt. De ennyiben lemehetünk alfáig, akarom mondani a komplex számokig a -jXc és a fázisszög magyarázásig. És ez még nem is a "kezdet". ![]() Főleg a kimenőtrafó tökéletlensége okozza a túllövést-lengést, azt viszont a visszacsatolással felerősítjük, a hibát visszacsatoljuk, itt meg kikompenzáljuk, szerintem, persze lehet, hogy nem...
Ha visszacsatolás nélkül is hallgatható, azaz nem középemeléses akkor ne tegyél bele visszacsatolást.
Persze a pcl nem hiszem, hogy olyan, bár ki tudja min hallgatod. Na jó nem középemelés, mély magas csökkenés.
Nem a konkrét 30kHz et hallja, a színezést amit okoz a kompenzálatlan túllövéses erősítő.
Elég gyengén sikerült kimenő ami 30kHz en nem visz át. Most mértem az SE-m 4W os erősítőt 2W on műterhelésre, 58kHz en van a felső -3dB es pont, pedig 6L6 osok, mi lenne ha GU 50 es rádiófrekis csövek lennének ))
Negatív visszacsatolással nem erősítünk, hanem "gyengítünk". Az ilyen egytagos szűrőnek max 90 fokos fázistorzítása van, és ha az erősítő össz fázisfordítása nem haladja meg a 90 fokot nem is fog begerjedni. Ahol meg már az össz fázisfordítás meghaladja a 90 fokot, akkorra már olyan nagy a visszacsatolás, ami az erősítést csökkenti, hogy már nincs is ami begerjedjen. Az egytagos szűrőnek (PI) nincs túllövése. Túllövése a többtagos szűrőköröknek lehet.
Valóban elmehetünk a komplex számokig, de jobb lenne a Bode, és Nyquist diagrammokat, és a transzformátor helyettesítő képét ismerni, ha számolni akarnánk. De a kérdés csak a visszacsatoló kondenzátor hatására vonatkozott.
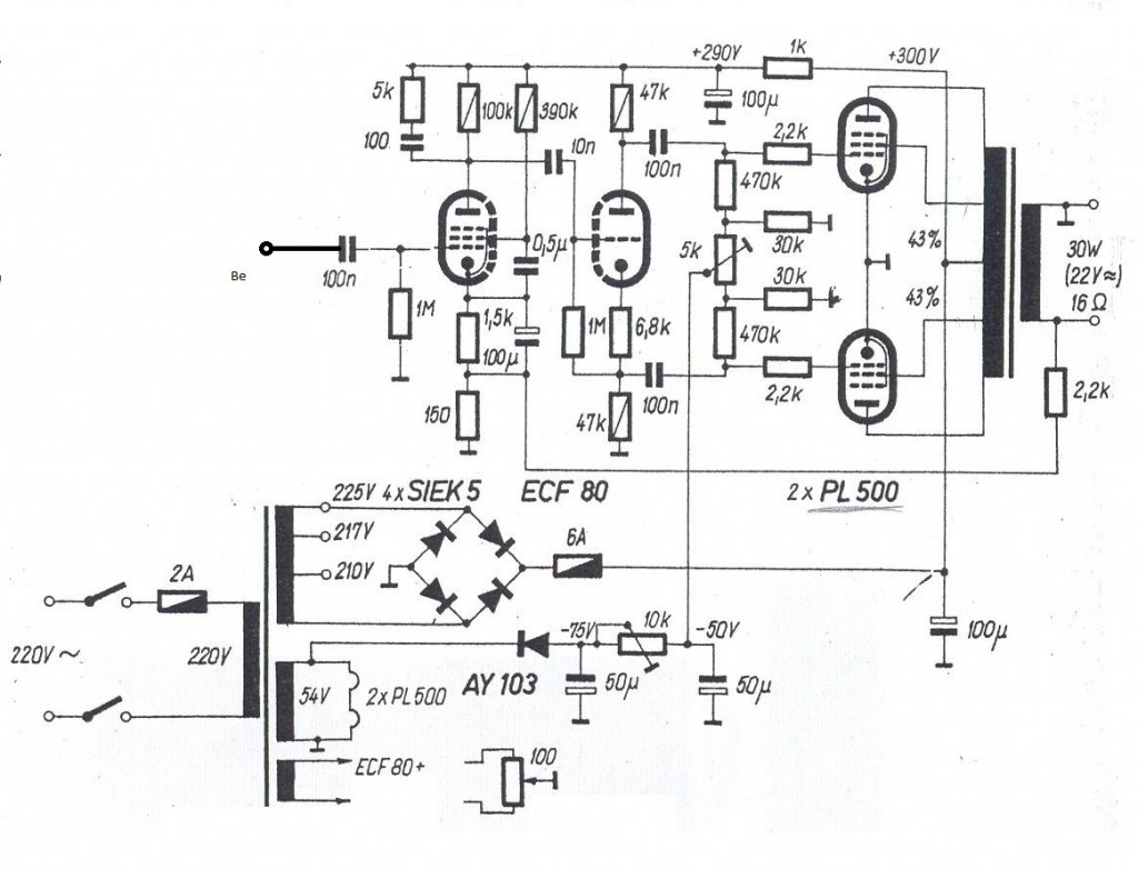
Sziasztok. Egy PL504PP-t szándékozok csinálni, és éppen a nyáktervezésnél tartok. Egy olyan kérdésem lenne, hogy a ECF80-nál lévő 0,5µF és 100µF-os kondenzátorok hány voltosak? Előre is köszönöm a segítséget.
Az 500nF-osnak szerintem illik tudnia a tápfeszt (ugyanis segédrácsáram nélkül azt látja), a másik pár voltot lát csak, ami a katódellenálláson van (miliamperenként 1,5V megközelítően). 25-35V tuti elég.
Helló. Köszönöm! Még egy dolog lenne amiben nem vagyok biztos. A "100" feliratú kondi az 100pikós?
|
Bejelentkezés
Hirdetés |



Szerintem meg fogok elégedni egy jóféle cd deck-kel. Csak arra kell vigyáznom, hogy nehogy meghallgassak egy jobb technikát, mert utána már ordítani fog a különbség.

