Fórum témák
» Több friss téma |
Fórum » Csöves erősítő készítése
Ne feledd betartani a fórum viselkedési szabályait, és a topik megmaradásának feltételeit. [link]
A téma átmenetileg fagyasztva lett, hozzászólni nem tudsz!
Szóval minden egyes erősítő fokozat megfordítja a fázist ?
Ezt nem is tudtam. Szívás.
Már amelyik. A három alapkapcsolásból kettő fázist fordít (földelt katódos, és a földelt rácsú), a katódkövető (földelt anódos) nem.
Tényleg. A negatív visszacsatolással ki lehet kísérletezni, hogy valóban így van-e.
Én úgy tudom, hogy az anód oldalon megjelenő jel 180fokban eltolt, míg a katódoldalon fázishelyes. Szóval egy földelt katódos fokozat - figyeled, kedvezek pucukának, nehogy szemöldökráncolás legyen az anódkövető kifejezés miatt- fordít, de kettő ilyen után a már fázishelyes a jel. Amúgy ez levezethető rém egyszerűen. A rácson lévő pozitív jel növeli az anódáramot, ami miatt az anódellenálláson nagyobb fesz esik, és emiatt az anód közelebb kerül a földhöz és fordítva. A katódnál viszont az ellenállás előtt veszed le a jelet. Azon nagyobb áram hatására szintén fesz esik, ami viszont a földtől távolítja a katódot vagyis pozitív lesz a jel. Szerintem ennyi kell a megértéshez. De ha ez rossz, akkor majd mindjárt javítanak.
A hozzászólás módosítva: Nov 21, 2012
Szerintem a földelt rácsú sem fordít fázist... Pár éve kisérleteztem kaszkód végfokokkal, meg földelt rácsú meghajtással... Érdekes volt
Erre mifelénk a földelt rácsú sem fordít fázist.
![]() Nem tudom törölni (régebben mintha lehetett volna), igy 6C4C után már..... A hozzászólás módosítva: Nov 21, 2012
Mea culpa. A földelt rácsú sem fordít fázist, csak elsiettem. Elnézést.
Uraim!
(minden jog fenntartva) Mi a vélemény az általános, szünetmentesek trafójának hálózati és k i m e n ő céljára hasznosításával? A vasanyagra gondolok itt. Mert ott lemezeltek a trafók és elválasztás nélküliaek a csévetestek. Mardos a kíváncsiság!
Kimenőnek 0.3 -as lemezvastagságút szoktak, vagy vékonyabbat. (ha jól tudom)
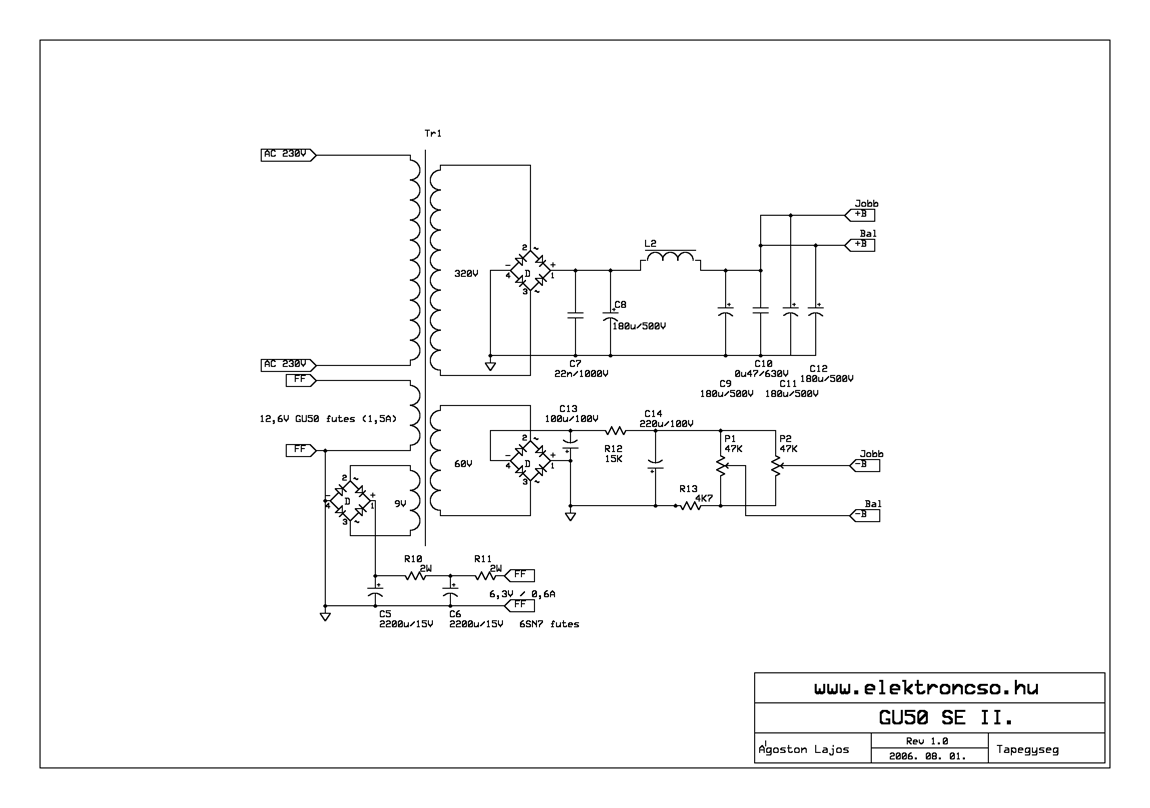
Elkészült (nagyjából) az új, kis ECL86 SE (18,7*18,7*4 cm-es lámpatest). Még fejhallgató kimenetet rakok rá, ha fülessel meghallgatva is jó lesz. Ezenkívül a felöltöztetése van hátra (ez némileg növeli majd a méreteit). A csöveket és a hálótrafót kissé besüllyesztettem, mert egységes magasságot akartam (későbbi design végett).
Íme a kapcsirajz és pár kép a jelen állapotról:
Pár oszcillogramm (ezek még a deszkával készültek, ahol kissé más táp vot, ezért látszik némi (nem hallható) brumm a 100 Hz-es négyszögön.
Jó Munka, Gratulálok!
![]() Ha jól látom, csak hálózati trafója van, ezek szerint kimenő nélküli kapcsolás? (Van egy ilyen topic is itt, ha jól emlékszem). A hozzászólás módosítva: Nov 23, 2012
Én meg úgy látom, van ott két kis mütyür trafó, amiről azt beszélik meglepően jó hangja van. Nekem is sikerült egy antik német rádióban hasonlót találnom, először én is azt gondoltam nincs is kimenő a dobozban
.A rádióban szépen szólt, ha lenne párja már kipróbáltam volna én is valami sztereo SE-ben.
Tényleg, jobban megnéztem, no meg a kapcs.rajzon is van kimenőtrafó. Bár arról a két "bumszliról" hirtelen azt hittem, hogy elkók, jól benéztem...
Ha a pufferkondit megnövelem, nem terheli nagyon bekapcsoláskor az egyenirányítót vagy a trafót? Kiverte a biztit, mikor tette hozzá 660 mF-ot.
Én ennyi elkóval építettem meg kb és nincs vele gondom. Miért tettél még hozzá ennyit? Kikapcsolás után nekem még vagy egy percig szól
Itt ajánlották régebben, hogy nem szabad sajnálni a kondit. Az 50 Hz-t próbálom kiszűrni a tápszűréssel. Az előfesz szűretlensége esetleg lehet a brumm okozója?
Üdv a jelenlévőknek. Kérdésem lenne van e valakinek tapasztalata BVK25 erősítővel? Megvan a csőkészlet meg a kimenőtrafó csak nem tudom mi várható tőle, érdemes e az építésébe belefogni?
üdv mindenkinek.
megépítettem egy deszkamodellt a kiszemelt kapcsolásból, igaz, csak egy csatornát. A végeredmény nagyon tetszett, nem gondoltam, hogy ekkora teljesítményt jelent az a 2-3watt. Brummog egy kicsit, de men vészes, pedig összesodortam a fűtés vezetékeit. Ezt hogyan tudnám csökkenteni? Valamint a teljes kivezérlés közelében már eszeveszetten torzít. Erre létezik orvosság? Idézet: „Valamint a teljes kivezérlés közelében már eszeveszetten torzít. Erre létezik orvosság?” Igen, úgy hívják, hogy Push-Pull erősítő. A hozzászólás módosítva: Nov 23, 2012
Lassan hülyét kapok a kimenőtrafóktól.. ECL86-hoz ugye még régebben tekertem kettőt, közük nem volt egymáshoz, újratekertem őket rendesen menet-menet mellé, géppel, számlálóval pontosan ugyanannyi menetre. Szépen együttfutnak, viszont úgy 1,2k után majdnem lineárisan emelnek, 20k-nál már +6db... Már lassan látom ahogy ezekből gitárerősítő lesz..
remek.
Akkor majd nem hallgatom olyan hangosan, egyébként is egy csatorna amit produkált, messze túlszárnyalta a várakozásaimat. A kimenőtrafó a gyártó szerint is csak hobbi célra alkalmas, de szerintem rendben volt a mélytartomány is. Bár lehet, ogy a dynavoice challenger m-85 kicsit segített neki. A brummal mit lehet kezdeni? nagyobb kondik a szűrésbe?
Szia.Meg forgasd addig a trafókat,amíg nem lesz jó.Bár én "sima" diódát tennék a helyébe,annak mehet a kondi.Persze,ha nem fűtés eredetű a macid.
nem hiszem, hogy az lenne a gond, mert jelen állapotában kb 70 cm van a hálózati és a kimenő között. még nincs bedobozolva.
Nagy vezérlésnél valószínűleg azért torzít, mert túlságosan érzékeny. Ha így van, csökkenteni kell az erősítést. Ennek egyszerű módja a visszacsatolás növelése, amit a 22Kohmos visszacsatoló ellenállás értékének csökkentésével (15 K-ra) érheted el.
Nekem volt úgy,hogy hiába raktam messzebb a kimenőt a hálózatitól,nem sokkal lett jobb,aztán ugyan arra a helyre vissza,csak a trafó másik oldalára és jó is lett.Ezt külön a két trafóval meg tudod csinálni és csak egy multiméter kell hozzá,meg a hálózatinak feszültség.
mindkettőtöknek kösz az infót. majd vasárnap kipróbálom, holnap 24 órázom
Azt még tudnod kell,hogy a kimenő primer tekercsén kell váltófeszültséget mérni.Minél kisebb,annál jobb.
Ha nagyon szépen és nagy-nagy tisztelettel megkérlek szépen, használnád a mondat elején a nagy kezdőbetűket? Tudod, mi ilyen hülye maradi emberek vagyunk, akik szeretik az igényes dolgokat, beleértve a Magyar helyesírás szabályait is. Ugye nem jelent nagy nehézséget neked? Nagyon köszönöm a fáradozásodat a továbbiakban!
|
Bejelentkezés
Hirdetés |












.A rádióban szépen szólt, ha lenne párja már kipróbáltam volna én is valami sztereo SE-ben.


