Fórum témák
» Több friss téma |
Fórum » Csöves erősítő készítése
Ne feledd betartani a fórum viselkedési szabályait, és a topik megmaradásának feltételeit. [link]
A téma átmenetileg fagyasztva lett, hozzászólni nem tudsz!
Idézet: „meg szeretném építeni ezt az erősítőt, csak az a bajom vele hogy kz66 az párban válogatva 22ezer forint ef86 meg már nem kapható, hasonló erősítőt tud-e valaki?” Lenne azért ezzel még elég sok bajod, hiába ragaszkodsz hozzá. A kimenőről pl. mit tudsz? A bekötését, maximum (lehet, hogy lehetne rendelni, az - legalább - 40000 Ft volna - darabja). Ez azért elég kevés ám. Tudni kéne a vas méretét, minőségét, a menetszámokat, az osztásokat. Enélkül csak találgatni lehet (ha van elég tapasztalatod hozzá), az meg igen sok bizonytalansági tényezőt tartogat. Lehet, hogy gerjedne, de biztos, hogy nem hozná a gyári paramétereket. Ha tutira akarsz menni, akkor ajánlanám figyelmedbe az Rádiótechnika Évkönyvek cikksorozatát Plachtovics úr tollából, ott legalább teljes leírások vannak, bár a nyomda ördöge ott is tevékenykedett, de azokat könnyű felismerni, és kijavítani (pl. képaláírás nem stimmel, katód-anód felcserélés, stb). [OFF] A másik tanácsom pedig az, hogy ne csapongj. Nincs annak értelme, hogy 3 naponta variálsz, hogy éppen mit akarsz megépíteni. Látom, máshol is ezt műveled, nem vezet ez sehova. Semmi soha nem fog elkészülni. Kezd el az alapoknál, ne egy Quad-dal. Nem ez a tanulóerősítő. Építs egy EL84-ECC83-at (2300Ft a börzén a 3 szükséges cső), Sanyi bácsinál 4000Ft a 3 trafó, és a többi is kijön 2000-ből, ha csövesben gondolkodsz. Ha ez megvan - és jó is lett - akkor kéne tovább lépni.
Szia.Megmértem a trafót,ahogy tegnap írtad és mindjárt 220v lett belőle.Azt mondjuk nem értem,hogy tegnap simán mérve 350v-jött ki belőle,ma meg már csak 265v,bár most ez a 240v primerre van állítva.Ilyen nagy lenne nálunk az áramingadozás?
Az más készülékeknél is okozna működési zavart, ekkora ingadozás nem lehet (legfeljebb, ha üzemzavar van). A csöves egyenirányítás - műszaki szempontból - nem igazán jó (ahogy lehetett, le is mondtak róla). A cső maga is tetemes nyitófeszültséggel rendelkezik, elérheti a 20-25V-ot. A transzformátort is eleve vékonyabb huzalból készítik, hogy ne tudjon leadni akkora csúcsáramot, ami a csőnek ártalmas volna, ez szintén feszültségeséssel (veszteséggel) jár. Ugyanezért korlátozzák a puffer méretét is, tehát van korlátozó tényező elég. Viszont éppen ezekért közel sem folynak akkora csúcsáramok, és ez - más szempontok szerint - kívánatos.
Köszi.Lehet a műszerem hülyült be,és most mért jól..Azért a biztonság kedvéért rárakok egy 2x50uf-s kondit,a két kondi közé egy fojtóval.Csak nehezen alakul,mert most is vizet kell mennem szerelni.
Sziasztok!
EL34 -es SE erősitőt épitek ,a kimenőtrafó készitésénél vagyok megakadva, mivel M tipusú vasmagom van. Mi a véleményetek, megoldható azzal ,ha egyodalról lemezelem légrésnek számit? Van valakinek ilyen irányú tapasztalata?
Köszi a választ, megpróbálom , valami kis rés van közte. A legrosszabb esetben ujat kell tekercselnem.
Valamekkora rés mindig van. Ki a kisebbre, ki a nagyobbra izgul/esküszik.
netuddki! a légrés M vasnál 0.2 mm-nél kezdődik, azaz nem akad az oszlop a kerettel. Ha akad akkor légrés nélküli.
Szia.
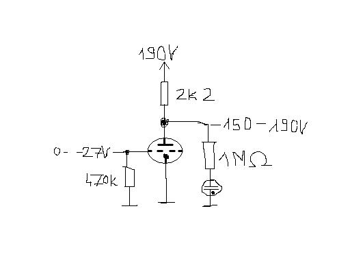
Csatolom a rajzot. A feszültség értékeket is feltüntettem. A rácsfeszültségem 0 és -27V között tudom állítani. A 190V tápfesz terhelve lett ennyi. Ez 80-as egyenirányítást használok.
A 2.2k az anódban rettenetesen kicsi. Számold ki, ha a csövet ki tudnád annyira nyitni, hogy az anód lemenjen nullára, akkor a 2.2k-n (190V-tal számolva, a glimm nélkül) 86mA-re adódna az anódáram, és 16W esne az ellenállásra. Ez egy ECC85-nek nagyon sok, ilyen kapcsolástechnikában nagyságrend(ek)kel nagyobb anódellenállásra lenne szükség. Adatlap szerint pl. az Ug=0 esetén 50V alatti maradékfeszt választva 4mA alatti anódárammal kellene kalkulálni. A 190V-os anódtápnál ehhez minimum 47k anódellenállás kellene.
Egyébként a felvázolt kapcsolásban nem lezárni nem sikerül rendesen a csövet, hanem kinyitni olyan mértékben, hogy le tudja söntölni a glimmet. Lehet, hogy szerencsésebb lenne a glimmet (a saját soros előtétellenállásával együtt) az anódtáp és az anód közé kötni.
Ja, már értem a maradékfszültség-dolgot. Valóban nem erre számítottam, hanem Szilva utolsó bekezdése szerinti bekötési módozatra (nem volt semmi utalás a kérdésedben a kapcsolás módjára vonatkozólag). Tulajdonképpen nincs is mit hozzáfűzni a válaszához, tökéletesen megfogalmazta, mi a helyzet.
[OFF]Ez az anód-ellenállásérték erősen "tranzisztoros szemléletű"!
Üdv! Kérnék egy kis segítséget. Erősítőt építek Ebl21 ből. Ezek a csövek állnak rendelkezésemre a kategóriában. : ECH21, EBL21, Az1. Trafók, foglalatok minden megvan hozzá, sőt még egy rádió kapcsolásából a Hf részt is kiemeltem, viszont jó lenne egy jobb kapcsolás ECH21 előerősítővel, mivel EF22-m nincs, De a loktál
csövekhez ragaszkodnék. Kösz előre is.
Megoldható, rádiókba használatos volt a második ECH21 heptódája KF erősítőnek, a triódája hangfrekvenciás előerősítőnek. Kapcsolási példákat találhatsz a Kádár könyvekben. Szerintem nincs akadálya a heptódát felhasználni pentóda kapcsolásban (ahogy a KF erősítőben is használják) hangfrekvenciás előerősítőként.
AZ1 helyett nem tudnál szerezni EZ21 -et? jobban mutatna.
Igen a legtöbb készülékben a trióda részét Hf-re használták néztem több kapcsolást is, annyit értem el hogy találtam egy olyan Ech előerősítő kapcsolást valahol ami jobb minőségű. Egyébként gondoltam a Kádár könyvekre, sőt találtam is kapcsolást Ebl21 re de azok pp erősítők én Se-t akarok építeni ahoz van cuccom. Egyébként nincs Ez21-em sajnos és mostanság nem is fogok tudni beszerezni. Egyébként a doboza már lakkozva van, égkék akrillal, a teteje ezüst, első "átványpróbára az Az1-el is jól mutat. Üdv!
Szerintem az ECH81 triódával hajtottak több készülékben EL84-et. Mindkét cső igen hasonlít paramétereiben típuselődjeihez, a rajzokat így veheted "átültethetőnek" a régebbi lámpákra.
Illetve, ECH81-el EBL21-et, igazából erre gondoltam. :yes:
Beraktam az anód és az anódtáp közé a glimmet az ellenállásával együtt. De folyamatosan ég. Közben tovább gondoltam a dolgot
. Videon látszik remélem, hogy mi akarna lenni Csak nem annyira élvezhető mert nem alszik ki a glimm teljesen.
A rajz hozzá.
Az RC-tagok : 2µF- 470k A glimm saját ellenállása az anódkörben. (1Mohm)
A gond az, hogy a rácsoknak negatívabb fesz kell, mint a katódnak, hogy a cső le tudjon zárni.
Rójuk le tiszteletünket Marshalltiszteletére, most halt meg nem rég.
Ha egy 300ohmos közös ellenállással elemelném a katódokat a földtől az segítene?
Nem, a rácsokat negatív feszültségre kell kötni. Az anódba sem sorosan kell tenni a glimmet, hanem terhelésként. Ilyen formában nem billeg az áramkör, mert az anósfeszültség feszültség a glimmen esik.
De ez nem erősítő, hanem relaxációs (digitális) áramkör, nem ebbe a topikba való.
Na igen, és az ECC82 csövet pont erre az alkalmazásra találták ki.
Sziasztok!
Kaptam 2 db EF80 -as csövet, EL 84 -el lehetne belőle egy kis SE-t építeni? Légyszi mondjatok véleményt.
Sziasztok!
Régebben már valaki belinkelte ezt az Adagio csöves előerősítőt, csak elég rossz minőségű volt a kapcsolási rajz. Megtaláltam ennek a kapcsolásnak a kapcsolási rajzát pdf-ben és átrajzoltam a nyáktervét. Ha valakinek megtetszik, használja egészséggel.
Talán triódás módban (G2 anódként, G3 és az anód a katódra kötve) lehetne vele valamit kezdeni. E180F-nél nálam bevált.
1t4t az mit tud? mire lehet használni?
Telepes rádiókészülékek RF és KF fokozatában, közvetlen fűtésű cső.
Fűtés: 1,4 V / 25 mA, Ua 90 V Inkább az elektroncső topikban kellene érdeklődnöd.
Rendben.
|
Bejelentkezés
Hirdetés |


netuddki! a légrés M vasnál 0.2 mm-nél kezdődik, azaz nem akad az oszlop a kerettel. Ha akad akkor légrés nélküli. 

Csak nem annyira élvezhető mert nem alszik ki a glimm teljesen. 





