Fórum témák
» Több friss téma |
Elég hihetetlenül hangzik, hogy a 220ohm-on folyó áramtól annyira felmegy a primer feszültség, hogy még a mágneskapcsoló is meg tud húzni.
Viszont kénytelen vagyok meghajolni a tények előtt.
na várj most a kettő hogy kapcsolódik össze? az ellenállással a trafó fázisát hidalod át addig amíg a tekercs be nem húz. mindig is ez volt az elv. De a tekercs külön körről kapja a delejt. Ezt le is rajzolták a srácok. Az ellenállás nem csökkenti a tekercset. Ha levágta volna az automatát akkor kezdtem volna el kondikat bedobálni, hogy később húzzon meg. De idáig nem kellett. Most vagy javult nálunk a hálózat minősége (mert amúgy elég rossz a szolgáltatás és ingadozó), vagy ennyi elég neki.
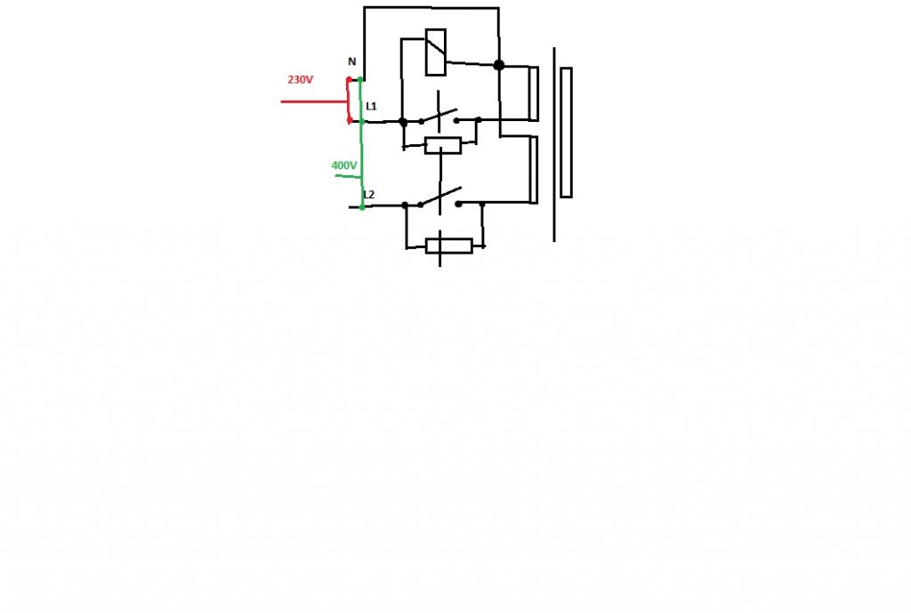
Viszont megnéztem a megosztott végrajzot, és nekem most nem teljesen az van a gépben. Nekem a tekercs nem az ellenálláson keresztül kapja a feszt, hanem külön körön. Ezért nem is értettem az írásod.
Na most jutottam haza, készítettem egy egyszerű rajzszerűséget, igaz a paint nem az erősségem. De remélem érthető. Annyit azért megjegyeznék, hogy ugyebár nekem van egy aljzat választó pluszba beépítve, így tudom bármikor bárhol konnektorról is használni természetesen csak a 230Vos részét. Ahova izmosabb kell, ott meg már úgyis van 400V. De lényeg hogy nekem így most valamiért jó, és akármikor odamegyek és kapcsolom nem vágja le az órát, ez korábban nem ment, ugyanis 10ből 7szer lekapcsolt az automata. Most meg 10/10 semmi. Amít színesen behúztam azt most már nem értem miért húztam be. Azt ne vegyétek komolyan! Most nézem hogy el is neveztem a szálakat.
Semmi gond, a mágneskapcsoló reakció-ideje adja a késleltetést. A meghúzás befejeztéig az ellenálláson keresztül kap a vas gerjesztést. Az a néhány milliszekundum és az 1-2A ezek szerint ennyit tesz.
Az ellenállást elhelyezésénél vedd figyelembe, a mágneskapcsoló meghibásodása esetén igen forró lesz!
Köszi az aggodalmat, ezt az ellenálláson keresztül forrósodásos témát már tapasztaltam a másik kapcsolás keretében, ott elengedett a relé, mondjuk 10ből szerencsére csak 1 adta fel a harcot. De őszintén egy 50forintos alkatrésznél ez nem igazán fog izgatni, kapcsolóból meg már sikerült szereznem egy ganz-ot tarinak. A tari és ami most benne van az is 16A-s szal szerintem örök élet meg két nap....
Nem is az ellenállásért aggódom. A közlében lévő vezetékekről leolvaszthatja a szigetelést, rosszabb esetben tüzet okozhat ez a kérészéletű 200W-os fűtőtest.
Csak gondoltam megosztom veletek, hogy ma miután teljesen összeraktam a gépet a módosítással, leteszteltem. Jelentem 140A-rel a 4es elektródát vígan el tudtam vele fogyasztani. Semmi probléma nem volt. Szóval nálam a végeredmény, hogy egy darab mágneskapcsoló és két darab ellenállás nagyon úgy néz ki, hogy megoldotta a problémát.
Sziasztok!
Adott egy TP link switch, amely egy rekkszekrényben van elhelyezve. Csatlakoztatva van a szekrény betápjára amit egy B 0,2 véd. Az áramszolgáltató által meghatározott érték ez a meghatározott fogyasztás alapján szóval a nagyobb megszakító nem jó megoldás. A problémám, hogy mikor feltolom a kismegszakítót tartani kell néhány másodpercig, hogy ne dobja le. Gondolom ezt a switch trafójának csúcsárama okozza. Tudnátok javasolni valami olcsó és egyszerű megoldást? Előre is köszönet!
Szevasztok! Lenne egy kicsit komolytalan problémám. Ismerősnek van egy makita gérvágó-ja, de csak porosodik a raktárában. Ugyanis mint kiderült, mikor megvette újonnan szép összegért, nem mondták meg neki, hogy nincs benne lágyindítás. 10ből 9szer levágja a biztosítékot. Asztalos révén folyamatosan használná. Megunta, és vett egy olyat amibe benne van a lágyindítás. Az lenne a kérdés, hogy nem tudja esetleg valaki, hogy nézhet ki az a lágyindító szerkezet abban a gépben? MErt mégis csak örülne neki, ha tudná, hogy van egy tari, ha baj van a naggyal. De tippek is jól jönnek, ha valakinek van jó ötlete. De a jó géphez nem nyúlhatunk hozzá, illetve a gépet se nagyon kéne megbontani, így egy aljzatba kéne valahogy beletolni a dolgot. Jah, ha felpörgött a gép, akor már csak 6A a max terhelés.
Szia! Szerintem meg ezt érdemesebb megnézned, az adatlapjában van kapcsolási rajz , megfelelő méretű triacot választva biztosan működni fog.
és ezt hova kéne tennem a gépnél?
Megépíted, beteszed egy dobozba, szerelsz rá egy dugaljat, meg egy kapcsolót. A gépet ebbe dugod, bekapcsolva hagyod, ha lehet, majd a dobozra szerelt kapcsolóval indítod a gépet. De lehet, hogy meg tudod építeni akkora méretben, hogy egy kisebb dobozban rá tudnád építeni a gépre, akkor csak simán a kapcsolója után kell bekötni.
Ez oké, de írtam, hogy gép bontás gar miatt nuku még kb másfél évig.
Őőő igen nem lehet bekapcsolva hagyni. Ugyebár körfűrész lévén biztonsági kapcsolós.
Sziasztok!
Sajnos az elméleti részben nem vagyok kellőképp otthon, érdekelne hogy ez a kapcsolás meg e oldaná a problémámat: http://www.hobbielektronika.hu/kapcsolasok/toroid_lagyinditas.html A probléma az, hogy van egy B 0,2 típusú kismegszakító, amely egy rekkszekrényben foglal helyet. A hálózatra csatlakozik egy TP-Link TL-SL2210WEB switch. Ha feltolom a kismegszakítót egyből le is kapcsol, tartani kell 1-2 másodpercet, amíg beáll a nyugalmi áram. Gondolom ez a táp tekercse miatt van. Mivel a kismegszakító a szolgáltató által megszabott, sajnos nem lehet nagyobbat tenni. Tudnátok segíteni? Köszi előre is! Tibi.
Szia! Hány VA-es a switch tápja?
9 W ha minden igaz...
Ha más fogyasztó nincsen a kismegszaítón csak a switch tápja, akkor azt a tápot dobd a kukába és szerezz be egy másikat, mert 9W-os trafóhoz sosem kell ágyindító.
Beépített tápja van, sajnos nem lecserélhető. Nem csak ez az egy switch van, minden esetben ledobja ha nem tartom 1-2 másodpercig. Nem értem...
Kösd át azt a kismegszakítót, vagy ha nem lehet, akkor értesítsd az illetékeseket a hibáról.
A switch nélkül fel lehet rendesen kapcsolni?
Igen fel lehet. A kismegszakító nem hibás és csak ezt az egy típust használhatjuk. Nem lehet hogy bekapcsoláskor magasabbra ugrik az áram mint 0,2 A? Esetleg kis változtatással nem lenne megfelelő az előzőekben már többször említett lágyindító bekötés?
A változtatás mindössze annyi, hogy a 4x10ohm helyére 1db 1k 5W-os ellenállás kerül.
Nyomozom neked az NTC-t. A lágyindításhoz az SG240-nél nem találtam nagyobb ellenállásút (40ohm). A kicsi, 0,5W-os 680-1000ohm-os pedig lehet elpattanna. Ez utóbbi kettőt minden esetre kipróbálnám mielőtt az (ágyúval verébre) relés panelt megépíteném
Köszönöm a segítséget!
Sziasztok!
Egy 600VA toroidot kellene megzabolázni, hogy bekapcsoláskor a 3.15A-es biztosítékokat ne zabálja. Az oldalon lévő kapcsolást szeretném megcsinálni. A B250C1500 helyére lehet más típusú hidat is használni, mire kell figyelni? Gondolom lehet, de jobb biztosra menni. Valamint módosítani akarom az ellenállásokat úgy, hogy a trafó max 3A kapjon addig amíg a relé meghúz. A 3A elég az "előgerjesztés"-hez? (bár 3A már max terhelésnél sincs). Előre is köszönöm a válaszotokat!
Szia! A rajz pont 600VA-hez van méretezve. Az egyenirányító híd normál körülmények között 24V 20mA-rel találkozik, de nem árt túlméretezni.
Hát őszintén amikor újjá élesztettem azt a labortápot, amihez szerintem használni szeretnéd, nekem az 8A-t tolt ki magából, amit persze a potik finomhangolásával visszafogtam. Szal a 3A-ben ne legyél annyira biztos ha ahhoz a labortáphoz kell neked ami az oldalon megtalálhato toroid trafóval.
|
Bejelentkezés
Hirdetés |










