Fórum témák
» Több friss téma |
Fórum » Kapcsolóüzemű táp autóba Hi-Fi-hez
ezen volt drot ez ha jol értelmeztem akkor trafo volt nem volt már sok drot rajta meg szétvolt szakadva is rajta de én szedtem le és ez volt alatta ez nem toroid vasmag ?
A csévét is csiszold meg hogy össze feküdjön
Megpödörtem a trafot ! És meg reszeltem a cséve testet is hogy üljön össze és megtekertem 2x30 szál 0.4 es huzallal 2x3-3 tekerés ! Na de hogy kelll kiszámolnom a teljesitményét nem tudod ?
Köszi amugy megjavult az inverterem már 360mA a fogysztása 1.29A hejett igy kell müködnie nem ?
Sziasztok! : )
Abba szeretném a segítségeteket kérni h csináltam egy szuberősítőt és +/- 24V-ról üzemel. Azt szeretném kérdezni h ezt szeretném kocsiba beletenni és h van e ilyen konverter ami az aksi 12voltjából +/- 24et tudna előállítani??
keress rá itt a topicban a képekre. (jobb fölül a pipa mellett.)
Rengeteget találsz.
HA jol vetem észre akkor zárlatos volt az egyik 1n4148 és nem szétdurant hanem terhelte a fet et !
Sziasztok ennél az erősítőnél feltétlenül újra kell tekercselni a PC trafót, mert van egy rossz 400 wattos ATX-es tápegységem és azt szeretném fel használni. Előre is köszi.
Gondolom valahogy így van megoldva maga a táp rész. Csak így vajon mennyi teljesítmény vehető ki belőle?
Sziasztok valaki segicsen nekem abban hogy mit tudnák kihozni ezekből a magokbol ijent sikerült rendelnem !!!
Ha a teljesítményre vagy kíváncsi, akkor saccra a kisebbikből 2-300W-ot, a nagyobbikból 4-500W-ot. Ez persze függ a mag anyagától, és attól hogy mennyi huzalt tudsz belepréselni.
Idézet: „Geri86 írta: Sziasztok ennél az erősítőnél feltétlenül újra kell tekercselni a PC trafót, mert van egy rossz 400 wattos ATX-es tápegységem és azt szeretném fel használni. Előre is köszi.” Erre valaki tudna nekem válaszolni?
annyiszor láttam már kirakva azt a néhány hibás kapcsolást, hogy meguntam. igy végre lerajzoltaqm a jot.
Köszi csak kár hogy használhatatlan. Sok vonal lemaradt.
A 3E25 az Ferroxcube anyag. Nagyjából ugyan az mint a TDK H5C2 anyag. Nálam annyira melegedett, hogy elvetettem a használatát ilyen célra.
Erről az anyagról előzetesen annyit találtam a neten, hogy fojtókhoz ajánlják! 230-nál EMI filternek pl. A mérés is igazolja. Az enyém 1.28cm2-s és 571,65 volt az Al -je. Kb 130°C-nál veszíti el a permeabilitását, ami amúgy is nagyon magas!!! 10000 !!! tehát ha ebből trafót akarunk, akkor nem szabad kihajtani. Azaz kicsi indukciót lehet meg engedni. Sőt nem is csinálnék belőle impulzustrafót. Nem lehet rendesen gerjeszteni. 2X5 menettel próbáltam. 53KHz-en. 37°C-ra melegedett, 13V-nál 210mA folyt bele. Ez sok. B=0,12T Ha melegítem, akkor ez is többet kezd enni. Szekunder nem is volt. A freki se valami nagy.(53KHz. Nem?) Próbálgasd. Hátha kisül valami belőle.
Frankó a rajz, de nálam semmi sem látszik.
Látszanak, de olvasd már el. Mi a kérdés?
Azért ne tekercseld újra a trafót, mert van egy rossz ATX tápod. Hogy van ez akkor?
Üdv!
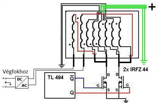
Szerintetek ez mit tudhat? Becsült értékekre lennék kíváncsi; áramfelvétel készenlétben, maximum folyamatosan leadott áram, hatásfok, mindez nem szimmetrikus üzemben. 8 darab IRFZ44 van benne, a kimeneti diódákat nagyobbakra cserélném majd. Folyamatos terhelést szeretnék vele üzemeltetni. Köszi.
igy már biztosan jo.
Én is már teszteltem 2x5 tekerés 2x10szál 0.6-os huzalbol 31-32-re melegedet
és 320mA-evett 60KHz-en az meg szerintem nem rosz vagy igen ?
Maga a trafó jó a schottky diódák mentek tönkre benne és nekem adták. Azért kérdeztem, hogy lehet így is használni a kis trafót, hogy nem tekerem újra?
Szinte ezt a kapcsolást '98-ban építettem meg autó erősítőhöz.
Azért ez sem tökéletes amit rajzoltál (szerintem): Az SG3525-nek a 8V már elég alacsony épp hogy le nem kapcsol az alacsony feszültség védelme. A gate ellenállással párhuzamos kondi nagy értékű, meg minek hiszen az IC kimeneti árama csak 500mA, így csak egy-két kisebb fet-et tudsz meghajtani, ide nem árt egy komplementer tranzisztoros meghajtó vagy MAX627 IC ha sok fet-et akarsz meghajtani. A graetz hídon a 100nF szerintem túl sok ide.
Inkább az egyik kondi el van rajzolva az egyenirányítón.
És a 20000µF a kimeneten? Milyen frekin működik ez 10Hz-en? Két db 680µF-al sem esne jobban a feszültség, mint a 20000µF-al.
Az meg egyenesen csoda ha nem szállnak el a fetek már a bekapcsoláskor, akkora kapacitás jó nagy terhelést jelent induláskor. |
Bejelentkezés
Hirdetés |











Az meg egyenesen csoda ha nem szállnak el a fetek már a bekapcsoláskor, akkora kapacitás jó nagy terhelést jelent induláskor. 




